Какое утверждение является правильным?
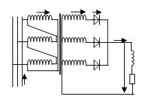
При включении первичной обмотки трансформатора по схеме звезда:
![]()
При включении первичной обмотки трансформатора по схеме звезда:

- выходное напряжение останется неизменным
- выходное напряжение увеличится
- выходное напряжение уменьшится
zzyxel










meimei1337
iFate

















































