Ответ на вопрос по схемотехнике №7944: Какую форму имеет ток, протекающий через первичную обмотку трансформатора в схеме? Какую форму имеет ток, протекающий через первичную - Ответ на вопрос по схемотехнике №7944Какую форму имеет ток, протекающий через первичную - Ответ на вопрос по схемотехнике №7944
2023-12-282023-12-28СтудИзба
Какую форму имеет ток, протекающий через первичную - Ответ на вопрос по схемотехнике №7944
Вопрос
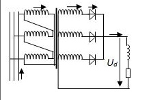
Какую форму имеет ток, протекающий через первичную обмотку трансформатора в схеме?
Ответ

Хочешь зарабатывать на СтудИзбе больше 10к рублей в месяц? Научу бесплатно!
Начать зарабатывать
Начать зарабатывать



zzyxel


















