Ответ на вопрос №241051: Как определяется жесткость конструкции с указанной на рисунке компоновкой сечения? Ix = bh^3/12; Wx = bh^2/6 Ix = hb^3/12; Wx = hb^2/6 Ix ≈ [If + (A/2)a^2]; Wx ≈ 2[If + (A/2)a^2] /a Как определяется жесткость конструкции с указанной на рисунке - Ответ на вопрос №241051Как определяется жесткость конструкции с указанной на рисунке - Ответ на вопрос №241051
2025-01-142025-01-14СтудИзба
Как определяется жесткость конструкции с указанной на рисунке - Ответ на вопрос №241051
-47%
Вопрос
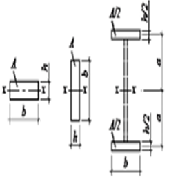
Как определяется жесткость конструкции с указанной на рисунке компоновкой сечения?
- Ix = bh^3/12; Wx = bh^2/6
- Ix = hb^3/12; Wx = hb^2/6
- Ix ≈ [If + (A/2)a^2]; Wx ≈ 2[If + (A/2)a^2] /a
Ответ

Анастасия Жукова






















