Вопрос есть в коллекциях
Изображенный элемент
(на принципиальной пневматической/электропневматической схеме) - это:
(на принципиальной пневматической/электропневматической схеме) - это:- пневмоцилиндр одностороннего действия с односторонним регулируемым демпфированием
- пневмоцилиндр двустороннего действия с односторонним регулируемым демпфированием
- пневмоцилиндр одностороннего действия с односторонним нерегулируемым демпфированием
- пневмоцилиндр двустороннего действия с односторонним нерегулируемым демпфированием
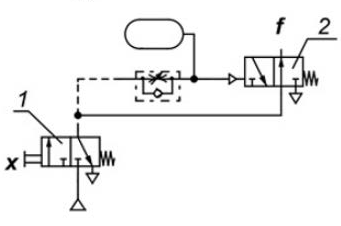
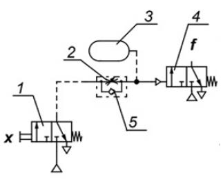
пневматической системы относится к ... элементу (структуры пневматической системы):
meimei1337
(на принципиальной пневматической/электропневматической схеме)- это:
используется для обозначения:
(на принципиальной пневматической/электропневматической схеме) - это:
пневматической системы относится к ... элементу (структуры пневматической системы):
(на принципиальной пневматической/электропневматической схеме) - это: 


(на принципиальной пневматической/электропневматической схеме) - это:
(на принципиальной пневматической/электропневматической схеме) - это:
(на принципиальной пневматической/электропневматической схеме)- это:
(на принципиальной пневматической/электропневматической схеме) - это: 
(на принципиальной пневматической/электропневматической схеме) - это:
(на принципиальной пневматической/электропневматической схеме) - это:
(на принципиальной пневматической/электропневматической схеме) - это:
(на принципиальной пневматической/электропневматической схеме) - это: 



(на принципиальной пневматической/электропневматической схеме) - это:
(на принципиальной пневматической/электропневматической схеме)- это: 




(на принципиальной пневматической/электропневматической схеме) - это:
используется для обозначения:


относится к ... элементу (структуры пневматической системы):
(на принципиальной пневматической/электропневматической схеме) - это: 




































