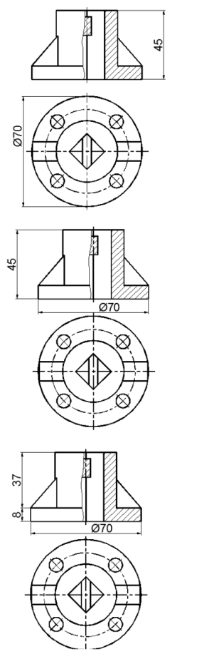
Ответ на вопрос по инженерной графике №12239: На каком изображении габаритные размеры проставлены правильно?На каком изображении габаритные размеры - Ответ на вопрос по инженерной графике №12239На каком изображении габаритные размеры - Ответ на вопрос по инженерной графике №12239
2024-01-092024-01-09СтудИзба
На каком изображении габаритные размеры - Ответ на вопрос по инженерной графике №12239
-47%
Вопрос
На каком изображении габаритные размеры проставлены правильно?
Ответ
Пожалуйста, если не трудно, оцените файл на высокую оценку, спасибо!
iFate























