Две катушки (X1=12 Ом, X3 = 3 Ом) намотаны на общий - Ответ на вопрос по электротехнике №34390
-42%
Вопрос
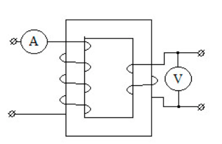
Две катушки (X1=12 Ом, X3 = 3 Ом) намотаны на общий сердечник (см. рисунок). Амперметр показывает 5 А. Что покажет вольтметр, если коэффициент связи можно считать равным единице?
- 15 В
- 30 В
- 75 В
- 0
- Задачу решить нельзя
Ответ
Пожалуйста, если не трудно, оцените файл на высокую оценку, спасибо!
iFate




















