Ответ на вопрос по электротехнике №216158: Определить индуктивность неидеальной катушки, если известны показания приборов: P = 80 Вт, U = 80 В, I = 2 А. Частота источника ƒ = 50 Гц. 22,06 мГн 0,1103 мГн 220,6мГн 110,3 мГн 0,01103 Гн Определить индуктивность неидеальной катушки, если - Ответ на вопрос по электротехнике №216158Определить индуктивность неидеальной катушки, если - Ответ на вопрос по электротехнике №216158
2024-12-082024-12-08СтудИзба
Определить индуктивность неидеальной катушки, если - Ответ на вопрос по электротехнике №216158
-47%
Вопрос
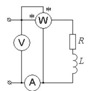
Определить индуктивность неидеальной катушки, если известны показания приборов: P = 80 Вт, U = 80 В, I = 2 А. Частота источника ƒ = 50 Гц.
- 22,06 мГн
- 0,1103 мГн
- 220,6мГн
- 110,3 мГн
- 0,01103 Гн