Ответ на вопрос по электротехнике №12886: Дано: Дано: R1 = 2 Ом, R2 = 5 Ом, Е= 25 В, J = 3 А. Внешняя (нагрузочная) характеристика заданного активного двухполюсника имеет вид: Дано: Дано: R1 = 2 Ом, R2 = 5 Ом, Е= 25 В, J = 3 А. - Ответ на вопрос по электротехнике №12886Дано: Дано: R1 = 2 Ом, R2 = 5 Ом, Е= 25 В, J = 3 А. - Ответ на вопрос по электротехнике №12886
2024-01-112024-01-11СтудИзба
Дано: Дано: R1 = 2 Ом, R2 = 5 Ом, Е= 25 В, J = 3 А. - Ответ на вопрос по электротехнике №12886
-47%
Вопрос
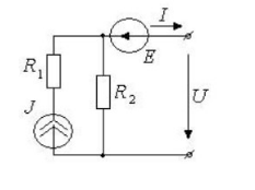
Дано: Дано: R1 = 2 Ом, R2 = 5 Ом, Е= 25 В, J = 3 А. Внешняя (нагрузочная) характеристика заданного активного двухполюсника имеет вид:
Ответ

Хочешь зарабатывать на СтудИзбе больше 10к рублей в месяц? Научу бесплатно!
Начать зарабатывать
Начать зарабатывать



zzyxel


















