Ответ на вопрос №299986: Тип включения тиристоров в схеме непрерывного регулятора температуры электрической печи сопротивления – это … включение по два тиристора параллельно в одном направлении в каждую фазу печи. включение по два тиристора встречно-параллельно в каждую фазу печи. включение по два тиристора встречно-параллельно в одну фазу печи. включение по четыре тиристора встречно-параллельно в каждую фазу печи. Тип включения тиристоров в схеме непрерывного регулятора температуры - Ответ на вопрос №299986Тип включения тиристоров в схеме непрерывного регулятора температуры - Ответ на вопрос №299986
2025-03-062025-03-06СтудИзба
Тип включения тиристоров в схеме непрерывного регулятора температуры - Ответ на вопрос №299986
-47%
Вопрос
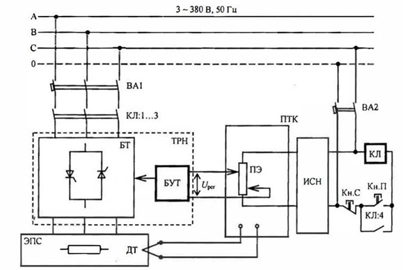
Тип включения тиристоров в схеме непрерывного регулятора температуры электрической печи сопротивления – это …
- включение по два тиристора параллельно в одном направлении в каждую фазу печи.
- включение по два тиристора встречно-параллельно в каждую фазу печи.
- включение по два тиристора встречно-параллельно в одну фазу печи.
- включение по четыре тиристора встречно-параллельно в каждую фазу печи.
Ответ

Анастасия Жукова























