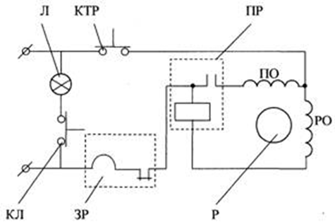
Ответ на вопрос №299910: В электрической схеме холодильника, изображенной на рисунке, буквой Р обозначен… реостат. ротор. регулятор. рекуператор. В электрической схеме холодильника, изображенной на рисунке, буквой - Ответ на вопрос №299910В электрической схеме холодильника, изображенной на рисунке, буквой - Ответ на вопрос №299910
2025-03-062025-03-06СтудИзба
В электрической схеме холодильника, изображенной на рисунке, буквой - Ответ на вопрос №299910
-47%
Вопрос
В электрической схеме холодильника, изображенной на рисунке, буквой Р обозначен…
- реостат.
- ротор.
- регулятор.
- рекуператор.
Ответ

Анастасия Жукова






















