Ответ на вопрос по электронике №321742: Определите временную диаграмму Ub1 при работе мультивибратора в автоколебательном режиме. Определите временную диаграмму Ub1 при работе - Ответ на вопрос по электронике №321742Определите временную диаграмму Ub1 при работе - Ответ на вопрос по электронике №321742
2025-03-272025-03-27СтудИзба
Определите временную диаграмму Ub1 при работе - Ответ на вопрос по электронике №321742
-47%
Вопрос
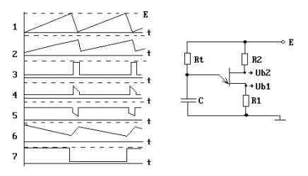
Определите временную диаграмму Ub1 при работе мультивибратора в автоколебательном режиме.
Ответ

Если нужен другой вариант работы или отдельная задача из любой работы, пишите в комментарии

















