Ответ на вопрос по электронике №321739: Дано: R0 вых=10 Ом, R1 вых=100 Ом, R=990 Ом, С=0.01 мкФ, Uпор=1.8 В, U1 вых=3.6 В. Рассчитайте длительность выходного импульса. Дано: R0 вых=10 Ом, R1 вых=100 Ом, R=990 Ом, С=0.01 - Ответ на вопрос по электронике №321739Дано: R0 вых=10 Ом, R1 вых=100 Ом, R=990 Ом, С=0.01 - Ответ на вопрос по электронике №321739
2025-03-272025-03-27СтудИзба
Дано: R0 вых=10 Ом, R1 вых=100 Ом, R=990 Ом, С=0.01 - Ответ на вопрос по электронике №321739
-47%
Вопрос
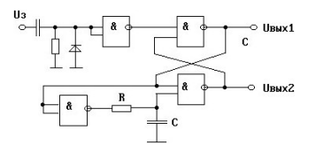
Дано: R0 вых=10 Ом, R1 вых=100 Ом, R=990 Ом, С=0.01 мкФ, Uпор=1.8 В, U1 вых=3.6 В. Рассчитайте длительность выходного импульса.
Ответ

Если нужен другой вариант работы или отдельная задача из любой работы, пишите в комментарии

















