Ответ на вопрос по электронике №321733: Рассчитайте постоянную времени заряда конденсатора С=8000 пФ, если Rк=1 кОм, R=20 кОм, Rб=10 кОм. Транзисторы считать идеальными ключами. Рассчитайте постоянную времени заряда конденсатора - Ответ на вопрос по электронике №321733Рассчитайте постоянную времени заряда конденсатора - Ответ на вопрос по электронике №321733
2025-03-272025-03-27СтудИзба
Рассчитайте постоянную времени заряда конденсатора - Ответ на вопрос по электронике №321733
-47%
Вопрос
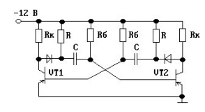
Рассчитайте постоянную времени заряда конденсатора С=8000 пФ, если Rк=1 кОм, R=20 кОм, Rб=10 кОм. Транзисторы считать идеальными ключами.
Ответ

Если нужен другой вариант работы или отдельная задача из любой работы, пишите в комментарии

















