Ответ на вопрос по электронике №17293: Какую форму имеет напряжение на нагрузке, в схеме? Какую форму имеет напряжение на нагрузке, в схеме? - Ответ на вопрос по электронике №17293Какую форму имеет напряжение на нагрузке, в схеме? - Ответ на вопрос по электронике №17293
2024-01-292024-01-29СтудИзба
Какую форму имеет напряжение на нагрузке, в схеме? - Ответ на вопрос по электронике №17293
Вопрос
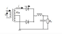
Какую форму имеет напряжение на нагрузке, в схеме?
Ответ
Алёна Руденко
alena.rudenko.88























