Ответ на вопрос по электронике №17291: Какую форму имеет ток, протекающий через вторичную обмотку трансформатора в схеме? Какую форму имеет ток, протекающий через вторичную - Ответ на вопрос по электронике №17291Какую форму имеет ток, протекающий через вторичную - Ответ на вопрос по электронике №17291
2024-01-292024-01-29СтудИзба
Какую форму имеет ток, протекающий через вторичную - Ответ на вопрос по электронике №17291
Вопрос
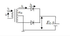
Какую форму имеет ток, протекающий через вторичную обмотку трансформатора в схеме?
Ответ
Алёна Руденко
alena.rudenko.88























