Система переменного тока
6. Система переменного (однофазно-постоянного) тока.
При системе переменного (однофазно-постоянного) тока при напряжении в контактной сети 25 кВ меньшая величина тока в контактной сети (P=U*I), меньшее сечение контактного провода, меньший расход цветного металла, меньшая жесткость опор, меньшие потери напряжения в контактной сети, поэтому тяговые подстанции устанавливаются через 50÷100 км (это зависит от профиля пути, от грузонапряженности), да и тяговые подстанции проще по оснащенности. При данной системе возможна электрификация нетяговых потребителей
Недостатками данной системы можно считать более сложную конструкцию локомотива, выполнение усиленной изоляции и создаются помехи для линий связи.
Рекомендация для Вас - Введение к лекционному курсу.
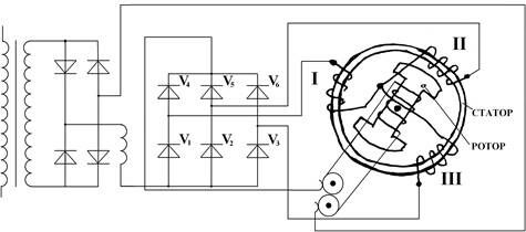
При системе переменного тока на электровозах в качестве тяговых двигателей могут использоваться вентильные безколлекторные синхронные двигатели.

На роторе расположена обмотка возбуждения, соединенная с двумя кольцами, изолированными друг от друга. На статоре расположены три катушки, расположенные друг относительно друга под углом 120°, и соединенные по схеме «звезда». Напряжение на обмотки подается от трансформатора через мостовую схему выпрямления и через инвертор, выполненный на управляемых вентилях-тиристорах. Пусть будут открыты тиристоры V1 и V5. Тогда пойдет ток по обмоткам статора I и II, и по обмотке возбуждения. В результате взаимодействия магнитных полей статора и ротора ротор приходит в движение, начинает вращаться. Затем переключаются тиристоры в определенной последовательности для того, чтобы ротор непрерывно вращался. По сравнению с двигателем постоянного тока в вентильном двигателе обмотка возбуждения расположена на вращающейся части, а на неподвижной части – обмотка, исполняющая роль обмотки якоря. Роль коллектора, являющегося сложным и неудобным в эксплуатации устройством у электродвигателей постоянного тока, выполняет инвертор.
В качестве тяговых двигателей могут использоваться и трехфазные асинхронные двигатели, которые более простые по конструкции, надежные в эксплуатации, простые в ремонте. Сложность пока в создании надежного преобразователя фаз и частоты. При изменении частоты переменного тока можно плавно регулировать скорость движения.
В Италии и Испании частично используется трехфазная система переменного тока. Из-за сложности конструкции не нашла широкого применения. Необходимо иметь два контактных провода, изолированных друг от друга, а на электровозе – два изолированных друг от друга токоприемника.
На тяговые двигатели постоянного тока можно непосредственно подавать переменное напряжение. Но из-за плохой коммутации (из-за повышенного искрения под щетками) подобные электровозы не выполняют. Улучшить коммутацию можно понижением частоты переменного тока, что и делается в Германии, Швеции, Швейцарии, Норвегии, США и других странах, где на тяговых подстанциях устанавливают преобразователи частоты для понижения частоты до 25 или 16 2/3 Гц. При этом на электровозе нет выпрямительных установок и нет реакторов. В контактной сети напряжение 6÷10 кВ. В США имеются электростанции, вырабатывающие напряжение частотой 25 Гц, а в Германии – частотой 16 2/3 Гц.





















