Керамзит
Тема 8. Керамзит
Материалы керамзитовой структуры – это новая группа керамических строительных материалов. При производстве других изделий в обжиге достигают плотного спекания керамики, повышающего прочность, а керамзит получают вспучиванием при обжиге глиняной массы для повышения пористости. Вспучивание – это увеличение материала в объеме за счет образования внутренних, чаще замкнутых, пор. На изломе вспученный материал имеет структуру застывшей пены. Керамзит разделяют на: гравий, щебень, песок и изделия на их основе. Наибольшее развитие получило производство керамзитового гравия, который обычно именуется просто керамзитом. Керамзитовый гравий был запатентован Стефаном Хейдом (США, 1918 г.) и известен за рубежом под названием хайдита. В СССР опытные работы по его получению были начаты в 20-х годах XIX в. Е.В. Костырко, а в послевоенные годы продолжены С. П. Онацким [33]. Опытное производство керамзита было организовано в нашей стране в 1939 г., но промышленное производство начато в 1950-х годах, в 1965 г. было выпущено 6,3, а в 1970 г. – 13 млн м3.
Керамзитовый гравий применяется как заполнитель легких бетонов, имеющий более высокие теплозащитные свойства, что дает возможность уменьшить толщину и массу наружных стен, а это ведет к снижению потерь тепла в окружающую среду и индустриализации строительства. Каждые 10% уменьшения массы конструкции снижают ее стоимость на 3%. Таким образом, переход от тяжелых бетонов с плотностью до 2400 кг/м3 к легким бетонам плотностью 1200…1400 кг/м3 (до 1800 кг/м3) является существенным источником снижения себестоимости строительства. Этим объясняется большой объем выпуска и применения керамзита в нашей стране. В нашей области керамзит и на его основе – керамзитобетонные стеновые панели, более легкие и теплоизоляционные, чем шлакопемзовые, выпускает Елецкий керамзитовый комбинат. Недостаток керамзита – повышенные энергозатраты на обжиг и насыпная плотность (до 800 кг/м3). Поэтому ведутся работы по производству трепельного гравия, имеющего насыпную плотность 300…400 кг/м3. Запасы трепельных глин имеются в нашей и в Тамбовской области. Применение такого гравия позволит получать бетоны с плотностью не выше 900 кг/м3 и выйти на мировой уровень по теплоизоляции ограждающих конструкций.
Свойства керамзита регламентированы ГОСТ 9579-90 [12]. Основными являются плотность зерен, насыпная плотность, коэффициент формы, морозостойкость, прочность. Плотность зерен (в куске), кг/м3, определяют по отношению массы высушенного при 110°С образца к его объему вместе с порами и пустотами. По насыпной плотности по ГОСТ 9579-90 различают 12 марок керамзита, а по прочности – два класса (таблица 8.1).
Таблица 8.1. Свойства керамзита
| Марки гравия по плотности | Прочность гравия для классов, МПа | Водопоглощение по массе в течение 1 ч, %, не более | Марки гравия по плотности | Рекомендуемые материалыFREE 16-этажный жилой дом с монолитным каркасом в г. Краснодаре FREE Строительство жилого 4-х этажного 2-х секционного дома на 16 квартир FREE Проектирование 16-ти этажного 2-х секционного жилого дома в Ейске FREE Разработка проекта производства работ для строительства панельно-блочного 4-секционного 6-ти этажного жилого здания. Серия БКР-2 FREE Механизм поворота башенного крана КБ-160.2 FREE Диагностика технического состояния строительных конструкций 5-этажного 6-подъездного 96-квартирного жилого дома по улице Ташкентская д. 83 Прочность гравия для классов, МПа | Водопоглощение по массе в течение 1 ч, %, не более | ||
А | Б | А | Б | ||||
| 150 200 250 300 350 400 | 0,4 0,5 0,8 1,0; 1,4; 1,7 | 0,3 0,4 0,6 0,8 1,0 1,4 | 25 25 25 25 25 25 | 450 500 550 600 700 800 | 2,0 2,5 3,0 3,5 4,5 6,0 | 1,7 2,0 2,3 3,0 3,0 4,0 | 20 20 20 20 15 15 |
Показателем прочности керамзита является сопротивление сжатию порции керамзита, насыпанной в стальной цилиндр, при сдавливании ее поршнем на глубину 20 мм. По размерам зерен различают три фракции: 5…10, 10…20 и 20…40 мм. Керамзит с крупностью зерен менее 5 мм относится к керамзитовому песку. Марка по морозостойкости керамзита должна быть не ниже F15 с потерей массы не более 8%. Потеря массы после 4-часового кипячения не должна превышать 5%, а отпускная влажность не должна составлять более 20 %. Большое влияние на качество керамзита как заполнителя бетона оказывает коэффициент формы зерен, т. е. отношение максимального размера зерна к минимальному. По ГОСТ она должна быть не более 1,5. Содержание в гравии расколотых зерен не должно превышать по массе 15%. Методы испытаний керамзитового гравия регламентированы ГОСТ 9758. Большое значение имеет однородность свойств керамзита. Отдельные чрезмерно легкие и наименее прочные зерна в партии керамзита, не уменьшая существенно его плотности, могут явиться в бетоне начальными очагами разрушения. Тяжелые зерна, не увеличивая общую прочность бетона, образуют «мостики холода», ухудшая его теплозащитные свойства. Качество готовой продукции на предприятии оценивают по коэффициенту однородности керамзита. Основы теории вспучивания глин изучают закономерности процесса вспучивания глиняных гранул. Они состоят в следующем. Во время нагревания глиняной гранулы (рис. 8.1) при достижении определенной температуры глиняная оболочка поры начнет размягчаться, спекаться, затем она уплотняется и становится газонепроницаемой, переходит в пиропластическое состояниие, т. е. становится способной к пластическим деформациям без разрыва сплошности. Если в этот момент внутри шарика начнут выделяться газы, то, не имея выхода через оболочку, они будут создавать во внутренней полости шарика избыточное давление, под действием которого размягченная оболочка будет расширяться. Так происходит вспучивание элементарной ячейки глины, которое приводит к вспучиванию гранулы. Следует учитывать и неравномерность прогрева: на поверхности нагрев происходит быстрее, чем в центре. Поэтому поверхность гранулы еще до того, как вся ее масса приобретет пиропластическое состояние, покрывается плотной спекшейся газонепроницаемой оболочкой, предотвращающей утечку газов из гранулы. Условием, обеспечивающим вспучивание глин при нагревании, является совмещение во времени пиропластического состояния глины с интенсивным газовыделением внутри гранул. Но каждый из этих факторов в отдельности не обеспечивает процесса вспучивания, необходимо, чтобы они действовали одновременно. Если же в этом температурном интервале интенсивность газовыделения опережает

Рис. 8.1. Интервал вспучивания глин
фильтрацию газов через поры гранулы, то внутреннее избыточное давление разрывает гранулу, так как, будучи в хрупком состоянии, она не способна к пластическим деформациям. Таким образом, глина, в которой по времени совпадает хрупкое состояние с интенсивным газовыделением, вспучиться не может. Не произойдет вспучивания и в том случае, если максимум газовыделения сдвигается в область слишком высоких температур. Тогда глина становится вязко-текучей с малой прочностью перегородок пор. Газы в порах под избыточным давлением разрывают их стенки и удаляются, не производя работы вспучивания. Оптимальные условия для вспучивания достигаются, когда максимум интенсивности газовыделения находится в температурном интервале размягчения глины. Для осуществления вспучивания глины она должна обладать газотворной способностью, иметь пиропластическое состояние, и эти факторы должны совпадать по времени. Изучение этих факторов и условий их совместного действия составляет теорию вспучивания глины.
Факторы газотворной способности глины в настоящее время имеют два вида толкований. По первому источники газотворной способности глины – это реакции разложения и восстановления оксидов железа при их взаимодействии с органическими примесями или добавками в глине [33, 36]:
6Fe2O3 = 4Fe3O4 + O2;
2Fe3O4 = 6FeO + О2;
Fe2O3 + С =2FeO + СО;
Fe2O3 + СО = 2FeO + СО2.
Этот взгляд подтверждается тем, что глины, содержащие значительное количество железистых и органических примесей, хорошо вспучиваются. Добавка в глину железистых примесей (например, пиритных огарков), а также органических веществ (уголь, соляровое масло, мазут, торф) увеличивает вспучиваемость глины. Однако указанные восстановительные реакции развиваются при температурах 750…900°С, которые существенно ниже температур спекания глин (1150…1250°С), и протекают с очень большой скоростью [32]. При этом иногда вспучиваются глины, и не содержащие железистых примесей. Поэтому по второй гипотезе считается, что газообразная фаза при обжиге глин образуется за счет дегидратации слюдистых минералов, которые присутствуют в глинах в качестве примесей и распадаются, выделяя водяные пары при температурах, близких к температуре вспучивания глин. Железистым оксидам в этой гипотезе отводится вспомогательная роль – их присутствие облегчает и ускоряет распад слюдистых минералов.
Истина, скорее всего, находится на стыке двух гипотез, поскольку ни одна из них не учитывает влияние фактора времени и интенсивности теплообмена. В образовании газов, совершающих работу вспучивания, участвуют оба фактора. Благодаря наличию в толще обжигаемой гранулы температурного перепада спекшаяся газонепроницаемая наружная оболочка может возникнуть на ее поверхности прежде, чем центр гранулы прогреется до температуры начала восстановительных реакций. А когда центр гранулы прогреется до этой температуры, пары и газы восстановительных реакций, не имея выхода наружу, накапливаются в порах гранулы и вспучивают ее [36].
Факторами пиропластического состояния являются температура и интервал вспучивания, вязкость расплава и коэффициент вспучивания.
Пиропластическое состояние глины наступает при накоплении в ней достаточного количества жидкой фазы – силикатного расплава. Интенсивность этого накопления зависит от химического состава: она возрастает с увеличением содержания щелочей в глине и резко убывает с ростом количества свободного кварца. В связи с этим при химическом анализе глин для производства керамзита нужно фиксировать содержание свободных кремнезема и железа, которые обусловливают более растянутый интервал спекания глины и, как следствие, повышение ее вспучиваемости.
На этот процесс влияет и вид газовой среды: восстановительная среда резко интенсифицирует процесс. Это связано с переводом Fe2O3 в FeO в такой среде по приведенным выше реакциям. Важно иметь в виду, что процесс восстановления окисного железа в закисное сопровождается повышением молекулярной концентрации реагирующих оксидов: из одной молекулы Fe2O3 образуется 2FeO, и это интенсифицирует процесс перехода глины из хрупкого в пиропластическое состояние. Наиболее интенсивно он протекает в присутствии органических веществ. В глинах атомы железа могут входить в состав гидроокисей и в кристаллические решетки глинистых минералов. Влияние их на вспучиваемость глины не одинаково: наиболее благоприятно влияют оксиды, входящие в состав гидроокисей [33].
Интервал вспучивания – это разность между предельной температурой нагрева глины tпл и температурой начала вспучивания глины tвсп:
t = tпл – tвсп. (8.1)
Температурой начала вспучивания считают температуру, при которой плотность зерен гранул равна 0,95 г/см3. Предельной температурой обжига керамзита называют температуру начала оплавления поверхности гранул [32]. Интервал вспучивания глин для керамзита должен быть не менее 50°. Оптимальной для вспучивания является температура, при которой вязкость глины понижается до h = (5…8)·107 пз. Температуре начала вспучивания соответствует вязкость h = 109 пз.
Коэффициент вспучивания – это отношение объема вспученной гранулы к ее объему после сушки (до вспучивания). Его можно подсчитать по формуле:
Квсп = [рзг (1 – 0,01Пп) / рзк], (8.2)
где рзг и р3к – плотность зерен сухой гранулы и керамзита, г/см3; Пп – потери при прокаливании (п.п.п.), %.
На вспучиваемость глин влияет минералогический состав: наихудшей вспучиваемостью обладают каолинитовые глины; гидрослюдистые глины вспучиваются лучше, чем монтмориллонитовые, хотя бывает и наоборот.
Коэффициент выхода – это насыпной объем керамзитового гравия, полученного из 1 м3 сухих глиняных гранул. Он определяется по формуле:
Квых= [р0г (1 – 0,01Пп) / р0к], (8.3)
где р0г и р0к - насыпные плотности сухих и вспученных глиняных гранул, г/см3.
Связь между коэффициентами вспучивания и выхода определяется:
Квых = { Квсп (1 – 0,01Пп) [(100 – Vпк) / (100 – Vпг) · КндКно] )}, (8.4)
где Vпк и Vпг — объем межзерновых пустот соответственно глиняных гранул и керамзита, %; Кнд — коэффициент неоднородности диаметра гранул, т. е. отношение насыпной массы смеси всех фракций керамзита к таковой для фракции 20…40 мм; Кнд = 1,2…1,3; Кно — коэффициент неравномерности обжига, учитывающий изменение из-за этого плотности керамзита; Кно=1,35.
Анализ формулы (8.4) показывает, что коэффициент выхода всегда ниже коэффициента вспучивания, поэтому насыпную плотность керамзита в производственных условиях оценивают по коэффициенту вспучивания.
Добавки в глину в производстве керамзита вводятся в слабовспучивающиеся глины в количествах, мас.%: пыль железной руды или пиритных огарков – 2…4, глина охристая или огнеупорная – 10…20, опилки – 2...4, каменный уголь (молотый) – 1…2, торф или ССБ – 2…4, масло соляровое или мазут – 1…3. Огнеупорная глина расширяет интервал вспучивания, опилки и ССБ повышают трещиностойкость гранул, остальные повышают вспучиваемость.
Технология производства керамзитового гравия состоит из карьерных работ, обработки глины, формования и сушки гранул, обжига, охлаждения и сортировки керамзита. Карьерные работы в производстве керамзита не имеют особой специфики, но усреднение состава глины вылеживанием важнее, чем для стеновой керамики.
По способу обработки глины и формования гранул различают три способа производства керамзита: сухой, пластический и шликерный.
При сухом способе глиняные гранулы не формуются, а образуются при дроблении с рассевом карьерной глины. По этому способу получают керамзит из камнеподобных, сланцевых, хрупких глин, трудно размокающих в воде. При дроблении такие глины дают крошку с небольшим выходом мелочи – до 15%. Если глины обладают спайностью и при дроблении много плоских зерен, то для производства керамзита они непригодны, так как они практически не вспучиваются. Кроме того, такие глины не должны содержать включений известняка, ибо при этом способе удалить их невозможно. Типичная для сухого способа схема подготовки гранул такова: сушка ® дробление ® рассев ® ®обжиг ® охлаждение ® складирование.
Гранулы подсушивают лишь при карьерной влажности глины более 8%. При рассеве дробленой глины ее надо разделять на фракции и каждую фракцию обжигать в отдельной печи, так как чем она мельче, тем ниже должна быть температура обжига во избежание пережога. Сухой способ наиболее экономичен по капитальным, энерго- и эксплуатационным затратам. Возможность применения сухого способа ограничена, так как месторождения камнеподобных высоковспучивающихся глин встречаются редко, а повышать их вспучиваемость введением добавок невозможно.
По пластическому способу гранулы формуют из пластичной глиняной массы. Его целесообразно применять для глин с рыхлой и плотной структурой, намокающих в воде, когда их карьерная влажность ниже нормальной формовочной влажности. Содержание каменистых включений в глине не должно превышать 10%, а включения известняка должны быть не крупнее 1 мм. Схема подготовки гранул при этом способе такова: дезинтеграторные вальцы ® двухвальная глиномялка ® формующие дырчатые вальцы ® сушильный барабан ® вращающаяся печь ® склад.
На многих действующих заводах установлены только дырчатые вальцы, которые одновременно являются и перерабатывающими, и формующими. Однако практика показала, что в этом случае гранулы получаются недостаточно плотными, что снижает их прочность. Можно применять в качестве формовочной машины ленточный пресс, но в этом случае при наличии в глине включений перфорированная решетка пресса часто засоряется. Дырчатые вальцы являются машиной более компактной и легкой: их можно монтировать на этажерках и перекрытиях, а для ленточных прессов необходим массивный фундамент. Недостатки дырчатых вальцов – длину гранул невозможно регулировать, гранулы имеют большой коэффициент формы, понижающий прочность керамзита. Ленточные прессы дают возможность получать гранулы заданной длины, т. е. регулировать коэффициент формы керамзита. Однако ГОСТ 9579 не регламентирует величину этого коэффициента, и многие предприятия продолжают формовать гранулы на дырчатых вальцах.
Иногда происходит повышенная вспучиваемость гранул при их загрузке в печь непосредственно с формовочной машины без предварительной сушки. Но такая технология применима только при высокой вспучиваемости и трещиностойкости глин в сушке. При этом если гранулы в печи и разрушатся, то их осколки все равно вспучиваются, давая легкий керамзит. Осколки гранул из средне- и слабовспучивающихся глин почти не вспучиваются и утяжеляют керамзит. Отсутствие предварительной сушки гранул неудобно еще и потому, что формовочное отделение должно работать в три смены, а перебои в работе формовочного оборудования сразу вызывают нарушения в работе печи.
Пластический способ является более сложным и дорогим, чем сухой, но зато допускает использование глин более распространенных и загрязненных.
Шликерный способ применяется, если карьерная влажность глины выше формовочной и при необходимости введения в состав массы добавок, а также для глин, трудно перерабатываемых пластическим способом. В этом случае применяют больше перерабатывающих машин или совмещают роспуск глины в воде с мокрым помолом в шаровых мельницах. Для ускорения помола и снижения влажности шликера вводят электролиты: соду и жидкое стекло. Добавки, повышающие вспучиваемость и пластичность глин, равномерно распределяются в шликере и улучшают свойства керамзита. После помола шликер хранится в глиноболтушках с пропеллерными мешалками с числом оборотов 5,5 в минуту для предотвращения его оседания. Для этого можно применять и барботаж воздуха под давлением через центральную перфорированную трубку. Преимуществами этого способа являются: устранение формования гранул (они формуются из шликера при вращении), размораживания (оно происходит в воде при помоле), вредного влияния каменистых и карбонатных включений (они размалываются). Керамзит получается более легким и теплоизоляционным. Недостатки: увеличение энергозатрат на сушку и снижение на 30% производительности печей. Керамзит получается мелкозернистым.
Режим нагрева глины также влияет на вспучиваемость, так как он создает определенную интенсивность теплообмена [26]. Перепад температур, возникающий в грануле, зависит от интенсивности теплообмена и оказывает решающее влияние на вспучиваемость глины. Если перепады температур внутри гранулы очень малы, вспучивания не происходит, так как при газовыделении оболочка остается пористой, и газы свободно покидают гранулу, не вспучивая ее. Только при оптимальной интенсивности теплообмена, когда температуры поверхности и центра гранулы совпадают, гранула вспучивается. В момент начала газовыделения оболочка является уже спекшейся и не пропускает газы, которые вспучивают гранулу. Таким образом, варьируя интенсивность теплообмена, можно повышать вспучиваемость глины.
Производство керамзитового песка. Его получают дроблением керамзитового гравия с последующим рассевом.
Более дешевым и качественным является керамзитовый песок, полученный в печах кипящего слоя. Его зерна имеют такую же структуру, как и гранулы керамзитового гравия: снаружи они покрыты спекшейся плотной оболочкой, а внутри пористые. Рекомендуемый зерновой состав песка дан в таблице 8.2.
Таблица 8.2. Зерновой состав керамзитового песка
| Размер отверстий сит, мм | 5 | 2,5…5 | 1,25…2,5 | 0,63…1,25 | 0,315…0,6 | 0,14…0,315 | < 0,14 |
| Содержание фракции, % | 1,5 | 6 | 14 | 30,5 | 25 | Если Вам понравилась эта лекция, то понравится и эта - 35 Система тиристорный преобразователь - двигатель. 10 | 13 |
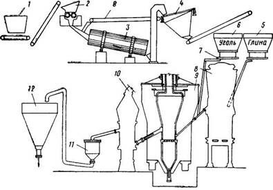
Насыпная плотность песка – 600…700 кг/м3, прочность при сдавливании в цилиндре – 6,5…7,0 МПа. На рис. 8.2 приведена схема технологического процесса получения керамзитового песка в печах кипящего слоя.
Глину подают в ящичный подаватель 1, из которого она поступает в вальцы грубого помола 2. Дробленую глину направляют в сушильный барабан 3, где она подсушивается до влажности 7…9% и одновременно измельчается подвешенными в нем цепями. Подсушенную и измельченную глину подвергают просеву на грохоте 4. «Проход» через сито направляют в расходный бункер 5, а «отказ» возвращают в сушильный барабан для досушки и домола. Иногда в глину добавляют уголь, который хранится в расходном бункере 6. Глину и уголь тарельчатыми питателями 7 подают в печь термоподготовки 8. Здесь она подогревается и самотеком попадает в реактор обжига (вспучивания) 9. Сюда через нижнюю (подовую) решетку поступают горячие газы из мазутной или газовой топки. Вспученный керамзитовый песок самотеком направляется в холодильник 10, также работающий по принципу кипящего слоя.
![]() |
Рис. 8.2. Схема получения керамзитового песка в печах кипящего слоя
Тяга в реакторах обеспечивается воздуходувкой, создающей разрежение. Охлажденный песок через пересыпное устройство 11 пневмотранспортом подают в расходный бункер 12. Мощность таких установок достигает 100 тыс. м3 керамзитового песка в год.






















