Элементы вакуумной арматуры
Лекция 26
Элементы вакуумной арматуры
Как было показано ранее, любая технологическая вакуумная установка предполагает наличие трубопроводов (вакуумпроводов) для соединения насосов в вакуумную систему. Для реализации технологического процесса в вакууме необходимо подводить ток, измерять температуру, перемещать в вакууме инструменты и изделия, визуально наблюдать за процессом. Для конструирования устройств решающих эти задачи используются стандартные или типовые элементы: герметично присоединяемые фланцы, токовводы, термопарные вводы, смотровые окна, вводы движения в вакуум. При этом высоковакуумные конструкции (Р>10-4 Па) и сверхвысоковакуумные (Р≤10-4 Па) резко отличаются друг от друга.
Высоковакуумные конструкции основаны на использовании резин или эластомеров (полиамидов, витона, фторопласта и других эластичных материалов) для герметизации. Сверхвысоковакуумные конструкции должны обладать малым потоком газоотделения (Q<10-7 ÷ 10-10 м3*Па*с-1)
Для получения малого потока газоотделения конструкция должна быть прогреваемой (до 250°С за рубежом или до 450°С в России из-за отсутствия специальных нержавеющих сталей вакуумной плавки). Это исключает использование эластомеров и требует использование мягких металлов (Cu, Al) для герметизирующих прокладок и керамики для изоляторов.
Рассмотрим все виды перечисленных элементов вакуумной арматуры сравнивая попарно конструкции предназначенные для высокого и сверхвысокого вакуума.
1. Фланец разъемный
а) Высоковакуумный фланец (рабочий вакуум Р = 10-5 Па)

Рекомендуемые материалы
Рис. 65 Высоковакуумное разъемное соединение
Обозначения: 1 – верхний фланец (сталь 1Х18Н10Т); 2 – уплотнение из резины (круглый профиль диаметром dмм, имеет деформацию около 12%); 3 – ограничитель деформации (алюминиевое кольцо); 4 – нижний фланец (сталь 1Х18Н10Т); 4 – болт
Таблица 1 Параметры высоковакуумного фланцевого соединения
| Dу, мм | D, мм | d, мм | Кол-во болтов, n | уд. газовыд. резины, q г. рез |
| 10 | 15,3 | 5 | 4 | 10-3 |
| 16 | 18,5 | 5 | 4 | |
| 25 | 28,5 | 5 | 4 | |
| Dу, мм | D, мм | d, мм | Кол-во болтов, n | уд. газовыд. резины, q г. рез |
| 40 | 43 | 5 | 4 | 10-3 |
| 63 | 78 | 5 | 4 | |
| 100 | 110 | 5 | 8 | |
| 160 | 165 | 6 | 8 | |
| 250 | 273 | 8 | 12 | |
| 400 | 412 | 8 | 16 |
Поток газовыделения из высоковакуумного фланцевого соединения внутрь вакуумной системы
Q = q г рез* F рез + q г Al * F Al + q г ст * F ст + q п * F рез
где
q г рез – удельное газовыделение (непрогретой) резины, q г рез = 10-3 м*Па*с-1
q г Al – удельное газовыделение прогретого алюминиевого кольца, q г Al = 10-5 м*Па*с-1
q г ст – удельное газовыделение непрогретой нержавеющей стали, q г ст = 10-5 м*Па*с-1
q п – удельная проницаемость резинового кольца, q п = 10-5 ÷ 10-6 м*Па*с-1 (зависит от толщины и материала)
F рез , F Al, F ст – площади резины, алюминиевого кольца, стали, обращенные в вакуум.
б) Сверхвысоковакуумный фланец (рабочий вакуум 10-5 ÷ 10-12 Па)

Рис. 66 Сверхвысоковакуумное соединение
Обозначения: 1 – верхний фланец; 2 – уплотнение (медь М1); 3 – нижний фланец; 4 – болт
Таблица 2 Параметры сверхвысоковакуумного фланцевого соединения
| Dу, мм | ØЕ, мм | ØF, мм | Кол-во болтов, n | уд. газовыд. стали, q г. ст |
| 16 | 21,4 | 18,3 | 6 | 3*10-9 |
| 40 | 45,3 | 41,8 | 6 | |
| 63 | 82,6 | 77,0 | 8 | |
| 100 | 120,8 | 117,2 | 16 | |
| 160 | 171,0 | 166,0 | 20 | |
| 200 | 222,3 | 216,8 | 24 | |
| 250 | 273,0 | 267,5 | 32 |
Поток газовыделения из сверхвысоковакуумного фланцевого соединения
Q = q`г М1* FM1 + q`г ст * Fст + q п * FМ1
где
q`г М1 – газовыделение медной прокладки (из меди М1) после прогрева, q`г М1 = 10-9 м*Па*с-1
q`г ст – газовыделение прогретой нержавеющей стали, q`г ст = 10-13 м*Па*с-1
FM, 1Fст – площадь медной прокладки и стальных поверхностей обращенных в вакуум.
2. Токоввод силовой
а) Высоковакуумный силовой токоввод (Тпрогр≤100°С)

Рис. 67 Высоковакуумный силовой токоввод
Обозначения: 1 - стенка вакуумной камеры (сталь 1Х18Н10Т непрогретая); 2 - токоввод (сталь 1Х18Н10Т или мдь М1); 3 - уплотнение резиновое; 4 - изоляционная втулка; 5 - натяжная суппортная гайка.
б) Сверхвысоковакуумный силовой токоввод (Тпрогр≤450°С)

Рис. 68 Сверхвысоковакуумный силовой токоввод
Обозначения: 1 - стенка вакуумной камеры из стали 1Х18Н10Т прогретая (Dу16÷Dу40); 2,4 - ковар (спрессованный слой с керамикой) FeNiCo; 3 – керамика вакуум-плотная qг~qг нерж.ст. ~(22ХС) Al2O3 основа; 5 – токоввод, сталь 1Х18Н10Т.
3. Термопарный ввод
а) Высоковакуумный термопарный ввод (Тпрогр≤100°С, Р`=105÷10-5Па)

Рис. 69 Высоковакуумный термопарный ввод
Обозначения: 1 – корпус ввода (с отверстием); 2 – уплотнение (прокладка кольцевая); 3 – стенка вакуумной камеры сталь 1Х18Н10Т; 4 – изоляторы; 5 – гайка уплотнительная; 6 – пробка уплотнитель; 7 – поршень; 8 – нажимная гайка; 9 – нить термопары.
б) Сверхвысоковакуумный термопарный ввод (Тпрогр≤450°С, Р`=105÷10-12 Па)

Рис. 70 Сверхвысоковакуумный термопарный ввод
Обозначения: 1 – стенка вакуумной камеры сталь 1Х18Н10Т; 2 – коваровый переход (фланец Dу40); 3 – керамика вакуумплотная; 4 – коваровый колпачок (переход); 5 – трубка (Ag) – токоввод; 6 – нити термопары.
4. Смотровые окна
а) Высоковакуумное смотровое окно (Тпрогр≤100°С)

Рис.71 Высоковакуумное смотровое окно
Обозначения: 1 – нажимные болты; 2 – нажимной фланец; 3 – нажимная прокладка (резина, картон, кожа); 4 – стекло вакуумплотное; 5 – уплотнение; 6,8 – кольцо стопорное; 7 – защитное стекло (тонкое).
б) Сверхвысоковакуумное смотровое окно (300°С<Тпрогр≤450°С)

Рис. 72 Сверхвысоковакуумное смотровое окно
Обозначения: 1 – стекло, впаянное на ковар; 2 – ковар (для согласования перехода); 3 – стенка (фланец Dу40-100); 4 – стопорное кольцо; 5 – защитное стекло; 6 – стопорное кольцо.
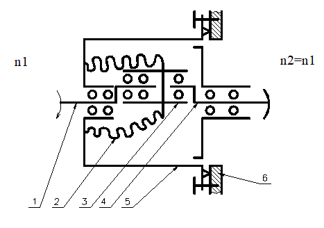
5. Вводы вращения в вакуум
а) Высоковакуумные манжетные вводы вращения (ОСТ 11 ПО 426.000-72 Разработчики Е.А. Деулин, Ю.В. Панфилов)

Рис. 73 Высоковакуумный манжетный ввод вращения. (Тпрогр≤100°С)
Обозначения: 1 – натяжной болт; 2 – нажимной фланец; 3 – вспомогательная манжета; 4 – нажимная втулка; 5 – сальник (фетр) с маслом д/упл.; 6 – рабочая манжета; 7 - корпус
Поток газовыделения из высоковакуумного манжетного ввода вращения
Q = q u* Fu + q г рез* F рез + q п * Fрез + Qн + q г ст * F ст + q к * F к ≈ 10-6 ÷ 10-8 м3*Па*с-1
где
q u – удельный поток испарения смазки (уплотняющей место контакта манжеты)qu=10-4 м*Па*с-1
Qн – поток натекания через место подвижного контакта манжеты; Qн =10-9 ÷ 10-7 м3*Па*с-1 (меняется с наработкой из-за износа)
q к – удельное газовыделение кинематических пар, для шарикоподшипника qк= 10-1÷10-2м*Па*с-1
(зависит от нагрузки и частоты вращения)
Fu – площадь покрытая смазкой, м2 (может занимать очень большие поверхности из-за миграции масла, определяется экспериментально)
F к - площадь контакта кинематической пары, F к ≈ 10-5 ÷ 10-8 м2 (рассчитывается).
б) Сверхвысоковакуумные сильфонные вводы вращения (вводы - муфты) ОСТ11 ПО 426.000-72 Разработчик Е.А. Деулин.

Рис. 74 Схема сверхвысоковакуумного сильфонного ввода вращения.
Обозначения: 1 – входной вал; 2 – сильфон; 3 – глухая втулка (колебательный промежуточный элемент; 4 – выходной вал; 5 – корпус ввода (Dу16-100); 6 – стенка вакуумной камеры.
Поток газовыделения из сверхвысоковакуумного сильфонного ввода вращения
Q = q`г ст * F ст + q п ст * F сильф + q к * F к
где
qп ст – удельный поток газопроницаемости стального сильфона qп ст ≈ 10-9 ÷ 10-7 м*Па*с-1 (зависит от толщины и температуры работы)
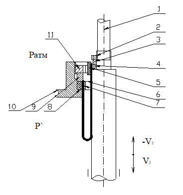
6. Вводы поступательного движения в вакуум
а) Высоковакуумный поступательный ввод с «чулком» (разработчики Е.А. Деулин, В.П. Михайлов)

Информация в лекции "21 Порядок исчисления и уплаты налога на имущество предприятий" поможет Вам.
Рис. 75 Высоковакуумный поступательный ввод.
Обозначения: 1 – шток; 2,11 – гайка натяжная для уплотнения кольца; 3,9 – втулка нажимная; 4,8 – уплотнительное кольцо; 5 – кольцо наружное охватывающее чулок; 6 – чулок (уплотнительный элемент движущегося вала); 7 – стенка вакуумной камеры (фланец)
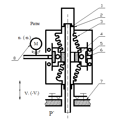
б) Сверхвысоковакуумный планетарный резьбовой ввод поступательного движения (стандарт СТП Е 28-80, разработчики Е.А. Деулин, В.А. Марусов). Монтируется на фланце.

Рис. 76 Сверхвысоковакуумный планетарно-резьбовой ввод поступательного движения.
Обозначения: 1 – шток; 2 – корпус; 3 – сильфон; 4 – колеблющаяся гайка, совершающая круговые плоские параллельные движения; 5 – эксцентрик; 6 – шестерня приводная; 7 – стенка вакуумной камеры; 8 – электродвигатель
Рекомендуемые лекции
- Ф. Ницше. Дионисийское и аполлоновское начало. Проблема сократа. Трактовка истории у Ф. Ницше
- 1 Сущность и место международного гражданского процесса в системе российского права
- 5.3 Техническое обучение и аттестация работников
- 17 Распределение случайных погрешностей
- 21 Порядок исчисления и уплаты налога на имущество предприятий























