Контакт металл - полупроводник и гетеропереходы
3.9. Контакт металл - полупроводник и гетеропереходы
3.9.1. Контакты металл полупроводник
Они используются в полупроводниковой электронике либо в качестве омических (невыпрямляющих) контактов с областями полупроводниковых приборов, либо в качестве выпрямляющих контактов. Структура и свойства таких контактов зависят от взаимного расположения уровня Ферми в металле и полупроводнике. Мы остановимся кратко на выпрямляющих контактах металла и полупроводника n-типа.
На рис. 3.30 показана зонная диаграмма контакта для случая, когда работа выхода полупроводника jn меньше работы выхода металла jМ, отсчитываемых от уровней Ферми
Fn и
Fm до уровня вакуума. После контакта слоев электроны n-полупроводника из-за меньшей работы выхода переходят в металл, поэтому вблизи границы с металлом остаются нескомпенсированные положительные ионы доноров, а границы зоны проводимости и валентной зоны искривляются вверх, как показано на рис. 3.30. При этом в состоянии равновесия уровень Ферми в обоих случаях должен быть одинаковым.
Область искривления зон (ширина перехода) мала и составляет обычно 0,1...0,2 мкм. Качественные переходы металл-полупроводник в настоящее время получаются напылением металла на полупроводник в вакууме.
Потенциальный барьер в приконтактном слое, равный разности работ выхода металла и полупроводника (jк = jМ – jn на рис. 3.30), называют барьером Шотки, а диоды, использующие эти барьеры, – диодами Шотки или диодами с барьером Шотки (ДБШ).
Если в контакте металла с n-полупроводником внешнее напряжение приложено плюсом к металлу, а минусом к полупроводнику, то высота потенциального барьера понижается, приконтактный слой обогащается основными носителями (электронами) и его сопротивление уменьшается. Это напряжение является для перехода прямым.
Важной особенностью барьеров Шотки по сравнению с р-n-переходом является отсутствие инжекции неосновных носителей. Эти переходы «работают» на основных носителях, поэтому у них отсутствует диффузионная емкость, связанная с накоплением и рассасыванием неосновных носителей, и выше быстродействие.
Рекомендуемые материалы
Особенностью переходов с барьером Шотки является то, что их ВАХ ближе всего к экспоненциальной ВАХ идеализированного р-n-перехода, а прямое напряжение значительно меньше (примерно на 0,2 В), чем в р-n-переходах.
3.9.2. Гетеропереходы
В отличие от р-n-перехода, образованного изменением концентрации примеси в одном полупроводниковом материале (гомопереход) гетеропереходом называют переход, образованный полупроводниками различной физико-химической природы, т.е. полупроводниками с различной шириной запрещенной зоны. Примерами гетеропереходов могут быть переходы германий – кремний, германий – арсенид галлия, арсенид галлия – фосфид галлия и др.
Для получения гетеропереходов с минимальным числом дефектов на границе раздела кристаллическая решетка одного полупроводника должна с минимальными нарушениями переходить в кристаллическую решетку другого. В связи с этим полупроводники, используемые для создания гетеропереходов, должны иметь идентичные кристаллические структуры и близкие значения постоянной решетки. Гетеропереходы, образованные полупроводниками с различной шириной запрещенной зоны, возможны не только как переходы между полупроводниками р- и n-типа, но также и между полупроводниками с одним типом электропроводности: р+-р или п+-п.
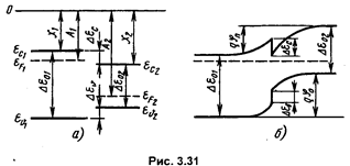
Рассмотрим энергетическую (зонную) диаграмму гетероперехода между полупроводником n-типа с широкой запрещенной зоной и полупроводником р-типа с узкой запрещенной зоной (рис. 3.31). На рис. 3.31,а показаны энергетические диаграммы исходных полупроводников. За начало отсчета энергии (нуль) принята энергия электрона, находящегося в вакууме. Величины А1 и A2 обозначают термодинамические работы выхода электрона (от уровня Ферми), a
и
– истинные работы выхода из полупроводника в вакуум, называемые электронным сродством полупроводников (от границы зоны проводимости).
Обратите внимание на лекцию "4 Схема электропитания установки высокого напряжения".
При создании контакта между двумя полупроводниками уровни Ферми совмещаются (выравниваются). Это должно (в отличие от энергетической диаграммы гомоперехода) привести к появлению разрывов в зоне проводимости
и в валентной зоне
, как показано на рис. 3.31,б. В зоне проводимости величина разрыва обусловлена разностью истинных работ выхода электронов из р- и n-полупроводников:

(3.64)
а в валентной зоне кроме этого – еще и неравенством значений энергии
. Поэтому потенциальные барьеры для электронов и дырок будут различными: потенциальный барьер для электронов в зоне проводимости меньше, чем для дырок в валентной зоне.
При подаче прямого напряжения потенциальный барьер для электронов уменьшится и электроны из n-полупроводника инжектируются в р-полупроводник. Потенциальный барьер для дырок в р-области также уменьшится, но все же остается достаточно большим, так что инжекция дырок из р-области в n-область практически отсутствует.
В гомопереходах отношение токов инжекции дырок и электронов можно изменить, только делая различными концентрации основных носителей в областях, т.е. различными концентрации примесей. Если концентрация акцепторов в р-области много больше концентрации доноров в n-области (Nа>>Nд), то и ток инжекции дырок Iр будет много больше тока инжекции электронов In (Ip>>In). Во многих приборах, использующих р-n-переходы, например в биполярных транзисторах, требуется сильная асимметрия токов. Однако увеличению концентрации примесей (в нашем случае акцепторов) есть технологический предел, связанный с наличием предельной концентрации примесей, которую можно ввести в полупроводник («предельная растворимость»). Кроме того, с увеличением концентрации примесей одновременно появляется большое число дефектов, ухудшающих параметры р-n-перехода.
Гетеропереходы позволяют исключить эти недостатки гомоперехода и получить практически одностороннюю инжекцию носителей заряда даже при одинаковых концентрациях примесей в областях. Однако серьезной проблемой на пути реализации преимуществ гетеропереходов является наличие технологических трудностей создания бездефектной границы в гетеропереходах. О конкретных применениях и особенностях гетеропереходов будет сказано в соответствующих разделах.






















