Схема электропитания установки высокого напряжения
Схема электропитания установки высокого напряжения.
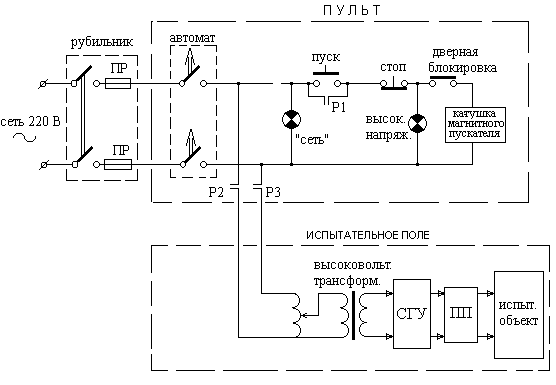
Простейшая схема питания УВН, удовлетворяющая изложенным в главе 3 требованиям, приведена на рис. 2.

Рис. 2. Схема электропитания УВН
Два разрыва в цепи питания УВН создаются рубильником и автоматом - коммутационным аппаратом, снабженным устройством максимальной защиты по току. Видимый разрыв создается рубильником. В его коробке также размещаются плавкие предохранители. К коммутационным аппаратам питания оборудования испытательного поля относятся также нормально разомкнутая кнопка “пуск” и нормально замкнутая кнопка “стоп”, а также контакты дверной блокировки.
Напряжение на первичную обмотку повышающего высоковольтного трансформатора подается через контакты Р2 и Р3 магнитного пускателя (МП). Напряжение на катушку магнитного пускателя подается кнопкой “пуск”, при этом параллельно контактам этой кнопки включены контакты МП - Р1, которые удерживают цепь питания МП замкнутой при отпускании кнопки “пуск”.
Выключение питания высоковольтного трансформатора производится кнопкой “стоп”, при этом расцепляются контакты МП Р1 и цепь при отпускании кпопки “стоп” остается разомкнутой. Цепь питания МП также будет разомкнута при открывании двери на испытательное поле контактами дверной блокировки.






















