Приборы для измерения давления, разрежения
Б 2.3 Приборы для измерения давления, разрежения
Единицы измерения .
За основную единицу измерения давления принята техническая атмосфера, равная давлению, которое испытывает 1 см2 плоской поверхности под действием равномерно распределенной перпендикулярной к поверхности нагрузки в 1 кГ. Эту единицу сокращенно называют кГ/см2.
![]() |
F=1кГс
![]() |
S=1см2
В качестве единиц измерения давления также принимаются:
- метр водяного столба (м. вод. ст);
Рекомендуемые материалы
- миллиметр водяного столба (мм вод. ст);
Эти единицы давления связаны следующими соотношениями:
- 1кГс/ см2 =735,56 мм рт ст при 00 1МПа-10 кГс/ см2
- 1кГс/см2=10 м вод. ст при40 1КПа-100 кГс/ см2
- 1кГс/см2=10 000 кГс/м2 1Па-
- 1кГс/см2=0,9678 атм.
1 атм=1,0332кГс/ см2=10,332 м вод ст при40С
При измерения давления различают абсолютное давление Ра, избыточное давление - Р и разрежения - Рh.
Под абсолютным давлением подразумевается полное давление, под которым находится жидкость, пар или газ.
- Абсолютное давление - Ра=Р+Рб
- Атмосферное давление - Рб=Ра-Р
- Избыточное давление - Р=Рб+Ра
- Разрежение - Рh=Рб-Ра
Для измерения давления различают следующие средства измерения:
манометр - измерительный прибор или измерительная установка для измерения давления или разности давления в том числе:
манометр абсолютного давления - для измерения давления отсчитываемого от абсолютного нуля;
манометр избыточного давления - для измерения разности между абсолютным давлением измеряемой среды и давлением окружающей среды, как правило равным атмосферному;
вакууметр - для измерения давления разреженного газа;
мановакууметр - для измерения избыточного давления и давления разреженного газа;
дифференциальный манометр - для измерения разности двух давлений.
По принципу действия различают следующие виды манометров:
- жидкостные (U-образные, колокольные, компрессионные и др);
- грузопоршневые;
- деформационные (мембранные, сильфонные, трубчато-пружинные, с вялой мембранной);
- электрические (емкостные, пьезоэлектрические, сопротивления);
- ионизационные (электронные, магнитные электроразрядные, радиационные);
- термокондуктометрические (терморезистивные, электрические);
- комбинированные (тензорезистивные - комбинация деформационного с плоской двухслойной мембраной и электрического тензосопротивления и др.).
Для измерения давления, разрежения и разности давлений в промышленных условиях наибольшее распространение получили деформационные манометры. Они охватывают диапазоны измерений от 0¸160 Па до 0¸1000 Мпа. Они выпускаются показывающими и самопишущими. Кроме того выпускаются измерительные преобразователи, которые линией связи соединены с показывающими вторичными приборами, расположенными на щитах управления. Диапазон измерения (разница между значениями давления, соответствующими нижнему и верхнему пределам измерений) манометров, вакууметров и мановакууметров определяется рядом:
1:1,6; 2,5; 4 и 6×10n
где n - любое целое положительное или отрицательное число. Для дифманометров вместо 6 берется 6,3.
Для уменьшения относительной погрешности измерения, диапазон измерения прибора или измерительного преобразователя должен выбираться таким образом, чтобы номинальное давление было не менее 3/4 диапазона измерения при мало меняющемся давлении и не менее 2/3 в случае переменного давления.
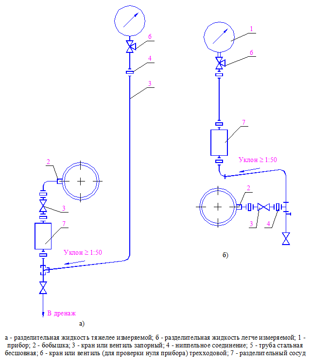
Манометры и измерительные преобразователи (рис. 12, 13, 14) устанавливаются как правило вблизи точек измерения (отбора давления) в местах удобных для обслуживания. Исключения составляют средства измерения давления систем внутриреакторного контроля и ряда других систем АЭС, которые располагаются на значительном расстоянии от точек отбора. При несоответствии уровней расположения точек отбора давления и манометров возможно возникновение систематической погрешности, вызванной давлением столба жидкости в импульсной линии.
Установка манометров, отбор давления и прокладка импульсных линий регламентируется внутриведомственными нормами и типовыми чертежами. Эти документы устанавливают, как должны подключаться манометры и измерительные преобразователи к точкам отбора давления в зависимости от рода измеряемой среды, температуры, давления, диаметра трубопровода, степени запыленности, агрессивности, вязкости и других условий, которые влияют на нормальную работу всей установки для измерения давления.
Вспомогательные устройства к средствам измерения давления, разрежения и разности давлений.
Для предохранения внутренней полости чувствительного элемента от попаданий измеряемой среды (агрессивной, горячей или кристаллизующей), а также от попадания сред, несущих твердые частицы или сред, из которых выпадают осадки, применяются разделительные сосуды и мембранные разделители.
Разделители типов РМ5319 и РМ5320 рассчитаны на давление 2,5МПа (25 кГс/см2), а РМ5321 и РМ5322 - на давление 4¸60 МПа (40¸600 кГс/см2).
Разделители РМ5320 и РМ5322 выполняются с открытой мембраной для кристаллизующихся, выделяющих осадки или несущих твердые взвешенные частицы сред. По специальному заказу сторона мембраны, соприкасающаяся с измеряемой средой, может быть покрыта пленкой фторопласта, а прокладка изготовлена из фторопласта.
Дополнительная погрешность измерения, вносимая разделителями, не должна превышать ±1%.
Самыми распространенными приборами давления в нашей промышленности и на АЭС являются манометры, далее преобразователи давления Caпфиp 22. Вот об этих двух приборах мы и поговорим подробнее.
Манометры с одновитковой трубчатой пружиной предназначены для измерения избыточного давления (рис. 15).
![]() |
Рис. 12. Схема трубных соединений манометров, установленных на щите или расположенных в удалении от места отбора давления для измерения давлений агрессивной или вязкой жидкости. Прибор выше отборного устройства.
![]() |
Рис. 13. Схема трубных соединений манометров, установленных на щите или расположенных в удалении от места отбора давления.
,

Рис. 14. Схема трубных соединений манометров, установленных вблизи от места отбора давления.

1 – трубка «Бурбона»; 2 – регулировочные винты; 3 – ось трубки (разм. стрелки манометра); 4 – трубка; 5 - ; 6 - ; 7 – винт статической регулировки; 8 – сектор зубчатый; 9 – пробка; 10 – поводок
Рис. 15. Манометры с одновитковой трубчатой пружиной.
Мановакууметры предназначены для измерения избыточного давления и разрежения.
Вакууметры - для измерения разрежения газообразных сред.
Действие приборов основано на использовании деформации одновитковой трубчатой пружины по влияниям измеряемого давления. Трубчатую пружину называют еще и трубкой “Бурдона”. Трубчатая пружина 2 одним концом впаяна в держатель 1, который оканчивается ниппелем и резьбой М20х1,5 для присоединения к источнику измеряемого давления.
Другой конец пружины соединен с передаточным механизмом 4. В манометрах применяются секторный или рычажный передаточный механизм.
Секторный передаточный механизм состоит из поводка 5, сектора 6 и трубки 7, на ось которой насажена стрелка 8.
Рычажный передаточный механизм в отличие от секторного состоит из поводка и крючка.
Для установок, в которых превышение давления сверх установленного недопустимо (подведомственное правилами оборудование) и в которых это давление должно быть зафиксировано, применяются манометры с контрольной стенкой или красной чертой.
Красная черта наносится на шкале прибора против значения предельно допустимого давления и только в пределах второй трети шкалы.
Для измерения давления кислорода, водорода, ацетилена, аммиака применяются манометры специального исполнения. Корпусы этих манометров имеют окраску по ГОСТу 2405-52. Для специального исполнения приборов принята окраска, которая определяется в зависимости от видов газов следующим образом:
Таблица 2 Окраска корпусов манометров
| Вид газа | Цвет окраски |
| Водород | Темно-зеленый |
| Ацетилен | Белый |
| Другие горючие газы | Красный |
| Аммиак | Желтый |
| Хлор и фосген | Защитный |
| Кислород | Голубой |
| Другие негорючие газы | Черный |
Обратите внимание на лекцию "5.5. Потери напора на местных сопротивлениях".
В приборах с корпусом из пластмассы черного цвета в указанный цвет окрашивается кольцо, принимающее стекло прибора. Выделение этих манометров в отдельную группу вызвано необходимостью принимать те или иные меры предосторожности при пользовании приборами.
На ЗАЭС применяются манометры и вакууметры электроконтактные типа ЭКМ 14, предназначенные для измерения давления и разрежения нейтральных взрывоопасных жидкостей, газов и для сигнализации при достижении минимального или максимального рабочего давления или автоматического двухионизационного регулирования.
Приборы работают только на главных, не пульсирующих нагрузках и рассчитаны для работы при температуре окружающего воздуха минус 40оС до плюс 600 С.
По принципу действия приборы аналогичны техническим манометрам с одновитковой трубчатой пружиной.
Для сигнализации при достижении пределов рабочего давления служат электрические контакты, связанные с двумя указателями, которые могут быть установлены вручную на два заданных значения в пределах всей шкалы.
Следующий тип приборов - это преобразователи давления Сапфир 22 ДИ, 22ДИB, 22ДB, 22ДA.



























