Методы и средства для измерения температуры
Б 2.2 Методы и средства для измерения температуры
Б 2.2.1 Общие сведения об измерении температуры
В соответствии с Международной практической температурной шкалой 1968 года (МПТШ-68) основной температурной шкалой является термодинамическая температура, единица которой Кельвин (°К). Но на практике часто применяется температура Цельсия, единица которой - градус Цельсия (°С), равный кельвину. Между температурой Цельсия (°С) и термодинамической температурой существуют следующие соотношения:
t, °C = T ,° K - 273 , 15 (2)
В ряде зарубежных стран до сих пор применяются температурные шкалы Фаренгейта (°F), Ренкина (°R`) и иногда Реомюра (°R).
Температуры, определяемые по этим шкалам, приведенные в соответствии с МПТШ-68, а между значениями имеют следующие соотношения:
°С = ° К - 273,15; °К = °С + 273,15; (3)
°С = 0,56 °R` - 273,15
°К = 0,56 R °C = 1 , 25 °R;
Рекомендуемые материалы
°К = 1,25 °R + 273 , 15
Для измерения температуры применяют два метода:
контактный и бесконтактный.
Для реализации контактных методов измерения применяются: термометры расширения:
стеклянные жидкостные, манометрические, биметаллические и дилатометрические;
термопреобразователи сопротивления:
проводниковые и полупроводниковые;
термоэлектрические преобразователи:
термопары.
К бесконтактным методам измерения температуры относятся пирометры (квазимонохроматические, спектрального отношения и полного излучения) – рис. 2.

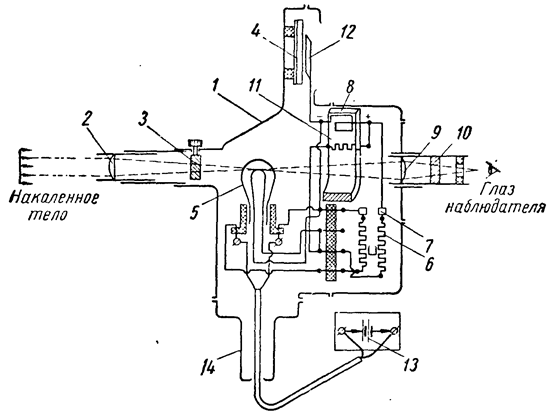
1 – корпус; 2 – линза объектива; 3-3 ослабляющий светофильтр; 4 – циферблат показывающего прибора; 5 – фотометрическая лампа; 6 – реостат; 7 – концевые контакты реостата; 8 – рамка подвижной системы показывающего прибора; 9 – линза окуляра; 10 – монохроматический (красный) светофильтр; 11 – постоянный магнит показывающего прибора; 12 – стрелка показывающего прибора; 13 – батарея аккумуляторов; 14 – рукоятка прибора.
Рис. 2. Принципиальные оптическая и электрическая схемы пирометра.
Контактные методы измерения более просты и точны, чем бесконтактные. Но для измерения температуры необходимо непосредственный контакт с измеряемой средой и телом. В результате чего может возникнуть, с одной стороны, искажение температуры среды в месте измерения и, с другой стороны, несоответствие температуры чувствительного элемента и измеряемой среды.
Это несоответствие температур или погрешность восприятия чувствительным элементом термометра измеряемого параметра в стационарном режиме имеет место, если происходит теплообмен между термоприемником и измеряемой средой или частями технологического оборудования.
При отводе (или подводе) теплоты от термоприемника за счет теплопроводности и излучения разницу температур термоприемника и измеряемой среды погрешность измерения приближенно можно описать формулой:
tт - tc = - 1/LÖlS/Pak (tc-tcт)thLÖPak/lS + Coeпр/ak [ (Tт/100)4 - (Tcт/100)4 ] (4)
где: tт, tc, tcт, Тт, Тст - температура термометра, измеряемой среды, стенки или части технологического оборудования, °С; абсолютные температуры термометра и стенки К;
L, P, S - длина, периметр и сечение термометра (термоприемника), мм2;
ak - коэффициент конвективной теплоотдачи от измеряемой среды к термометру (термоприемнику),Вт(мК) ;
l - теплопроводность материала термометра (теплоприемника), Вт(мК);
Со = 8х108, Со = 5,67 Вт (м2/К4);
d - постоянная Стефана - Больцмана;
eпр - приведенный коэффициент излучения системы термометр - стенка, при Fт << Fcт eпр ~ er ;
Fт и Fст - поверхности термометра и стенки;
eт - коэффициент излучения термометра.
Бесконтактные методы измерения не оказывают никакого влияния на температуру среды или тело. Но зато они сложнее и их методические погрешности существенно больше, у контактных методов.
Для оценки погрешности бесконтактных методов измерения, как правило, необходимо знать спектральные характеристики коэффициентов поглощения (излучения) чувствительных элементов присмотров, промежуточных линз, стекол, других материалов или сред, через которые проходит излучение от измеряемой среды к чувствительному элементу.
Серийно выпускаемые термометры - термопреобразователи охватывают диапазон температур от минус 260оС до 2200оС и кратковременно даже до 2500оС.
Бесконтактные средства измерения температуры серийно выпускаются на диапазон температур от плюс 20оС до 4000 оС.
А сейчас перейдем к более конкретным, к более знакомым по работе - средствам теплотехнического контроля, в частности, к средствам и приборам измерения температуры, которые применяются на ОП ЗАЭС.
Б 2.2.2 Термометры сопротивления
Назначение, устройство и принцип работы
Прежде чем начать эту тему, вкратце мы вспомним о таких термометрах, как их называем в быту - “градусником”, а на производстве - “техническими ртутниками”. Стеклянные термометры (рис. 4) работают на принципе зависимости объемного расширения жидкости от температуры. Они отличаются высокой точностью, простотой устройства и дешевизной. Однако стеклянные термометры хрупки, как правило, не ремонтопригодные и не могут передавать показания на расстояния.
Основными элементами конструкции являются резервуар с припаянным к нему капилляром, заполненным частично термометрической жидкостью. Этой жидкостью могут быть спирт или ртуть, в зависимости от величины измеряемой температуры.
Стеклянные термометры расширения выпускаются для измерения температур от минус 100оС до 600°С.
Для защиты от механических повреждений их помещают в защитную арматуру “чехол” таким образом, чтобы шкала термометра была хорошо видна в разрезе арматуры. Для удобства наблюдения технические термометры и защитная арматура к ним выпускаются - прямые и угловые.
Выпускаются также ртутные электроконтактные термометры, предназначенные для сигнализации или поддержания заданной температуры. Термометры выпускаются с заданным постоянным контактом (ТЗК) или подвижным контактом (ТПК).
Кроме электроконтактных термометров выпускаются бесшкальные термоконтакторы, которые настроены на определенные температуры замыкания электрических контактов.
Манометрические термометры (рис. 3) работают на принципе изменения давления (объема) рабочего тела в замкнутом объеме в зависимости от температуры чувствительного элемента.
Основными частями манометрического термометра являются - термобаллон (чувствительный элемент), капилляр и деформационный манометрический преобразователь (трубка Бурдона) со стрелкой прибора.
По принципу действия различаются - газовые, жидкостные и конденсационные манометрические термометры.
Газовые и жидкостные имеют линейную шкалу. У кондесационных шкала - не линейная.

1 – термобаллон; 2 – соединительный капилляр; 3 – манометрическая пружина; 4 – держатель; 5 – трибка; 6 – сектор; 7 – стрелка; 8 – циферблат; 9 – тяга; 10 – биметаллическая скоба (для ТГП-3Сг); 11 – ведущий поводок; 12, 13 – датчики; 14 – блок БС; 15 – шторка
Рис. 3. Схема принципиальная термометров ТГП-3Сг, ТКП-3Сг.
![]() |
Рис. 4. Термометры технические ртутные типа ТТ и оправы защитные для стеклянных ртутных термометров
Различие в положении термобаллона и измерительного прибора относительно уровня вызывает так называемую гидростатическую погрешность. Она имеет место у жидкостных и кондесационных монометрических термометров.
Изменение барометрического давления практически не влияет на показания. Возможно небольшое влияние на начальном участке шкалы у кондесационных термометров.
Манометрические термометры выпускаются на температуры минус 200оС до 600°С.
Главным достоинством манометрических термометров является возможность их применение в пожаро- и взрывоопасных условиях любых категорий. Большинство манометрических термометров обладают хорошей вибростойкостью. К числу недостатков следует отнести невысокую точность (класс большинства приборов 1,5; 2,5;) и большие размеры чувствительных элементов: длина - от 80 мм до 630 мм; диаметр - 16 мм и 20 мм.
О классе точности, мы поговорим на второй части наших занятий, где вы узнаете, для чего он нужен, как обозначается на приборах и примеры расчета допустимой погрешности.
А сейчас приступим к изучению термопреобразователей сопротивлений “термометры сопротивления”( ТС).
Если согласно проектных данных на реакторе и вспомогательных системах первого контура предусмотрено около 800 контрольных точек измерения температуры( из них- 352 на самом реакторе и 413 на вспомогательных системах), то
это составляет 90% всех замеров с помощью ТС.
Принцип действия основан на свойстве проводника( или полупроводника) изменять свое сопротивление с температурой.Т. е., при изменении температуры, будет меняться сопротивление металла, а в данном случае проводника в виде намотанной спиралью тонкой медной или платиновой проволоки на каркас (рис. 5).
Основными частями ТС являются:
чувствительный элемент;
защитная арматура;
головка преобразователя с зажимами для подключения чувствительного элемента и соединительных проводов.
Чувствительные элементы медных ТС представляют собой медную проволоку, покрытую эмалевой изоляцией, которая биополярно намотана на каркас ( либо без каркаса), помещенную в тонкостенную оболочку. Чувствительный элемент помещается в защитную арматуру.
Платиновая проволока ТС не может быть покрыта слоем изоляции. Поэтому платиновые ТС спиралью располагают в тонких керамических каналах, заполненных керамическим порошком. Этот порошок выполняет функции изолятора, осуществляет фиксацию положения спирали в каналах и препятствует межвитковому замыканию. Такая конструкция чувствительного элемента позволяет обеспечить высокую механическую прочность, вибростойкость и малую инерционность.

1 – чувствительный элемент; 2 – корпус; 3 – бусы; 4 – уплотнение; 5 – клеммы; 6 – штуцер
Рис. 5. Термометр сопротивления.
ТС выпускаются для измерения температур в диапазоне от минус 260оС до 1100°С следующих исполнений:
- погружаемые и непогружаемые;
- стационарные и переносные;
- негерметичные и герметичные;
- обыкновенные, пылезащитные, водогерметичные, взрывобезопасные, защищенные от агрессивных сред и других внешних воздействий;
- малоинерционные, средней и большой инерционности;
- обыкновенные и виброустойчивые;
- одинарные и двойные;
- 1-2 классов точности;
- с двумя или четырьмя выводами.
В соответствии с существующими стандартами, выпускаются ТС следующих номинальных статических характеристик преобразования: - платиновые - 1П; 5П; 10П; 50П; 100П; 500П; - медные - 10М; 50М; 100М;
Число в условном обозначении характеристики показывает сопротивление ТС при 0°С ( в Ом ).
Номинальное значение отношения W100 = R100/R0 для платины 1,3910, для меди 1,4280. Допускается изготовлять по заказам внешнеторговых организаций и отдельных потребителей термопреобразователи сопротивления с 100=1,3850 и W100=1,4260.
К числу достоинств следует отнести высокую точность (меньшую, чем у стеклянных термометров, но большую, чем у термоэлектрических преобразователей и у всех остальных контактных термообразователей и термометров) и стабильность характеристики преобразователя, возможность измерять криогенные температуры ( от минус 260°С ).
К недостаткам следует отнести большие размеры чувствительного элемента, не позволяющего измерять температуру в точке объекта или измеряемой среды (диаметр чехла или чувствительного элемента -от 6 мм до 20 мм., длина от 50 мм до 180мм.).
2.2.3 Термоэлектрические преобразователи (термопары)
Термоэлектрические преобразователи (в дальнейшем мы будем их называть термопарами) работают на принципе зависимости ЭДС от значений температур мест соединений двух разнородных проводников (рис. 6).
Термопары имеют очень широкий диапазон измерения от минус 200оС до 2200°С (кратковременно до 2500°С). Могут измерять температуру в точке объекта или измеряемой Среды, имеют малые габаритные размеры - 0,5мм (большие диаметры чехлов определяются требованиями механической и термической прочности).

Рис. 6. Термоэлектрическая цепь и схема включения компенсационных проводов.
Термопары отличаются достаточно высокой точностью и стабильностью характеристик преобразования, хотя они и уступают немного по этим показателям ТС. К числу недостатков следует отнести необходимость применения специальных термоэлектродных проводов для подключения преобразователей к прибору и необходимость стабилизации или автоматического введения поправки на температуру свободных концов (температуру окружающего воздуха).
Конструктивное выполнение термопар определяется условиями их применения. Термоэлектроды, как правило, соединяют сваркой или пайкой серебряным или оловянным припоями. Это соединение образуют рабочий спай термопреобразователя. По всей остальной длине термоэлектроды изолированы друг от друга. При высоких температурах (до 100÷150°С) возможно применение любой изоляции (эмаль, лак и т.д.). При более высоких температурах применяют трубки (соломка) или бусы из фарфора.
При температурах более 1300°С применяют трубки и бусы из окиси алюминия, окиси магния, окиси берилия, двуокиси тория и двуокиси циркония. В большинстве случаев изолированные термоэлектроды помещают в защитные чехлы с головкой. Такой чехол предохраняет термоэлектроды от вредного воздействия измеряемой среды, а головка упрощает соединение термоэлектродов с удлиняющими или соединительными проводами.
Термопары выпускаются в следующих исполнениях:
- погружаемые и поверхностные;
- стационарные и переносные;
- разового и многократного применения, обыкновенные, водозащищенные, взрывобезопасные;
- защищенные от агрессивных сред;
- не герметичные, герметичные;
- малой (МИ),средней (СИ) и большой (БИ) инерционности;
- обыкновенные и виброустойчивые;
-одинарные, двойные и тройные - три чувствительных элемента (спая) в одном корпусе (чехле);
- однозонные и многозонные;
- с открытым спаем, с закрытым (изолированным или неизолированным) спаем.
Возможно различное сочетание этих исполнений.
Если для ТС какие-либо вспомогательные материалы и устройства отсутствуют (кроме гильз, чехлов и удлинительных проводов и кабелей), то для термопар дополнительно предусмотрены устройства. Это коробки холодных спаев устройства компенсации свободных концов УКМ (рис. 7,8).
Коробки холодных спаев предназначены для автоматического введения поправки на изменение ЭДС вследствие изменения температуры окружающего воздуха.

Рис. 7. Принципиальная схема устройства компенсации температуры свободных концов термопары УКМ-6.

Рис. 8. Принципиальная схема автоматического введения поправки на температуру свободных концов термопары.
Они могут работать с одним или двумя термопарами градуировок ХК, ХА и ПП. Коробка КХС применяется в системах автоматического регулирования температуры.
Значение медного компенсирующего сопротивления, приведенного к 20°С, составляет:
для градуировки ХК- (11,5± 0,05) Ом;
для градуировки ХА- (5,1± 0,05) Ом;
для градуировки ПП- (1,70± 0,05) Ом.
Рассчитана для работы при температурах от 5оС до 50°С и влажность от 30% до 80%.
Соединительные коробки предназначены для подключения свободных концов термопар, выравнивания их температуры и выдача информации о температуре внутри коробки. Соединительная коробка КС-545 предназначена для подключения восьми термопар в системах внутриреакторного контроля ВВЭР-1000. Обладают следующими достоинствами:
вибро- и трясоустойчивая;
тепло- и холодоустойчивая;
работает при температуре окружающей среды от минус 40оС до плюс 60°С.
Соединительная коробка КС-513М предназначена для подключения 18 термопар ТХА-2076 или ТХК-2076 в системах контроля температуры на АЭС при температуре окружающей Среды от 40 до 60°С. Достоинства:
виброустоичивая;
тряскоустойчивая;
герметичная;
корозийностойкая.
Переключатели точек (ПМТ,ПТИ-М) предназначены для поочередного подключения, как термометров сопротивления, так и термопар к измерительному прибору. Переключение, переключателем ПМТ, осуществляется путем перемещения П-образных подвижных щеток по неподвижным контактам. Неподвижные контакты расположены по четырем концентрическим окружностям.
Переключатель ПТИ-М переключает цепи постоянного тока при напряжении 24В и силе тока до 0,1А.К переключателю можно подключить до 20 первичных преобразователей. Температура окружающего воздуха от минус 40оС до 40оС или от минус 10оС до 45°С, относительная влажность - до 98%.
Аппаратура встроенной защиты (АТВ-229) предназначена для сигнализации о превышении температуры в любой из 10 контролируемых точек, а также для отключения контролируемой установки в случае необходимости, Диапазон контролируемых температур от 24оС до 131°С. Питание от сети ~220 В или 380 В. Потребляемая мощность 60 Вт. Длина встроенной части 5, 50, 85, 100, 150, 200, 250, 1035 мм. Применяется для защиты от перегрева обмоток электромашин, подшипников и других частей установок и механизмов.
Мы узнали о первичных датчиках и приборах измерения температуры. Хорошо было бы, если бы датчики, о которых шла речь выше, могли бы одновременно выполнять функции и вторичных приборов. Такими достоинствами обладают только термометры жидкостные (спиртовые), ртутные, манометрические термометры. Они являются приборами без передачи показаний на расстояния. Для передачи показаний на расстояния необходимы дополнительные устройства для преобразования из одного вида энергии в другой. Такие функции в настоящее время выполняют так называемые измерительные преобразователи (ИП). Для каждого типа датчика - соответствующий тип измерительного преобразователя. В частности, для термометров сопротивлений следующий тип ИП: Ш-79, Ш- 703; для термопар- это ИП: Ш-78, Ш- 705.
В комплекте с ТС, термопарами и с ИП работают вторичные приборы:
- мосты (КСМ1,КСМ2) для измерения активного сопротивления;
- потенциометры(КСП1, КСП2) для измерения напряжения постоянного тока и термо-ЭДС;
- потенциометры (КСУ1, КСУ2) для измерения силы и напряжения постоянного тока;
- миллиамперметры (М-316, КСМ1, КСМ2).
Вышеперечисленные приборы (кроме М-316) могут работать непосредственно с первичными ТС и термопарами и без НП в зависимости технических и технологических условий эксплуатации оборудования (не исключая и экономических возможностей заказчика).
Если движущей силой в обеспечении жизненной деятельности человеческого организма является сердце, то почти во всех средствах измерениях (ИП, вторичные приборы, преобразователи давления с унифицированными выходными токовыми сигналами) функции их живучести выполняют мостовые измерительные схемы.
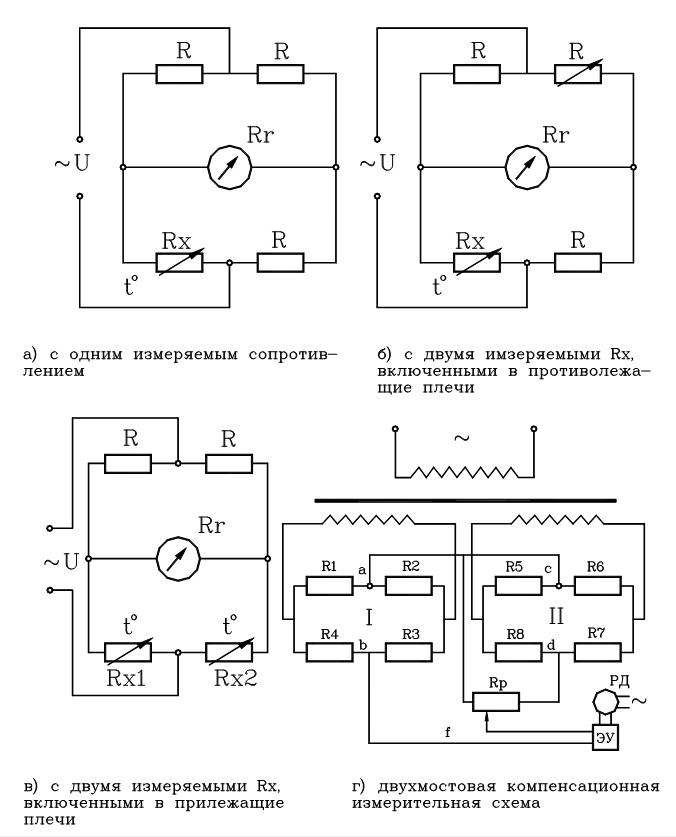
2.2.4 Мостовые измерительные схемы (рис. 9) бывают двух видов:
неуравновешенная мостовая (неравновесная) схема;
уравновешенная мостовая (равновесная) схема.
Неуравновешенные мосты для измерения температуры с термометрами сопротивления применяются редко. Однако они нашли широкое применение для измерения сопротивления в газоанализаторах, концентратомерах и в ряде других средств измерения. В неуравновешенных мостах в процессе эксплуатации нет необходимости производить какие-либо изменения сопротивлений или переключения. Показания измерительного прибора рассчитаны или отградуированы сразу в значениях измеряемого сопротивления или параметра, влияющего на сопротивление. Условие неуравновешенного моста следующее:
I = f(U, R1, R2, R3, R4, Rr) (5)
В этом случае, если нужна однозначная зависимость измерительного тока (I) от сопротивления какого-нибудь резистора, например R3, необходимо, чтобы все остальные элементы схемы имели постоянные значения U1, R2, R3, R4, Rr-const.
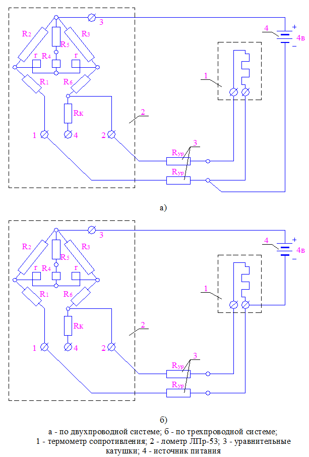
Рис. 9. Принципиальные схемы соединения логометра ЛПр-53.
![]() |
Как видно из схемы “а” рис. 10, зависимость измерительного тока от измеряемого сопротивления “Rx” будет однозначной только тогда, когда все остальные элементы схемы не изменяют своих значений, причем вид этой зависимости нелинейный. Например, для случая, когда измеряемое сопротивление Rx=R2, а все остальные плечи моста равны; R2=R3=R4=R уравнение шкалы будет иметь вид:
Rx-R
I=U (6)
Rx (2Rr+3R)+R (2Rr+R)
При измерении очень малых сопротивлений или малых изменений сопротивлений возникает необходимость увеличить коэффициент преобразования схемы моста. Для этого два аналогичных преобразователя сопротивления, находящихся в одинаковых условиях, включают в противоположные плечи моста (схема “в” рис. 10). Уравнение шкалы в этом случае будет иметь вид:
Rx-R
I2=U » (7)
Rx(Rr+2R)+RrR
т.е. при использовании двух аналогичных преобразователей сопротивления, коэффициент преобразования измерительной схемы увеличивается примерно в два раза.
Во многих случаях возникает необходимость получать сигнал, определяемый разностью сопротивлений двух преобразователей. Для этого преобразователи включаются в прилежащии плечи неуравновешенного моста (схема “в” рис. 9); уравнение шкалы имеет вид:
Rx1-Rx2
I =U» k(Rx1-Rx2) »
»2Rr(Rx1+Rx2)+R(Rx1+Rx2)+2Rx1Rx2 (8)
Cила тока ”I” практически пропорциональна разности сопротивлений преобразователей Rx1-Rx2. Схемы неуравновешенных мостов с двумя измеряемыми сопротивлениями (схемы “б” и “в” рис. 10) находят широкое применение в измерительных схемах газоанализаторов, концентратомеров, влагомеров и других приборов.
В схемах неуравновешенных мостов в случае необходимости может быть применена трехпроводная схема подключения измеряемого сопротивления, которая позволяет уменьшить или исключить влияние изменения соединительных проводов на показания моста.

Рис. 10. Принципиальные схемы измерительных мостов.
К преимуществам неуравновешенных мостов следует отнести простоту схемы, не требующую устройств уравновешивания, возможность применения для измерения малых сопротивлений (за счет уменьшения или даже исключения сопротивления удлиняющих проводников, соединяющие плечи моста).
К недостаткам неуравновешенных мостов относятся зависимость показаний от изменения напряжения питания; нелинейность шкалы моста.
Для использования одновременно положительных качеств как уравновешенных, так и неуравновешенных мостов, разработана двухмостовая компенсационная измерительная схема, которую иногда называют схемой компоратора напряжений (схема “г” рис.10). Схема состоит из измерительного “1” и сравнительного “2” мостов, питаемых параллельно от одного источника питания. В измерительном мосте одно или два сопротивления представляют собой измерительные преобразователи, так, что при изменении их сопротивления относительно начального, возникает разность потенциалов, определяемая выражением для R1=Rx
RxR3-R2R4
Uab=U (9)
(Rx+R2) (R3+R4)
или для двух преобразователей сопротивления, когда R1=Rx и R3=Rx, а R2=R4=Rxмин,
R2x-R2R4
Uab=U (10)
(Rx+R2)
В сравнительном мосте сопротивления R5-R8 подобраны таким образом, что R6=R8=Rxмин, а R5=R7=Rxmax. Разность потенциалов Ucd в этом случае будет равна Uabмакс. - той разности потенциалов, которая будет между точками а и b когда R1=R3=Rxmax:
R5R7-R6R8 R2xmах-R6R8

Ucd=U =U (11)
(R5+R6)(R7+R8) (Rxmax+Rxmin)
Схема построена таким образом, что на реохорде Rp, выполняющем функции делителя напряжения, происходит компенсация (уравновешивание) разности потенциалов Uab такой долей от разности потенциалов Ucd, что Uef=Uab. Если компенсация не выполнена, то Uef¹Uab и на вход усилителя поступает сигнал, который заставляет перемещаться реверсивный двигатель до тех пор пока не наступит компенсация, т.е. Uef не будет равно Uab.
Двухмостовая схема позволяет измерять очень малые значения или малые изменения сопротивления одного или двух плеч. При использовании двухмостовой схемы в газоанализаторах, влагомерах и других приборах, появляются также другие ее преимущества, характерные для конкретных методов и средств измерения.
Уравновешенные мосты
В соответствии с режимами работы возникают схемные и конструктивные различия мостов (рис. 11). В мостах, использующих равновесный режим работы (уравновешенных мостах), для измерения сопротивления необходимо уравновесить мост - выполнить условие:
R1R3=R2R4 (12)
Для этого одно или несколько плеч (резисторов) моста делаются переменными, сопротивления их могут быть определены. Тогда, добившись равновесия, на основании выше выраженного условия и известным трем сопротивлениям, определяется неизвестное (измеряемое) сопротивление.
Момент наступления равновесия определяется по отсутствию тока в нульгальванометре. Наиболее простой является схема с одним изменяемым сопротивлением. Однако значительное влияние на результаты измерения по такой схеме может оказывать сопротивление переходного контакта переменного резистора. В связи с этим более рациональной является схема, в которой подвижный контакт входит в измерительную диагональ. В этом случае в момент равновесия ток в измерительной диагонали равен нулю и поэтому сопротивление переходного контакта не влияет на результаты измерения. Для уравновешивания моста изменяется сопротивление сразу двух плеч или соотношение сопротивлений плеч.
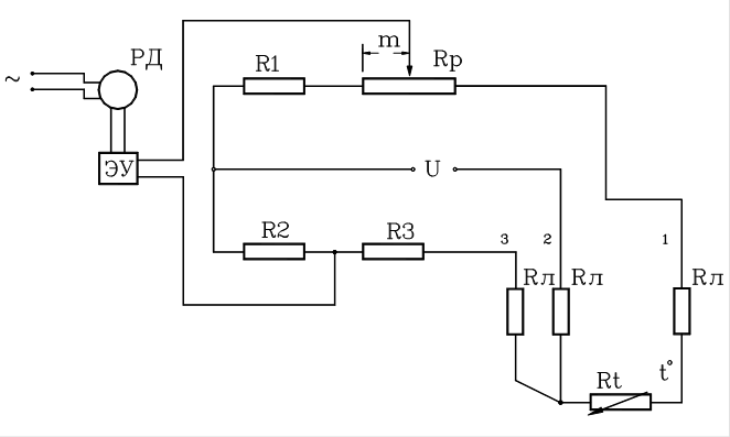
Что бы закончить нашу тему о методах и средствах измерения температуры, рассмотрим схему автоматического уравновешенного моста (рис. 11), в котором уравновешивание осуществляется изменением сопротивления плеч. Автоматическое уравновешивание осуществляется так же, как и в автоматическом потенциометре. Если потенциалы вершин моста, к которым подключается измерительная диагональ, не равны, то в измерительной диагонали идет ток, который поступает на вход электронного усилителя (ЭУ). Выходной сигнал заставляет вращаться реверсивный двигатель, который перемещает движок реахорда (Rр) до тех пор, пока не наступит равновесие моста. Сопротивление Rр рассчитывается и изготовляется таким образом. что при изменении измеряемой температуры от минимального до максимального значения для уравновешивания моста, движок реохорда должен переместится от одного крайнего положения до другого, параметр m определяет положение движка в долях от Rр.
Измеряемое сопротивление (термометр) включено в плечо, прилежащее к реохорду. В этом случае уравнение шкалы перемещения движка реохорда в зависимости от изменения сопротивления будет линейно. Из уравнения:
(Rт.нач.+Rт+Rр-)R2=(R1+mR)R3; (13)
(Rт.нач.+Rh)R2=R1R3; (14)
откуда m=RтR2/Rр(R2+R3)

Рис. 11. Автоматический уравновешенный мост с трехпроводной схемой включения термометра.
Как видно из выражения, показания моста m пропорциональны изменению сопротивления в плечо, прилежащее к реохорду, уравнение шкалы уравновешивающего моста получается линейным относительно изменения сопротивления.
Этот вариант схемы получил самое широкое распространение.
В этой схеме термометр сопротивления включен по трехпроводной схеме. Этот вариант схемы получил наибольшее распространение. Если возникает необходимость подключить сопротивление по двухпроводной схеме, для этого достаточно перенести питающую диагональ из точки 2 в точку 3.
Представленная схема имеет следующие преимущества:
- показания моста не зависят от напряжения питания;
Вместе с этой лекцией читают "77 Начало шизофрении".
- показания прибора линейно связаны с изменением изменяемого параметра:
- измерение (уравновешивание моста) осуществляется автоматически;
- трехпроводная схема включения позволяет уменьшить или даже исключить погрешность показаний, вызываемую изменением сопротивления соединительных проводов.
К числу недостатков схемы следует отнести:
- необходимость в схеме устройства для уравновешивания;
- трудность или невозможность измерения малых сопротивлений.























