Синхронная машина в начальный момент переходного процесса
Глава третья
Синхронная машина в начальный момент переходного процесса
3.1. Основные положения
В отличие от идеализированной цепи переменного тока с источником неизменного напряжения в цепи, питаемой от реальной синхронной машины, необходимо учитывать изменения, происходящие в машине при переходном процессе.
Все расчеты резко упрощаются, если удается определить те параметры и характеристики синхронной машины, которые остаются постоянными, как в нормальном режиме, так и в начальный момент переходного режима.
Поскольку индуктивности цепи исключают внезапное изменение тока, то значение его сохраняется таким же, как и в предшествующем режиме. Тем не менее в новых условиях он состоит из новых слагающих. Рассматривая задачу лишь для граничной точки начала режима мы можем представить синхронную машину, как трансформатор. В этом случае определяющим для процесса является постоянство магнитного потока сцепленного с ротором.
3.2. ЭДС и реактивности синхронной машины

Рекомендуемые материалы
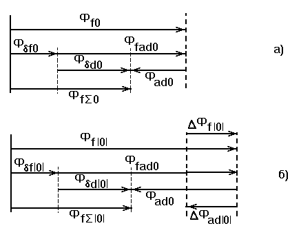
Рис.3.1. Баланс магнитных потоков в продольной оси ротора
синхронной машины
а) предшествующий нормальный режим;
б) начальный момент переходного режима.
Полный магнитный поток, создаваемый обмоткой возбуждения,
(индекс О соответствует предшествующему режиму) состоит из потока,
который замыкается, проходя через воздушный зазор и цепь статора и потока рассеяния, который замыкается только вокруг обмотки возбуждения ротора
.
Этот магнитный поток
по отношению к цепи статора представляет геометрическую сумму потока реакции якоря по продольной оси
, которая носит размагничивающий характер, и потока в воздушном зазоре
. В результате магнитный поток
, сцепленный с обмоткой возбуждения, состоит из потоков
и
. При внезапном изменении режима и увеличении тока статора в начальный момент времени (индекс /0/), увеличивается и магнитный поток реакции статора на величину
. Это приращение должно быть скомпенсировано, иначе внезапное изменение, сцепленных с обмотками магнитных потоков, привело бы к появлению бесконечно больших
а
приращений ЭДС, что противоречит практике. Остается предположить, что изменению магнитного потока реакции статора отвечает аналогичное изменение магнитного потока, с обмоткой возбуждения на величину
. Поскольку увеличения тока возбуждения нет , можно предположить, что в теле ротора наводятся токи создающие данный магнитный поток. Увеличению магнитного потока
отвечает соответственное скачкообразное увеличение ЭДС по сравнению с предшествующим нормальным режимом.
Как видно из рисунка 3.1, неизменным остался магнитный поток
, сцепленный с обмоткой возбуждения и соответствующее ему потокосцепление
. Со статором связано потокосцепление
, которое определит ЭДС
, сохраняющую в начальный момент переходного процесса свое предшествующее значение
(3-1)
Этому потокосцеплению соответствует ЭДС
(3-2)
(3-3)
или
(3-4)
Данной структуре отвечает схема замещения

Рис.3.2. Схема замещения синхронной машины по продольной оси в начальный момент возмущения
Таким образом, в начальный момент возмущения, синхронная машина может быть представлена переходной ЭДС
и переходным сопротивлением
.
3.3. Сверхпереходные ЭДС и сверхпереходные
индуктивности синхронной машины
Мощные синхронные машины имеют специальные демпферные обмотки на роторе и при внезапном изменении режима и приращении потока
в качестве ответной реакции ротора возникает не только приращение потока обмотки возбуждения
, но и приращение потока продольной демпферной обмотки
.
Рассуждая аналогично 3.2 мы приходим к выводу, что в данном случае связь предшествующего режима с переходным осуществляется через сверхпереходную ЭДС
и синхронная машина может быть введена в расчет этой ЭДС и сверхпереходным сопротивлением 
. (3-5)

Рис.3.2. Схема замещения синхронной машины с демпферными
обмотками по продольной оси в начальный момент возмущения
Соотношение между сопротивлениями синхронной машины видно из следующего примера:
для

3.4. Представление двигателей и обобщенной нагрузки
Изложенное выше полностью относится ,как к синхронным компенсаторам, так и синхронным двигателям. Различие определяется особенностями предшествующего режима работы.
Синхронный компенсатор или перевозбужденный синхронный двигатель при снижении напряжения автоматически переходит в режим генерации. Режим недовозбужденного синхронного двигателя зависит от соотношения его сверхпереходной ЭДС и нового напряжения и может проходить , как при продолжении потребления тока
, так и переходе к генерации тока
. Основную долю промышленной нагрузки составляют асинхронные двигатели. В нормальном режиме они работают при скорости 0,94 - 0,98 от синхронной и для начального момента их можно считать аналогичными синхронным двигателям с невозбуждением. В этом случае
.
Начальное значение сверхпереходной ЭДС
(3-6)
Такой подробный учет целесообразен лишь для крупных двигателей, играющих существенную роль в узлах нагрузки. В практических расчетах начального момента переходного процесса нагрузку можно учитывать обобщенно с типовым составом потребителей. В этом случае обобщенную нагрузку можно приближенно характеризовать следующими величинами:

3.5. Влияние нагрузки на величину начального тока
После установления основных закономерностей ,сам расчет начального момента принципиальных трудностей не представляет. Прежде всего необходимо составить схему замещения, введя генераторы, крупные двигатели и обобщенные нагрузки мощных узлов, приведенными значениями переходных (сверхпереходных) сопротивлений и ЭДС. Для упрощения расчета возможно отбросить часть нагрузочных ветвей.

Рис. 3.3. Влияние нагрузки на величину начального тока
Рис 3.3 иллюстрирует влияние нагрузки (асинхронные двигатели) в зависимости от их удаления от места короткого замыкания.
АД 1 продолжает потреблять ток из сети при пониженном напряжении.
АД 2, для которого
, имеет ток близкий к нулю.
23 Общие положения декларирования товаров - лекция, которая пользуется популярностью у тех, кто читал эту лекцию.
АД 3 и АД 4, находящиеся ближе к короткому замыканию, является источниками питания.
При выполнении практических расчетов начального тока вместе короткого замыкания целесообразно учитывать только те нагрузки (двигатели), которые примыкают к точке короткого замыкания.
Ударный ток в месте короткого замыкания при учете отдельных нагрузок составит:
;
(3-7)
где
и k
- начальный сверхпереходной ток и ударный коэффициент двигателей.




















