Защита
Защита
Арбузов Е.В. (далее А.) на защите всем практически без исключения задает один и тот же вопрос: «В чем физический смысл знака коэффициента влияния?». Для ответа на этот вопрос необходимо выучить досконально следующее предложение: Знак при αqi показывает соответствие погрешности элемента и погрешности выходного параметра от этого элемента(αqi >0, значит у погрешностей знаки одинаковые; αqi <0, значит у погрешностей знаки разные).
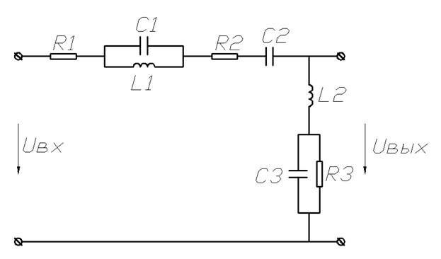
Также А. задает задачу: поставить около элементов схемы знаки, которые будут иметь их коэффициенты влияния и приводит схему, например моя:

Во-первых надо написать коэффициент усиления:
.
В принципе, знаки расставляются элементарно: для всех элементов схемы, кроме емкостей, в горизонтальной ветви ставится знак «–», а в вертикальной «+»; для емкостей все наоборот: в горизонтальной ветви ставится знак «+», а в вертикальной «–». Суть простановки этих знаков проста для примера рассмотрю по одному элементу из каждой ветви.
Вам также может быть полезна лекция "4 Первый закон термодинамики".
R1: Для определения знака коэффициента влияния сопротивление мысленно увеличиваем на небольшую величину, типа погрешность, и смотрим что происходит: R1 увеличился => увеличился весь знаменатель, а числитель нет => К уменьшается. Смотрим правило написанное выше и понимаем, что в данном случае знак при коэффициенте влияния «–» т.к. погрешность элемента >0, а выходного параметра <0.
L1: Для определения знака коэффициента влияния индуктивности надо вспомнить что ХL =L1·ω дальше проделываем операции, как и с сопротивлением, но только L1 соединено параллельно с С1, значит с начала рассмотрим дробь
: L1 увеличивается соответсвенно увеличивается и ХL и в числителе и в знаменателе, но в числителе в разы, а в знаменателе на эту погрешность, соответственно
увеличилось по сравнению с нулевым значанием погрешности => увеличился весь знаменатель, а числитель нет => К уменьшается. Смотрим правило написанное выше и понимаем, что в данном случае знак при коэффициенте влияния «–» т.к. погрешность элемента >0, а выходного параметра <0.
С1: Для определения знака коэффициента влияния индуктивности надо вспомнить что ХС=1/(С1·ω) дальше проделываем операции, как и с L1: С1 увеличивается => ХС уменьшается => ументшается весь знаменатель, а числитель нет => К увеличивается. Смотрим правило написанное выше и понимаем, что в данном случае знак при коэффициенте влияния «+» т.к. погрешность элемента >0, а выходного параметра >0.
Рассмотрение параметров вертикальной ветви аналогично, горизонтальной, только надо учесть в рассмотрение то, что теперь изменяется как числитель, так и знаменатель, но только в числителе это изменение заметнее, потому что в знаменателе много слагаемых соответственно вносимый вклад в него меньше, поэтому и происходит изменение знаков на противоположные, чем в горизонтальной ветви.
Удачной защиты.)
Ogr.






















