Диффузионные процессы в твердых телах
4. Диффузионные процессы в твердых телах
4.1. Введение
Из термодинамики, а так же из практического опыта следует, что любая однофазная система, находящаяся в равновесии, должна быть гомогенной. Например, смесь воды и чернил или наполненная дымом комната, через определенный промежуток времени становятся однородными.
Диффузия имеет место в газах, жидкостях и твердых телах, причем диффундировать могут как растворенные в веществе посторонние частицы, так и частицы самого вещества (самодиффузия).
Диффузия – это обусловленное тепловым движением перемещением частиц в направлении убывания их концентрации. (Движущей силой диффузии является градиент концентрации атомов. Чем больше градиент концентрации, тем интенсивнее осуществляется перемещение атомов.)
4.2. Законы диффузии
Диффузионные законы – это соотношения между величинами, характеризующими процессы диффузии.
Первый закон диффузии определяет количество вещества диффундирующего в направлении убывания концентрации. Если градиент концентрации С вдоль направления Х равен
, то этот закон дает для массы вещества dm, диффундирующего за время dt через площадку S, перпендикулярную направлению Х, выражение:
dm = –D∙S
dt, (1)
где знак (–) указывает, что диффузия происходит в сторону уменьшения концентрации;
D – коэффициент диффузии, численно измеряемый массой вещества, диффундирующего через площадку за время t=1, при градиенте концентрации, равном 1 ([Д]=[см2∙сек-1]).
Коэффициент диффузии определяет скорость процесса и зависит от природы диффундирующего вещества и вещества, в котором происходит диффузия.
Рекомендуемые материалы
Из первого закона диффузии выводится второй:
=D
.
Когда
=0 (стационарный поток) второй закон легко проверяется, т.к. из него следует, что при
=0 концентрация диффундирующего вещества должна линейно уменьшатся вдоль направления диффундирующего потока. Опыт подтвердил правильность этого заключения.
Рассмотрим элементарный объем с единичной поверхностью S=1, перпендикулярной направлению Х и толщиной dx, и получим выражение для скорости изменения концентрации (
)
.
Если толщина dx мала, то поток dm(x1+dx) может быть связан с dm(x1) следующим выражением:
;
;
Градиентом скалярной величины С, зависящей от координат, называется вектор, характеризующий быстроту изменения этой величины в пространстве: Если концентрация С изменяется вдоль оси Х, то grad C =
, а поскольку изменения происходят только вдоль оси Х, так мы предположим что частную производную можно заменить на полную
Grad C =
.
Математические уравнения диффузии были впервые применены в 1858 году Адольфом Фиком, хотя аналогичные уравнения были получены десятилетием раньше Фурье при анализе теплового потока.
;
. (2)
Это и есть второй закон диффузии. Аналогичным путем задача может быть решена для двух- и трех-мерного случаев в декартовых, цилиндрических или полярных координатах. Однако для мы ограничились рассмотрением одномерной задачи.
Рассмотрим основные механизмы диффузии атомов в кристаллах:
1) механизм обмена атомов местами;
2) кольцевой механизм;
3) механизм перемещения по междуузлиям;
4) вакансионный механизм
Механизм обмена двух атомов местами в кристаллической решетке является наиболее простым и элементарным актом диффузии. Обмен местами в плотноупакованной структуре требует преодоления большого потенциального барьера, связанного с необходимостью раздвижением соседних атомов.
В случае кольцевого механизма несколько атомов, расположенных примерно по кольцу, согласованно перемещаются так, что все кольцо из атомов поворачивается на одно межатомное расстояние. В этом случае доля энергии потенциального барьера, приходящегося на каждый атом будет меньше, чем при обмене пары атомов. Однако эта энергия возрастает с увеличением числа атомов в кольце и вероятность осуществления такого процесса за счет флуктуационного накопления необходимой энергии резко падает. Оба эти механизма могут проявляться лишь в совершенных кристаллических решетках с рыхлой упаковкой.
В реальных материалах с большим числом дефектов наиболее вероятными являются междуузельный и вакансионный механизмы диффузии. (+ границы, дислокации)
Вероятность перехода (ω) частицы в решетке из одного положения в другое в следствии статистического характера процесса возрастает с повышением температуры по экспоненциальному закону:
,
где
– высота потенциального барьера.
Введем понятие среднего времени нахождения атома в одном из положений равновесия (
):
. (3)
4.3. Основы кинетической теории газов
В кинетической теории газов коэффициент диффузии определяется следующим выражением:
,
где
– длина свободного пробега, а
– время между двумя столкновениями.
Выражение для коэффициента диффузии в кристалле приобретает вид:
, (4)
где
– множитель, учитывающий геометрию решетки и механизм диффузии.
На основании (3) и (4) получим выражение коэффициента диффузии в кристалле:
,
где
.
В этой формуле
– называют энергией активации (энергию, которую необходимо сообщить атому для единичного скачка в кристаллической решетке, называют энергией активации диффузии).
Примесные атомы, перемещаются по вакансионному механизму – называются примесями замещения, а перемещающиеся по междуузельному механизму – примесями внедрения.
Практически все диффузанты в полупроводниковых кристаллах имеют предельную растворимость. Под предельной растворимостью примеси подразумевается максимальная концентрация примесных атомов при данной температуре, которая может быть введена в полупроводник:
,
где
– теплота растворения.
В ряде случаев введение инородных атомов приводит к возникновению в диффузионной области новой фазы (химического соединения). Такой процесс получил название – реактивная диффузия (окисление кремния).
4.4. Диффузия как двухстадийный процесс
С помощью процесса диффузии осуществляют изменение свойств, а именно, электропроводности, диффузионной длины и времени жизни не основных носителей заряда в локальных областях полупроводникового материала.
Для формирования локальных областей в полупроводнике, как правило, используют двухстадийные диффузионные процессы. Первую стадию, соответствующую диффузии из неограниченного источника называют загонкой. Вторую стадию, соответствующую диффузии из ограниченного источника, созданного на первой стадии называют разгонкой.
Процессы диффузии осуществляются при повышенных температурах. В этом случае сопутствующим процессом является процесс окисления полупроводника. В частности, на поверхности кремния образуется пленка диоксида кремния (SiO2). Диоксид кремния обладает высокими маскирующими свойствами. При наличии на поверхности кремния слоя диоксида кремния при выполнении второй стадии диффузионного процесса – разгонки, поток диффузионных частиц через поверхность кремни будет отсутствовать. Если приписать поверхности кремния координату х=0, то для всех значений времени t можно записать:


(1)
где
– концентрация примесных атомов.
Рассмотрим вторую стадию диффузионного процесса – разгонку. На первой стадии процесса – загонке получен диффузионный слой толщиной h. В первом приближении можно считать распределение примеси по толщине h постоянной. Тогда начальное условие для второй стадии процесса будет иметь вид:
|
| при | |
| при | (2) |
Второй закон Фика для диффузии имеет вид:
. (3)
Решив (3), для граничного (1) и начального (2) условий получим:
. (4)
Это уравнение описывает диффузию из бесконечно тонкого слоя h в полубесконечное тело. Бесконечно тонкий слой обычно характеризуют отнесенным к единице поверхности полным количеством атомов примеси Q, находящимся в слое в начальный момент времени.
Условие (1) говорит о том, что количество примеси Q в течении всего диффузионного процесса сохраняется постоянным, т. е. в слое толщиной h оно уменьшается, а в остальном объеме полупроводника увеличивается. Диффузионное распределение в бесконечно тонком слое h определяется с использованием уравнения (4). Подставим в него Ns=Q/h и перейдем к пределу в правой части при
, т. е.
. (5)
Поверхностную концентрацию атомов при х=0 для такого распределения получим в виде:
. (6)
В общем случае Q не является постоянной величиной. Однако можно считать, что в течении второй стадии диффузии у поверхности кремниевой пластины образуется существенно планарный источник и распределение атомов примеси подчиняется закону Гаусса:
, (7)
где D2 – коэффициент диффузии на второй стадии диффузионного процесса – загонке;
Q – количество введенных на стадии загонки атомов примеси, отнесенное к единице поверхности;
t – длительность разгонки.
Определим Q из первого закона Фика. На первой стадии диффузионного процесса – загонке атомы примеси распределены по закону:
. (8)
Поток диффундирующих атомов через единицу поверхности на первой стадии имеет вид:


, (9)
где D1 – коэффициент диффузии атомов примеси на первой стадии;
Ns1 – поверхностная концентрация атомов, диффудирующих на этой стадии.
Проинтегрировав (9) по времени в пределах от 0 до t1 получим:
, (10)
где t1 – длительность стадии загонки.
В результате закон распределения атомов примет на второй стадии диффузионного процесса примет вид:
. (11)
На основании (11) определим поверхностную концентрацию примеси на стадии разгонки:
. (12)
При
поверхностная концентрация атомов неограниченно возрастает, в то время как она не может превысить поверхностную концентрацию атомов из стадии загонки Ns1, т.е. это выражение справедливо при больших временах второй стадии процесса.
Для процессов разгонки малой длительности необходимо исходить из приумножения, что диффузия осуществляется из ограниченного источника конечной толщины h с однородной концентрацией слоя Ns1 на стадии загонки. В этом случае полное количество атомов примеси на единицу поверхности примет вид:
. (13)
Сравнивая (13) и (10), определим эффективную ширину диффузионного слоя на стадии разгонки:
. (14)
С использованием (14) на основании (4) получим:
. (15)
Откуда определим поверхностную концентрацию диффузирующих атомов на стадии разгонки:
. (16)
N(0, t) при t→0 показывает, что поверхностная концентрация в начале стадии разгонки равна поверхностной концентрации на стадии загонки:
. (17)
Значение этой величины равно поверхностной концентрации в начале диффузионного процесса и не устремляется в бесконечность, как это наблюдалось в случае планарного источника (6).
4.5. Диффузия в гетерогенном твердом теле
Диффузионные процессы с участием двух гетерогенных тел находят широкое применение при изготовлении микроэлектронных структур. К таким процессам в первую очередь относятся процессы перераспределения примеси между эпитаксиально выраженным слоем одного полупроводника на поверхности другого полупроводника и диффузии примеси в эту структуру, а так же диффузия примеси в полупроводник сквозь слой окисла или диэлектрика, и диффузия примесей в полупроводник из этих слоев.
Особенностью таких процессов является различие в коэффициентах диффузии составных гетерогенных тел.
Имеем гетерогенное твердое тело, состоящее из полубесконечного полупроводника, на поверхности которого расположим гетерогенный слой толщиной L. В эту структуру осуществляется диффузия из бесконечного источника. Коэффициенты диффузии в гетерогенном слое и полупроводнике различны и равны соответственно D1 и D2. Пусть граница раздела сред совпадает с координатой х = 0. Распределение концентрации примеси в такой структуре, очевидно, описывается решением диффузионных уравнений:
для –L<x<0;
для x>0.
При следующих начальных условиях
при x > –L.
Граничными условиями являются:
а) постоянство концентрации примеси на поверхности гетерогенного тела
С1 = С0 при x = -L;
б) равенство потоков на границе раздела сред ( отсутствие накопления примеси на границе)
;
в) отсутствие концентрации на большом расстоянии от границы раздела
С2 = 0 при х =
;
г) линейность изменения функции С2 = f (C1) на границе раздела сред
С2 = mC1, при х = 0,
где m – коэффициент, показывающий в каком соотношении находятся концентрации примеси в средах на границе раздела в любой момент времени t >0.
4.6. Техника проведения процессов диффузии
Диффузию проводят в сравнительно ограниченном диапазоне температур, например для кремния 1100 – 1300 °С.
Различают диффузию из газовой фазы, жидкой фазы, твердой фазы.
4.6.1. Диффузия из газовой фазы
Если в изолированный объем поместить полупроводник и сублимирующую примесь, нагреть их до температуры сублимации или выше, то в объеме вскоре установится определенное парциальное давление сублимирующего вещества.
Молекулы пара адсорбируются на всех поверхностях, в том числе и на поверхности полупроводника. При достаточно высокой температуре начинается диффузия примеси в полупроводник. Если скорость притока новых молекул взамен ушедших в полупроводник равна или больше скорости диффузии, то в поверхностном слое устанавливается равновесие концентрации атомов, равная предельной растворимости при данной температуре.
Для разбавленных растворов, какими можно считать твердые растворы примесей в полупроводниках, поверхностная концентрация С0 связана с давлением примесных паров рi над полупроводником следующим соотношением:
,
где
– собственная концентрация атомов полупроводника;
p – давление пара над чистым примесным веществом при температуре Т;
– постоянная, характеризующая систему;
R – газовая постоянная.
Если равновесие на поверхности достигается за время, меньшее чем длительность диффузии, то поверхностную концентрацию можно считать постоянной. Поэтому в большинстве случаев распределение примесей при диффузии из газовой фазы описывается функцией дополнения к интегралу ошибок. Распределение концентрации примеси по глубине диффузионного слоя в момент времени t описывается выражением:

Символом
обозначена функция дополнения интеграла ошибок до 1 (error function complementary). Между ней и функцией ошибок
существует соотношение:



.
Иногда требуется вычислить интеграл или производную от функции ошибок:



Функция
(1) и exp(-z2) (2) в полулогарифмическом (а) и линейном (б) масштабах.
4.6.2. Диффузия из жидкой фазы
При больших парциальных давлениях концентрация примеси в поверхностном слое может быть такой, что возникнет жидкая фаза.
Al, In, Ga на поверхности кремния образуют жидкий сплав. Поверхностная концентрация определяется только термодинамическими свойствами системы примесь-полупроводник и равна предельной растворимости примеси при данной температуре диффузии.
Второй тип взаимодействий на поверхности заключается в быстрой химической реакции донорной или акцепторной примеси с полупроводником.
4.6.3. Диффузия из твердой фазы
Это диффузия из твердого раствора примеси в одной области полупроводника в другую свободную от примеси область полупроводника.
4.7. Способы проведения диффузии
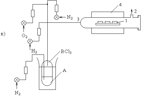
Диффузионные процессы проводят в закрытой или открытой трубе.
В первом случае рис. а, пластины полупроводника 1 и источника 2 загружают в кварцевую ампулу 3, которую вакуумируют, герметизируют и помещают в печь 4.
Термин “открытая труба” обусловлен тем, что выходной конец диффузионной трубы сообщается с атмосферой (рис. б – д), через него в зону диффузии загружают кремниевые пластины 1. Чтобы свести к минимуму загрязнения из атмосферы, над выходом трубы 2 устанавливают вытяжную систему. Во входной конец диффузионной трубы вставляют шлиф для введения газа носителя 3 – азота или кислорода. Диффудент А либо наносят на поверхность пластины (б) либо вводят в виде пара или газа в газ носитель (в).
г) – схема двухзонной печи, применяемой в основном для диффузии из твердых источников методом открытой трубы.
Лекция "25 Стеснение тепловых расширений турбины на фундаменте и его предупреждение" также может быть Вам полезна.
д) – схема бокс-метода. Пластины и источник находятся в полугерметичном контейнере 5 однозонной печи.
Наибольшее распространение имеет диффузия в открытой трубе, проводимая из твердых, жидких и газообразных источников.
































