Интерфейс
Интерфейс 
Этот интерфейс содержит две двунапрвленные линии : линию данных и линию синхронизации.
поддерживает любую технологию изготовления микросхем , две линии, линия данных и линия синхронизации служат для переноса информации. Каждое устройство распознаётся по уникальному адресу и может работать как передатчик или приёмник в зависимости от назначения устройства.
Устройства классифицируются :
- Передатчик (транмиттер) – устройство, посылающее данные в шину.
- Ресивер (приёмник) – устройство принимающее с шины.
- Мастер (ведущий) – начинает пересылку данных, вырабатывает синхроимпульсы и заканчивает пересылку данных.
- (SLAVE-ведомый) – устройство, адресуемое ведущим.
- Мультимастер – несколько ведущих могут попытаться захватить шину.
- Арбитраж – процедура, обеспечивающая мультимасиера
- Синхронизация – процедура синхронизации двух устройств.
Т.к. линии шины являются двунаправленными, то они связаны с положительным напряжением через подтягивающие резисторы.
Когда шина свободна обе линии находятся в состоянии «1». Сигналы по линиям
могут передаваться со скоростью до 100кб/сек в стандартном режиме и 40кб/сек в быстром режиме.
Каждый (один) тактовый импульс генерируется для каждого передаваемого бита данных. Смена данных на линии данных происходит тогда когда синхронизация находится в «0».

Переход «1»-«0» на линии SDA при этом линия SCL в положении 1 – START.
Переход «1»-«0» и линия SCL в положение «1» - условие STOP.
Рекомендуемые материалы
Условия START – STOP всегда генерируется ведущим.
Считается, что линия занята после условия STARTи свободна после условия STOP.
Вам также может быть полезна лекция "9 Список литературы".
Определение условия START – STOP устройствами, связанными с шиной осуществляется легко если шина содержит собственное интерфейсное аппаратное устройство, однако микроконтроллерам не имеющим таких средств приходится опрашивать линию по крайней мере дважды за тактовый период.
Число байт переданных за передачу не ограничено, каждый байт должен сопровождаться подтверждающим (квитирующим) импульсом. Данные передаются начиная со старшего бита – MSB.
Если приёмник не может принять другой полный байт данных до тех пор пока не выполнит некоторые другие функции. Он может установить линию SCL в положение «0» чтобы перевести передатчик в режим ожидания и высвободить линию.
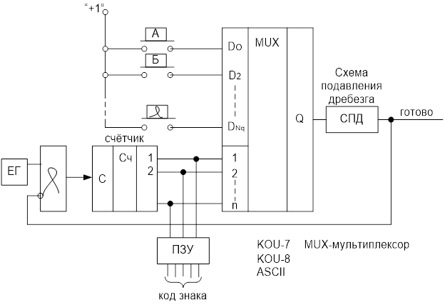
Устройство ручного ввода информации.























