Типовые каналы передачи и их характеристики
3 Типовые каналы передачи и их характеристики
В разделе рассматриваются стандартный канал ТЧ, понятия сетевых и групповых трактов; основные параметры и характеристики каналов; помехи в каналах ТЧ; организация двусторонних каналов и трактов; схема трансформаторной дифференциальной системы; коммутация каналов, сообщений и пакетов; элементы теории телетрафика; принципы построения систем коммутации.
3.1 Типовые каналы и тракты
Как отмечалось ранее (смотри раздел 1), канал передачи – комплекс технических средств и среды распространения, обеспечивающий передачу сигнала электросвязи в определенной полосе частот или с определенной скоростью передачи между сетевыми станциями, сетевыми узлами или между сетевой станцией и сетевым узлом, а также между сетевой станцией или сетевым узлом и оконечным устройством первичной сети. Каналы подразделяются на аналоговые, цифровые и смешанные (аналого-цифровые).
Канал передачи, параметры которого соответствуют принятым нормам, называют типовым.
Стандартный канал ТЧ. Канал тональной частоты (ТЧ) является единицей измерения емкости аналоговых систем передачи и используется для передачи телефонных сигналов, а также сигналов данных, факсимильной и телеграфной связи, в нормализованной эффективно передаваемой полосе частот 300…3400 Гц. В цифровых системах передачи аналоговым является основной цифровой канал (ОЦК) со скоростью передачи 64 Кбит/с.
Для передачи сигналов, имеющих более широкую полосу, чем сигналы ТЧ (например, сигналы радиовещания, телевидения и так далее), или требующих скорость передачи большую, чем 64 Кбит/с с помощью систем передачи создаются широкополосные или высокоскоростные цифровые каналы.
Групповой тракт – это комплекс технических средств, предназначенный для передачи сигналов электросвязи нормализованного числа каналов тональной частоты или ОЦК в полосе частот или со скоростью передачи, соответствующей данному групповому тракту.
Групповой тракт, параметры и структура которого соответствуют принятым нормам, называют типовым.
Основой общегосударственной первичной сети связи являются сетевые тракты, которые организуются между двумя сетевыми станциями (узлами) и непосредственно используются на этих станциях или предоставляются во вторичные сети. Сетевые тракты являются типовыми и организуются по единым правилам.
Рекомендуемые материалы
Сетевые тракты образуются на базе групповых трактов МСП с ЧРК, которые, в свою очередь, создаются с помощью типового оборудования первичных, вторичных, третичных групп и групп более высокого порядка, а также оборудования сопряжения. Сетевые тракты могут быть получены из трактов более высоких порядков несколькими способами.
Один из способов связан с использованием типового преобразовательного оборудования. При этом тракт более высокого порядка разделяется на тракты данного порядка, часть из которых и предоставляется на этой станции потребителю, а оставшиеся включаются в транзитное оборудование станции для дальнейшей передачи по сети.
Второй способ основан на том, что сетевой тракт любого вида может быть получен посредством оборудования выделения из линейных трактов. Чаще всего этот способ используется на обслуживаемых усилительных пунктах (ОУП) при выделении вторичных групповых трактов из линейного тракта. Третий способ состоит в получении сетевых трактов с помощью аппаратуры выделения из трактов высшего порядка. Данный способ используется на узлах, где потребность в каналах и трактах небольшая.
Организация сетевого тракта из группового достигается подключением к его окончаниям специального оконечного оборудования (комплект образования трактов КОТ). В передающей части КОТ предусматривается развязывающие устройства для ввода в тракт группового и вспомогательных контрольных сигналов, а также для подключения измерительных приборов. В приёмную часть КОТ входят развязывающие устройства для вывода группового и вспомогательных контрольных сигналов и подключения измерительных приборов, заграждающий фильтр, препятствующий попаданию группового контрольного сигнала на выход тракта, регулирующие аттенюаторы и, амплитудный и фазовый корректоры, совмещаемые обычно с усилителями.
Сетевые тракты могут предоставляться только при условии наличия у них типового каналообразующего оборудования. В общем случае потребителю предоставляются широкополосные каналы, оборудованные на базе соответствующих сетевых трактов.
Широкополосные каналы получаются подключением к окончаниям сетевых трактов каналоформирующего оборудования (КФО), в состав которого входят полосовые фильтры для формирования канала, заграждающие фильтры для подавления широкополосного сигнала в полосе частот приемников группового контрольного сигнала и частот сетевого контроля, устройства амплитудного ограничения и амплитудно-частотной коррекции, регулирующий аттенюатор. Каналоформирующее оборудование является единым при передаче по широкополосному каналу сигналов различных сообщений.
Широкополосным каналам, образованным на базе типовых групповых трактов, присваивают наименование одноименного группового тракта. Соответственно различают:
предгрупповой широкополосный канал с полосой частот 12…24 кГц на основе трех каналов ТЧ;
первичный широкополосный канал (ПШК) с полосой частот 60…108 кГц на основе 12 каналов ТЧ;
вторичный широкополосный канал (ВШК) с полосой частот 312…552 кГц на основе 60 каналов ТЧ;
третичный широкополосный канал (ТШК) с полосой частот 812…2044 кГц на основе 300 каналов ТЧ;
В зависимости от полосы частот первичных сигналов, которые нужно передать, выбирается тот или иной широкополосный канал.
В ЦСП не предусмотрено специальное оборудование для организации сетевых трактов. Групповой цифровой поток, сформированный на данной ступени иерархии, направляется либо на следующую ступень временного объединения потоков, либо на оборудование линейного тракта. Точки соединения оборудования двух смежных ступеней иерархии называют сетевыми стыками (СС). Параметры СС являются типовыми.
Аппаратура цифровых плезиохронных систем передачи (ЦСП PDH) – европейский стандарт, обеспечивает создание типовых цифровых каналов передачи со следующими градациями скоростей, Кбит/с: основной цифровой канал (ОЦК) – 64; субпервичный канал (СЦК) – 480; первичный тракт – 2048; вторичный тракт – 8448; третичный тракт – 34368; четверичный тракт – 139264. Кроме того, на базе данных цифровых каналов и трактов должны образовываться следующие типовые аналоговые каналы и тракты: канал ТЧ (на базе ОЦК); канал звукового вещания (на базе СЦК); вторичный групповой тракт (на базе трех первичных цифровых групповых трактов – ЦГТ) и, наконец, канал ТВ со звуковым сопровождением (на базе трех третичных ЦГТ).
В сетевых стыках должна осуществляться передача не только информационных (ИС), но и тактовых (ТС) сигналов, обеспечивающих тактовую синхронизацию регенераторов и приемного генераторного оборудования оконечных станций. Имеющиеся в составе цифровых потоков служебные символы (цикловой и сверхцикловой синхронизации) обеспечивают доступ к составляющим цифровых потоков низших ступеней иерархии. Исключение составляет ОЦК, в котором таких символов нет. По этой причине в него вводят октетный сигнал (ОС), позволяющий разделять восьмиразрядные кодовые группы. Таким образом, в СС ОЦК осуществляется обмен не только ИС и ТС, но и ОС.
В американской системе PDH предусмотрены следующие градации скоростей (уровней иерархии), Кбит/с: основной цифровой канал (ОЦК) -64; первый уровень – 1544; второй уровень – 6312; третий уровень – 44736.
Чтобы создать единую цифровую сеть и удовлетворить как американским требованиям, так и европейским, предусматривающим передачу сигнала на скорости 139,268 Мбит/с, был определен основной иерархический уровень новой структуры синхронного мультиплексирования, равный 155, 520 Мбит/с, что является результатом умножения в три раза скорости 51,84 Мбит/с (51,84х3=155,520).
Все уровни мультиплексирования в синхронных цифровых системах (SDH) являются положительными целыми кратными числами этого базового сигнала SNM-1 (синхронный базовый модуль-1) .
Таким образом, была выработана единая всемирная концепция, касающаяся передачи сигналов данных со скоростью 155 Мбит/с. Это означает, что все предыдущие PDH сигналы должны быть включены в базовый сигнал SDH при помощи процедуры, называемой «Mapping» (размещение).
Синхронное мультиплексирование, стандартизированное Рекомендациями комитета по стандартизации ITU-T, определяет четыре иерархических синхронных уровня (таблица 3.1.1):
Таблица 3.1.1 – Синхронная цифровая иерархия
| Уровни иерархии | Скорость цифрового потока |
| STM-1 | 155, 520 Мбит/с |
| STM-4 | 4х155,520 = 622,080 Мбит/с |
| STM-16 | 16х155,520 = 2 488,320 Мбит/с |
| STM-64 | 64х155,520 = 9 953,280 Мбит/с |
3.2 Основные параметры и характеристики каналов.
Канал ТЧ является основным на первичной сети. Он служит единицей при определении ёмкости СП и предназначен для передачи телефонных, телеграфных, факсимильных сигналов и сигналов передачи данных между станциями и узлами первичной сети связи. Каналы ТЧ образуются с помощью как СП с ЧРК, так и ЦСП с ИКМ. В соответствии со специфическими особенностями этих систем некоторые параметры образуемых ими каналов ТЧ также различны. Упрощенная схема организации канала ТЧ приведена на рисунке 3.2.1.

Рисунок 3.2.1 – Упрощённая схема организации канала ТЧ.
Телефонный канал включает в себя двухпроводное окончание и четырехпроводный тракт. Дифсистема (ДС) служит для перехода с четырехпроводного тракта к двухпроводному окончанию. Удлинители в двухпроводном окончании имеют затухание 3.5 дБ и называются транзитными. Характеристики канала ТЧ нормируются рекомендациями МСЭ-Т серии М.
Нормированные (номинальные) измерительные уровни в стандартных точках канала ТЧ составляют: на входе канала 0 дБм, на выходе транзитного удлинителя минус 3.5 дБм, на входе четырехпроводного тракта минус 13 дБм, на выходе четырехпроводного тракта 4.3 дБм, на входе транзитного удлинителя минус 3.5 дБм и на выходе канала минус 7 дБм на частоте 800 Гц (1020 Гц для каналов, образованных ЦСП).
Эффективно передаваемая полоса частот канала 0.3…3.4 кГц. Средняя длительная мощность сигналов, передаваемых по каналу ТЧ, должна быть не более 32 мкВт, а максимальная, определённая с вероятностью превышения 10 -3, –1250 мкВт0. номинальное значение остаточного затухания канала Аост = 7 дБ при двухпроводном и Аост = –17 дБ при четырёхпроводном окончаниях.
Входное ZВХ и выходное ZВЫХ сопротивления канала ТЧ равны 600 Ом. Отклонение входного и выходного сопротивлений от номинального ZН оценивается коэффициентом отражения, равным
,
или затуханием несогласованности (отражения)
,
где ZР – реальное значение сопротивления. Значение
не должно превышать 10%.
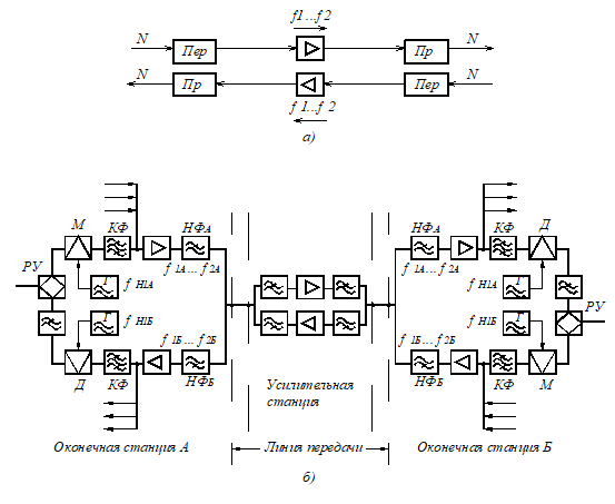
Многоканальные системы передачи с частотным и временным разделением каналов – это сложный комплекс технических средств, включающий в себя оконечную аппаратуру, устанавливаемую на оконечных пунктах (ОП), промежуточную аппаратуру, размещаемую в обслуживаемых (ОУП) или необслуживаемых (НУП) усилительных пунктах, а также линий связи (рисунок 3.2.2).

Рисунок 3.2.2 – Структурная схема построения систем передачи
В отличие от аналоговых систем во временных (цифровых) системах на обслуживаемых и необслуживаемых пунктах устанавливается аппаратура для восстановления (регенерации) импульсных сигналов линейного тракта. Отсюда обслуживаемые и необслуживаемые пункты в этих системах принято называть регенерационными (ОРП, НРП).
Поясним, для чего нужны усилительные и регенерационные пункты. Дальность передачи сигналов по физическим цепям (средам) определяется, прежде всего, затуханием (ослаблением) сигнала из-за того, что в цепи теряется часть энергии передаваемого сигнала. Конкретные электрические параметры цепи и чувствительность приемного устройства определяют допустимую дальность связи. Например, при передаче речи мощность сигнала на выходе микрофона телефонного аппарата PПЕР = 1 мВт, а чувствительность телефона приемного аппарата PПР = 0.001 мВт. Таким образом, максимально допустимое затухание цепи не должно быть больше amax=10lg(PПЕР/PПР=10lg(1/0.001)=30 дБ. Зная затухание amax и километрический коэффициент затухания a, можно определить дальности передачи l=amax/a .
В системах передачи применяется способ компенсации затухания сигналов повышением мощности сигнала в нескольких равномерно расположенных точках тракта. Часть канала связи между соседними промежуточными усилителями называется усилительным участком. Изменение уровней сигнала вдоль магистрали описывается диаграммой уровней, приведенной на рисунке 3.2.3.

Рисунок 3.2.3 – Диаграмма уровней
где РПЕР, РПР – уровни сигнала на передаче и приеме, РПОМ – уровень помехи
Аппаратура ОУП и НУП служит не только для усиления аналогового сигнала, но и для коррекции (выравнивания) амплитудно-частотных и фазочастотных характеристик линейного тракта. Аппаратура НРП и ОРП предназначена для восстановления амплитуды, длительности и временного интервала между импульсами сигнала цифровых систем.
Остаточное затухание канала – рабочее затухание (усиление) канала, определяемое в условиях замыкания входа и выхода канала на активные сопротивления нагрузок, равные номинальным значениям входного и выходного сопротивлений канала как четырёхполюсника. При согласовании всех элементов, образующих канал передачи, по входным сопротивлениям остаточное затухание можно определить как разность суммы затуханий и суммы усилений в канале:
. Остаточное затухание канала ТЧ составляет 7 дБ. Максимальное отклонение во времени на одном транзитном участке не должно превышать 2.2 дБ с вероятностью 0.95.
Эффективно передаваемая полоса частот канала ТЧ – полоса, на крайних частотах которой (0.3 и 3.4 кГц) остаточное затухание на 8.7 дБ превышает остаточное затухание на частоте 800 Гц. Частотная характеристика отклонения канала ТЧ от номинала 7 дБ должна оставаться в пределах шаблона (рисунок 3.2.4) при максимальном числе транзитов, т.е. при 12 переприемных участках.

Рисунок 3.2.4 – Шаблон отклонения остаточного затухания аналогового канала ТЧ
Фазочастотные искажения не являются столь существенным при передаче речи. Но так как каналы ТЧ используются также для передачи данных и факсимильной связи, большие фазочастотные искажения недопустимы. Поэтому нормируется отклонение группового времени передачи (ГВП) от его значении на частоте 1900 Гц на одном транзитном участке длиной 2500 км (рисунок 3.2.5).

Рисунок 3.2.5 – Допустимые отклонения ГВП канала ТЧ
Коэффициент нелинейных искажений канала ТЧ на одном транзитном участке не должен превышать 1.5% (1% по третьей гармонике) при номинальном уровне передачи тока частотой 800 Гц. Амплитудная характеристика при этом нормируется следующим образом: остаточное затухание канала на одном транзитном участке должно оставаться постоянным с точностью 0.3 дБ при изменении уровня измерительного сигнала от минус 17.5 дБ до плюс 3.5 дБ в точке с нулевым измерительным уровнем на любой частоте пределах 0.3… 3.4 кГц. При повышении уровня измерительного сигнала до 8.7 и 20 дБ остаточное затухание должно уменьшиться не менее чем на 1.75 и 7.8 дБ соответственно.
Помехи в каналах ТЧ. На выходе канала ТЧ кроме информационного сигнала присутствуют помехи, которые определяются на приемном конце в точке с относительным уровнем –7 дБ. Средняя величина псофометрического (взвешенного) напряжения помех в канале в течение любого часа на одном переприемном участке длиной 2500 км не должна превышать 1.1 мВ псоф. (10000 пВт псоф. В точке относительного нулевого уровня).
Стандартные каналы ТЧ, организованные с помощью цифровых и оптических систем передачи, являются более высококачественными. Поэтому ряд характеристик цифровых каналов ТЧ имеют следующие отличия:
Нормы на амплитудно-частотные искажения заданы МСЭ-Т в виде шаблона (рисунок 3.2.6). Если сравнить допустимые отклонения остаточных затуханий цифровых и аналоговых каналов ТЧ, можно отметить, что нормы для цифровых каналов более жесткие. То же можно сказать и о фазочастотных искажениях (рисунок 3.2.7).

Рисунок 3.2.6 – Шаблон отклонений остаточного затухания цифрового канала ТЧ

Рисунок 3.2.7 – Шаблон на допустимую неравномерность ГВП цифрового канала ТЧ
Для цифровых каналов ТЧ вводится дополнительная характеристика, которая оценивает шумы квантования. Эта характеристика задается в виде зависимости отношения сигнал-шум (ОСШ) от уровня сигнала (рисунок 3.2.8).

Рисунок 3.2.8 – Зависимость отношения сигнал/шум квантования от уровня сигнала
Широкополосные каналы. Современные системы передачи позволяют организовать каналы с более высокой, чем канал ТЧ пропускной способностью. Увеличение пропускной способности достигается расширением эффективно передаваемой полосы частот (ЭППЧ), причем широкополосные каналы образуются объединением определённого количества каналов ТЧ.
Рабочие полосы частот сетевых трактов и каналов приведены в таблице 3.2.1. Полосы частот широкополосных каналов несколько уже за счёт полосовых фильтров КФО: внутри рабочих полос имеются области «всплесков» затухания и фазы из-за содержания в КОТ и КФО заграждающих фильтров на частотах контрольных сигналов.
Таблица 3.2.1 – Рабочие полосы частот сетевых трактов и каналов
| Вид канала или тракта | Тракт | Канал |
| Предгрупповой | 12,3…23,4 | |
| Первичный | 60,6…107,7 | 65…103 |
| Вторичный | 312,3…551,4 | 330…530 |
| Третичный | 812,6…2943,7 | 900…1900 |
3.3 Организация двусторонних каналов
К большинству систем связи предъявляется требование обеспечения одновременной и независимой передачи сигналов в двух направлениях – требование двусторонней связи. Для организации двусторонней связи используются два канала однонаправленного действия, образующих двунаправленный четырехпроводный канал (рисунок 3.3.1). Проходящие через однонаправленный канал сигналы усиливаются (SА-Б и SБ-А).

Рисунок 3.3.1 – Канал двустороннего действия
Двунаправленный двухпроводный канал образуется из четырехпроводного при помощи развязывающих устройств (РУ). Зажимы 1-1 РУ называют линейными. Прохождение сигналов от линейных зажимов РУ станции А к линейным зажимам РУ станции Б, а также в противоположном направлении показаны на рисунке 3.3.1 с помощью сплошной и штриховой линий.
Затухание сигналов между линейными зажимами станций А и Б называется остаточным затуханием двухпроводного канала аОСТ = а1-2 – SА-Б(Б-А) + a4-1. Желательно, чтобы а1-2 и a4-1 были минимальны.
Основная трудность при организации перехода от четырех- к двухпроводному каналу с помощью РУ состоит в появлении петли обратной связи (ОС). Сигнал, попадая в двухпроводный канал, начинает циркулировать по петле ОС, что приводит к искажениям формы сигналов и в пределе – к самовозбуждению канала.
Затухание, которое претерпевает сигнал, проходя от зажимов 4-4 к зажимам 2-2 РУ, называется переходным aПЕР.
Затухание по петле ОС, равное сумме всех затуханий и усилений, aОС = aПЕР1 + aПЕР2 – SА-Б – SБ-А носит специальное название – запас устойчивости. Если aОС ≤ 0, то канал неустойчив и самовозбуждается.
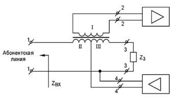
В качестве РУ в современных системах передачи широко используется дифференциальная система (ДС), выполненная на основе симметричного трансформатора со средней точкой (рисунок 3.3.2) (полуобмотки II и III идентичны). В состав ДС входит сопротивление Z3, называемое балансным. Оно приближенно отражает свойства входного сопротивления абонентской линии.

Рисунок 3.3.2 – Схема трансформаторной ДС
К ДС предъявляются требования минимального затухания в рабочих направлениях и максимального переходного затухания. Данные требования выполняются при соблюдении так называемого условия баланса ДС. Условием баланса ДС в направлении 4-4 – 2-2 является равенство входного сопротивления абонентской линии и балансного сопротивления ZВХ=Z3. Условием баланса ДС в направлении 1-1 – 3-3 является равенство входного сопротивления первой полуобмотки дифференциального трансформатора и входного сопротивления направления приема четырехпроводного канала ZВХ.ТР.=Z4.
В случае сбалансированной ДС мощность входных сигналов, подводимых к зажимам 1-1 и зажимам 4-4, передается на соответствующие выходные зажимы 2-2 и 1-1 не полностью, а лишь частично, и входные сигналы испытывают так называемые рабочие затухания ДС а4-1 = а1-2 = 10lg2 = 3дБ. В реальных ДС за счет неидеальности трансформатора рабочие затухания несколько больше.
Переходное затухание а42 реальной ДС также является конечной величиной. Оно зависит, в основном, от точности равенства входного сопротивления абонентской линии и балансного сопротивления. Точно выполнить это равенство на практике не представляется возможным, поскольку к одной и той же ДС могут подключаться абонентские линии с существенно различающимися характеристиками при неизменной величине балансного сопротивления. Величина переходного затухания а42 трансформаторных ДС может быть определена по формуле:
,
где
– балансное затухание трансформаторной ДС.
3.4 Схемы организации двусторонних трактов
Различают две основные схемы:
Однополосная четырехпроводная (рисунок 3.4.1, а). Линейные тракты имеют совпадающие спектры. При использовании симметричных кабелей во избежание значительных взаимных влияний линейные тракты размещаются в различных кабелях. Такая схема называется двухкабельной. При использовании коаксиального кабеля взаимные влияния практически отсутствуют, поэтому коаксиальные пары могут размещаться в одном кабеле. Такая схема называется однокабельной.
Двухполосная двухпроводная (рисунок 3.4.1, б). Используется один и тот же линейный тракт. При этом связь в противоположных направлениях передачи организуется в разных полосах частот при помощи пары направляющих фильтров ФВЧ и ФНЧ (рисунок 3.4.2).

Рисунок 3.4.1 – Однополосный четырехпроводный (а) и двухпоплосный двухпроводный (б) линейные тракты

Рисунок 3.4.2 – Разделение спектров направлений передачи в двухполосных системах.
3.5 Коммутация каналов, сообщений и пакетов
Известны три способа коммутации: коммутация каналов, коммутация сообщений, коммутация пакетов.
На телефонных сетях наиболее распространенным способом коммутации является коммутация каналов (линий). Он характеризуется тем, что по переданному адресу представляется тракт между передатчиком и приемником на все время передачи информации в реальном масштабе времени. Недостатком этого способа является неэффективное использование тракта, так как информация (речевое сообщение) прерывается длительными паузами. В таких системах коммутации качество обслуживания вызовов оценивается вероятностью отказов в установлении соединения из-за занятости каналов (линий) и приборов коммутации (системы с потерями) или временем ожидания обслуживания вызова (в системах с ожиданием). Перечисленные показатели нормируются.
Способ коммутации сообщений характеризуется тем, что тракт между приемником и передатчиком заранее не устанавливается, а канал в нужном направлении предоставляется (по адресу, приписываемому в начале сообщения), только на время передачи сообщения, а в паузах этот канал используется для передачи других сообщений. Системы коммутации сообщений являются системами с ожиданием. Качество обслуживания вызовов оценивается по среднему времени задержки сообщения. Способ коммутации сообщений используется, когда не требуется работа в реальном масштабе времени. По сравнению с коммутацией каналов коммутация сообщений имеет следующие преимущества: повышается использование каналов; возможно использование разных типов каналов на разных участках; регистрируются и хранятся проходящие через узел сообщения.
При коммутации пакетов сообщение разбивается на части одинакового объема, называемые пакетами. Каждому пакету присваивается номер пакета и адрес получателя. Передача пакетов одного сообщения происходит аналогично передаче в системе с коммутацией сообщений и может осуществляться по одному или разным путям. В оконечном пункте пакеты собираются и выдаются адресату.
Каждый из способов коммутации имеет свои преимущества и недостатки и может быть эффективно использован в определенных условиях и для определенных видов информации.
3.6 Элементы теории телетрафика
Теория телетрафика – раздел теории массового обслуживания. Основы теории телетрафика заложил датский учёный А.К. Эрланг. Термин «трафик» соответствует термину «телефонная нагрузка». Последовательность сообщений (занятий) создает нагрузку на системы передачи и коммутации. Она определяется потоком вызовов и длительностью занятий канала.
Вызов – требование источника на установление соединения или передачу сообщения.
Поток вызовов – последовательность моментов поступления вызовов.
Длительность занятия – среднее время, в течение которого занят обслуживающий прибор при одном занятии.
В общем случае потоки вызовов являются случайными процессами. Точное математическое описание потоков невозможно, поэтому используются их модели.
Наиболее распространена модель в виде простейшего потока вызовов – это стационарный ординарный поток без последействия.
В большинстве случаев поток вызовов в ЧНН от группы источников численностью > 100 удовлетворительно описывается простейшим потоком.
В том случае, если число источников меньше 100, используют модель примитивного потока.
Примитивный поток – ординарный поток, параметр которого прямо пропорционален числу свободных источников.
Телефонная нагрузка – общая длительность занятия обслуживающих приборов в течение некоторого промежутка времени.
Единица измерения нагрузки 1 часо-занятие.
Интенсивность телефонной нагрузки – величина нагрузки в единицу времени, измеряется в Эрлангах
1 Эрл = 1 часо-занятие / час
Интенсивность телефонной нагрузки имеет сильные колебания, в том числе и в течение дня.
Час наибольшей нагрузки [ЧНН] – период суток, в течение которого нвгрузка имеет наибольшее значение
Потери – часть поступающей нагрузки, которая не обслуживается из-за занятости обслуживающих приборов.
Различают виды коммутационных систем: коммутационные системы без потерь; коммутационные системы с потерями; коммутационные системы с ожиданием.
Дисциплиной обслуживания без потерь называется такая, при которой поступающий вызов немедленно обслуживается, и с потерями, если поступающий вызов либо получает отказ в обслуживании, либо обслуживание его задерживается на некоторое время.
По экономическим соображениям реальные коммутационные системы обычно проектируются с потерями. Различают следующие виды потерь: явные, условные и комбинированные.
Дисциплиной обслуживания с явными потерями называется такая, при которой поступающий на коммутационную систему вызов, получая отказ в обслуживании, покидает систему и в дальнейшем не оказывает на систему никакого влияния. При такой дисциплине обслуживания абонент, получив сигнал «занято», отказывается от дальнейших попыток установить соединение.
Дисциплиной обслуживания с условными потерями называется такая, при которой поступающий на коммутационную систему в момент отсутствия соединительных путей вызов не теряется, а обслуживается с ожиданием (дисциплина обслуживания с ожиданием). Если вызов обслуживается после многократных повторений попыток установить соединение, то имеет место дисциплина обслуживания с повторением.
Структура коммутационной системы характеризуется большим числом параметров: числом звеньев, числом, емкостью и способами связи коммутаторов и так далее. Наиболее удобной функцией распределения длительности обслуживания с точки зрения аналитического описания и анализа пропускной способности коммутационных систем является показательное распределение, так как оно не обладает последействием.
,
где β =1/М(t) – параметр длительности обслуживания;
М(t) – математическое ожидание длительности обслуживания.
Одной из важнейших характеристик коммутационных систем является их эффективность. В качестве показателей эффективности наряду с экономическими (капитальными затратами, эксплуатационными расходами) широко используется и такой технический показатель, как пропускная способность.
Под пропускной способностью коммутационной системы понимается интенсивность обслуженной коммутационной системой нагрузки при заданном качестве обслуживания. Пропускная способность коммутационной системы зависит от величины потерь, емкости пучков линий, включенных в выходы коммутационной системы, от способа (схемы) объединения этих выходов, класса потока вызовов, структуры коммутационной системы. Распределения длительности обслуживания и дисциплины обслуживания.
Для количественной оценки качества обслуживания с явными потерями рассчитываются следующие величины: потери по вызовам – рв; потери по времени - рt.; потери по нагрузке - рн
Потери по вызовам на отрезке времени [t1, t2) – это отношение числа потерянных за этот отрезок времени вызовов к числу поступивших за то же время вызовов.
Потери по нагрузке на отрезке времени [t1, t2) – это отношение потерянной за этот отрезок времени нагрузки к поступающей за то же время нагрузке.
Потери по времени за отрезок времени [t1, t2) – это доля времени, в течение которого все соединительные пути, доступные группе источников, заняты.
Если в выражения для потерь по вызовам, нагрузке и времени подставить математические ожидания соответствующих случайных величин, то можно говорить о вероятности потерь по вызовам, нагрузке и времени. Тогда формула для расчета рв будет иметь вид:
, (3.6.1)
где λ – интенсивность потока вызовов; υ – количество каналов;
Формула 3.6.1 называется распределением Эрланга. Она показывает, что вероятность рi зависит только от числа занятых линий i, емкости пучка υ и величины параметра потока вызовов λ. По этим соображениям вероятность рi принято обозначать Еi,υ(λ), а вероятность рυ – через Еυ,υ(λ) или Еυ(λ).
Рв = рt = рυ = Еυ(λ).
При выводе формулы средняя длительность занятия принята равной единице; отсюда и параметр длительности занятий при показательном законе распределения β = 1. В общем случае при измерении длительности занятий в любых единицах времени (β
1) распределение Эрланга имеет следующий вид:
, (3.6.2)
В частности, вероятность того, что в полнодоступном пучке заняты все υ линий (i = υ), равна
, (3.6.3)
где y – интенсивность поступающей нагрузки
y = μ
= μ/β = λ/β;
μ – интенсивность потока вызовов;
– средняя длительность занятия.
Для простейшего потока, который является ординарным и стационарным, μ = λ. Тогда распределение Эрланга имеет вид:
, (3.6.4)
При
распределение Эрланга преобразуется в распределение Пуассона:
, (3.6.5)
Для количественной оценки качество обслуживания с ожиданием рассчитываются характеристики: вероятность ожидания обслуживания для поступившего вызова – p(γ>0); вероятность ожидания для любого поступившего вызова свыше времени t, равна p(γ>t); среднее время ожидания по отношению ко всем поступившим вызовам –
и по отношению только к задержанным вызовам –
; вероятность того, что длина очереди превышает заданную величину r, p(R>r); средняя длина очереди –
. Основными характеристиками являются p(γ>0) и p(γ>t).
Для систем с ожиданием вероятность ожидания для поступившего вызова P(γ>0) – это отношение математических ожиданий числа задержанных в обслуживании за отрезок времени [t1,t2) вызовов к числу поступивших за рассматриваемый промежуток времени вызовов находится из выражения:
, (3.6.6)
Выражение (3.6.6) называется второй формулой Эрланга. Формула табулирована. Таблицы позволяют по любым двум из трех параметров y, υ, pt – определить третий.
Выражение (3.6.6) показывает, что потери по времени pt, численно равные условным потерям p(γ>0), могут быть определены и с помощью таблиц первой формулы Эрланга. Используя эти таблицы, pt можем определить из следующего соотношения:
, (3.6.7)
Потери измеряются в процентах или в промилле [0.1%].
Нормативы:
На ГТС между двумя ТА на одной ГТС р ≤ 0.03; на ЗТС между двумя ТА разных местных сетей одной зоны р ≤ 0.03 – 0,13; на МТС между двумя ТА разных зон семизначной нумерации р ≤ 0.1.
Если потери меньше 10 %, то абоненты на них не реагируют.
Основная задача инженерных расчетов – установление оптимального количества обслуживающих приборов при заданной интенсивности нагрузки и качестве обслуживания:
V = f [Y,р].
3.7 Принципы построения систем коммутации
Точка коммутации – группа коммутационных элементов, осуществляющих коммутацию одновременно при подаче одного управляющего сигнала.
Звено коммутации – группа коммутаторов, обеспечивающих одну и ту же функцию в коммутационной станции
Коммутационный блок – часть ступени искания, представляющая собой совокупность точек коммутации, обслуживающих определенную группу входов
Ступень искания – часть коммутационной станции, реализующая один вид искания
Коммутационное поле (КП) – совокупность коммутационных приборов всех ступеней искания станции
Коммутационная станция – совокупность технических средств, обеспечивающая коммутацию абонентских и соединительных линий и каналов при осуществлении оконечных и транзитных соединений во вторичной сети связи.
Пространственная коммутация. В пространственных КП коммутируемые цепи разделены в пространстве. Простейшим коммутационным устройством КП является коммутатор (рисунок 3.7.1) – это коммутационная схема с n входами и m выходами.

Рисунок 3.7.1 – Схема коммутатора n×m и его символическое изображение.
В точке пересечения входа с выходом может быть установлен коммутационный элемент (КЭ) – металлический контакт или полупроводниковый переключатель. Если в квадратном коммутаторе n×n на пересечении всех входов с выходами установлены КЭ, то в нём всегда можно установить соединение заданного входа с любым свободным выходом. Коммутатор с таким свойством является неблокирующим, то есть все его выходы доступны любому входу и даже при занятости n – 1 выходов последний свободный выход доступен входу. Если n > m, то в коммутаторе возникают блокировки.
Если к входам и выходам одного квадратного коммутатора N×N подключить абонентские линии одной АТС, то количество необходимых КЭ Q = N2 – N = N(N – 1), так как КЭ по диагонали слева направо не нужны. Стоимость такого КП будет велика. Использование многозвенных структур, в которых коммутаторы соединены каскадно, позволяет построить КП с существенно меньшим количеством КЭ при заданном количестве абонентов станции и с приемлемыми потерями. Схема такого КП показана на рисунке 3.7.2.

Рисунок 3.7.2 – Трёхступенчатая (трёхзвенная) коммутационная схема.
Каждая ступень коммутации связана с совокупностью соединительных путей (звеньев). Общее число КЭ в этой схеме существенно меньше, чем в схеме квадратного коммутатора с N-входами и N-выходами:
Q = 2nm (N/n) + m (N/n)2 = 2Nm + m (N/n)2
Коммутационные поля современных ЦСК относятся к КП блокирующего типа, однако в них число звеньев и параметры коммутаторов выбирают такими, чтобы вероятность блокировки была очень мала (не больше 0,1%).
Трёхзвенная схема может быть и не блокирующей, если будет выполнено условие: m = 2n – 1. Использование неблокирующих схем в ЦСК большого объёма неэффективно, так как требует значительно большего количества КЭ, чем в блокирующих, при прочих равных условиях.
|
а) |
б) |
Рисунок 3.7.3 – а) Формат цикла ЦСП с ИКМ и схематичное изображение временного разделения каналов, б) Схема пространственного эквивалента временной коммутации.
Вам также может быть полезна лекция "Николо Макиавелли".
Временная коммутация. Временное разделение может реализоваться, например с помощью импульсно-кодовой модуляции. В ТФ-ОП России, как и в сетях Европы, используются тридцатиканальные ЦСП с ИКМ. В групповом тракте одного направления передачи (например, в двухпроводной кабельной физической линии) такой ЦСП организуется 30 разделённых во времени каналов (ВК) для передачи речевой информации или данных и двух специальных канала. Такое разделение 30 каналов, предоставляемых пользователям, показано на рисунке 3.7.3, а. Коммутационные поля цифровых станций и узлов строятся с использованием пространственно-временной коммутации. Пусть для каждого ВК существует ячейка памяти, где код данных хранится в течение цикла. На рисунке 3.7.3, б ячейки, закреплённые за одной линией ИКМ, показаны вертикальными линиями. Также имеются промежуточные линии (горизонтальные), по которым содержимое любой ячейки может быть прочитано в любом нужном временном положении. Процесс такого считывания и называется временной коммутацией.
Пример КП с пространственно-временной коммутацией показан на рисунке 3.7.4. В ней на первой ступени и третьей ступенях используется временная, а на второй – пространственная коммутация.

Рисунок 3.7.4 – Схема трёхзвенного КП типа В – П – В.
Тип коммутации, приведённой на схеме, называют время – пространство – время (В – П – В). Как и на рисунке 3.7.2, здесь число входящих и исходящих каналов равно N. Эти каналы представлены в N/n входящих и исходящих линиях ИКМ. Работа такой коммутационной схемы аналогична работе трёхзвенной пространственной коммутационной (смотри рисунок 3.7.2). В пространственных коммутаторах второй ступени устанавливаются соединения временных каналов исходящих и входящих линий ИКМ.
Это значит, что КЭ, разделённые в пространстве и установленные на пресечении вертикали с горизонталью, должны открываться в выбранном свободном временном положении коммутации, которое выбирается управляющим устройством. Оно же обеспечивает считывание кода данных из требуемой ячейки (например, второй) информационной памяти входящей линии ИКМ (например, первой) в ячейку (например, n) информационной памяти некоторой исходящей линии ИКМ (например, N/n-й).























