Радиорелейные системы связи с врк и цифровыми методами передачи
2 Цифровые радиорелейные линии
В данном разделе рассмотрены варианты организации ЦРРЛ, принципы и виды манипуляции, ЦРРЛ синхронной цифровой иерархии (SDH) и плезиохронной цифровой иерархии (PDH) и т.д..
2.1 Радиорелейные системы связи с врк и цифровыми методами передачи.
Особенности применения цифровых методов передачи на РРЛ.
Возможны следующие способы построения цифровых радиорелейных линий:
1) передача информации в цифровой форме по телефонным или телевизионным стволам аналоговых РРЛ одновременно с аналоговым телевизионным или многоканальным телефонным сообщением;
2) организация передачи только цифрового потока в стволе аналоговой РРЛ;
3) организация цифровых радиорелейных систем, по которым передается только цифровая информация; по таким системам могут передаваться цифровые потоки от ЦСП любой ступени иерархии; в этом случае используются различные способы модуляции (АМ, ЧМ, ФМ), в том числе многопозиционные.
В настоящее время большинство магистральных РРЛ оснащено современным оборудованием синхронной цифровой иерархии.
Однако сегодня на сетях связи страны еще имеется большое количество РРЛ с ЧРК-ЧМ. Поэтому внедрение цифровых методов передачи информации путем создания цифровых линейных трактов на базе аналоговых РРЛ является целесообразным.
Такой подход обусловлен рядом причин: 1) незначительным объемом арендуемых цифровых каналов; 2) недостаточным пока объемом ввода в действие оборудования цифровой коммутации; 3) организацией передачи ТВ сигналов на сетях магистральной и внутризоновой связи только в аналоговом виде; 4) возможностью в кратчайшие строки при минимальных затратах образовывать на магистральных и внутризоновых линиях цифровые каналы стерео- и моновещания, передачи газетных полос, видео телефонной связи, видеоконференц связи и так далее, качественные показатели которых выше, чем у аналоговых, а также цифровые каналы и тракты магистральной и внутризоновых первичных сетей; 5) возможностью создания на внутризоновых линиях смешанных аналого-цифровых систем, в которых сигналы телефонии передаются в цифровом виде, а ТВ сигналы – в аналоговом с сохранением единой системы управления РРЛ.
Рекомендуемые материалы
Аналогично осуществляется организация цифровых трактов первичных, вторичных, а в будущем – и третичных ЦСП на магистральных и внутризоновых линиях ВСС на основе действующих аналоговых РРЛ путем установки только дополнительного оконечного цифрового оборудования. Тогда применение частотной модуляции сигнала ПЧ позволяет полностью сохранить системы управления аналоговых РРЛ.
При реализации первого варианта обобщенная структурная схема аналого-цифрового ствола имеет вид рисунок 2.1.1

Рисунок 2.1.1 – Обобщенная структурная схема аналого-цифрового ствола
Особенность организации цифровых линейных трактов в аналоговых РРЛ заключается в возможности оперативного образования цифровых каналов в случае необходимости быстрого удовлетворения потребности различных служб связи. Это обеспечивается использованием действующей РРЛ с готовой инфраструктурой.
При создании цифровых линейных трактов на базе существующих аналоговых РРЛ основное внимание уделяется максимальному использованию их оборудования, включая частотные модемы и систему управления, поскольку это позволяет передавать цифровые сигналы наиболее простыми средствами. Такому требованию отвечает серийно выпускаемая аппаратура ОЦФ-2У и ОЦФ-8. С помощью первой можно передавать цифровые сигналы со скоростью 2.048 Мбит/с в основной полосе частот одного радиорелейного ствола совместно с телевизионным сигналом (без звуковых поднесущих) или с сигналом многоканальной телефонии (до 1320 каналов ТЧ).
В потоке 2.048 Мбит/с могут быть организованны каналы цифрового вещания (до шести каналов высшего класса при использовании аппаратуры ИКМ-В6/12); 30 основных каналов (ОЦК); каналы передачи газетных полос, видеоконференцсвязи и так далее. В аппаратуре ОЦФ-2У передача цифровых сигналов организованна на поднесущей 7.5 или 7.3 МГц методом офсетной фазовой манипуляции (ФМ) при ширине полосы, занимаемой ФМ сигналом, около 1.6 МГц. Фазоманипулированный сигнал, передаваемый со скоростью 2.048 Мбит/с, располагается на свободном участке спектра основной полосы частот между аналоговым сигналом и пилот-сигналом системы резервирования оборудования аналоговых РРЛ. Аппаратура ОЦФ-2У стыкуется с каналообразующей аппаратурой первичной ЦСП и обеспечивает преобразование цифровых сигналов для передачи по аналоговым РРЛ, а также контроль входного и выходного сигналов и индикацию ошибок без перерыва связи.
На рисунке 2.1.2 приведено распределение спектра основной полосы частот аналого-цифрового радиорелейного ствола при использовании аппаратуры ОЦФ-2У для телефонного (а) и телевизионного (б) стволов (на этом рисунке: СС, ТО, СР – соответственно сигналы служебной связи, телеобслуживания, системы резервирования). ОЦФ-2У и ОЦФ-8 представляют собой оконечное цифровое оборудование и служат для организации цифрового радиорелейного тракта в стволе аналоговой РРЛ (рисунок 2.1.3); на этом рисунке: АООРС – аналоговое оконечное оборудование радиорелейного ствола, УС – устройство сложения, УР – устройство разделения.

Рисунок 2.1.2 – Распределение спектров для телефонного (а) и телевизионного (б) стволов

Рисунок 2.1.3 – Обобщенная схема подключения оконечного цифрового оборудования к аналоговой РРЛ (а) – передача, (б) – прием
Устройствами сложения (разделения) для аппаратуры ОЦФ-2У служат неравноплечие согласованные тройники, а для аппаратуры ОЦФ-8 – вилки фильтров ДК-55.
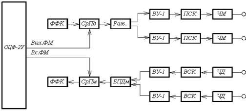
Схема подключения ОЦФ-2У к аппаратуре «Восход» приведена на рисунке 2.1.4. На этом рисунке: Вх. ФМ и Вых. ФМ – входной и выходной сигналы фазоманипулированной цифровой поднесущей; ФФК – фильтр цифровых поднесущих; СрПд и СрПм – соответственно блоки сложения и разделения аналоговых и цифровых сигналов; Разв. – разветвитель; ВУ – видеоусилитель; БП Дм – блок переключения демодуляторов; ПСК и ВСК – соответственно контура предыскажения и восстановления.

Рисунок 2.1.4 – Схема подключения ОЦФ-2У к аппаратуре «Восход»
Структурная схема подключения ОЦФ-8 к радиорелейной аппаратуре (на примере стойки СО аппаратуры «Курс») показана на рисунке 2.1.5. На этом рисунке КСКП – блок коррекции кабельной линии, Разв. – разветвители, Атт – аттенюаторы, ДК-55 – вилка фильтров сложения (разделения) служебных сигналов и телефонии, КмМд и КмДм – соответственно коммутаторы модулятора и демодулятора.

Рисунок 2.1.5 – Схема подключения ОЦФ-8 к телефонному стволу аппаратуры «Курс»
При организации передачи по второму способу на РРЛ подается линейный цифровой сигнал (ЛЦС) получаемый от цифровой системы передачи (ЦСП).
Этот цифровой сигнал после некоторых преобразований модулирует СВЧ несущую. Модуляция несущей дискретным сигналом называется манипуляцией (подробнее смотри раздел 2.2). Если в ЦСП применена ИКМ, а в РРЛ – амплитудная модуляция (АМ), то говорят о передаче ИКМ-АМ сигнала по РРЛ.
При этом может быть использована аппаратура «Курс-4», «Курс-6», «Рассвет-2» и другие. Так как для них разработаны специальные устройства, позволяющие на существующих РРЛ организовать цифровые стволы совместно аналоговыми. Передача цифровых (ЦФ) сигналов осуществляется методом ИКМ-ЧМ. Системы «Курс» могут работать в диапазонах 2,4,6 и 8 ГГц.
Перспективным направлением является применение многопозиционных методов манипуляции, позволяющих повысить пропускную способность ЦФ ствола без расширения полосы частот приемно-передающей радиорелейной аппаратуры. Такие методы частот используются для передачи бинарных (относительных бинарных) ЛЦС, при этом число позиций (уровней) манипуляции М = 2n. В общем виде цифровые сигналы с многопозиционной ЧМ обозначаются ИКМ-МЧМ, с многопозиционной ФМ – ИКМ-МФМ и тому подобное, либо вместо М указывается его числовое значение, например, ИКМ-4ФМ.
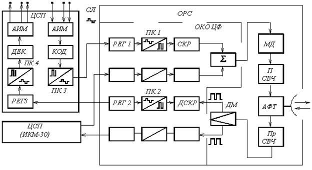
На рисунке 2.1.6. показана функциональная схема ЦФ ствола РРЛ на примере ОРС при М = 4. На ОРС поступают ЛЦС по соединительной линии СЛ от ЦСП, например, от ИКМ-30 (при М = 4, n =2, то есть нужны две ЦСП). Передаются ЛЦС обычно в квазитроичном коде. Схема ОРС содержит оконечное оборудование ЦФ ствола ОКОЦФ, приемно-передающее радиорелейное оборудование (модулятор МД, передатчик СВЧ колебаний ПСВЧ, приемник СВЧ колебаний ПрСВЧ, демодулятор Д), антенно-фидерный тракт АФТ и антенну.

Рисунок 2.1.6 – Функциональная схема ЦФ ствола РРЛ на примере ОРС при М = 4
В составе передающей части ЦСП показаны АИМ-тракт, на выходе которого образуется многоканальный сигнал с АИМ; кодер, на выходе которого получаем двоичный цифровой сигнал (ЦС); преобразователь кода (ПК3), на выходе которого получаем линейный цифровой сигнал (ЛЦС).
Выбор кода ЛЦС определяется особенностями передачи его по соединительным линиям, в качестве которых используются симметричные или коаксиальные кабели. Важным параметром ЛЦС является его спектр. Спектральная плотность однополярного двоичного цифрового сигнала в общем случае состоит из постоянной составляющей, непрерывной части и дескретных компонент на частотах fk = k∙fт, где fт – тактовая частота, k = 1,2,3…. По кабельным соединительным линиям постоянная составляющая ЛЦС не передается. Возникают искажения ЛЦС из-за ограничения полосы в линейном тракте как со стороны нижних частот (из-за наличия переходных конденсаторов и согласующих трансформаторов), так и со стороны верхних частот (с ростом частоты увеличивается затухание кабеля). Поэтому целесообразно выбрать такой ЛЦС, который не содержит постоянной составляющей и имеет максимум спектральной плотности энергии в области средних частот. Этим требованиям отвечает спектр квазитроичного ЛЦС. Заметим, что при любом варианте квазитроичного кода ЛЦС представляет собой трехсимвольную импульсную последовательность: -1, 0, +1. При чем «0» кодируется отсутствием импульса, «1» – поочередно импульсами положительной и отрицательной полярности.
Следовательно, преобразователь кода ПК3 служит для согласования спектра ЛЦС с частотной характеристикой соединительных линий. Он осуществляет формирование ЛЦС в квазитроичном коде из двоичного цифрового сигнала, а ПК4 выполняет обратное преобразование.
В составе приемной части ЦСП показаны регенератор РЕГ3, преобразователь кода (ПК4), декодер и АИМ-тракт. Устройства ПК4 и ПК3 служат для согласования спектра ЛЦС с частотной характеристикой СЛ.
Оконечное оборудование ЦФ ствола часто называют устройством сопряжения, так как оно служит для сопряжения ЦСП с передающим (приемным) радиорелейным оборудованием. Передающая часть ОКОЦФ содержит регенераторы РЕГ1, преобразователи кодов ПК1, скремблеры СКР и суммирующее устройство (∑), а в составе приемной части – дескремблеры (ДСКР), преобразователи кода ПК2 и регенераторы РЕГ2.
Регенераторы служат для восстановления формы, длительности и амплитуды каждого из символов ЛЦС. При этом РЕГ1 служат для исправления искажений, вызванных СЛ (такое же назначение имеет РЕГ3 в ЦСП), а РЕГ2 – для исправления искажений, возникающих при передаче сигнала по РРЛ. В ПК1 производится преобразование квазитроичного ЛЦС в бинарный (или относительный бинарный). Этот сигнал в отличие от ЛЦС будем называть двоичным (бинарным) ЦС или двухуровневым ЦС. Длительность импульса двоичного ЦС, соответствующего передаче одного символа, обычно равна тактовому интервалу Т. Обратное преобразование двоичного ЦС в ЛЦС происходит в ПК2. При передаче длинных серий символов 0 (или 1) подряд на тактовых интервалах, на выходе ПК1 могут появиться отрицательные (или положительные) импульсы большой длительности (К∙Т). Это наблюдается, например, при передаче измерительных сигналов, малой загрузке и в других случаях. В этом случае в двоичном ЦС появляются постоянная и НЧ составляющие и уменьшается плотность энергии на тактовой частоте. Если этот ЦС передать по РРЛ, то на приеме из него будет трудно выделить колебания тактовой частоты, необходимые для нормальной работы регенератора и других устройств. В результате могут наблюдаться срывы систем тактовой синхронизации по всей РРЛ.
Передача таких ЦС по ЦРРЛ нежелательна ещё и потому, что ухудшает условия электромагнитной совместимости. Действительно, при передаче импульсов длительностью К∙Т, энергия сигнала на выходе передатчика оказывается сосредоточенной в более узкой полосе, чем при передаче последовательности символов 0 и 1. Вследствие чего при работе нескольких РРС в общей полосе частот возрастают помехи другим станциям от этого передатчика. Поэтому двоичный ЦС до того, как поступит на модулятор, подвергается специальному преобразованию – скремблированию в СКР, в результате которого импульсы большой длительности К∙Т превращается в последовательность положительных и отрицательных импульсов длительностью от Т до R∙T, где R<K. В результате скремблирования увеличивается период повторения для последовательности символов двоичного ЦС.
В ОРС (рисунок 2.1.6) двоичные ЦС с выхода СКР поступают на ∑, где объединяются в один четырехуровневый сигнал (в общем случае многоуровневый ЦС). Сумматор представляет собой ПК, в котором каждому возможному сочетанию полярностей импульсов входных двоичных ЦС ставиться в соответствие определенный входной уровень в зависимости от принятого кода.
Многоуровневый ЦС используют для модуляции. На выходе ПСВЧ модулируемый параметр СВЧ сигнала может принимать одно из М дискретных значений. Например, при ИКМ-4ЧМ несущая частота СВЧ сигнала на каждом интервале длительностью Т принимает одно из следующих четырех значений: f1, f2, f3, f4. При ИКМ-4ФМ начальная фаза СВЧ сигнала на каждом интервале длительностью Т может принимать одно из таких значений: ±45º, ±135º (либо в других ЦРРЛ: 0º, 90º, 180º, 270º). Длительность импульсов на входе и выходе ∑ одинакова. Следовательно, приемно-передающая аппаратура ЦРРЛ при четырехпозиционной модуляции может иметь ту же полосу пропускания, что и при двухпозиционной (кроме систем с ЧМ), однако пропускная способность ствола увеличена вдвое.
Разделение на приеме многоуровневого сигнала на отдельные двоичные ЦС обычно происходит в демодуляторе. На ОКОЦФ поступает несколько ЦС (рисунок 2.1.6 – два ЦС). Дескремблеры выполняют преобразование ЦС, обратное скремблированию, то есть восстанавливают сигнал, идентичный входному сигналу скремблера (при условии, что прием без ошибок).
В рассмотренной схеме сначала отдельные двоичные ЦС объединяются в многоуровневый сигнал, которым затем осуществляется манипуляция. Наряду с этим существуют схемы, где сначала производится манипуляция двоичным ЦС нескольких несущих ПЧ или СВЧ, а затем эти манипулированные сигналы объединяются. Если же число передаваемых ЛЦС (n) велико, то могут использоваться обе ступени объединения (как бинарных ЦС, так и СВЧ сигналов), например в системе 16 КАМ. Если на ОРС поступает по одной СЛ высокоскоростной ЛЦС, например, В = 140 Мбит/с, спектр которого значительно шире, чем полоса ствола П = 30 МГц, то ∑ в схеме (рисунок 2.1.6) будет выполнять более сложные функции. Он должен разделить ЛЦС на несколько бинарных ЦС с меньшей скоростью и сформировать из них многоуровневые сигнал, один или несколько.
При использовании действующих аналоговых РРЛ для организации ЦРЛТ оказывается несколько сложным выполнить все требования МККР по показателям качества, особенно на магистральной сети. Главным образом, это касается параметра «секунды с ошибками». Дело в том, что переключение на резерв в действующих РРЛ с ЧРК-ЧМ осуществляется на ПЧ. Время переключения даже при предварительном подключении резервного ствола составляет около 2 мкс. Кроме того, в аналоговых системах нет проскальзывания и выравниванию времени пробега сигнала по рабочему и резервному должного внимания не уделялось. Поэтому при переключении на резерв в цифровом тракте, образованном в аналоговых РРЛ, возможно появление проскальзывания, если не принять меры по выравниванию времени пробега. Сегодня такая операция осуществляется с помощью кабеля, дополнительно устанавливаемого в тракте ПЧ, что не всегда бывает оптимальным. Наиболее целесообразно проводить выравнивание в цифровой форме, что требует установки модема в резервном стволе и модификации оконечного цифрового оборудования. Выравнивание трактов при пространственно-разнесенном приеме возможно только путем регулировки длин кабельных перемычек и волноводов.
Следует также отметить, что устойчивость (проценты SES И DM) ЦРЛТ (цифровых радиорелейных трактов), организованных на основе существующих аналоговых РРЛ, зависит от их качественных показателей. Данные предварительных испытаний подтверждают возможность обеспечения высоких показателей качества и готовности таких ЦРЛТ. Тем не менее, для них необходимо провести дополнительные долговременные исследования на различных РРЛ для проверки выполнения норм рекомендаций МСЭ. В то же время, при пакетной коммутации и возможности переспроса описываемые ЦРЛТ могут с высоки качеством удовлетворять требованиям различных абонентов. Однако на магистральных РРЛ во всех случаях обеспечивается норма на остаточный коэффициент ошибок.
Скорости передачи информации в РРЛ тесно связанны с видом используемой технологии. Технология PDH – наиболее «старая» и традиционная, она развивается уже более двадцати лет. Широко используются два стандарта – Североамериканский, со скоростью передачи первичного потока 1544 кбит/с, и стандарт Европейской конференции администрации почт и связи (СЕПТ) со скоростью передачи первичного потока 2048 кбит/с.
В России используется лишь стандарт СЕПТ, согласно которому вторичный поток образуется асинхронным объединением 4 потоков 2048 кбит/с (обозначаются Е1) и имеет скорость потока 8448 кбит/с (обозначается Е2). Третичный поток Е3 имеет скорость 34368 кбит/с и объединяет четыре асинхронных потока Е2. Самый мощный – четверичный поток Е4 имеет скорость 139264 кбит/с и объединяет 4 потока Е3.
В 80-е годы системы PDH широко распространялись по всему миру в связи с удешевлением цифровой микроэлектроники (и, следовательно, мультиплексоров), РРС и ВОЛС, которые позволили транспортировать потоки 140 Мбит/с, эквивалентные 1920 каналам 64 кбит/с. Появились тенденции еще большего увеличения емкости потоков.
Но в 90-х годах стала актуальна непосредственная передача данных, например со скоростью 64 кбит/с (с протоколом Х.25) – для обеспечения межбанковских операций. Оказалось, что к этому PDH не очень приспособлена.
Так при связи между телефонными узлами PDH позволяет достаточно эффективно передавать большие потоки телефонных сигналов между ними, и мультиплексирование (то есть «сборка» и «разборка» телефонных сигналов) производится лишь на оконечных пунктах. Когда требуется связать между собой несколько отделений банка, офисы и тому подобное потоками 64 кбит/с или 2 Мбит/с, вводя и выводя их в каждом пункте из группового потока 140 Мбит/с, каждому пользователю необходимо проводить трехуровневое демультиплексирование сигнала PDH (разложить Е4 на четыре потока Е3, затем нужный поток Е3 – на 4 потока Е2, затем один поток Е2 – на четыре потока Е1). После ответвления абонентского потока Е1 нужно снова произвести – в обратном порядке – полную сборку сигнала Е4. При наличии многих таких пользователей сеть становится экономически невыгодной.
Вторая проблема технологии PDH – явно недостаточные возможности в организации служебных каналов для контроля и управления потоком в сети, почти полное отсутствие средств маршрутизации потоков низшего уровня.
В последние годы, указанные недостатки PDH частично исправляются с помощью РРС.
Во-первых, в РРС производится трансформация скорости: в структуру входных потоков вводятся дополнительные биты, позволяющие полностью решать все задачи управления радиорелейной сетью, а также обеспечивать необходимое кодирование и другие функции, повышающие надежность связи.
Во-вторых, в РРЛ используется преимущественно однократное мультиплексирование: потоки Е3 получают непосредственно объединением 16 потоков Е1, минуя формирование Е2. Новое поколение РРЛ PDH непосредственно стыкуется с потребителями по стыкам Е1 (количество стыков Е1 может быть до 16).
Выпуск мультиплексоров потоков Е4 практически прекратился: подобные объемы информации стало удобнее передавать синхронными методами, в сетях SDH. В России системы с Е4 (на 1960 каналов ТЧ) не успели найти широкого применения, но за рубежом в эксплуатации находится большое число РРЛ такой емкости; новые РРЛ с мультиплексорами Е4 уже не разрабатываются.
В настоящее время имеется достаточно много образцов оконечной аппаратуры для цифровизации аналоговых РРЛ:
Модем МДП-2 предназначен для передачи и приема цифрового потока 2048 кбит/с на модулированной поднесущей в спектре группового сигнала аналоговой радиорелейной линии.
Оборудование УВВ-Пн обеспечивает выделение и ввод поднесущей, передаваемой в групповом спектре, при ретрансляции сигнала ПЧ на промежуточной радиорелейной станции.
Аппаратура АЦТ-8-4/2 предназначена для передачи 4 асинхронных цифровых потоков 2048 кбит/с в стволе РРЛ. АЦТ-8-4/2 используется как оконечное оборудование РРЛ для организации соединительных линий между АТС, между узлами связи и земными станциями спутниковой связи, в сетях распределения программ радиовещания и т. п.
Аппаратура АЦТ-17-8/2 предназначена для передачи 8 асинхронных цифровых потоков 2048 кбит/с в стволе РРЛ. АЦТ-17-8/2 используется как оконечное оборудование РРЛ для организации соединительных линий между АТС, между узлами связи и земными станциями спутниковой связи, в сетях распределения программ радиовещания и т. п.
Аппаратура АЦТ-34-16/2 предназначена для передачи 16 асинхронных цифровых потоков 2048 кбит/с в стволе РРЛ. АЦТ-34-16/2 используется как оконечное оборудование РРЛ для организации соединительных линий между АТС, между узлами связи и земными станциями спутниковой связи, в сетях распределения программ радиовещания и т. п.
Указанная оконечная аппаратура РРЛ – стыкуется с любым типом РРЛ (КУРС, ГТТ, РАКИТА, РАДУГА, КОМПЛЕКС и другие) по ПЧ 70 МГц. Содержит модемное и мультиплексорное оборудование, имеет систему телеконтроля и служебной связи, обеспечивает автоматическое резервирование сигналов. Позволяет преобразовать аналоговые РРЛ в цифровые.
С помощью аппаратуры АЦТ осуществлена успешная цифровизация аналоговой радиорелейной линии, состоящей из 38 пролетов общей протяженностью 1748 км.
Достоинство SDH – принципиальная возможность прямого доступа к любому из сигналов (преимущество принципа временного уплотнения), передаваемых в составе группового потока, минуя процедуры последовательного мультиплексирования.
Одно из исходных соображений, определивших выбор принципов SDH, - необходимость сопряжения будущих сетей SDH с существующими сетями PDH, чтобы интегрироваться с ними в единые цифровые сети.
Люди также интересуются этой лекцией: 47 Растения-пыльценосы.
Этого удалось достигнуть выбором в качестве первичного для SDH-сигнала с пакетной структурой с групповой скоростью передачи 155,52 Мбит/с. Каждый пакет (формат) имеет длительность 125 мкс, содержит 2430 байт, из которых 81 байт образует заголовок, несущий самую разнообразную служебную, в том числе и адресную информацию. Такой пакет назвали синхронным транспортным модулем 1-го уровня.
Структура STM-1 обеспечивает стыковку SDH почти со всеми существующими в мире сигналами PDH и позволяет создавать цифровые сети любой конфигурации. Вторичный уровень SDH – сигнал STM-4 с групповой скоростью 622,08 Мбит/с, третичный (STM-16) – скорость 2488,32 Мбит/с.
Предусмотрена также еще более высокая скорость STM-64 = 4 х STM-16 = 64 STM-1, т. е. 9953,28 Мбит/с.
Из указанных скоростей в РРЛ используются только STM-1 (очень редко - STM-4). Потоки STM-4 и выше рассчитаны главным образом на ВОЛС.
Однако для РРЛ трафик, обеспечиваемый форматом STM-1, является часто излишним, например, когда надо ответвить от магистральной линии часть информации и передать по РРЛ в местные, зоновые или локальные сети. Поэтому для передачи по РРЛ в SDH предусмотрен так называемый «подсигнал STM-1» с общей скоростью передачи 51,84 Мбит/с, равной 1/3 от скорости STM-1 (такой сигнал обозначают иногда STM-0). Структура сигнала STM-0 позволяет упаковывать в него потоки PDH: один поток Е3, до 21 потоков Е1, А также все сигналы PDH варианта США.
РРЛ с STM-0 - удобный мост, через который сети PDH могут подключаться к мощным линиям SDH (в том числе ВОЛС).






















