Центрирование линзы в оправе трубкой зебелина
5 и 6 Центрирование линзы в оправе трубкой Зебелина
Существует несколько способов центрирования линз при их соединении с оправой и один из них автоколлимационный. Такое соединение называют автоколлимационной сборкой.
1.1. Центрирование с помощью автоколлиматора
Строго говоря, такая система не должна называться автоколлиматором, так как коллимация в своем первоначальном значении означает параллельный ход лучей. Однако широкая практика применения автоколлимационных методов распространила это название на системы, работающие с непараллельными пучками. Далее эта система будет называться трубка ЮС 13 или трубка А.А. Забелина по фамилии ее автора.
Линзы, предназначенные для автоколлимационной сборки, в оптическом цехе центрируют с невысокой точностью 0,03-0,1 мм.
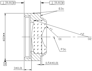
Для примера возьмем линзу фотообъектива в оправе, чертеж которой показан на Рис. 6. На чертеже обычно задают допуск на децентрировку – знаками или текстом на поле чертежа. Например, “несовпадение оси
и оси
20 не более 0,01мм.
Оправы для линз изготавливают в механическом цехе с припусками по базирующему диаметру и базирующим торцам. Затем линзы закрепляют в оправах завальцовкой или резьбовым кольцом. О центрировке не заботятся.

Рис. 6. Пример линзы в оправе для автоколлимационной сборки.
Для выполнения центрирования требуется точный токарный станок, шпиндель которого имеет биение не более 3-5 мкм, оптическое устройство называемое автоколлимационной трубкой ЮС-13*,(см. замечание выше) которую придумал А.А. Забелин и регулируемый центрировочный патрон.
1.2. Устройство автоколлимационной трубки ЮС-13
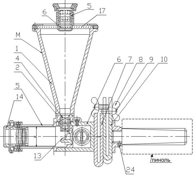
Схема трубки Забелина приведена на Рис. 7. Она содержит: подвижный объектив 14, осветитель с источником 10, конденсором 11 и зеркалом 12; объектив и осветитель разделяет зеркало 13, имеющее прозрачное отверстие (диафрагму) или крест; микроскоп М, состоящий из объектива 4, измерительной сетки 6 и окуляра 5. Для фиксации грубого отклонения используется экран 17.
Рекомендуемые материалы
К корпусу 6 крепятся регулировочные пружины 7 и 10 с винтами 8 и 9. Эта система требуется для юстировки трубки на совмещение оси шпинделя и оси трубки после ее установки по конусу в пиноль задней бабки.

а)

б)
Рис. 7. Устройство автоколлимационной трубки ЮС-13.
1.3. Устройство центрирующего патрона
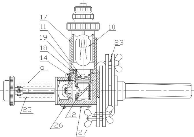
Устройство патрона схематически представлено на Рис. 8. Он состоит из следующих основных частей. Муфта 1 служит для закрепления и ориентирования патрона на шпинделе. Центрирование будет тем точнее, чем точнее установлен патрон относительно оси шпинделя. Наиболее точное ориентирование возможно по коническому хвостовику, т.е. вместо посадочного пояска D должен быть хвостовик. На муфте установлен корпус 2 патрона в виде втулки с четырьмя радиальными винтами 4, которые используются для перемещения внутренней части патрона через стакан 3 в плоскости XOY. Винты 5 служат для поворота сферической шайбы 6 (выпуклая или вогнутая) с установленной на шайбе оправе с линзой.
Основные параметры патрона: действительный радиус
сферической шайбы 6; действительное расстояние В от вершины шайбы до ее торца. Действительные параметры
и В наносятся на патрон клеймением.
Выбор центрирующего патрона определяется радиусом кривизны той поверхности центрируемой линзы, с которой начинается процесс центрирования. Например, отрицательный патрон применяется только при больших отрицательных радиусах кривизны первой поверхности центрируемой линзы.

Рис. 8. Схема центрирующего патрона.
Радиус первой поверхности линзы определяет длину переходной оправки к центрирующему патрону.
1.4. О выборе патрона и о расчете оправок
Как было сказано раньше, центрирование линзы, как правило, необходимо начинать с устранения децентрирования поверхности, ближайшей к микроскопу. В исключительных случаях, когда центр кривизны сферической части патрона совмещен с центром кривизны поверхности линзы, не являющейся ближайшей к микроскопу, центрирование поверхностей линзы производится попеременно, методом последовательных приближений.
Радиус первой поверхности центрируемой линзы определяет длину переходной оправки к центрирующему патрону. Длина оправки равна расстоянию между опорными торцами центрирующего патрона и оправы центрируемой линзы. Расчет длины переходной оправки показан на конкретных примерах.


б)
Рис. 9. Схемы к расчету переходных втулок при центрировании.
а – положительный патрон, б – отрицательный патрон.
Пример 1. Положительный патрон.
В зависимости от конкретных данных линзы возможны два варианта расчета переходной оправки.
Вариант 1.
За первую поверхность центрируемой линзы выбрана поверхность радиусом R/1 и с центром в точке
(Рис. 9, а).
Длина оправки L определяется формулой:
L = R/n-R/1 –B-P-d
Вариант 2.
За первую поверхность выбрана поверхность радиусом R//1 и с центром в точке О//1 (Рис. 9, а). Тогда длина оправки L определяется:
L = R//n-R//1-B-P.
Пример 2. Отрицательный патрон.
Длина оправки определяется (Рис. 9, б)
L=Rn-R1-B-P-d.
1.5. Процесс центрирования
Трубку Забелина установили в пиноли задней бабки и с помощью двух винтов 9 (один из них на Рис. 10 не показан) наклоном трубки в двух взаимно перпендикулярных направлениях совмещают ось трубки с осью вращения шпинделя. Оправу с линзой устанавливают в центрировочном патроне
(Рис. 10, а) так, чтобы центр О1 кривизны ее поверхности ближайшей к трубке, находился в плоскости расположения центра О кривизны сферической части патрона 1 (эта плоскость перпендикулярна оси шпинделя). Если длина оправы не позволяет совместить О1 и О, то берут другой патрон или используют промежуточную оправку (расчет оправки смотри выше). Включают осветитель. Пучок лучей от источника света 10, проецируется конденсором 11 и после отражения от зеркала 12 на плоскость зеркала 13, имеющего прозрачное отверстие (диафрагму) или крест. Объектив 14 проецирует лучи в точку на оптической оси трубки.

Рис. 10. Центрирование по автоколлиматору (трубка Забелина).
Передвигая пиноль 8 задней бабки станка, в которой через конический хвостовик установлена трубка 7, совмещают изображение диафрагмы (точка), сформированное объективом 14, с плоскостью расположения центров кривизны О1 линзы и центра кривизны О сферической чашки патрона. Момент совпадения определяют по резкому изображению диафрагмы, видимому в окуляре 5, так как лучи отраженные от поверхности линзы проходят свой путь в обратном направлении (отмечены штриховой линией со стрелой) и проецируются объективом 14 на плоскость зеркала 13. Смещенное изображение диафрагмы рассматривают в микроскоп М на его сетке 6. Если смещение велико, то изображение попадает на экран 17 и не «потеряется» в процессе настройки. При вращении шпинделя это изображение будет описывать окружность диаметром D.
Теперь совмещают точку О1 с осью шпинделя. Для этого вращением винтов 15, расположенных через 900 вокруг оси шпинделя, подвижную часть патрона смещают по осям Y и Z до тех пор пока точка О1 не совместится с осью шпинделя, т.е. D=О (см. Рис. 10, б) и биения центра О1 при вращении не наблюдается.
Затем смещают объектив 14 в трубке до получения резкого изображения диафрагмы, сформированного пучком лучей, отраженным от второй поверхности линзы с центром кривизны О2. Если при вращении шпинделя наблюдается смещение изображения диафрагмы, то вращают винты 16 (Рис. 10, в) поворачивая сферическую часть патрона, до устранения биения изображения диафрагмы на сетке 6 микроскопа. Это означает, что центр О2 лежит на оси шпинделя. При этом будет происходить смещение центра О1 с оси шпинделя как и на сколько будет показано ниже.
Объектив 14 в корпусе трубки может смещать изображение диафрагмы (точки) от торца трубки на расстояние от –15см до
и от
до +9см, что позволяет проводить центрирование линз с радиусами рабочих поверхностей практически любой величины. Однако при смещении объектива 14 изменяется линейное увеличение
, что необходимо учитывать при измерении децентрировки. Величину децентрировки С, образованную при несовпадении центров кривизны О1 или О2 поверхностей линзы с осью вращения шпинделя, определяют по формуле
, (1)
где
– линейное увеличение объектива трубки,
- линейное увеличение микроскопа, m – цена деления сетки микроскопа, D – диаметр окружности, описываемой изображением диафрагмы в плоскости сетки микроскопа,
N – число делений сетки, соответствующее диаметру D.
В результате оправа линзы будет иметь перекос относительно оси шпинделя, но зато оптическая ось О1О2 (с погрешностью) совмещена с осью шпинделя (см. Рис. 10, в). Получившийся от юстировки перекос оправы устраняют обработкой резцом базовых поверхностей (см. Рис. 10, в и рис.2.58) не снимая оправы с центрировочного патрона. Наружную поверхность оправы с
20 протачивают до размера равного диаметру корпуса объектива с минимально необходимым зазором (порядка 0,01 мм). Торец оправы подрезают так, чтобы можно было выдержать указанный на чертеже размер 0,54
0,01 мм (см. Рис. 11). Расстояние от линзы до торца при подрезке измеряют индикаторным приспособлением, показанным на Рис. 11, а, затем оправу снимают с центрировочного патрона и устанавливают в цанговый патрон токарного станка на обработанные базовые поверхности (см. Рис. 11, б). Подрезают второй опорный торец оправы так, чтобы выдержать размер 3
0,01 мм до второй поверхности линзы. Процесс центрирования линзы окончен.

Рис. 11. Обработка оправы линзы после центрирования.
1.6. Определение методической погрешности способа центрирования
Выше отмечалось, что при центрировании второго центра первый смещается с оси шпинделя. Величина смещения определяется графически. Разработанная методика этого построения приведена для двояковыпуклой линзы на Рис. 12. О1O2 – оптическая ось до центрирования, О – центр сферы патрона, ось патрона совпадает с осью шпинделя в системе координат XYZ, ось шпинделя совпадает с осью OX. Сначала смещаем патрон в плоскости YOZ так, чтобы совместить точку O1 с точкой О. Ось патрона займет новое положение. Центр сферы патрона переместится в точку
, центр кривизны O2 переместится в точку
. Вращая винты, поворачиваем сферическую часть патрона вокруг центра
для того, чтобы центр сферы O2 из точки
переместить на ось шпинделя в точку
. При этом повороте первый центр кривизны O1 из точки
переместится в точку
. Оптическая ось O1O2 не совпадает с осью вращения шпинделя, появится «неуточненная погрешность метода».
Вместе с этой лекцией читают "Моцарт «Свадьба Фигаро» ".
Построения сделаны для шести основных линз: двояковыпуклой, двояковогнутой, вогнуто-плоской выпукло-плоской, выпукло-вогнутые мениски.
Очевидно, что для уменьшения этой погрешности надо начинать центрирование с поверхности линзы, которая расположена точнее относительно оси шпинделя, или повторять весь процесс.


6)поправить оси
Рис. 12. Схемы к определению методической погрешности метода центрирования.























