Основы проектирования приборов и систем
1)Информационно-измерительные системы.
ИИС - совокупность функционально-объединенных измерительных, вычислительных и других вспомогательных технических средств получения измерительной информации, её преобразования, обработки в целях предоставления потребителю (в том числе ввода в АСУТП - автоматическая система управления технологических процессов) в требуемом виде, либо в целях автоматического осуществления логических функций измерения, контроля, диагностики и идентификации.
В зависимости от выполняемых функций ИИС делятся на следующие виды:
· Измерительные системы (ИС);
· Системы автоматического контроля (САК);
· Системы технической диагностики (СТД);
· Системы распознавания образцов (СРО);
· Телеизмерительные системы (ТИС);
Назначение любой ИИС, необходимой функциональной возможности технические и другие характеристики, в решающей степени определяется объектом исследования, для которой создаётся данная система.
Рекомендуемые материалы
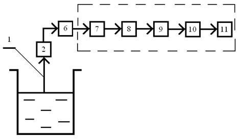
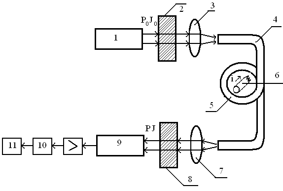
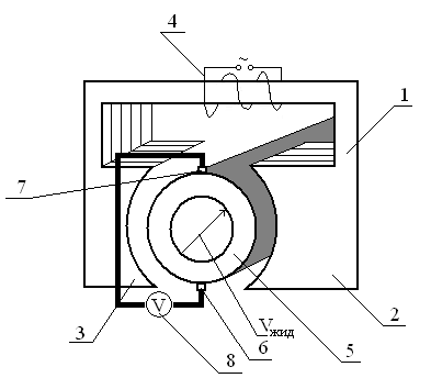
Рассмотрим систему контроля температуры расплавленных металлов в электросталеплавильной печи. Она включает в себя:
1 – электромагнитная волна;
2 – оптическая система;
3 – оптически прозрачное стекло;
4 – фокусирующая линза;
5 – входной торец оптического волокна;
6 – оптическое волокно;
7 – измерительный блок;
8 – операционный усилитель;
9 – аналогово-цифровой преобразователь;
10 – микропроцессор;
11 – жидкокристаллический индикатор.


Рис. 1. Система контроля расплавленных металлов в электросталеплавильной печи.
Назначение волоконно-оптического кабеля состоит в том, чтобы развести на расстояние друг от друга измерительную часть и оптическую систему с тем, чтобы высокая температура печи не влияла на показание прибора.
Назначение ИИС можно определить как целенаправленное введение измеряемого процесса и как обеспечение смежного уровня достоверная информация.
Смысл сказанного поясним на системе контроля газов и нефтепродуктов. Например: газоконденсатный завод. Имеется n-ое количество скважин, по трубам поступает конденсат и идет к установке.

Рис. 2. Газоконденсатный завод.
Где, 1 - земля, 2 – труба, 3 – установка переработки газоконденсата, Т – температура, Р – давление, Q – расход, МК – микроконтроллер.
Данные отображаются на центральном компьютере, хранятся в памяти и параллельно передаются в город.
Основными функциями ИИС являются:
· Получение измерительной информации от объекта исследования;
· Обработка;
· Передача информации оператору или ЭВМ;
· Запоминание в БД;
· Управление и формирование управленческих воздействий.
Формирование управленческих воздействий осуществляется в информационно-измерительных и управленческих системах.
Рассмотрим это на примере :

ИИС оптимизируются по многим частичным критериям:
· Помехоустойчивость;
· Точность;
· Надежность;
· Пропускная способность;
· Адаптивность;
· Сложность.
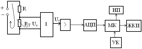
Информационно-измерительная техника (ИИТ) – это наука, связанная с измерением различных физических величин, методами повышения точности измерительных устройств и систем, преобразованием и обработкой измерительной информации и ее отображением.
2)Основные характеристики приборов и датчиков.
Любой прибор представляет собой совокупность функционально-соединенных элементов: первичного преобразователя физических величин (или датчиков), усилителя, аналогового цифрового преобразователя (и устройства) отображения информации (как правило жидкокристаллического индикатора или дисплея, размещенных в корпусе.). Как правило, чаще всего первичный преобразователь прибора для измерения температуры выполняется в виде выносного щупа, соединенного с измерительным прибором посредством провода.
Первичный преобразователь (далее преобразователь) – это элементарное устройство, обеспечивающее функциональное преобразование одной физической величины в другую, удобную для дальнейших операций.
Рассмотрим структурную схему прибора для измерения температуры.

Рис. 4. Структурная схема прибора для измерения температуры.
Датчик-совокупность первичного преобразователя и отдельных звеньев структурной схемы, расположенных за ним. Например, преобразователь и усилитель или преобразователь, усилитель, АЦП. Отличительной частью прибора всегда является наличие шкалы или в электронных приборах обязательно наличие индикатора (ЖКИ).
Если в рассмотренной выше структурной схеме прибора результаты измерения температуры будем подавать с выхода АЦП, пошлем в ЭВМ, то это означает, что мы имеем не прибор, а систему, состоящую из датчика и компьютера.
Система – это совокупность функционально-объединенных измерительных, вычислительных и других вспомогательных технических средств получения измерительной информации, ее преобразования, обработки в целях предоставления потребителю в требуемом виде для автоматического осуществления логических функций, измерения, контроля, диагностики и т.д.
Основные характеристики преобразователей:
1. Статическая характеристика – зависимость выходной величины преобразователя А от изменения входной величины Х.
Статическая характеристика может быть задана:
· Аналитически в виде формул: A= f (x);
· Графически:
;
· Таблично:
| Х | 0 | 0,1 | 0,2 |
| А | 0 | 2 | 7 |
Большинству преобразователей предъявляются требование линейности статической характеристики.
2. Диапазоны изменения входной и выходной величин. Любой преобразователь имеет нижний и верхний предел изменения входной величины.

Где, XI и AI – нижние пределы изменения входной и выходной величин; XI I и AII – верхние пределы изменения входной и выходной величин; DX= XI… XI I и DА= АI… АI I – диапазоны изменения входной и выходной величин.
3. Чувствительность – это степень изменения выходной величины от входной:

Для линейной статической характеристики чувствительность определяется так:
·
,
;
·
,
.
Вышерассмотренное определение чувствительности применительно к случаю, когда статическая характеристика возрастает.
Для случаев убывающей характеристики чувствительность определяется:
·
,
;
·
,
.
4. Порог чувствительности - это наименьшая входная величина, при которой на выходе преобразователя появляется достаточная для дальнейших операций (преобразований) выходная величина.
Предположим, преобразователь, на выходе – усилитель:

Порог чувствительности преобразователя определяется чувствительностью последующего преобразователя.
5. Степень нелинейности статической характеристики.
Степень нелинейности показывает насколько статическая характеристика отличается от линейной. Существуют аналитические и графические методы определения степени нелинейности.
Аналитический метод определения степени нелинейности полностью отображает графический, но с использованием математических методов.
Рассмотрим графический метод определения степени нелинейности.
, где A=f(x) – статическая характеристика.
Определение степени нелинейности графическим путем включает в себя следующие этапы:
1) Соединяются прямой линией I-II предельные точки статической характеристики I и II;
2) Проводятся касательные к статической характеристике в точках ее перегиба, параллельные линии I-II;
3) Определяются отклонения касательных в точках перегиба от линии I-II по оси ординат (по вертикале);
4) Находим степень нелинейности по формуле:
.
Рассмотрим частные случаи:
1)
2)
,
;
,
.
3)Динамические характеристики.
Динамическая характеристика преобразователя – это зависимость выходной величины от изменения входной величины, зависящая от скорости и ускорения.
Рассмотрим динамические характеристики в графической интерпретации для случаев скачкообразного и плавного изменения входной величины.
1. Входная величина изменяется скачкообразно:

Режимы:
1 – затухающие периодические колебания;
2 – апериодический режим;
3 – режим критического успокоения.
Наиболее эффективным является режим 3, так как в нем время успокоения выходной величины, характеризующий динамический процесс, tq1 – минимальное. Время успокоения выходной величины в режимах 1 и 2 tq2 значительно выше.
2. Входная величина изменяется периодически. При этом выходная величина изменяется также периодически, но с некоторым отставанием по фазе и с разной амплитудой, зависящей от частоты изменения входной величины.
Наиболее удобно показать это на амплитудно-фазовой плоскости в виде амплитудно-фазовых характеристик (АФХ):
, где
φ – это фаза между изменениями входной и выходной величин;
ω - частота изменения входной величины;
А – амплитуда изменения выходной величины.
По АФХ нетрудно построить аплитудно-частотную характеристику (АЧХ) и фазо-частотную характеристику (ФЧХ):
- АЧХ,
- ФЧХ.
Коэффициент эффективности преобразователя.
,
х – входная величина преобразователя;
А – выходная величина преобразователя;
Р1I – та часть мощности, которая поступает на вход преобразователя вместе с входной величиной;
Р1II – входная мощность от дополнительного источника энергии;
Р2 – выходная мощность;
РS – потери.
;
;
- коэффициент эффективности;
;
.
4)Преобразователи перемещения (ПП).
ПП - предназначены для преобразования линейных или угловых перемещений в электрический сигнал.
Существует большое разнообразие типов преобразователя перемещений по принципу действий, то есть по использованным физическим эффектам или явлениям: индуктивные, трансформаторные, электромашинные (сельсин, индуксин), ультразвуковые, оптические, волоконно-оптические, лазерные и т.д.
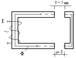
Индуктивный преобразователь перемещения.
Диапазон измеряемых перемещений индуктивных преобразователей мал: от 0 до 5 мм (для линейных перемещений) или 0-5 угловых минут (для угловых перемещений).
Достоинством индуктивных преобразователей является их высокая надежность, достаточно высокая точность и возможность использования при высоких температурах (до +300°С).
Индуктивные преобразователи бывают одинарные и дифференциальные.
Рассмотрим одинарные преобразователи.

Ф=IW2G, где W – число витков обмотки;
, где μ0=4π*10-7Гн/м=12.56*10-7Гн/м.
Поток Ф пронизывает обмотку и наводит в ней ЭДС взаимоиндукции ЕUв=-jωФW=-jωIW2G.
Эту же ЭДС можно рассматривать как ЭДС самоиндукции. Из курса ТОЭ известно, что ЭДС самоиндукции: ЕUс=-jωLI, где L – индуктивность обмотки.
Учитывая, что ЕUв= ЕUс, приравнивая правые части выражений для ЕUв и ЕUс, получаем катушки: L=W2G. Перепишем по другому,
. Статическая характеристика одинарного индуктивного преобразователя носит нелинейный характер и выглядит следующим образом:
.
Недостатками одинарных индуктивных преобразователей являются:
1) Нелинейность статической характеристики (линейный участок статической характеристики 0,15 от Xm);
2) Подверженность влиянию внешних магнитных полей;
3) Подверженность колебаниям температуры окружающей среды, которая влияет на геометрические размеры воздушного зазора и магнитную проницаемость μ0.
Вследствие этого, одинарный индуктивные преобразователи не применяются, а используются дифференциальные индуктивные преобразователи.
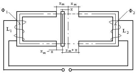
Дифференциальный индуктивный преобразователь.


Дифференциальный индуктивный преобразователь представляет собой два, установленных навстречу друг другу, одинарных преобразователя с одинарным индуктивным преобразователем.
В идеале симметрично установленные системы должны быть одинаковы.
Достоинствами дифференциального индуктивного преобразователя являются:
1) Больший линейный участок статической характеристики (0.3÷0.4)δ0=∆δ, а если учесть, что статическая характеристика дифференциальная, то есть в обе стороны от нуля, то участок составляет (0.6÷0.8)δ;
2) При идеальной симметрии магнитной системы влияние магнитных полей на левую и правую части магнитной системы компенсируются. В итоге, погрешность равна нулю.
3) Точно также происходит компенсация влияния температур и температурная погрешность равна нулю.
Вследствие этих причин, применяются только дифференциальные индуктивные преобразователи.
5)Магнитооптические датчики.
Действие их основано на магнитооптическом эффекте. Магнитооптический эффект- изменение оптических свойств вещества в зависимости от его намагничиваемости или от приложенного к нему магнитного поля.
Под оптическими свойствами следует понимать отражение, пропускание, поляризацию света и другие явления. Среди магнитооптических эффектов с изменением отражения или пропускания света различают эффект Фарадея и эффект Керра.
Вещества, в которых наблюдается магнитооптический эффект, называются магнитооптическими материалами. К ним относятся диамагнетики, парамагнетики и ферромагнетики. Среди них на практике особенно важны диамагнетики. Такие как, свинцовое стекло (структура аморфная), а также висмут содержащие - Bi12GeO20, Bi12SiO20(структура кристаллическая, кубическая).
Достоинствами висмут содержащих является слабая температурная зависимость характеристик.
Магнитооптический эффект Фарадея заключается в том, что под воздействием магнитного поля, вектор напряженности которого совпадает с направлением света, наблюдается поворот плоскости поляризации линейнополяризованного света, проходящего через вещество. Этот поворот плоскости поляризации на угол φ называют фарадеевским вращением.
Угол фарадеевского вращения φ при напряженности магнитного поля Н и длине взаимодействия L (длине светового пути в магнитооптическом веществе) выражается формулой: φ=vHL, где v – постоянная Верде, характеризует активность эффекта Фарадея в данном веществе.
Все вышеперечисленные магнитооптические материалы характеризуются различным значением постоянной Верде. По сути постоянная Верде является чувствительностью магнитооптического материала, так как чем она выше, тем на больший угол при прочих равных условиях осуществляется поворот плоскости поляризации света при одном и том же значении напряженности магнитного поля.
Как правило, при построении магнитооптических приборов стараются выбрать вещество, обладающее высоким значением постоянной Верде. Одним из таких материалов является эпитаксиальные пленки.
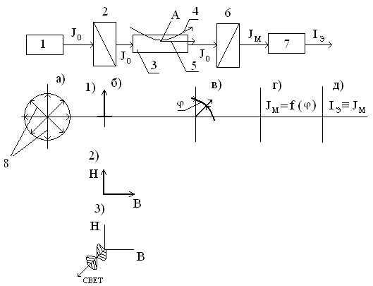
Рассмотрим схему наблюдения магнитооптического эффекта Фарадея:

1)-2)-3) – условные обозначения;
1 – источник света в виде лазера или лазерного диода;
2 – поляризатор;
3 – магнитооптическая ячейка Фарадея;
4 – магнитная силовая линия какого-то источника магнитного поля;
5 – вектор напряженности магнитного поля в точке А;
6 – анализатор;
7 – приемник оптического излучения (например, лавинный фотодиод);
8 – это n-ое число плоскостей поляризации луча когерентного света (на рис. а);
J0 – интенсивность света источника излучения;
JМ – интенсивность света на выходе анализатора, функционально-связанная с углом фарадеевского вращения φ по закону Малюса.
Свет на выходе источника излучения является когерентным. На выходе поляризатора имеем луч света, поляризованный только в одной плоскости.
6)Магнитооптические датчики магнитного поля.

1 – источник света в виде лазера или лазерного диода;
2 – поляризатор;
3 – магнитооптическая ячейка Фарадея;
4 – магнитная силовая линия какого-то источника магнитного поля;
5 – вектор напряженности магнитного поля в точке А;
6 – анализатор;
7 – приемник оптического излучения (например, лавинный фотодиод);
8 – это n-ое число плоскостей поляризации луча когерентного света (на рис. а);
9 – преобразователь тока IЭ в напряжение U;
10 – АЦП;
11 – микроконтроллер, содержащий в своей структуре порты ввода-вывода, микропроцессор и т.д. (усилитель, АЦП);
12 – ЖКИ;
13 – клавиатура управления;
14 – запись на носитель информации;
15 – при необходимости, канал передачи информации через интернет;
J0 – интенсивность света источника излучения;
КС – корректирующий сигнал;
JМ – интенсивность света на выходе анализатора функционально-связанная с углом фарадеевского вращения φ по закону Малюса.
Магнитооптический эффект Фарадея проявляется в оптически-активных средах (магнитооптических материалах), которые могут быть в виде магнитооптической ячейке Фарадея (как в вышерассмотренном примере), феррит-гранатовых пленок или эпитаксиальных пленок.
Помимо этого, магнитооптический эффект Фарадея проявляется и в оптических волокнах, которые свернуты в виде витка или намотаны в виде катушки.
Фарадей открыл, что во многих материалах круговое двулучепреломление (магнитооптических материалах) возникает под действием приложенного магнитного поля. Следовательно, можно измерять магнитное поле, используя линейнополяризованное излучение и измеряя величину кругового двулучепреломления, возникающего в определенных материалах под воздействием внешнего магнитного поля. Именно этот механизм в волоконно-оптических датчиках магнитного поля, основанных на эффекте Фарадея.
Статическое круговое двулучепреломление прямого отрезка круглой сердцевины оптического волокна обычно достаточно мало.

Однако присутствие напряженности магнитного поля H, возникшее в волокне круговое двулучепреломление повернет плоскость поляризации линейнополяризованного излучения на угол θ=V∫Hdl. Здесь, V – постоянная Верде, являющаяся мерой интенсивности проявления эффекта Фарадея в волокне.
Интегрирование выполняется по длине волокна, подвергнутого воздействию поля Н. Величина V зависит от состава материала волокна и оптической длины волны λ; намного она слабее зависит от температуры диэлектрического вещества волокна.
Примечательным свойством вращения под воздействием эффекта Фарадея является его зависимость от направления распространения. Свет, распространяющийся в одном направлении, подвергается вращению на угол θ; свет, двигающийся в противоположном направлении, подвергается вращению на угол –θ. Эту зависимость можно использовать в разъединителях мощности, как на оптических, так и на микроволновых частотах. С другой стороны, она может являться помехой в таких устройствах, как волоконно-оптические датчики вращения, основанные на исключении всех источников такой зависимости. Паразитное магнитное поле может действенно влиять на датчик через эффект Фарадея и искажать выходной сигнал.
Рассмотрим волоконно-оптические датчики электрического тока на основе одномодового оптического волокна.

1 – лазер;
2 – поляризатор;
3, 7 – линза;
4 – оптоволокно;
5 – виток из оптоволокна;
6 – провод;
8 – анализатор;
9 – фотодиод;
10 – АЦП;
11 – ЖКИ.
В общем случае при измерении тока N витков волокна намотано либо на каркас либо на проводник с током, внутри которого расположен проводник с током i. В соответствии с законом Ампера, линейный интеграл магнитного поля θ=V∫Hdl сводится к формуле θ=VNi.
В рассматриваемой нами схеме датчика электрического тока на входе в одномодовое волокно поляризатор создает линейнополяризованное излучение. Анализатор же (тот же поляризатор) устанавливается под фиксированным углом по отношению к входному поляризатору. Чтобы поддерживать строго определенное состояние поляризации на всем протяжении используется одномодовое волокно. Если анализатор установлен под углом ±45° по отношению к поляризатору, то мощность излучения (интенсивность J) на приемнике определяется как: P=P0/2(1±sin2 θ), где P0/2 – средняя оптическая интенсивность на приемнике.
Для небольших углов эта формула может быть преобразована следующим образом: P=P0/2(1+2VNi).
Из последней формулы следует, что интенсивность (мощность) является линейной функцией тока.
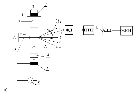
7)Акустооптические датчики.
Действие акустооптических датчиков основано на использовании акустооптического эффекта (АОЭ).
АОЭ – это явление дифракции, преломления, отражения или рассеяния света на периодических неоднородностях среды (зонах с разными показателями преломления), вызванных упругими деформациями при прохождении ультразвука. Периодическое чередование неоднородности среды ''работает'' как дифракционная решетка, изменяющая направление светового луча.
АОЭ бывают двух типов. При низкой частоте ультразвука и малой ширине фронта (длине взаимодействия) L ультразвуковой волны (УЗ-волны) возникает дифракция Рамана-Ната. А если частота ультразвука высока и длина взаимодействия велика, то происходит дифракция Брэгга.
Условие возникновения дифракции Рамана - Ната имеет следующий вид: λL/Λ²«1.
Условие возникновения дифракции Брэгга имеет следующий вид: λL/Λ²>1. Здесь λ - длина волны света;Λ- длина УЗ-волны; L- длина взаимодействия.
1. Акустооптический эффект Рамана-Ната:

1 – акустооптическая ячейка;
2 – периодические неоднородности среды, возникающие в акустооптическом материале при прохождении УЗ-волны;
3 – луч света;
Λ, ω – длина волны и частота оптического излучения;
4 – УЗ-волна длиной Λ и частотой Ω;
5 – пьезоизлучатель УЗ-волны;
6 – радиочастотный генератор;
ФД – фотодиод;
ПТН – преобразователь тока и напряжения!!!;
АЦП – аналого-цифровой преобразователь;
ЖКИ – жидкокристаллический индикатор;
7 – демпфер-поглотитель УЗ-волны.
При дифракции Рамана-Ната световая волна, попадая на периодическую неоднородность, распадается на спектр мод света порядка 0, +1, +2, -1, -2. Из них используются +1, -1, так как сигнал наибольший.
Если нарисовать в схеме наблюдения ФД, АЦП и ЖКИ, то получим акустооптический преобразователь перемещения, у которого подвижным элементом акустооптическая ячейка, перемещающаяся вместе с генератором вверх или вниз относительно лазера, ФД и т.д.
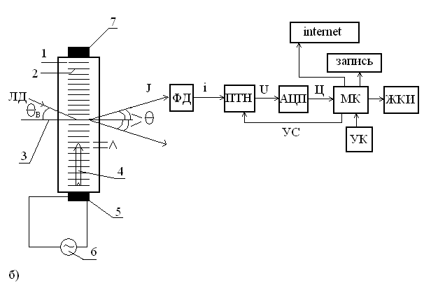
2. Акустооптический эффект Керра:

1 – акустооптическая ячейка;
2 – периодические неоднородности среды, возникающие в акустооптическом материале при прохождении УЗ-волны;
3 – световая волна;
Λ, ω – длина волны и частота оптического излучения;
4 – УЗ-волна длиной Λ и частотой Ω;
5 – пьезоэлемент;
6 – генератор радиочастоты;
ФД – фотодиод;
i – ток на выходе ФД;
ЛД – лазерный диод;
ПТН – преобразователь ток-напряжения;
АЦП – аналого-цифровой преобразователь;
ЖКИ – жидкокристаллический индикатор;
7 – демпфер;
УК – управляющая клавиатура;
УС – управляющий сигнал;
МК – микроконтроллер;
Запись – запись информации на носитель;
Int – передача информации на расстоянии.
Суть эффекта Керра заключается в следующем: луч лазера, излучаемый лазерным диодом, отражается от периодической неоднородности только лишь при определенном угле, характерным для акустооптических материалах. Этот угол называется углом Брэгга θВ. При всех остальных углах падения светового луча не отражается.
Обязательным условием возникновения рассматриваемого эффекта Керра, так же как вышерассмотренного эффекта Рамана-Ната, является наличие УЗ-волны, излучаемая пьезоэлементом.
При дифракции Брэгга: θВ=θ=sin(λ/2Λ).
Эффективность дифракции Брэгга выше, чем эффективность дифракции Рамана-Ната. При дифракции Рамана-Ната отношение интенсивностей отраженного угла одной из мод к интенсивности падающего луча характеризует эффективность и составляет 33.9%. При дифракции Брэгга отношение интенсивности отраженного луча к интенсивности падающего луча близко к 100%, что очень важно для практического использования. Частота генератора 100МГц.
Материалы, в которых имеет место АОЭ, носят название акустооптических материалах.
К ним предъявляются следующие требования:
1) рассеяние, поглощение света должны быть незначительны;
2) постоянные фотоупругости и коэффициент преломления велики;
3) поглощение и скорость звука малы.
Среди жидкостей наиболее удовлетворяет перечисленным требованиям вода, которая используется в большинстве экспериментов. Среди твердых тел наиболее удобны для использования различные стекла и кристаллы.
АОЭ применяется для построения преобразователя перемещения, газоанализаторов, концентратомеров жидких сред, измерителей расстояния, расщепителя светового луча и т.д.
Достоинством АО датчиков является высокая чувствительность, так как они являются, по сути, спектрометрами.
8)Электрооптические датчики (ЭОД).
Действие электрооптических датчиков основано на электрооптическом эффекте (ЭОЭ).
ЭОЭ – это изменение коэффициента преломления некоторых материалов под действием электрического поля.

Материалы, обладающие такими свойствами, называют электрооптическими материалами.
Электрооптические эффекты бывают двух видов:
1. Линейный электрооптический эффект Поккельса, при котором коэффициент преломления линейно зависит от силы электрического поля, приложенного к кристаллу, не имеющему внутренней симметрии: n1=k1U. Эффект Поккельса имеет место в пьезокристаллах.
2. Квадратичный электрооптический эффект Керра, при котором коэффициент преломления пропорционален квадрату силы поля вещества с внутренней симметрией: n2=k2U2.
Эффект Покельса проявляется в кристаллах необата лития LiNbO3- кристалл сегнетоэлектрика. Эффект Керра имеет место в нитроглицерине, сероуглероде.
ППЛС – плоско поляризованный луч света.
В технике часто используют эффект Поккельса из-за хорошей линейности.
Рассмотрим схему наблюдения ЭОЭ Поккельса.

Электрическое поле создает в электрооптическом веществе анизотропию (неодинаковость свойств материалов в разных направлений), порождающую двойное лучепреломление. Двойное лучепреломление изменяет поляризацию световой волны. А изменение поляризации широко используется в технике и, в частности, в ЭО датчиках.
На рисунке а и б показана структурная схема наблюдения электрооптического эффекта Поккельса (рис. а) и модуляции света при прохождении светового луча (рис. б). Под действием приложенного к электрооптическому кристаллу электрического поля становятся различными коэффициенты преломления по трем осям кристалла: ось z-оптическая ось, а оси x и y образуют с плоскостью поляризации углы в 45°. Неполяризованный свет лазерного диода(I) приобретает линейную поляризацию(II) после прохождения входного поляризатора П.
Линейно поляризованный свет(II) можно представить в виде двух составляющих x и y, имеющих одинаковые фазы. Когда электрическое поле отсутствует, направление поляризации света после прохождения через кристалл сохраняется и анализатор А, расположенный перпендикулярно входному поляризатору, не дает свету выйти из прибора. Если к кристаллу приложить электрическое напряжение, в нем создается электрическое поле напряженностью Е и, вследствие анизотропии, изменяется коэффициент преломления по осям x и y. Это приведет к различию составляющих скорости света вдоль этих осей и, в свою очередь, к различию фаз проходящего света по составляющим x и y. Разность фаз будет нарастать по мере прохождения света через кристалл. На выходе из кристалла результатом суммирования колебаний по составляющим x и y будет эллиптическиполяризованный свет (III). При этом только часть энергии выйдет из прибора через анализатор-энергия колебаний, имеющих плоскость поляризации, параллельную заданной анализатором.
Значит можно модулировать амплитуду световых волн при помощи электрического напряжения. Если разность хода по составляющим x и y станет равной ½ длине волны, то свет на выходе из кристалла станет линейно поляризованным в направлении, перпендикулярном поляризатору на входе, и интенсивность излучения станет максимальной (IV – линейная поляризация света после анализатора) .
Напряжение, дающее этот эффект, называют полуволновым.
В ЭО модуляторе удобнее использовать материалы с малым полуволновым напряжением.
Световая мощность на выходе анализатора определяется по формуле:
P=P0[1+sinπ(U/Uπ)], где Р0 – мощность света, излучаемого лазерным диодом; U – измеряемое напряжение; Uπ – полуволновое напряжение.
Рассмотрим структурные схемы ЭО датчиков для измерения электрического напряжения:
1.

2.

9)Бесконтактные методы и средства измерения температуры.
Считается, что контактные средства измерения температуры (термометры, термопары) точнее, но на практике много случаев, когда они неприменимы, тогда используются бесконтактные методы измерения температуры. Например, измерение температуры металлургических процессов, измерение температуры в электрических контактах выключателей в электроэнергетике, в линиях электропередачи, в медицине, измерение температуры в буксов.
Бесконтактные методы измерения температуры основаны на использовании законов теплового излучения. Существуют два основных средства дистанционного измерения температуры:
1) оптические пирометры, которые измеряют температуру точки по его тепловому излучению;
2) тепловизоры, которые являются по сути измерительными приборами и измеряют температуру объекта на основании расшифровки термограмм-картин распределения температуры по поверхности объекта или тела.
Сейчас существуют тепловизоры, которые позволяют получать термограммы объектов как фотографическое изображение на экране приборов. Эти приборы очень дорогие. Цена грамма их массы превышает цену 1 грамма золота.
Тепловизоры и приборы ночного видения основаны на законах теплового излучения и принцип действия их аналогичен.
Действие бесконтактных измерителей температуры основано на использовании законов теплового излучения. Известно, что любое тело при температуре Т выше 0 К, то есть выше температуры абсолютного нуля (-273°С), имеет тепловое излучение. Это означает, что вследствие тепловых колебаний атомов и молекул тело испускает энергию теплового излучения. Причем, с ростом температуры эта энергия возрастает. В основе теплового излучения тел лежат законы теплового излучения.
Wλ=c1λ-5{exp[c2/λT]-1}-1; (1)
WT=π∫Wλdλ=σT4. (2)

Энергия теплового излучения Wλ, испускающаяся абсолютно черным телом при температуре, выражается формулой Планка (формула 1).
На рисунке показана зависимость энергии от длины волны λ при различных температурах тела. Из рисунка видно, что по мере повышения температуры энергия излучения увеличивается, а длина волны λм (максимальная), при которой излучение максимальное, уменьшается. Суммарная энергия излучения (вт*м2) определяется путем интегрирования выражения по формуле Планка (1) по всем длинам волн.
Закон Стефана-Больцмана (формула 2) показывает связь между энергией излучения и температуры.
Из формул (1) и (2) на фиксированной длине волны λм или в диапазоне волн можно определить температуру. Однако, энергия излучения любого тела зависит от типа вещества и состояния поверхности тел. Поэтому для отличия этой энергии абсолютно черного тела (АЧТ) вводят коэффициент ε, характеризующий излучательную способность.
Например, для полированной поверхности алюминия ε=0.06, а для полированной поверхности стекла ε=0.95. Чтобы уменьшить погрешность измерения, возникающую из-за неравенства ε=1 в реальном теле, обычно пользуются методом двух цветов.
При этом измеряют интенсивность излучения на двух длинах волн, входящих в спектр излучения и по их соотношению определяют температуру.
Закон смещения Вина:
λmT=const=c, где λm=c/T.
10)Контактные методы и средства измерения температуры.
Для измерения температуры контактными методами используются следующие датчики:
1) металлические термометры сопротивления (ТС);
2) термоэлектрические преобразователи (ТП) – термопары;
3) полупроводниковые термометры сопротивления – термисторы;
4) полупроводниковые интегральные сенсоры-датчики.
Термометры сопротивления.
Приборы и преобразователи на основе ТС используют зависимость сопротивления металла RT от температуры Т: RТ= f (T). У чистых металлах эта зависимость практически линейная: RТ= R0 (1+αT), где R0 – сопротивление металла при 00С; α – температурный коэффициент сопротивления в [0C-1].
В свою очередь температурный коэффициент сопротивления определяется по формуле: α=(∆R/R)/∆T, где ∆R/R – относительное изменение сопротивления датчика при изменении температуры на ∆Т. Значение температурного коэффициента сопротивления α у современных ТС лежит в диапазоне: α=(0,003…0,006)1/0С, что соответствует приращению сопротивления примерно на (0,3…0,6)0С от исходного (номинального) значения при 0С при повышении температуры на 10С.
Наиболее часто используемые материалы для ТС: медь (Т=(-50…+200)0С), платина (Т=(-250…+1000)0С).
Номинальное значение сопротивления ТС R0 определяется конструкцией и материалом датчика в диапазоне (10…1000) Ом. Медные ТС выпускаются с различными R0=(25…1000)Ом, а платиновые ТС с R0 равными 25, 500 и 1000 Ом.
ТС состоят из собственного чувствительного элемента, защитного кожуха (чехла) и элементов крепления. Чувствительный элемент – это намотка из тонкой изолированной проволоки на диэлектрическом каркасе (стержня) из слюды, керамики и стекла.
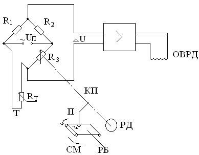
Существуют ТС фольгового исполнения. Они обладают следующим достоинством – минимальная тепловая инерционность датчика. Фольговые (пленочные) ТС имеют в 5-10 раз меньшее время реакции (отклика), чем у проволочных ТС, что очень важно при работе с маленькими объектами в динамических измерениях при быстроизменяющейся температуре. Как правило, ТС включаются в мостовые схемы. Различают уравновешенные и неуравновешенные схемы.
Уравновешенные мосты.

Условие равновесия моста постоянного тока следующее: произведение сопротивлений противоположных плеч моста равны друг другу.
R1*R3=R2*RT, отсюда R3=(R2/R1)*RT=k*RT, где k= R2/R1.
В свою очередь, RТ= R0 (1+αT), R3= kR0 (1+αT).
В мостах переменного тока условие равновесия отличается тем, что учитывается комплексный характер сопротивления.

НИ – нуль-индикатор, в качестве которого используются гальванометры (или цифровые вольтметры).
Ż1 = z1 e-jφ1;
Ż2 = z2 ejφ2;
Ż3 = z3 ejφ3;
Ż4 = z4 ejφ4.
Условие равновесия моста переменного тока:
1) произведение модулей противоположных плеч моста равны: z1*z3=z2*z4;
2) суммы фаз равны: φ1+φ3=φ2+φ4.
Неуравновешенные мосты.
Рассмотрим на примере автоматического моста для измерения температуры.

В автоматическом мосте термометр сопротивления ТС, обладающий сопротивлением RT при температуре Т, включается в одно из плеч неуравновешенной мостовой схемы. В исходном состоянии мост уравновешен. При изменении температуры Т изменяется сопротивление RT термометра сопротивления, который находится у объекта с измеряемой температурой. Это приводит к разбалансу моста и на его выходе появится напряжение ∆U. Это напряжение усиливается усилителем поступает на обмотку возбуждения реверсивного двигателя РД. РД начинает вращаться и через кинематическую передачу КП смещает подвижный элемент и регулировочное сопротивление R3 таким образом, что мост приходит в состояние равновесия. И так повторяется при каждом изменении температуры. Кинематическая передача связана с пером П самопишущего механизма СМ, состоящего из рулонной бумаги РБ, которая наматывается от отдельного двигателя. Так осуществляется запись изменения температуры во времени.
Такие автоматические мосты достаточно громоские, неудобна сама система записи информации на РБ. Сейчас используются более современные термометры с микроконтроллером.
13)Цифровой термометр с микроконтроллером.
В данной системе будем использовать делитель напряжения.

1 – преобразователь постоянного напряжения в переменное;
НП – носитель памяти;
УК – управляющая клавиатура.
Выходной сигнал термопары – это постоянное напряжение, которое преобразуется в цифровой код.
Термопары могут быть подключены к вторичным измерительным приборам. Диапазон измеряемых температур термопарами Т=(-200…2000)0С.
Измерительные приборы на основе термопар обладают высокой точностью и чувствительностью, хорошей повторяемостью характеристик преобразования.
В основе работы термопар лежит термоэлектрический эффект, суть которого заключается в том, что если два проводника из различных металлов (сплавов) соединены в замкнутую цепь, причем температура одного соединения (спая) заметно отличается от температуры другого спая, то возникает термо-ЭДС ЕТ, которая зависит от разницы температур спаев и разницы характеристик проводников.

1 и 2 – разнородные материалы (металлы, сплавы); 3 – горячий спай; 4, 5 – холодные спаи.
В общем случае выражение для термо- ЭДС имеет вид:
ET=f1 (T1) – f2 (T2).
Зависимость термо-ЭДС от разности температур спаев ET=f (T1 – T2) нелинейная, но для малых диапазонов температур и при не очень высоких требованиях к точности измерения ее можно считать линейной, тогда значение термо – ЭДС можно определить по выражению:
ET=ST (T1 – T2).
Здесь ST – чувствительность термопары (коэффициент преобразования). ST измеряется в [мкВ/0С].
Для обеспечения однозначной зависимости ET от Т1 необходимо поддерживать постоянной и известную температуру Т2. Обычно Т2 равно 00С или 200С. Зная значение ST и измерив ЕТ, можно определить температуру Т1. Для обеспечения постоянства Т1 холодные спаи помещают в термостат. Если же при изменениях температура Т2 отличается от 00С, то необходимо вводить поправочные коэффициенты.
Для повышения чувствительности термопар, то есть выходного сигнала термопары при одном и том же значении Т, используют термобатареи, в которых соединяют последовательно друг с другом термопары.
,
ЕТ=ЕТ1+ЕТ2+ЕТ3.
В соответствии с используемыми материалами существует несколько типов термопар:
1) хромель-константан (диапазон измеряемых температур:(-270…+1000)0С;коэффициент преобразования ST=62мкВ/0С);
2) железо-костантан ((-210…+1000)0С; ST=51мкВ/0С);
3) хромель-амомель ((-200…+1000)0С; ST=40мкВ/0С);
4) платина-платинородий ((-50…+1500)0С; ST=7мкВ/0С);
5) медь-константан ((-270…+400)0С; ST=40мкВ/0С);
В России термопары хромель-константан и железо-константан не выпускаются.
Рассмотрим две схемы электронно-цифровых термометров с термопарой.

ТП – термопара;
АС – аналоговый сигнал;
ЦС – цифровой сигнал;
АЦП – аналого-цифровой преобразователь;
МК – микроконтроллер;
ЖКИ – жидкокристаллический индикатор;
НП – носитель памяти;
УК – управляющая клавиатура.
Этот же цифровой термометр можно значительно упростить, если использовать термометр с усилителем и АЦП.

14)Термисторы.
Термисторы – это полупроводниковый термометр сопротивления, имеющее значительно больший чем обычный ТС температурный крэффициент сопротивления α=(1…20)1/0С, причемзнак этого коэффициента может быть положительный (у пазисторов), так и отрицательный (у термисторов). Это обеспечивает более высокую чувствительность термометров на их основе.
Достоинствами термисторов и пазисторов являются:
1) малые габариты и масса, следовательно теплоемкость и тепловая инерционность;
2) простота конструкции, надежность;
3) низкая цена.
Недостатками являются:
1) узкий диапазон измеряемых температур (-50…150)0С;
2) значительная нелинейность преобразования (с повышением температуры сопротивление повышается по экспоненте);
3) плохая повторяемость характеристик преобразования от образца к образцу, вследствие чего, необходима их индивидуальная градуировка ;
4) значительная временная нестабильность характеристик, особенно при работе на высоких температурах.
Интегральные полупроводниковые датчики.
Они обеспечивают получение выходного сигнала (U или I), практически линейно-зависящего от температуры.
Схема подключения интегрального датчика имеет вид:
.
Здесь принято следующее обозначение:
1 – интегральный полупроводниковый датчик;
2 – операционный усилитель;
3 – цифровой вольтметр.
Напряжение через усилитель подается на цифровой вольтметр или аналого-цифровой преобразователь (АЦП), преобразующий это напряжение в цифровой код.
Чувствительность прибора составляет 10мВ/0С.
Рассмотрим схему цифрового термометра с использование интегрального полупроводникового датчика (ИПД):
.
Рассмотренные контактные методы измерения температуры позволяют конструировать электронно-цифровые термометры для измерения широкого диапазона температур от -200 до +2000 0С.
Погрешность зависит не только от качества первичных измерительных преобразователей (датчиков), но и от организации линий связей датчик-измеритель и от характеристик вторичных преобразователей (усилителей, АЦП).
Погрешность составляет ±(0,2…1)%, а иногда ±(0,01…0,1)%. Чувствительность порядков долей 0С.
Таким образом, контактные методы и средства являются более точными по сравнению с бесконтактными.
13)Расходомеры.
Расходомеры используют для измерения количества жидкости или газа, проходящего через единицу площади. Различают объемные и массовые расходы.
Объемные обозначаются Q=Vоб/t, [м3/с]. Массовые обозначаются G=m/t, [кг/с].

S, [м2] – сечение;
Vск, [м/с] – скорость движения.
В общем случае, если известно сечение трубы S, [м2] и Vск, [м/с], то объемный расход: Q= VскS[м/с * м2] = VскS[м3/с].
Приборы, предназначенные для измерения расхода, носят название расходомеры.
Существует большое разнообразие типов и конструкций расходомеров: электромагнитные, вихревые, турбинные, с сужающими устройствами, ультразвуковые и другие. Рассмотрим некоторые из перечисленных расходомеров.
Достаточно широко распространены расходомеры, содержащие сужающие устройства на пути потока, которые создают перепад давления до и после сужающего устройства. Их называют расходомерами с переменным перепадом давления.

На пути потока жидкости или газа устанавливается сужающее устройство, по обе стороны которого имеет место перепад давления ∆Р=Р1 – Р2, где Р1 – давление до сужающего устройства, Р2 – давление после сужающего устройства. Давление Р1 и Р2 поступают через трубки в измеритель перепада давления 1 и воздействуют на мембрану 2. Измеряемый расход пропорционален ∆Р.
Очень часто не используют специальные сужающих устройств, а используют технологические изгибы труб в виде колена:
.
Следующая группа это турбинные расходомеры, в которых увеличение расхода судят по измеряемой скорости жидкости или газа: Q= VскS[м3/с].

Ультразвуковые расходомеры. Вышерассмотренные два типа расходомеров требуют установки внутри трубы различных устройств. Поэтому более предпочтительными являются ультразвуковые расходомеры. Ультразвуковые расходомеры не требуют размещения внутри трубы каких-то частей прибора.

ПН1, ПН2 – два пьезоизлучателя, излучающие ультразвуковые волны соответственно вдоль течения среды и против;
ПП1, ПП2 – два пьезоприемника.
ПП1: U1=k(Vуз+Vсреды); ПП2:U2=k(Vуз – Vсреды);
U=U1 – U2=k(Vуз+Vсреды - Vуз+Vсреды)= 2kVсреды.
Если в электронном блоке осуществить перемножение напряжения U, пропорционального скорости среды, на площадь поперечного сечения S, то будем иметь сигнал, пропорциональный расходу.
Электромагнитные расходомеры используются для измерения скорости электропроводящих сред. Выходная ЭДС электромагнитных расходомеров пропорциональна скорости движения потока жидкости.

1 – магнитопровод;
2, 3 – полюсные наконечники;
4 – обмотка, питаемая переменным током;
5 – труба, выполненная из немагнитного материала;
6, 7 – электроды;
8 – цифровой вольтметр.
Около 21% всех расходомеров электромагнитные. Они используются для электропроводящей жидкости и основаны на законе электромагнитной индукции Фарадея, согласно которому изменяющееся во времени магнитное поле, пересекая ветки обмотки, наводит в ней ЭДС, пропорциональную изменению потока сцепления во времени.
е= - dψ/dt, где ψ=WФ, следовательно е= - WdФ/dt.
В трубопроводе из немагнитного материала протекает электропроводная жидкость, которая пересекается переменным магнитным полем, создаваемый обмоткой 4.
По закону электромагнитной индукции Фарадея в потоке жидкости, как в перемещающемся проводнике, возникает переменная ЭДС, которую измеряют с помощью цифрового вольтметра 8. Величина ЭДС зависит от частоты, индукции магнитного поля, внутреннего диаметра трубы и скорости движения жидкости. Погрешность измерения с помощью электромагнитных расходомеров составляет (1…2)%. Они малоинерционны.
14)Вихревые расходомеры.
В течение многих лет самыми распространенными средствами измерения расхода жидкости, газа и, особенно, пара были расходомеры переменного перепада давления – расходомеры с сужающими устройствами. Они обладают рядом недостатков, главный из которых заключается в том, что внутри трубы размещаются сужающие устройства. Поэтому последние годы они вытесняются другими более современными расходомерами – вихревыми расходомерами.
По американским данным в 1992 году мировой объем расходомеров с сужающими устройствами составлял только 17%. В этом же году турбинные расходомеры составили 11%, ультразвуковые - 5%, электромагнитные – 21%.
Наиболее динамичными развивающимися расходомерами являются вихревые расходомеры.
В 1993 году мировой рынок продаж вихревых расходомеров достиг 42000штук и продолжает динамично расширяться на 10% ежегодно. В 1997 году мировой объем продаж вихревых расходомеров достиг 60000 штук.
Свое название вихревые расходомеры получили от явления срыва вихрей, возникающего при обтекании потоком жидкости или газа препятствия.
Когда поток не может следовать в форме плохо обтекаемого тела, он разделяется на поверхности препятствия, создавая за ним сильно турбулизованную область в виде непрерывной серии вихрей, уносящихся потоком. Каждый вихрь сначала вырастает на поверхности препятствия, а затем, отделяясь, срывается с него. Подобный эффект можно наблюдать на порожистой реке, при обтекании потоком крупных камней или у флага, трепещущегося на ветру. Из-за невозможностей развития двух вихрей одновременно, они срываются с каждой из поверхностей препятствий поочередно, в “шахматном” порядке, образуя вихревую “дорожку (цепочку) Ван-Кармана”, по имени ученого, изучавшего это явление. Частота срыва вихрей при выполнении определенных условий оказывается прямо пропорциональна скорости потока, а , следовательно, объемному расходу. Выражается следующей формулой: f=χ V/d, где χ – постоянная, не зависящая от плотности и скорости потока; d – характерный размер (диаметр) тела обтекания; f – частота срыва вихрей;V – скорость потока.
Рассмотрим схему образования вихрей.

Впервые, такая простая математическая зависимость частоты образования вихрей от скорости потока установлена в опытах Струхаля при обдуве кругового цилиндра воздухом, поэтому критериальный коэффициент χ получил название числа Струхаля (Sh).
Развитие этой теории и обосновании явлений, связанных с процессами вихреобразования, в виде периодического срыва вихрей. с краев плохо обтекаемого тела или щели было проведено в начале ХХ века Т.Карманом. Было установлено наличие целого спектра частот, включающего кроме основной гармоники также и высшей.
fk=Sh v/d k.
Здесь, Sh – число Струхаля; f – частота срыва вихрей; k – номер гармоники (1, 2, 3…).
Лекция "28 Правовые основы аудиторской деятельности" также может быть Вам полезна.
Процесс срыва вихрей с тела обтекания носит периодический характер, создавая пульсации давления, подобно источнику колебаний (“вихревой”частоты). Образуемая позади тела обтекания вниз по потоку регулярная структура в виде “вихревой дорожки” позволяет использовать это обстоятельство для измерения частоты.
В первом случае датчик давления фиксирует усилие, возникающее непосредственно в теле обтекания. Во втором случае – знакопеременное давление (ВД – высокое давление, НД – низкое давление). В третьем случае формируется на некотором давлении от тела обтекания.
“Классическая ” схема вихревого расходомера состоит из тела обтекания в виде усеченной трапецеидальной, установленной поперечной в трубопроводе широким основанием потоку и генерирующей вихрей. Позади тела обтекания располагается чувствительный элемент, воспринимаемый вихревые колебания потока.

Структурная схема для измерения расхода вихревого расходомера.




















