Структурные схемы радиотракта приемника
Глава 3. Структурные схемы радиотракта приемника
Структурные схемы приемников различаются прежде всего построением радиотракта. Наиболее простым является приемник прямого детектирования (детекторный), структура которого представлена на рис.3.1.

Рис.3.1
Перестраиваемая входная цепь (ВЦ) осуществляет частотную избирательность и настройку приемника на частоту принимаемого сигнала.
Детектор (Д) преобразует принимаемые модулированные сигналы в напряжение, соответствующее передаваемому сообщению.
В последетекторном тракте реализуется необходимое усиление низкочастотного сигнала.
Достоинством схемы рис.3.1. является ее простота, а недостатки – низкая чувствительность и избирательность из-за отсутствия усиления до детектора и простоты фильтра. Имеет ограниченное применение в миллиметровом и более высокочастотных диапазонах волн.
Схема приемника прямого усиления представлена на рис.3.2. Этот приемник отличается наличием усилителей радиочастоты, настроенных на частоту принимаемого сигнала и перестраиваемых вместе с ВЦ. Имеет значительно большую чувствительность и избирательность.
Рекомендуемые материалы

Рис.3.2
Недостатками этого приемника являются:
1. Сложность системы настройки. Необходимость обеспечения избирательности требует формирования АЧХ радиотракта, близкой к прямоугольной, что предполагает использование резонансных цепей (например, фильтров из нескольких колебательных контуров). При этом, очевидно, усложняется перестройка по диапазону.
2. Трудность обеспечения усиления на высокой частоте, а, следовательно, сравнительно низкая чувствительность приемника. Кроме того, при большом количестве усилительных каскадов, работающих на одной частоте, возникает опасность самовозбуждения.
3. Непостоянство параметров радиотракта при перестройке. Известно, например, что полоса пропускания одноконтурного фильтра по уровню 0,707
, где
- эквивалентное затухание контура. Очевидно, что при перестройке принимаемой частоты с
до
при постоянном эквивалентном затухании контура
(перестройка контуров изменением емкости) полоса пропускания заметно увеличивается.
В настоящее время РПрУ с фиксированной настройкой применяются лишь в микроволновом и оптическом диапазонах.
Перечисленных недостатков лишена схема супергетеродинного приемника.

Рис.3.3
В радиотракте помимо усиления сигнала происходит преобразование частоты принятого колебания. На рис.3.3. представлена схема с однократным преобразованием. В таком приемнике сигналы частоты
преобразуются в преобразователе частоты (ПрЧ), состоящем из смесителя (См), генератора вспомогательных колебаний – гетеродина (Г) и фильтра (например, фильтра сосредоточенной селекции - ФСС) в колебания фиксированной, так называемой промежуточной частоты
, на которой и осуществляются основное усиление и частотная избирательность. Смеситель содержит нелинейный элемент или элемент с переменным параметром, поэтому в результате воздействия сигналов с частотами
и
на его выходе возникают колебания с комбинационными частотами:
, где
- целые числа от нуля до бесконечности. Одна из этих комбинационных составляющих выделяется фильтром на выходе смесителя и используется в качестве новой несущей частоты выходного сигнала, усиливаемого затем усилителем промежуточной частоты УПЧ, который может содержать несколько каскадов резонансных или апериодических усилителей. Обычно используется наиболее интенсивная комбинационная составляющая с
,
(простое преобразование). Если
, то преобразование называется комбинационным. Чаще всего в качестве промежуточной используется разносная частота
. При этом происходит понижение частоты и облегчается дальнейшее усиление, а верхняя настройка гетеродина
упрощает сопряжение настроек контуров, настроенных на разные частоты. Сопряженная перестройка ВЦ, резонансных цепей УРЧ и гетеродина обеспечивает постоянство
при перестройке по диапазону, что дает возможность использовать в тракте промежуточной частоты сложные неперестраиваемые фильтры сосредоточенной селекции, реализующие АЧХ, близкую к идеальной и обеспечивающие основную избирательность.
В супергетеродинном приемнике реализуется высокое устойчивое усиление за счет ослабления роли паразитных обратных связей. Основные качественные показатели практически не изменяются при перестройке приемника, так как определяются в основном неперестраиваемым трактом промежуточной частоты.
Однако, такой приемник не лишен недостатков, основным из которых является наличие побочных каналов приема. Предположим, что приемник принимает сигнал от радиостанции на частоте
(рис.3.4.). Для этого в приемнике устанавливается частота гетеродина
, при которой
. При этом, если на вход ПрЧ поступает сигнал, который при взаимодействии с частотой гетеродина или ее гармониками также преобразуется в промежуточную частоту, то такой сигнал проходит на выход ПрЧ так же как и полезный сигнал.
![]() |
Рис.3.4
Частоты нескольких побочных каналов приема показаны на рис.3.4. и соответствуют частотам
. При этом предполагается, что в ПрЧ не образуются гармоники сигнала
, то есть преобразователь линеен относительно сигнала. В противном случае сигнал при переносе на промежуточную частоту будет искажен.
Частота
соответствует каналу прямого прохождения. Сигнал этой частоты проходит через ПрЧ без преобразования как через усилитель ( если ПрЧ транзисторный) или как через пассивную цепь (ПрЧ диодный). Частота
соответствует зеркальному каналу, отстоит от полезного сигнала на
и взаимодействует с гетеродином так же как полезный сигнал
.
Очевидно, что отфильтровать побочные каналы приема необходимо до преобразователя и эту функцию выполняет ВЦ и УРЧ. АЧХ ВЦ и УРЧ показана на рис.3.4. пунктирной линией.
Наиболее опасным из побочных каналов приема является зеркальный канал поэтому одним из основных показателей РПрУ является избирательность по зеркальному каналу
. Так как ВЦ и УРЧ обеспечивают лишь избирательность по побочным каналам приема, их АЧХ значительно шире чем АЧХ ФСС, обеспечивающего основную избирательность по соседнему каналу, частота которого соответствует частоте ближайшей станции
. Для сравнения у радиовещательных АМ приемников
, т.е.
;
.
Ввиду того, что ВЦ и УРЧ в РПрУ выполняют функцию предварительной фильтрации, их обычно называют преселектором.
К другим недостаткам супергетеродинного РПрУ относятся влияние нестабильности частоты гетеродина на настройку и возможность излучения колебаний гетеродина через приемную антенну.
Очевидно, выбор промежуточной частоты влияет на основные показатели РПрУ. Чем выше
, тем легче обеспечить избирательность по зеркальному каналу, но тем труднее обеспечить большое устойчивое усиление и фильтрацию в тракте промежуточной частоты.
С другой стороны, понижение
приводит к ухудшению избирательности преселектора и увеличению вероятности излучения колебаний гетеродина через приемную антенну (ввиду близости частоты гетеродина к частоте настройки преселектора). Таким образом, выбор частоты
ограничен противоречивыми требованиями. Поэтому в ряде приемников используется многократное (чаще двукратное) преобразование частоты. При первом преобразовании частота
выбирается достаточно высокой, чтобы проще отфильтровать помехи по ЗК, при втором преобразовании – достаточно низкой, что облегчает фильтрацию соседних станций и обеспечение большого усиления.
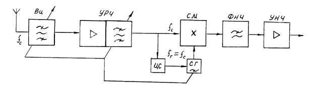
Структурная схема приемника прямого преобразования приведена на рис.3.5.

Рис.3.5.
Такой приемник отличается от супергетеродинного тем, что выбирается
и при разностном преобразовании
. Гетеродин синхронизирован относительно сигнала с точностью до фазы цепью синхронизации ЦС. На выходе смесителя (перемножителя), играющего роль синхронного детектора, получается сигнал с частотой модуляции, выделяемый фильтром нижних частот (ФНЧ) с полосой пропускания, соответствующей ширине спектра сигнала. Такой приемник называют синхродином. К его достоинствам относятся простота и отсутствие ЗК. Недостатки – низкая помехоустойчивость цепи синхронизации, содержащей систему ФАПЧ, и повышенные требования к линейности тракта.
Вопросы для самопроверки
1. Перечислите основные достоинства и недостатки приемников прямого усиления.
2. За счет чего в супергетеродинных приемниках реализуется высокая чувствительность (по сравнению с приемником прямого усиления)?
3. В каких каскадах РПрУ обеспечивается избирательность по зеркальному каналу и почему?
4. Что такое "побочные каналы приема" супергетеродинного приемника?
Ещё посмотрите лекцию "Аннотация" по этой теме.
5. В каких каскадах РПрУ обеспечивается избирательность по соседнему каналу и почему?
6. Из каких соображений производится выбор промежуточной частоты в супергетеродинном приемнике?
7. В каких случаях используется двойное преобразование частоты?
8. Какой приемник называется синхродином и почему?
9. Каковы достоинства и недостатки приемника прямого преобразования? Почему?
10. Изобразите структурную схему супергетеродинного приемника и назовите назначение основных ее элементов.























