Принципы построения стабилизаторов
Лекция № 13.
Принципы построения стабилизаторов.
1) за счет особых средств ВАХ (параметрическая стабилизация).
2) за счет автоматического регулирования выходного напряжения (компенсационная стабилизация).
Параметрический стабилизатор на полупроводниковом стабилитроне:

![]() |
Rб – балансное сопротивление.
Рекомендуемые материалы

![]() |
Наклон обратной ветви характеризуется внутренним сопротивлением стабилитрона rcm(10
50 Ом). Оно должно быть минимальным.
Выражение для коэффициента стабилизации:
Ксм=
;
Кнест=
- коэффициент нестабильности (сквозной, коэффициент стабилизации);
Uвых=Uвх*
;
rcm<<RH;
RБ>>rcm;
Uвых
Uвх*
;
Kcm=
;
Rвых
rcm.
Более качественно являются компенсационные стабилизаторы.
Компенсационные стабилитроны.
· Параллельные ;
· Последовательные (регулирующий элемент включается последовательно с нагрузкой).
Последовательные компенсационные стабилизаторы:
Последовательные компенсационные стабилизаторы применяются чаще.
Структурная схема:

![]() |
ИОН- источник опорного напряжения
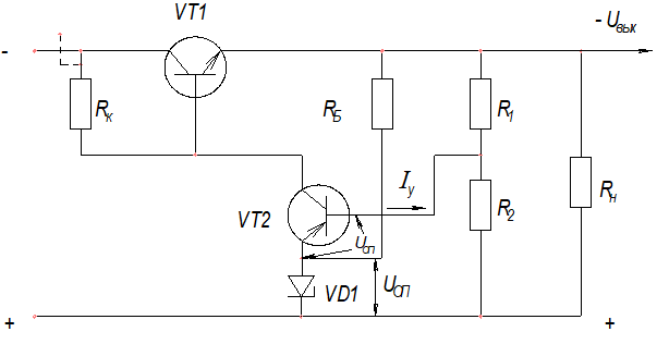
а) построение на дискретных элементах(на биполярных транзисторах).

Схема включения с общим коллектором (эмиттерный повторитель) на VT1.
![]() |
VT1- регулирующий элемент (мощный транзистор)
R1, R2- делительные сопротивления
RH – сопротивление нагрузки
Rб- балансное сопротивление
VT2- усилитель постоянного тока, напряжение на коллекторе которого, является входным для эмиттерного повторителя. Он является транзистором сравнения и усиления. Включен в схеме с ОЭ
Напряжение Uбэ меняется от значения выходного сигнала.
VT2 включен в цепь с ООС и меняет состояние регулировочного транзистора VT1.
Пусть возросло выходное напряжение, тогда увеличивается ток упр-я Iб2 =Iy, увеличивается соответственно Ik2, увеличивается падение напряжения на Rк.
Uкэ=Ек-IkRk следовательно уменьшается падение напряжения на базе регулировочного транзистора, уменьшается Iб на VT1. Регулирующий транзистор подзакрывается, отсюда следует, что выходное напряжение уменьшается.

![]() |
К=
;
К
)
;
Кст=
.

![]() |
Кст
Кдел*Ку2;
Rвых без ос
rэ;
Rвых
rэ/(β1 β2).

![]() |
1)Можно получить высокий коэффициент усиления.
2)Синфазные сигналы на выход не проходят.
Кст
Кдел;
Ri=
;
Бесплатная лекция: "2 Общая характеристика" также доступна.
Rвых
.
На регулировочном транзисторе проходит большое напряжение, протекает большой ток, поэтому его надо выбирать с большим запасом.
Интегральные стабилитроны.
В качестве источника усиления используют ОУ или просто дифференциальный каскад.
К12Ен




























