Переработка жидких шлаков
8. Переработка жидких шлаков
Способы уборки шлака. Из доменных печей объемом 3200— 5500 м3, имеющих четыре чугунные летки, практически весь шлак выпускают через чугунные летки вместе с чугуном; разделение чугуна и шлака происходит в главном желобе, от которого шлак отводят по шлаковому отводному желобу. Из доменных печей объемом 2700 м3 и менее, имеющих одну-две чугунные и две шлаковые летки, шлак выпускают как через шлаковые летки (верхний шлак), так и через чугунные (нижний шлак). По шлаковым желобам литейного двора шлак поступает либо в ковши шлаковозов, устанавливаемых под сливными носками желобов (ковшевой способ уборки шлака), либо на установки припечной грануляции (бесковшевой способ уборки). С помощью шлаковозов жидкий шлак транспортируют на расположенные недалеко от печей установки переработки шлака (центральные, т. е. внепечные установки).
Для вновь строящихся печей наиболее рациональным признано сооружение установок припечной грануляции, однако в большинстве действующих доменных цехов из-за недостатка территории и по ряду других причин сооружение припечных грануляционных установок не представляется возможным. В связи с этим в течение многих лет основная часть доменного шлака будет вывозиться от печей в шлаковых ковшах.
На внепечных (центральных) установках из доменного шлака получают гранулированный шлак, щебень, пемзу, шлаковату, литые изделия; на припечных—гранулированный шлак.
8.1 Грануляция шлака на внепечных установках
Внепечную грануляцию шлаков осуществляют мокрым и полусухим способом. Установки мокрой грануляции — это бассейновые и желобные.
Бассейновая установка представляет собой заполненный водой бассейн вместимостью от 200 до 5500 м3 и глубиной 2—6 м. Вдоль него с одной стороны проложен железнодорожный путь, по которому подают шлаковозы с жидким шлаком, с другой стороны — два пути для железнодорожных вагонов, в которых вывозят гранулированный шлак. Над бассейном и отгрузочными путями по эстакадам перемещается мостовой кран (иногда козловой), оборудованный грейфером объемом 3—4 м3.
Жидкий шлак сливают в бассейн, наклоняя шлаковые ковши с помощью механизма кантования, имеющегося на шлаковозе. Попадающий в воду шлак в результате ее бурного испарения раздробляется на капли размером 1—10 мм. Застывшие гранулы грейферным краном выгружают на площадку для вылеживания и обезвоживания или же непосредственно в железнодорожные вагоны. Грейферы кранов снабжены отверстиями диаметром 10—12 мм для стекания воды, захватываемой грейфером вместе со шлаком; расход воды на грануляцию составляет 3—4 м3/т шлака. Мощность установки зависит от размеров (длины) бассейна, достигая 0,8—1 млн. т шлака в год.
Рекомендуемые материалы
Желобная установка включает, шлакоприемную ванну, стальной или чугунный желоб длиной от 3 до 20 м, установленный с уклоном к концу на 5—15°, и сопла, подающие в начало желоба воду под давлением 0,15—0,5 МПа в количестве до 3 м3/т шлака. Из стоящего на насыпи на железнодорожном пути шлаковоза сливают шлак в приемную ванну, откуда он льется в желоб, по которому под небольшим напором стекает вода. Вода с образующимися гранулами шлака (пульпа) поступает в бассейн либо на склад. Влажность гранулированного шлака бассейновых и желобных установок составляет 20— 25%.
Полусухую грануляцию осуществляют на барабанных и гидрожелобных установках.
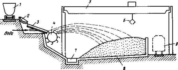
Барабанная установка (рис. 8.1) включает шлакоприемную ванну 2, наклонный направляющий лоток 3 с вмонтированными соплами для подачи воды, вращающийся барабан 4 с лопастями и бетонированную площадку (оклад) 8, обслуживаемую грейферным краном 5. Воду в лоток через сопла подают под давлением 0,2—0,5 МПа в количестве 0,8—1,0 м3/т шлака; барабан длиной 1,5—2,0 м и диаметром 1,2—1,4 м имеет частоту вращения до 600 мин-1.
Из стоящего на железнодорожном пути шлаковоза 1 жидкий шлак сливают в приемную ванну и затем по лотку шлак с водой попадают на лопасти барабана, которые раздробляют: шлак и воду на мелкие частицы и отбрасывают их на склад на расстояние 20—40 м. В полете капли шлака охлаждаются воздухом и водой и затвердевают. Излишняя вода благодаря уклону площадки 8 оклада стекает в отстойник 7, откуда она поступает в систему оборотного водоснабжения. Гранулированный шлак загружают краном 5 с помощью грейфера 6 в железнодорожные вагоны 9. Влажность гранулированного шлака составляет 5—10%.

Рис. 8.1. Схема барабанной грануляционной установки
Гидрожелобная установка (рис. 8.2) включает насыпь 1 со сливным железнодорожным путем 2 для шлаковозов 3; шесть— десять гидрожелобных агрегатов, расположенных перпендикулярно сливному пути; склад гранулированного шлака с поперечными эстакадами 10, по которым передвигаются грейферные краны 9, и систему оборотного водоснабжения. Гидрожелобной; агрегат имеет приемную ванну 4; стальной гидрожелоб 5 длиной 9—10,5 м, расположенный с подъемом к концу под углом: 3°; гидронасадку 6, подающую воду в начало желоба. Гидронасадка выполнена из отверстий диаметром 15—25 мм или в виде-щели общим сечением 0,004—0,008 м2; воду в гидронасадку подают под давлением 0,4—0,7 МПа в количестве 2,5—3,5 м3/т шлака.

Рис. 8.2. Схема гидрожелобной грануляционной установки
Перед грануляцией пробивают корку застывшего шлака в ковше с помощью копра и затем сливают шлак из шлаковоза 3 в приемную ванну, откуда он поступает в гидрожелоб, где поток воды дробит жидкий шлак на капли, охлаждает их и отбрасывает на расстояние до 40 м. Шлак на складе перегружают в штабели и затем в железнодорожные вагоны 11 грейферным краном 9, влажность отгружаемого шлака составляет ~10%. Излишняя вода, благодаря уклону площадки склада, стекает в отстойник 8 и отсюда после осветления (отстаивания) с помощью насосов 7 вновь подается в гидронасадки 6; в систему добавляют свежую (подпиточную) воду (0,5—0,8 м3/т шлака), а также известковый раствор для уменьшения выделений сероводорода при грануляции.
Работа современных различных грануляционных установок характеризуется следующими данными. На установку обычно подают 6—10 шлаковозов, из них одновременно сливают 1—4 шлаковых ковша; длительность слива находится в пределах 3—6 мин. Сопоставляя работу внепечных грануляционных установок, отмечают, что гранулированный шлак бассейновых и желобных установок обладает максимальной влажностью (20— 25%); это затрудняет его транспортировку, особенно в зимнее время из-за смерзания шлака в вагонах. Недостатки барабанных установок — образование большого количества шлаковых волокон и необходимость частых ремонтов барабанов и их приводов. Кроме того, на бассейновых, желобных и барабанных установках бывают взрывы при попадании на грануляцию жидкого чугуна или твердых корок шлака.
Сейчас предпочтение отдают гидрожелобному способу грануляции, как более механизированному, обеспечивающему невысокую влажность гранулята, быстрое опорожнение ковшей, взрывобезопасному. При реконструкции доменных цехов в случае нехватки площадей для припечной грануляции Гипромезом рекомендуется сооружение центральных гидрожелобных установок.
В состав установки должны входить грануляционные агрегаты; копры для пробивания корки шлака в ковшах; пульты управления; склад гранулированного шлака, с мостовыми или портальными грейферными кранами; газоочистка; система оборотного водоснабжения и служебно-бытовые помещения. Производительность установок по гранулированному шлаку рекомендуется принимать 750 либо 1500 тыс. т/год. Число гидрожелобов в составе установки определяется с учетом ориентировочной производительности одного гидрожелоба 160—180 тыс. т/год. Скорость слива шлака, не должна превышать 4—5 т/мин, число одновременно кантуемых ковшей 2—3, а длительность обработки состава шлаковозов на установке должна быть меньше времени между подачами составов от печей. Годовая производительность установок должна быть на 30 % выше, чем требуется для переработки образующегося шлака.
Грануляционные агрегаты необходимо располагать перпендикулярно сливному пути с расстоянием между ними равным длине шлаковоза по сцепкам. Агрегаты размещаются в закрытом корпусе, чтобы обеспечивалось улавливание парогазовых выделений, их очистка от сернистых соединений (известковой водой) и выброс газа и пара через трубу необходимой высоты. Должен быть предусмотрен расход воды на один агрегат до 15 м3/мин при давлении 0,5—0,7 МПа и расход подпиточной (свежей) воды в системе оборотного водоснабжения 0,7— 0,8 м3/т шлака. Последняя обычно включает отстойники, резервуары осветленной воды, насосные станции и оборудование для приготовления известкового раствора. Удельный расход оборотной воды должен составлять не менее 2,5—3 м3/т шлака. Расход электроэнергии составляет 3—4 кВт-ч/т гранулированного шлака.
Склад должен вмещать 7—10 суточный запас продукции. Он представляет собой бетонированную площадку с расположенными перпендикулярно шлаковозному пути крановыми пролетами (эстакадами) шириной 24 м. Длина склада (расстояние между сливным и уборочным железнодорожными путями) достигает 120 м; высоту штабелей гранулированного шлака принимают до 7 м. Высота насыпи для сливного шлакозозного пути должна быть 5—8 м. Площадка склада должна иметь уклон в сторону отстойников системы оборотного водоснабжения, а вблизи грануляционных агрегатов уровень площадки должен быть ниже, чем в остальной части. С целью уменьшения водопотребления в последние годы разрабатываются и прошли промышленное опробование вододутьевые установки, где дробление шлака осуществляется водовоздушным потоком.
8.2 Припечная грануляция
Все вновь сооружаемые и при возможности реконструируемые доменные печи должны оснащаться установками припечной грануляции, располагаемыми рядом с литейным двором. Разработано несколько разновидностей подобных установок; их особенностью является размещение грануляторов в закрытом кожухе, что предотвращает выделение в атмосферу образующихся при грануляции паров воды и сернистых газов (в основном сероводорода). Сернистые газы вредны для здоровья и вызывают коррозию оборудования, водяной пар сильно затруднял бы работу персонала печи и вызывал бы зимой обледенение оборудования.
Припечные установки обладают следующими преимуществами по сравнению с отдаленными от доменных печей грануляционными установками: капитальные затраты и эксплуатационные расходы снижаются на 15—30 % прежде всего за счет сокращения большого парка шлаковозов и транспортных средств; обеспечивается более полное использование шлака, поскольку при перевозке в ковшах 15—30% шлака теряется в виде корок, на поверхности и настылей на ковшах; уменьшается численность обслуживающего персонала; обеспечивается взрывобезопасность процесса; работа установки поддается автоматизации; управление всеми механизмами производится со специального пульта управления.
На доменных печах объем 2000 и 2700 м3 Криворожстали (Украина) эксплуатируют закрытые установки с грануляцией в гидрожелобе.
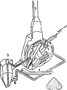
Более совершенными являются разработанные ВНИИМТ и Гипромезом установки, которыми оборудованы недавно построенные печи объемом, 5000 м3 (Криворожсталь), 3200 м3 (НЛМК) и 5500 м3 (ЧерМК). Применяются две разновидности таких установок, различающиеся способом подачи воды на гранулятор: с помощью насоса (например, установка Криворожстали, рис. 8.3) и эрлифта (установка, НЛМК).

Рис. 8.3. Установка придоменной грануляции шлака
Доменную печь оборудуют двумя такими установками, располагаемыми симметрично с двух противоположных сторон литейного двора, причем, каждая установка имеет две автономные рабочие линии; к одной из них шлак от печи поступает по ответвлению 6а шлакового желоба, а к другой — по ответвлению 6б.
Под желобом 6а расположен гранулятор 5, подающий струи воды под давлением, которые раздробляют стекающий с желоба шлак на гранулы. Смесь воды, пара и гранул поступает в. бункер 1, решетка 4 предотвращает попадание в бункер крупных предметов. Пар и газы поступают в скруббер 7 и выбрасываются через трубу 9 в атмосферу. В скруббер через форсунки 8 подают известкованную воду, которая: поглощает из и газов сернистые соединения.
Шлаководяная пульпа (гранулы шлака с водой) из нижней части бункера 7 поступает в колодец 18 эрлифта, поднимающего ее вверх. Для обеспечения работы эрлифта в нижний конец его подъемной трубы 11 подают воздух, а чуть ниже — воду для взмучивания пульпы. Поднимаемая эрлифтом пульпа попадает в сепаратор 10, где происходит отделение отработанного воздуха, а затем самотеком по наклонному трубопроводу сливается в обезвоживатель 12 карусельного типа, который с помощью привода 14 вращают по направлению стрелки А. Обезвоживатель разделен на шестнадцать отдельных секций 13, имеющих решетчатое откидывающееся дно. Пульпа последовательно поступает в каждую из секций и за время вращения обезвоживателя вода пульп стекает через решетчатое дно секций 13 в водосборник 15, откуда поступает в бункер 1. Днища секций 13 открываются над бункером 17, и гранулы высыпаются в него, где дополнительно осушиваются подаваемым снизу воздухом. Из бункера 17 гранулы попадают на конвейер 16 и далее на склад.
Над карусельным обезвоживателем установлен кожух-паросборник (на рис. 8.3 не показан), из которого пар поступает в скруббер 7. Гранулятор работает на оборотной воде; осветленную воду подают к нему насосом 2 из камеры 3 оборотной воды, куда она переливается из бункера через его край.
Каждая линия установки, а также конвейер тракта уборки гранулированного шлака рассчитаны на прием всего шлака, поступающего от доменной печи во время выпуска. Исходят из того, что средняя интенсивность выхода шлака из печей объемом 1400—1800 м3 составляет 2—3 т/мин и из печей объемом 2000—5000 м3 3—5 т/мин; максимальная интенсивность выхода шлака для всех печей 10 т/мин. Максимальное количество шлака за один выпуск на печах объемом 3200—5000 м3 может достигать 200-250 т, длительность выпуска 40—60 мин. Расход воды на гранулятор таких установок составляет 3—6 м3/т шлака, причем свежей воды для подпитки 0,6—0,8 м3/т. Влажность гранулята, поступающего на склад, 14—20 %.
Информация в лекции "2 Основные документы, регламентирующие работу станций" поможет Вам.
Шлаковый эрлифт должен иметь производительность, обеспечивающую уборку всего шлака без его накопления в бункере отстойнике, что требует определенного диаметра подъемной трубы и ,расхода воздуха. На установке НЛМК эрлифт производительностью по шлаку 150 т/ч имеет диаметр подъемной трубы 320 мм и расход воздуха 50 м3/мин, а водяной эрлифт, подающий ее на гранулятор (1800 м3/ч), — диаметр трубы 800 мм с расходом воздуха 470 м3/мин. При реконструкции установки водяной гранулятор был заменен на водо-воздушный, что позволило снизить расход воды с 1800 до 1300— 1400 м3/ч, уменьшить диаметр трубы эрлифта до 500 мм и расход воздуха до 280 м3/мин. Давление воздуха, подаваемого на эрлифт таких установок, равно 0,2 МПа.
В 1984 г. в Гипромезе разработали новую малогабаритную установку придоменной грануляции шлака (МГ УПГШ). Схема малогабаритной установки приведена на рис. 8.4. Небольшие габариты в плане и сравнительно малое заглубление делают возможным размещение установки у любой доменной печи, в том числе у действующих печей без их остановки. Установка работает в замкнутом цикле, без сооружения специальных систем водоснабжения.
Головной образец установки введен в 1994 г. на доменной печи №3 АК «Тулачермет», в 1998 г. две такие установки улучшенной конструкции введены в эксплуатацию на новой доменной печи объемом 2560 м3 на Таньшанском металлургическом комбинате, Китай.

Рис. 8.4 Схема малогабаритной установки придоменной грануляции шлака:
1 – гранулятор; 2 – обезвоживатель; 3 – эрлифт; 4 – конвейерный тракт уборки гранулированного шлака; 5 – труба вытяжная; 6 – насосная станция оборотного водоснабжения





















