Усилители промежуточной частоты
Усилители промежуточной частоты (УПЧ)
К УПЧ относятся каскады РПУ, которые усиливают принимаемый сигнал на постоянной промежуточной частоте. В радиовещательных приемниках АМ - сигналов ПЧ обычно выбираются порядка 465 кГц, при приеме ЧМ - сигналов – 10 МГц. Полоса пропускания частот УПЧ связных приемников с АМ - модуляцией равна 6 кГц, радиовещательных – 9-13 кГц, а при ЧМ – 250 кГц.
УПЧ обеспечивают основное усиление сигнала для нормальной работы детектора и основную избирательность по соседнему каналу. Для этого УПЧ должен иметь большой коэффициент усиления. Обычно УПЧ состоит из 2-3 и более каскадов. Отличительной особенностью УПЧ является то, что частота усиленного сигнала - постоянна. Она не изменяется при изменении частоты принимаемого сигнала, если приемник перестраивается на другую станцию. Это дает возможность применять в УПЧ сложные избирательные цепи, обеспечивающие частотные характеристики близкие к прямоугольным. Работа УПЧ аналогична УРЧ, только вместо частоты сигнала
нужно иметь ввиду промежуточную частоту, поэтому коэффициент усиления по напряжению однокаскадного УПЧ такой же, как у УРЧ:
., но избирательность одноконтурного УПЧ невысокая из-за небольшого коэффициента прямоугольности его АЧХ. Его применение ограничено. Применение в УПЧ двухконтурных (полосовых) фильтров позволяет улучшить параметры усилителя, особенно избирательность. Связь между контурами полосового фильтра может быть индуктивной, внешне емкостной, внутри емкостной и комбинированной (Рис. 1).

Рис.1 Связь между контурами.

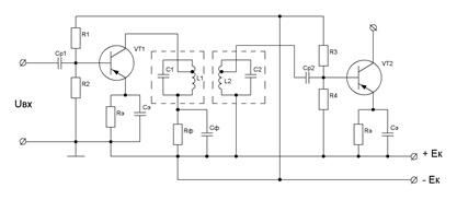
Рис. 2 Двухконтурный УПЧ
Коэффициент усиления каскада УПЧ по напряжению:
(3)
Рекомендуемые материалы
где
– коэффициент передачи полосового фильтра:
(4)

M – взаимоиндукция.
Резонансный коэффициент усиления каскада УПЧ:
(5)
Коэффициент усиления двухконтурного, полосового УПЧ зависит от фактора связи между контурами β (Рис. 3). Возможно три случая связи:
β1 < 1 – слабая связь
β2 = 1 – критическая связь
β3 > 1 – сильная связь
Наибольшее значение
принимает при критической связи (при β = 1
= 0.5), тогда коэффициент усиления: 
"20 Основы электроники" - тут тоже много полезного для Вас.
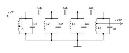
Улучшение свойств избирательности системы идет по линии усложнения фильтров. Разновидностью таких систем являются фильтры с сосредоточенной селекцией (ФСС – рис.4) электрические, пьезоэлектрические, электромеханические, пьезокерамические и пьезомеханические.

β3 > β2 > β1
Рис. 3 АЧХ полосового фильтра при различной связи

Рис. 4 Схема фильтра сосредоточенной селекции (ФСС).






















