Моделирование компонентов
ЛЕКЦИЯ 8
8.1. Моделирование компонентов
8.1.1. Примеры моделей дискретных элементов РЭА
Для построения модели необходимо знать основные физические зависимости, наиболее сильно влияющие на работу самого компонента и других компонентов, связанных с ним. Особенностью моделей элементов РЭА является зависимость их основных характеристик от конструкции и технологии изготовления. Так, если компонент дискретный, то электрическая модель должна учитывать влияние корпуса и выводов, в частности, их собственную индуктивность и емкость. Если компонент является частью интегральной схемы, то необходимо учитывать технологию изготовления этой интегральной схемы.
Модель пленочного резистора
Вид пленочного резистора и его модель в виде эквивалентной электрической схемы показаны на рис. 8.1.
Рекомендуемые материалыТехническое задание FREE Маран Программная инженерия -22% Экономика и финансы организации (Темы 1-10) -30% Сессия под ключ в МТИ. Быстро, с гарантией 100% -33% Помощь с дипломной работой Синергия. Срочно, гарантия 100%, под ключ КМ-3. Оценка эффективности. Расчетное задание Вариант 10
| Паразитная емкость между выводами резистора Паразитная емкость на корпусе |
а б
Рис. 8.1. Вид пленочного резистора (а)
и его электрическая модель (эквивалентная схема) (б)
Сопротивление резистора:
, где
– поверхностное сопротивление резистивного слоя, l и в – длина и ширина этого слоя.
Паразитные емкости:
и
, где
– толщина подложки, ε – диэлектрическая проницаемость подложки.
Данная модель является полной и справедлива в широком диапазоне рабочих частот. Локальная модель (макромодель), например, для цепей постоянного тока, будет содержать только один резистор
.
Модель диффузного резистора
Диффузионный резистор представляет собой резистивный полупроводниковый слой, созданный в кристалле в результате локальной диффузии. От остального объема кристалла резистор изолируется p–n-переходом.






а б
Рис. 8.2. Конструкция и эквивалентная электрическая схема диффузного резистора:
а – полная электрическая модель; б – локальная модель
При построении модели необходимо учитывать, что обратно смещенный p–n-переход обладает током утечки и распределенной емкостью вдоль его длины.
Полная модель (рис. 8.2, а) представляет собой распределенную цепь, описываемую уравнениями в частных производных.
Локальная модель представлена на (рис. 8.2, б) в случае, если пренебречь током утечки.
Модель пленочного конденсатора
Пленочные конденсаторы образуются последовательным нанесением на диэлектрическую подложку металлической, диэлектрической и снова металлической пленки. Удельное поверхностное сопротивление пленок достаточно велико и потери в них заметны уже на частотах от 1Мгц. На более высоких частотах потери вносит сопротивление R, связанное с поляризацией диэлектриков. Кроме этого, существуют собственные индуктивности L.






Рис. 8.3. Конструкция пленочного конденсатора и его эквивалентная схема
Величины R и L определяют экспериментально. Емкость конденсатора вычисляют по формуле
, где ε – диэлектрическая проницаемость, S – площадь обкладок, d – толщина диэлектрика.
Величина r = R0lb, где R0 – поверхностное сопротивление металлических пленок, а l и b – длина и ширина обкладки конденсатора.
Модель диффузного конденсатора
Диффузный конденсатор образован барьерной емкостью p–n-перехода.


Рис. 8.4. Конструкция диффузного конденсатора (слева)
и его эквивалентная схема (справа)
В эквивалентной схеме диффузного конденсатора, кроме паразитного сопротивления p–n-перехода R и r – сопротивления n+ области, обедненной основными носителями, необходимо учесть нелинейные емкости p–n-перехода, зависящие от приложенного напряжения:
,
где С0 – это емкость p–n-перехода при U = │U1− U2│ и коэффициенте
γ = (0,3–0,5), зависящем от характера примесей в зоне перехода, U0 = (0,3–0,5)В – «контактная» разность потенциалов.
Модели биполярного транзистора
Существует несколько моделей биполярного транзистора. В САПР наиболее часто используют модель Эберса–Молла. Кроме этого, используют обобщенную модель Гуммеля–Пуна (модель управления зарядом), модель Линвилла, а также так называемые локальные П- и Т-образные модели линейных приращений Джиаколетто.
Модель Эберса–Молла
Модель Эберса–Молла описывает свойства транзистора в линейном режиме работы и в режиме отсечки.

Рис. 8.5. Модель Эберса–Мола:
rб, rэ, rк – собственное сопротивление базы, эмиттера и коллектора транзистора;
Iб, Iк – управляемые напряжением источники тока; Rбэ, Rбк – сопротивление утечки;
Сбэ, Сбк – собственные емкости эмиттерного и коллекторного переходов;
Сдэ – диффузная емкость эмиттерного перехода
Ток коллектора Iк определяется из уравнения Эберса–Молла:
Iк = Iнас[exp(Uбэ /UT)−1],
где UT = KT ≈ 25,3 мВ;
K – постоянная Больцмана,
Т – абсолютная температура,
q – заряд электрона.
Емкость определяется выражением
,
где C0 – собственная емкость р–n-перехода (при Uбэ = 0);
γ = 0,3–0,5 коэффициент, зависящий от примесей,
U0 = (0,3–0,5)В – «контактная» разность потенциалов.
Аналогично определяется и Cбк:
.
Диффузная емкость определяется выражением Сдэ = AIб , где А – коэффициент с соответствующей размерностью, зависящий от свойств перехода и температуры.
Ток базы определяется выражением
, где β – коэффициент усиления тока транзистора в схеме с общим эммитером (ОЭ).
Для дискретного биполярного транзистора модель Эберса–Молла добавляется значениями паразитных параметров: индуктивностей и емкостей выводов.

Рис. 8.6. Модель дискретного биполярного транзистора
Для интегрального биполярного транзистора модель должна учитывать возникновение RC-структуры, образованной слоями полупроводника при так называемой планарно-эпитаксиальной технологии.




Рис. 8.7. Конструкция интегрального n–p–n-транзистора

Рис. 8.8. Модель интегрального транзистора:
R – сопротивление изолирующего слоя; С – емкость коллектор – подложка
П-образная электрическая модель линейных приращений
(модель Джиаколетто) для биполярного транзистора,
включенного по схеме с общим эмиттером
Модель отражает работу транзистора в линейном режиме (без режима отсечки) и имеет следующий вид (рис. 8.9).

Рис. 8.9. П-образная электрическая модель линейных приращений (модель Джиаколетто) для биполярного транзистора
Условные обозначения:
rб, rэ, rк – собственное сопротивление базы эмиттера и коллектора;
– крутизна транзистора в рабочей точке;
– дифференциальное сопротивление эмиттерного перехода;
– коэффициент передачи транзистора по току в схеме с ОЭ,
где
– коэффициент передачи транзистора по току в схеме с общей базой (ОБ);
rбк – дифференциальное сопротивление коллекторного перехода;
Сбэ , Сбк – емкость эмиттерного и коллекторного перехода.
Модель аналогично ранее рассмотренному способу модифицируется для дискретного и интегрального транзисторов.
Модель МДП-транзистора
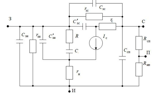
Так называемая электрическая модель конечных приращений для интегрального МДП-транзистора представлена на рис. 8.10.


Рис. 8.10. Структура и электрическая модель МДП-транзистора
В модели R и С учитывают инерционные свойства носителей в канале – это сосредоточенный эквивалент распределенного сопротивления и емкости канала.
Кроме этого, модель учитывает следующие емкости и сопротивления:
Сзи, Сзс – обусловливаемые перекрытием истока (И) и стока (С) областью затвора (З);
С’зи, С’зс – обусловливаемые влиянием частей канала при управляемых напряжениях на затворе;
rс, rи – собственное (объемное) сопротивление стока и истока;
Rсп, Rип – сопротивление между подложкой (П) и стоком (истоком);
rзи, rзс – сопротивление утечек для тока затвора.
Усилительные свойства транзистора моделируются выражением Хофстайна:

,
где К1 – крутизна, К2 – выходная проводимость, U0 – пороговое напряжение при Uи = 0.
Дискретная модель МДП-транзистора получается аналогично дискретной модели биполярного транзистора.
Модель полупроводникового диода
В качестве математической модели полупроводникового диода обычно используется модель Эберса–Молла для одиночного p–n-перехода, имеющая следующий вид:
, где I – ток через диод, а U – напряжение, приложенное к диоду. Модель хорошо аппроксимирует вольт-амперную характеристику диода, кроме участка пробоя, что является для большинства диодов рабочим режимом.

а б в
Рис. 8.11. Вольт-амперная характеристика диода:
а –электрическая модель на основе уравнения Эберса–Мола;
б – модель дискретного диода; в – учитывающая емкости и индуктивности выводов
8.2. Макромодели в программах
схемотехнического проектирования
На этапе схемотехнического моделирования в качестве компонентных моделей используют макромодели некоторых часто используемых базовых схем. Существуют следующие формы представления макромоделей.
1. Внешнее – это формальное описание модели на входном языке программы. Включает в себя имя макромодели, по которому производится обращение к соответствующей программе расчета, список узлов, к которым подключены внешние выводы, перечень параметров или указатель для их поиска в базе данных.
2. Внутреннее – это набор подпрограмм, библиотек функций и таблиц. Табличное представление увеличивает производительность программы примерно в 4–5 раз по сравнению с использованием вычислений функций и уравнений. Поэтому во многих программах анализа предпочтение отдается табличному представлению.
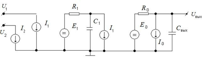
Пример
Внутреннее представление логического элемента И-НЕ состоит из трех каскадов, соответствующих входным, передаточным и выходным характеристикам элемента.

Рис. 8.12. Внутренняя форма представления логического элемента И-НЕ
Управляемые источники I1 = f(U1) и I2 = f(U2) моделируют входные вольт-амперные характеристики элемента. Они снимаются либо экспериментально, либо рассчитываются моделированием на компонентном уровне. Для задания токов I1 и I2 используется табличное представление.
Источник напряжения Е1 = f (U) моделирует передаточную характеристику элемента И-НЕ, которая, в свою очередь, аппроксимируется кусочно-линейной функцией с использованием табличного описания.

Рис. 8.13. Передаточная функция элемента И-НЕ
Значение Uвых = f (U) присваивается источнику напряжения Е1 = f (U). Элементы
– образуют фильтр низких частот (ФНЧ), который моделирует перепад напряжения от источника Е1. Выражение R1 = const, а C1меняется при анализе длительности фронта и среза выходного импульса в зависимости от входного. Выбор C1 осуществляется отдельной подпрограммой.
Источник тока I3 моделирует режим по постоянному току. Поэтому значение I3 задается константой. Выходное напряжение второго каскада U3 присваивается источнику Е0, который моделирует среднее время задержки распространения сигнала от входа к выходу. Для этого значение напряжения для Е0 берется с предыдущего шага интегрирования, которое выполняется отдельной подпрограммой. Выходные характеристики моделируются источником тока
, который управляется током через сопротивление R0. Величина R0 определяется кусочно-линейной аппроксимацией выходных характеристик элемента И-НЕ и задается таблично. Выходная емкость Свых задается константой.
Аналогичным образом формируются макромодели и более сложных цифровых схем, в том числе триггеров, мультивибраторов, регистров, счетчиков, дешифраторов и др. Все они содержат логико-электрические и электрико-логические преобразования для сопряжения сигналов макромоделей с электрическими сигналами, задаваемыми в программах.
8.3. Макромодели аналоговых схем
Макромодели аналоговых схем служат для моделирования разнообразных устройств преобразования и обработки сигналов, изменяющихся по непрерывному функциональному закону, в частном случае линейному. Это усилители, выпрямители, умножители, стабилизаторы и т.д.
В РЭА весьма распространены операционные усилители (ОУ), которые используются для разных математических операций: суммирование, вычитание, интегрирование, дифференцирование и т.п.
Простейшая (идеальная) модель соответствует идеальному ОУ с характеристикой U = f(U1,U2) и может быть использована для приблизительной оценки свойств ОУ. Модель имеет бесконечное входное сопротивление (Rвх→∞, так как I1 = I2 = 0), нулевое выходное сопротивление (Rвых = 0), стремящийся к бесконечности коэффициент усиления (А→∞), отсутствие температурного дрейфа и смещения нуля. Чтобы получить такие свойства, ОУ реализуют по достаточно сложным схемам на транзисторах.

Рис. 8.14. Слева-направо: условное обозначение, идеальная модель
и выходная характеристика ОУ:
ΔU – некоторое малое входное напряжение; А – усиление при разомкнутом контуре ОС
Более точной является квазиидеальная модель, которая учитывает Rвх≠∞, Rвх≠0, А≠∞.

Рис. 8.15. Квазиидеальная модель операционного усилителя
При составлении моделей схем обычно используют эвристические приемы. Сначала рассматривается идеальная макромодель, а затем производится постепенное увеличение точности за счет введения в нее дополнительных элементов, характеризующих отклонение от идеала.
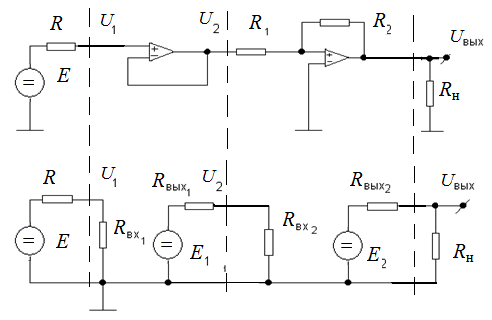
8.3.1. Пример модели прецизионного ОУ
В то время как схема прецизионного ОУ на транзисторах будет содержать не менее сотни элементов, квазиидеальная модель содержит менее десяти элементов и дает достаточно точные результаты при моделировании.
Коэффициент передачи ОУ, охваченного контуром ОС, определяется выражением
, где В – коэффициент передачи цепи ОС.

Рис. 8.16. Функциональная схема ОУ (вверху) и его макромодель
в виде эквивалентной схемы (внизу)
Таким образом, в идеальном ОУ, для которого
, имеем
,
,
, а для квазиидеального ОУ
,
,
. Более точно значение
определяется выражением
.
Для идеального ОУ считают
,
,
, а для квазиидеального
,
,
. Более точное значение
, а
.
Контрольные вопросы к лекции
1. Какие задачи решаются при моделировании компонентов?
2. Какие особенности связаны с компонентным моделированием?
3. В чем состоит различие между моделью пленочного и диффузного резистора?
4. В чем заключается различие между моделью пленочного и диффузного конденсатора?
5. Какие существуют модели биполярного транзистора?
6. В чем состоит суть модели Эберса–Молла?
7. В чем состоит различие между моделями интегрального и дискретного биполярного транзистора?
8. В чем состоит суть модели Джиаколетто?
Лекция "1.22 Предметы княжеского и царского быта" также может быть Вам полезна.
9. Какова модель МДП-транзистора?
10. Что используют в качестве модели полупроводникового диода?
11. Что используют в качестве моделей ряда базовых схем на этапе схемотехнического проектирования?
12. Привести пример макромодели базового логического элемента.
13. Привести пример макромодели для ОУ.
14. В чем состоит различие между идеальной и квазиидеальной моделью ОУ?






















