Сеть телевизионного вещания
6 сеть телевизионного вещания
6.1 Общие сведения о сети телевизионного вещания
Сетью ТВ вещания называется комплекс технических средств, обеспечивающих передачу и получение на расстоянии изображений объектов со звуковым сопровождением для массовой аудитории зрителей (рисунок 6.1). Он содержит источники ТВ программ – телевизионные центры (ТЦ), сеть распределения ТВ программ (СРТП), телевизионные радиопередатчики (ТРП), индивидуальные ТВ приемники (ТПр) и распределительные сети систем коллективного приема (РССКП). ТЦ формирует полный цветовой ТВ сигнал и сигнал звукового сопровождения (ЗС). СРТП служит для подачи ТВ программ от ТЦ к ТРП, а также для обмена программами между ТЦ. В ТРП производится преобразование полного цветового ТВ сигнала и сигнала ЗС в радиосигнал изображения (РСИ) и радиосигнал звукового сопровождения (РСЗ) и излучение этих радиосигналов с помощью передающей антенны (АПд). Приемная телевизионная антенна (АПр) преобразует энергию электромагнитного поля в радиосигналы вещательного телевидения (РСИ и РСЗ), которые через индивидуальный соединительный кабель или через РССКП поступают на входы ТВ приемников. В ТПр радиосигналы изображения и звукового сопровождения преобразуются в телевизионное изображение и звук.
В районах с неблагоприятными условиями приема дополнительно организуется сеть ТВ ретрансляторов (ТР). ТР активного типа (рисунок 6.2,а) принимают от ТРП радиосигнал вещательного телевидения, усиливают его, при необходимости преобразуют в другую полосу частот и излучают. Пассивные ретрансляторы (рисунок 6.2,б) позволяют только изменить направление излучения ТРП.
Совокупность ТЦ, ТРП и соединяющей их сети распределения ТВ программ образуют передающую сеть телевизионного вещания. ТВ приемники совместно с индивидуальными и коллективными приемными ТВ антеннами и распределительными сетями систем коллективного приема телевидения и кабельного телевидения образуют приемную сеть телевизионного вещания.
Для передачи радиосигналов вещательного телевидения отведены определенные участки метрового (MB) и дециметрового (ДМВ) диапазона волн, условно разбитые на 5 диапазонов (I, II, ..., V), из которых I–III относятся к MB, a IV, V – к ДМВ.
Полоса частот, отводимая для передачи радиосигнала одной ТВ программы, называется радиоканалом. По стандарту, принятому в Беларуси и СНГ, в I диапазоне частот (48,5–66 МГц) размещаются два радиоканала вещательного телевидения, которым присвоены номера i = 1, 2, во II (76–100 МГц) – три радиоканала (i=3,4,5), в III (174–230 МГц) – шесть радиоканалов (i = 6–12), в IV (470–582 МГц) –14 каналов (i = 21–34) и в V диапазоне (582–790 МГц) –25 каналов (i = 35–60).

Рекомендуемые материалы
Рисунок 6.1 – Структурная схема сети телевизионного вещания

а

б
а – активный; б – пассивный
Рисунок 6.2 – Варианты применения ретрансляторов
Радиосигнал (РС) вещательного телевидения представляет собой совокупность РСИ (изображения) и РСЗ (звукового сопровождения) одной ТВ программы. РСИ образуется в результате амплитудной модуляции сигнала несущей частоты изображения fни полным цветовым ТВ сигналом. Для сокращения полосы частот радиоканала нижняя боковая полоса спектра РСИ (Sрси) частично ограничена (рисунок 6.3, а) с помощью специального формирующего фильтра канала изображения ТВ радиопередатчика (его АЧХ обозначена Kтрп).
РСЗ образуется в результате частотной модуляции сигнала несущей частоты звука fнз сигналом звукового сопровождения. Разнос частот несущих РСЗ и РСИ в СНГ принят равным Δfзи = 6,5 МГц.
Можно показать, что для уменьшения искажений ТВ сигнала, передаваемого путем амплитудной модуляции с частичным подавлением одной боковой полосы, АЧХ части канала изображения ТВ приемника (от входа до амплитудного демодулятора) kпрвч(f) должна иметь кососимметричный склон в области fни (рисунок 6.3, б). При этом одновременно упрощается проблема обеспечения требуемой избирательности ТВ приемника от соседних каналов приема, в частности от ближайшей соседней несущей частоты звука fнз.i–1.
Радиосигнал изображения может быть получен при негативной (рисунок 6.4) или позитивной амплитудной модуляции несущей изображения, при этом уровни гасящего (ГИ) и синхронизирующих (СИ) импульсов должны быть фиксированы. В СНГ принята негативная модуляция, которая имеет следующие преимущества: 1) при одинаковой пиковой мощности, принимаемой за 100%, средняя мощность сигнала (а следовательно, и выходного каскада ТВ передатчика изменяется от 15 до 75 %, тогда как при позитивной — от 25 до 100 %; 2) в нелинейную область амплитудной характеристики выходного каскада ТРП попадают практически только СИ, а переходы сигнала от белого до черного передаются без искажений; 3) более просто выполняется автоматическая регулировка усиления (АРУ) в приемнике, поскольку опорный (неизменный) уровень РСИ, соответствующий синхроимпульсам, имеет максимальное значение; 4) более просто осуществляется выделение СИ для синхронизации разверток в приемнике.
Основной недостаток негативной модуляции – более высокая заметность помех на изображении — сказывается только при весьма малых уровнях РСИ на входе ТВ приемника.
Параметры РСИ и РСЗ, показанные на рисунках 6.3, 6.4, а также разнос частот между соседними радиоканалами определяются стандартами, которые в разных странах отличаются друг от друга. В соответствии со стандартом, принятым в СНГ , ΔFM = 1,25 МГц, ΔF = 0,75 МГц, Δfрк=8 МГц (см. рисунок 6.3); уровни СИ, ГИ и белого указаны на рисунке 6.4; разнос частот fни i, и fнз i+1 составляет 3 МГц в I диапазоне и 1,5 МГц – во II–V, разнос частот fни i и fни i+1 – 9,5 МГц в I диапазоне и 8 МГц – во II–V диапазонах.

б
а – на передающей стороне; б – на приемной
Рисунок 6.3 – Формирование спектра ТВ радиосигнала

Рисунок 6.4 – Форма АМ радиосигнала изображения с негативной
модуляцией
6.2 Приемная сеть телевизионного вещания
6.2.1 Телевизионный приемник
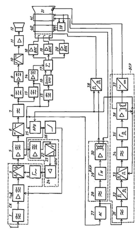
Приемник цветного изображения является основным и самым массовым элементом сети абонентского телевизионного доступа (рисунок 6.5). Он строится по супергетеродинной схеме, т.е. с преобразованием частоты радиосигнала вещательного телевидения в область более низкой промежуточной частоты, где и производится основное усиление. Для этой цели служит селектор каналов (СК), состоящий из частотно-избирательной входной цепи резонансного усилителя радиочастоты 2, смесителя частоты 3 и гетеродина 4. СК выполняется в виде отдельного блока, который может осуществлять прием или только в диапазоне MB (СКМ), или только в ДМВ (СКД), или, наконец, в обоих диапазонах – всеволновой (СКВ). Настройка СК на соответствующий радиоканал производится механическим или электронным способом. В первом случае используется барабанный переключатель, содержащий съемные вставки с катушками индуктивности, которые входят в состав резонансных контуров входной цепи, УВЧ и гетеродина. Во втором случае коммутация катушек индуктивности осуществляется с помощью коммутационных диодов, а настройка контуров на заданный радиоканал – с помощью варикапов. Обычно устройства коммутации и органы предварительной настройки конструктивно объединяют в виде отдельного блока – устройства сенсорного выбора программ (СВП).
С выхода селектора каналов преобразованный сигнал вещательного телевидения поступает в усилитель промежуточной частоты изображения (УПЧИ), где производится основное усиление сигнала, а также формирование требуемой формы АЧХ и ФЧХ. В первых моделях приемников ЦТВ тракт УПЧИ строился по схеме рисунке 6.6 и состоял из двух каналов: канал изображения (блоки 1, 2, 3) и канал звука (5, 6). АЧХ блока 1 соответствует характеристике 2 на рисунке 6.7, а АЧХ последовательно соединенных блоков 1 и 2 – характеристике 3.
Отметим, что АЧХ на рисунке 6.7 «зеркальна» АЧХ на рисунке 6.3, б, поскольку преобразователи частоты в селекторе каналов производится с инверсией спектров, при этом частота гетеродина для i-го канала равна: fг i=fни i+fпр. и. Частота fпр. и=const для всех i=1,2,… и называется промежуточ-ной частотой изображения, частота f 'пр з = fни i – fнз i называется первой проме-жуточной частотой звука. Для отечественного стандарта fпр.и = 38 МГц, f 'пр. з = 31,5 Мгц.


При такой АЧХ затухание УПЧИ для частоты f 'пр.з составляет 36-40 дБ, что обеспечивает незаметность на выходе детектора огибающей 3 (обычно диодный детектор) продуктов биений между промежуточными частотами звука f 'пр з и цветности fпр.ц (fпр.ц = fпр.и – fпц). Поскольку поднесущая цветности fпц в полном цветовом ТВ сигнале в соседних строках равна 4,406 и 4,25 МГц (см. гл.5), то частота биений между компонентами fпр.ц и f 'пр.з равна 2,1 или 2,25 МГц (6,5 – 4,4 или 4,25), попадает в спектр сигнала яркости и не может быть отфильтрована без ухудшения качества изображения. Очевидно, если в тракте УПЧИ подавить частоту f 'пр.з, то указанного явления не будет, но зато и не будет продукта биений на выходе видеодетектора с частотой f ''пр.з = =fпр.и–f 'пр.з = 6,5 МГц, который можно было бы использовать для дальнейшей обработки РСЗ. С целью получения достаточно большого уровня напряжения с разностной частотой 6,5 МГц (она называется также второй промежуточной частотой звука f "пр.з) используется дополнительный детектор разностной частоты 5 (см. рисунок 6.6), подключенный к выходу блока 1, где ослабление частоты сравнительно невелико. Сигнал звукового сопровождения на второй промежуточной частоте образуется за счет биений fпр.и и f 'пр.з в детекторе 5.
Затем он выделяется и усиливается резонансным усилителем 6. Дальнейшие преобразования этого сигнала будут описаны ниже.
В настоящее время для повышения качества приема в приемниках ЦТВ всех систем используют синхронное детектирование, а тракт УПЧИ строят по схеме рисунка 6.8, где обозначены: 1 –тракт УПЧИ с АЧХ, соответствующей характеристикам 1 или 2 на рисунке 6.7, 6 – усилитель-ограничитель, порог ограничения которого выбран ниже уровня белого в радиосигнале изображения (см. рисунок 6.4); 7 – резонансный усилитель, настроенный на частоту fпр.и; 2 – синхронный детектор (СД), построенный по схеме балансного перемножителя сигналов; 3 – ФНЧ; 4 и 5 – соответственно полосовой и режекторный фильтры, настроенные на частоту f 'пр.з.
Блоки 6, 7 образуют канал восстановления частоты fпр.и, уровень которой на втором входе СД значительно превышает уровень сигнальных составляющих на частотах fпр.и и f 'пр.з, поступающих на первый вход СД. В этом случае основными продуктами преобразования на выходе СД являются продукты биений сигнальных компонент с компонентой восстановленной промежуточной частотой изображения. Биения между самими сигнальными компонентами пренебрежимо малы; следовательно, сигнал, полученный после ФНЧ 3, имеет спектр такой же, как на рисунке 6.9, т.е. без помехи с частотой 2,1 (2,25) МГц, а также мешающих продуктов, обусловленных паразитной амплитудной модуляцией ЧМ сигналов на промежуточных частотах цветности и звукового сопровождения.

Рисунок 6.6 – Вариант построения тракта УПЧИ с использованием
дополнительного детектора для выделения поднесущей звука

30,0 31,5 36,5 38,0 39,5 41,0 МГц
Рисунок 6.7 – Возможные варианты нормированной АЧХ тракта УПЧИ

Рисунок 6.8 – Вариант построения тракта УПЧИ с использованием синхронного детектора
Вернемся к схеме рисунка 6.5, где демодулятор б, ФНЧ 7, полосовой 8 и режекторный 13 фильтры аналогичны по назначению и характеристикам соответствующим блокам 2…5 на рисунке 6.8. После фильтра 8 частотно-модулированный сигнал ЗС с центральной частотой 6,5 МГц проходит через резонансный усилитель-ограничитель звука 9 (УПЧЗ) и поступает на вход частотного детектора звука 10. После детектирования сигнал ЗС усиливается усилителем низкой частоты 11 и поступает в акустическую систему 12, содержащую несколько типов громкоговорителей.

Рисунок 6.9 – Спектр сигнала после синхронного детектора
С выхода режекторного фильтра 13 полный цветовой ТВ сигнал поступает в блок обработки яркостного сигнала 14, содержащий широкополосный видеоусилитель, режекторный фильтр на частоту fп = 4,28 МГц и линию задержки на время 0,33 мкс (в ламповых моделях приемников ЦТВ — на время 0,7 мкс). В блоке 14 обычно предусмотрено автоматическое отключение режекторного фильтра при приеме ТВ программ в черно-белом изображении.
С помощью полосового фильтра 15 выделяется сигнал цветности, который проходит обработку в декодере 16. Цветоразностные сигналы с выхода декодера поступают в матрицу 17, куда подается также сигнал яркости с блока 14. На выходе матрицы образуются ТВ сигналы основных цветов, которые усиливаются однотипными выходными видеоусилителями 18–20 и поступают на раздельные катоды трехлучевого кинескопа цветного телевидения. В блоках 18–20 производится также восстановление постоянной составляющей (ВПС) сигналов основных цветов, которая несет информацию о средней яркости изображения (более детально работа блоков 14-17 описана в разделе 5.3).
В процессе работы за счет действия дестабилизирующих факторов (температуры, питающих напряжений и т. п.) частота гетеродина fг может значительно измениться относительно номинальной. Это отклонение Δfг в ряде случаев доходит до 0,8–1 МГц, соответственно на ту же величину изменяется преобразованная частота изображения и положение спектра AM сигнала относительно АЧХ УПЧИ, что приводит к большим линейным и квадратурным искажениям демодулированного сигнала. Для ослабления этого явления в приемнике ЦТВ используется схема автоматической подстройки частоты гетеродина (АПЧГ), содержащая дополнительный УПЧ 22, частотный детектор (ЧД) 23, усилитель постоянного тока (УПТ) 24 и управляющий элемент (обычно варикап), включенный в контур гетеродина 4. При отклонении fг от номинальной на выходе ЧД появляется управляющее напряжение, величина и полярность которого пропорциональны величине и знаку Δfг. После усиления в УПТ это напряжение поступает на варикап, изменяя его емкость до тех пор, пока частота гетеродина не станет почти равной номинальной (система АПЧГ стабилизирует fг с некоторой остаточной ошибкой
Δf 'г, которая, однако, невелика – не более 10-30 кГц).
Постоянство размаха ТВ сигнала на катоде кинескопа при значительных изменениях уровня радиосигнала на входе телевизора поддерживается схемой АРУ, анализирующей уровень тех участков ТВ сигнала, которые не зависят от содержания изображения и, соответственно, не меняются от строки к строке. Удобно анализировать уровень строчных синхронизирующих импульсов (ССИ), которые к тому же имеют максимальный размах по сравнению с другими участками сигнала (см. рисунок 6.4). Чтобы результат анализа не зависел от содержания изображения, схема АРУ 25 (см. рисунок 6.5) обычно открывается импульсами, поступающими с выходного каскада строчной развертки, которые совпадают во времени с ССИ. Напряжение АРУ, пропорциональное размаху ССИ, подается на первый каскад УПЧИ (или на несколько каскадов УПЧИ) и меняет его коэффициент усиления. Регулировка усиления в усилителе радиочастоты (УРЧ) 2 целесообразна только при больших уровнях входного сигнала, поэтому напряжение АРУ поступает в УРЧ через схему задержки 26, которая представляет собой ограничитель уровня снизу, т. е. не пропускает сигналы с уровнем, меньшим некоторого порогового значения.
Сигнал синхронизации, необходимый для синхронизации развертывающих устройств, выделяется из полного ТВ сигнала с помощью амплитудного селектора (АС) 27. Этот сигнал содержит строчные и кадровые синхро-низирующие импульсы (КСИ) и поступает на входы блоков кадровой (БКР) и строчной (БСР) разверток. БКР состоит из схемы селекции КСИ 28, выполненной по схеме интегрирующей LС–цепи, задающего генератора пилообразных колебаний 29 и выходного усилителя 30, нагруженного на кадровые отклоняющие катушки 41. Синхронизация генератора 29 осуществляется путем захвата частоты внешним КСИ.
БСР состоит из схемы селекции ССИ 31, выполненной по схеме дифференцирующей RC-цепи, формирователя импульсов 32, фазового детектора (ФД) 33, ФНЧ 34, импульсного генератора 35 и выходного каскада 36, нагруженного на строчные отклоняющие катушки 41. Строчные и кадровые отклоняющие катушки образуют отклоняющую систему кинескопа 41.
Схема селекции ССИ 31, имеющая АЧХ, подобную АЧХ фильтра верхних частот, практически не ослабляет короткие импульсные помехи, которые могут вызвать срыв синхронизации строчной развертки. Для повышения защищенности от импульсных помех в БСР используется схема фазовой автоматической подстройки частоты (ФАПЧ) задающего генератора. Работа схемы ФАПЧ основана на том, что в ФД 33 производится сравнение фаз и частот импульсов, генерируемых генератором 35 (поступающих с выходного каскада 36), и внешних ССИ, формируемых в блоке 32 и пораженных помехой. На выходе ФД включен ФНЧ 34 с полосой пропускания примерно 100-500 Гц, который не пропускает скачки фазовой ошибки, обусловленные импульсной помехой, а выделяет систематическую ошибку, усредненную в течение многих строк. Напряжение этой ошибки может подаваться на управляющий элемент генератора, например варикап, но чаще оно меняет режим работы импульсного генератора по постоянному току, при этом меняется и частота генерации. Более детально работа этого блока описана в 6.2.2.
Импульсное напряжение, снимаемое с высоковольтной обмотки выходного трансформатора строчной развертки, выпрямляется высоковольтным выпрямителем 37 и поступает на анод кинескопа 21. Постоянные напряжения, подаваемые на управляющий и фокусирующий электроды кинескопа, формируются после выпрямления импульсов кадровой развертки. Для надежного закрывания кинескопа во время обратного хода по строкам и полям применяется схема гашения обратных ходов (СГОХ) 38, импульсное напряжение с которой подается на модулятор кинескопа.
При использовании кинескопов с дельтавидным расположением трех электронных прожекторов в пространстве правильность попадания каждого луча на люминофоры соответствующего цвета обеспечивается с помощью блока динамического сведения 40 и регулятора сведения 39. Блок 40 содержит три электромагнита, размещенных на колбе кинескопа, по которым проходят корректирующие токи примерно параболической формы с частотой строк и полей. Эти токи формируются в блоке 39. При использовании кинескопов с самосведением лучей (компланарных – см. рисунок 4.2, б) блоки 39 и 40 отсутствуют.
Структурная схема приемника черно-белого изображения формально может быть получена из схемы, изображенной на рисунке 6.5, путем исключения ряда блоков, например 15-20, 39, 40 и замены кинескопа.
Отличительными особенностями современных телевизоров являются:
1. Применение больших интегральных схем (БИС), которые по функциональному назначению заменяют сразу несколько блоков из числа тех, что приведены на рисунке 6.5;
2. Применение фильтров (полосовых и режекторных, в том числе и со сложной формой АЧХ типа рисунка 6.7) на поверхностных акустических волнах (ПАВ), которые имеют высокую точность и повторяемость характеристик, малые габариты и вес и не требуют регулировок;
3. Применение импульсного источника питания, который позволяет исключить громоздкий и дорогой сетевой трансформатор, уменьшить емкость и размеры конденсаторов фильтров питания, поднять КПД блока питания и обеспечить стабильную работу телевизора при значительных колебаниях питающей сети.
6.2.2 Сигнал синхронизации и система синхронизации ТВ приемника
Совокупность технических средств, с помощью которых обеспечиваются синхронность и синфазность процессов анализа и синтеза изображения, называется системой синхронизации. Для нормального функционирования системы синхронизации ТВ приемников необходимо выполнение следующих операций: создание в ТВ датчике (передающей ТВ камере) сигнала синхронизации (СС) для строчной и кадровой синхронизации приемников; объединение СС с ТВ сигналом для передачи по общему тракту передачи изображения; разделение СС и ТВ сигнала на приемной стороне; разделение СС на синхронизирующие импульсы строк и кадров (полей). Полученные синхроимпульсы затем воздействуют на соответствующие генераторы развертки.
Поскольку СС несет информацию только о моментах перехода во времени с одной строки на другую (строчная синхронизация) и с одного поля (кадра) на другое (полевая или кадровая синхронизация), такой сигнал может быть сформирован дискретным во времени. Удобно передавать СС в интервалах времени, когда канал передачи свободен от видеоинформации, т. е. во время обратных ходов развертывающих устройств датчика. При временном уплотнении СС и ТВ сигнала важное значение имеет форма СС, которая должна удовлетворять ряду требований: длительность СС не должна превышать интервалов строчных и кадровых гасящих импульсов в датчике, отделение СС от ТВ сигнала в приемнике обеспечивается простыми средствами; полное разделение СС на ССИ и КСИ обеспечивается простыми средствами и без взаимных помех; выделение СС и его отдельных составляющих должно производиться с малыми ошибками в условиях действия помех; СС должен формироваться в датчике по возможности простыми средствами, но с обеспечением необходимой стабильности параметров; в СС должны присутствовать постоянные уровни в течение времени, необходимого для работы цепей фиксации уровня.
В системе отечественного телевидения принята такая форма СС, при которой отделение СС от сигнала яркости производится с помощью амплитудной селекции. Выделенный полный сигнал синхронизации (СС) в соседних полях показан на рисунках 6.10, а, б. Разделение ССИ и КСИ основано на различии их длительностей. Это позволяет использовать для разделения простые цепи: дифференцирующие – для выделения ССИ (рисунок 6.10, в), интегрирующие – для выделения КСИ (рисунок 6.10, г). Чтобы не прерывать передачу ССИ во время передачи КСИ, последние прорезаются импульсами двойной строчной частоты (импульсами врезки). Для того, чтобы выровнять условия выделения КСИ в четных и нечетных полях, до и перед КСИ вводится несколько уравнивающих импульсов (УИ) двойной строчной частоты.
Целесообразность такой формы СС удобно доказать методом от противного. Пусть, например, врезки следуют не с двойной строчной частотой, а с частотой строк (рисунок 6.11, а, б). Тогда после интегрирования (рисунок 6.11, в) импульсы четных и нечетных полей будут отличаться по форме и достигать порога синхронизации Uпор в различное время. Сдвиг на величину Δt1 приведет к нарушению чересстрочной развертки: растры полей будут сдвинуты по вертикали не точно на половину расстояния между соседними строками, и появится так называемое спаривание строк. При этом значительно возрастет заметность строчной структуры растра и уменьшится четкость изображения по вертикали. Аналогичное явление возникает и тогда, когда отсутствуют уравнивающие импульсы (рисунок 6.12, а, б). На рисунке 6.12 штриховой линией обозначена форма импульса на выходе интегрирующей цепи для четного поля, сплошной – для нечетного.

Рисунок 6.10 – Структура сигнала синхронизации в нечетном (а), четном (б) полях,
на выходе дифференцирующей (в) и интегрирующей (г) цепей

Рисунок 6.11 – Упрощенный сигнал синхронизации с врезками строчной
частоты в нечетном (а), четном (б) поле и на выходе интегрирующей (в) цепи
Основными недостатками рассмотренного СС являются: потери для видеоинформации части динамического диапазона усилительного тракта и линии связи (25 % полного размаха приходится на долю СС); низкая помехозащищенность СС и соответственно строчной развертки и изображения в целом к действию импульсных помех малой, длительности.
Это объясняется тем, что дифференцирующая цепь как элемент частотной селекции имеет очень широкую полосу пропускания (1–2 МГц с учетом влияния паразитных емкостей), тогда как интегрирующая цепь (обычно используется двух- или трехзвенная RC-цепъ) – полосу пропускания 50–100 Гц.

Рисунок 6.12 – Упрощенный сигнал синхронизации без уравнивающих импульсов в нечетном (а), четном (б) поле и на выходе интегрирующей (в) цепи
Эффективность действия помех в канале синхронизации существенно зависит от того, каким образом выделенный синхроимпульс воздействует на соответствующий задающий генератор (ЗГ) развертки в приемнике. Возможны два вида воздействия: захват частоты колебаний ЗГ (или непосредственная синхронизация) и параметрическая синхронизация. В первом случае синхросигнал, воздействуя на активный элемент автогенератора, изменяет мгновенное значение проходящих в нем токов. Во втором случае под действием синхросигнала изменяются параметры тех элементов автогенератора, которые определяют частоту колебаний.
При непосредственной синхронизации импульсы помехи, появившиеся в интервале между синхроимпульсами, могут привести к преждевременному началу обратного хода развертки. Если помехи действуют на генератор строчной развертки, то части строк беспорядочно смещаются на экране влево или вправо, а на изображении появляются изломы и разрывы. Флуктуационные помехи, наложенные на строчные синхроимпульсы, вызывают флуктуации фронтов импульсов, что приводит к «зазубриванию» вертикальных линий и границ.
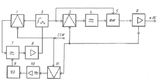
Более эффективна параметрическая (или инерционная) система синхронизации. Управление выбранным параметром элемента ЗГ производят с помощью системы автоматического регулирования. Наибольшее применение получила система фазовой автоподстройки частоты (ФАПЧ). В типовой схеме ФАПЧ, применяемой в ламповых телевизорах (рисунок 6.13), на один вход фазового детектора (ФД) 4 подаются ССИ, выделенные из ТВ сигнала (рисунок 6.14, а), а на другой вход — пилообразные колебания строчной частоты (рисунок 6.14, б), получаемые из импульсов обратного хода выходного каскада строчной развертки 2 (рисунок 6.14, в) с помощью формирующего устройства 3. В зависимости от расположения середины ССИ относительно середины пилообразного напряжения на выходе ФД возникает импульсное напряжение той или иной полярности и амплитуды. В установившемся режиме (показанном на рисунке 6.14) это напряжение равно нулю В переходном режиме оно изменяется с частотой биений, равной разности частот ССИ и ЗГ 1. С выхода ФД 4 это напряжение отфильтровывается интегрирующим звеном типа ФНЧ 5, усиливается и поступает на вход управляющего элемента (УЭ) 6, который изменяет частоту колебаний ЗГ 1. Если в качестве ЗГ применяется синусоидальный генератор, то управляющим элементом является варикап или реактивный транзистор (лампа). В импульсных ЗГ частота изменяется непосредственно под действием управляющего напряжения. В этом случае элемент 6 отсутствует.
Благодаря ограниченной полосе частот, пропускаемой ФНЧ 5, быстрые изменения напряжения с выхода ФД 4 не попадают на управляющий элемент или оказываются там в ослабленном виде, так что система ФАПЧ не реагирует на них. Это и определяет повышенную защищенность инерционной системы синхронизации от импульсных и флуктуационных помех. Уменьшение полосы пропускания ФНЧ 5 (и соответственно повышение помехозащищенности) ограничено некоторой полосой, называемой полосой захвата, при которой система ФАПЧ обеспечивает вхождение в синхронизм (захват синхронизации) при всех заданных начальных расстройках синхронизируемого ЗГ относительно сигнала синхронизации.
Противоречие между помехозащищенностью и полосой захвата можно в определенной мере разрешить, например, с помощью двухрежимной ФАПЧ, содержащей два коммутируемых ФНЧ. Один ФНЧ с широкой полосой пропускания включается в режиме поиска синхронизации, другой — с узкой полосой – в режиме удержания синхронизма. В транзисторных схемах строчной развертки реализация двухрежимной ФАПЧ затруднена тем, что транзистор выходного каскада имеет большую инерционность, которая вызывает задержку импульса обратного хода (рисунок 6.14, в) относительно импульсов ЗГ на время 2—15 мкс (при смене транзисторов). Чтобы скомпенсировать эту задержку не за счет расширения полосы захвата ФАПЧ (и, следовательно, ухудшения помехозащищенности), используют второй контур фазового регулирования (рисунок 6.15). Основная петля автоподстройки содержит ЗГ 2, ФД 1, ФНЧ 7 и усилитель ошибки рассогласования 8.
Второй контур регулирования включает второй ФД 3, второй ФНЧ 4 и фазовый модулятор 5, с помощью которого компенсируется фазовая (временная) задержка в выходном каскаде 6. В установившемся режиме синхронизации фазы ССИ и импульсов обратного хода выходного каскада б совпадают, и напряжение на выходе пикового детектора 11 максимально. Это напряжение затем подается через ФНЧ на пороговое устройство 10, которое управляет режимом работы УЭ 9. УЭ, работающий по принципу коммутационного диода, при включении шунтирует определенные элементы ФНЧ 7 и изменяет (сужает) тем самым полосу пропускания этого фильтра. Современный уровень технологии позволил все элементы, показанные на рисунке 6.15 кроме выходного каскада 6, объединить в составе единой микросхемы, в которую входят также амплитудный селектор, блок выделения КСИ и другие вспомогательные элементы.

Рисунок 6.15 – Структурная схема ФАПЧ с улучшенными характеристиками
6.3 Особенности построения систем кабельного телевидения
Системы кабельного телевидения (СКТВ) предназначены для распределения радиосигналов вещательного телевидения и УКВ ЧМ вещания в зонах с низкой напряженностью поля и большим уровнем помех. К таким зонам относятся районы современных городов с разноэтажной застройкой, а также горные и холмистые местности. Радиус обслуживания одной системы КТВ, как правило, не превышает 10 км. Наряду с распределением национальных и международных ТВ программ СКТВ могут обеспечить подачу своим абонентам программ местных телестудий, создаваемых специально для КТВ, а также программ, передаваемых с видеомагнитофонов и установок телекино. Наибольшее распространение получили системы КТВ, построенные по древовидной схеме (рисунок 6.16). На головной станции (ГС) 1 осуществляется прием радиосигналов программ, передаваемых ТВ радиопередатчиками и ретрансляторами в диапазоне MB и ДМВ, а также программ, передаваемых по радиорелейным и спутниковым линиям связи. На эту же станцию могут поступать ТВ программы по кабельным линиям связи или из местных студий. С помощью оборудования, установленного на ГС, осуществляется обработка принимаемых сигналов и преобразование их в сигналы принятого вещательного стандарта в диапазоне 50—800 МГц. С выхода ГС групповой сигнал, содержащий радиосигналы нескольких ТВ программ, поступает в магистральную распределительную сеть, образованную совокупностью участков магистральной линии 2 и магистральных усилителей 3. Последние включаются через каждые 300—500 м магистрального коаксиального кабеля и обеспечивают компенсацию затухания и выравнивание АЧХ кабеля в полосе 50—800 МГц.
Кроме того, они осуществляют ответвление сигналов и подачу их в субмагистральные линии, содержащие участки кабеля 4, широкополосные усилители 5 и разветвительные устройства 6. В ряде случаев кабель 4 и усилитель 5 могут совпадать по параметрам соответственно с кабелем 2 и усилителем 3. Разветвительные устройства выполняются на базе направленных ответвителей.
Домовая распределительная сеть состоит из одного или нескольких усилителей и распределительных устройств 7, к которым через абонентские отводы и коробки 8 подключаются индивидуальные ТВ 9 и УКВ ЧМ 10 приемники. Для магистральной линии используются коаксиальные кабели типа ВКПАП, РК-75-17; для субмагистральной — радиочастотные типа РК-75-13 (РК-75-9 и т. п.), для домовой распределительной сети — радиочастотные типа РК-75-4 .

Рисунок 6.16 – Структурная схема системы кабельного ТВ
Основной технической проблемой, возникающей при реализации СКТВ, является обеспечение высокой линейности передаточных характеристик широкополосных усилителей, высокой равномерности частотных характеристик тракта передачи и низкого коэффициента шума усилителей, высококачественного согласования элементов системы с коаксиальным кабелем и т. п. С этой целью, например, отдельные типы магистральных усилителей снабжаются устройствами автоматической регулировки усиления (АРУ), которые компенсируют температурную нестабильность затухания кабеля. Для работы АРУ грименяют пилот-сигналы, которые вводятся в групповой сигнал на ГС. По магистральным линиям осуществляется также дистанционная подача питающего напряжения для усилителей.
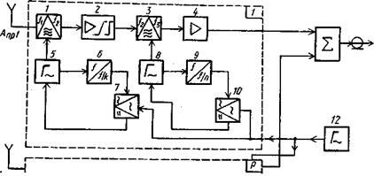
Головная станция (рисунок 6.17) содержит р однотипных по структуре приемопередающих модулей, подключаемых, как правило, к индивидуальным высокоизбирательным приемным антеннам Апр. В каждом модуле с помощью первого смесителя частоты 1 осуществляется преобразование спектра принятого радиосигнала в диапазон промежуточных частот (который обычно принимается примерно таким же, как и в ТВ приемниках), усиление и коррекция с АРУ в блоке 2, преобразование с помощью второго смесителя 3 в определенный радиоканал I—V диапазонов и усиление в усилителе 4. Первый и второй гетеродины 5 и 8 стабилизируются по частоте с помощью схем ФАПЧ, состоящих из делителей частоты 6 и 9 с коэффициентами деления k и n и фазовых детекторов 7 и 10. На вторые входы ФД от опорного кварцевого генератора 12 подается напряжение с частотой 250/l, l = 1,2, где 250 кГц — наибольший общий делитель для несущих частот изображения всех ТВ радиоканалов. Сигналы ошибки с выходов ФД поступают на варикапы гетеродинов 5 и 8 и изменяют их частоты fГ1, и fГ2 до получения равенства fГ1/k = fГ2/n = 250/l, кГц. Обычно l = 1. Метод гармонической генерации частот, применяемый в такой схеме, обеспечивает высокую стабильность несущих частот радиоканалов на выходе модулей и соответственно стабильность разноса частот соседних каналов Δfрк (см. рисунок 6.3, а), который будет кратен частоте 250 кГц и, следовательно, частоте fстр, поскольку 250/fстр = 16. Сформированные радиосигналы ТВ программ с выходов модулей объединяются в сумматоре 11 и поступают в магистральную сеть.
При использовании типовых ТВ приемников в домовой распределительной сети теоретически число ТВ программ, передаваемых по системе КТВ, в диапазоне I – III (МВ) не превышает 12, практически же оно равно 5–6. Это объясняется тем, что из-за недостаточной избирательности приемников по соседним каналам приходится чередовать «рабочие» и «нерабочие» каналы. Если разнос между несущими частотами изображений соседних каналов установить равным Δfрк = kfстр± 0,5fстр, а не Δfрк = kfстр, как на рисунке 6.17, т. е. ввести полустрочный сдвиг несущей частоты, то защищенность от помехи по соседнему каналу дополнительно возрастет на 16–18 дБ. В этом случае в системе КТВ можно увеличить число программ до теоретического предела при условии, что уровни несущих частот соседних каналов не будут отличаться друг от друга более чем на ±4–6 дБ.
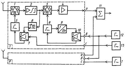
Схема головной станции, в которой используются полустрочный СНЧ (рисунок 6.18), отличается от схемы, представленной на рисунке 6.17, только методом стабилизации частоты первого гетеродина 5. Она осуществляется с помощью схемы ФАПЧ, состоящей из блока выделения промежуточной частоты изображения 6 (он строится так же, как в ТВ приемнике при синхронном детектировании, см. рисунок 6.8) и фазового детектора 7, на второй вход которого от кварцевого генератора 13 поступает напряжение с частотой f1=38 МГц.

Рисунок 6.17 – Структурная схема типовой головной станции системы КТВ

Рисунок 6.18 – Структурная схема головной станции
в режиме сдвига несущих частот соседних каналов
Сигнал ошибки с выхода ФД 7 подстраивает частоту гетеродина 5 таким образом, что промежуточная частота изображения в этом модуле точно равна f1. В модуле соседнего канала стабилизация частоты гетеродина 5 производится с помощью кварцевого генератора 14 с частотой f2=f1± 0,5fстр. Таким образом, промежуточные частоты изображений в модулях соседних каналов отличаются на ±0,5fстр. Этот сдвиг сохраняется при втором преобразовании частоты, поскольку вторые гетеродины 8 в соседних модулях стабилизируются от одного генератора 12, частота которого кратна fстр. Стабилизация осуществляется c помощью схемы ФАПЧ, содержащей делитель частоты 9 и фазовый детектор 10. Преобразованные программы объединяются в сумматоре 11. При практической реализации генераторное оборудование 12—14 можно строить по-разному, например, исключить генератор 12, а частоту 250 кГц получить от генератора 13 с помощью делителя частоты.
6.4 Телевизионные радиопередатчики и ретрансляторы
Основной задачей передающей сети телевизионного вещания является обеспечение несколькими ТВ программами всех возможных потребителей, т. е. фактически всего населения страны. Для стран с большой территорией и неоднородной плотностью населения решение этой задачи представляет исключительную трудность. Меры, направленные на дальнейшее увеличение охвата населения ТВ вещанием, требуют очень больших капитальных затрат, поэтому в зависимости от характера региона необходим специфический подход к построению передающей сети.
Для регионов с большой плотностью населения наиболее дешевое построение ТВ сети оказывается при использовании ТРП (см. рисунок 6.1). Каждый ТРП, имеющий передающую антенну с круговой (или почти с круговой, а следовательно, ненаправленной) диаграммой направленности, обеспечивает возможность приема ТВ программ на расстоянии R < Rз, где Rз –средний радиус зоны обслуживания ТРП. Расширить зону обслуживания (увеличить Rз) можно за счет увеличения высоты подъема антенны ТВ радиопередатчика hпд и ТВ приемника hпр, мощности передатчика Pпд и коэффициента усиления приемной антенны Sпр, поскольку
Rз = k[Pпд hпд hпр Sпр /Pпр]1/2,
где k – коэффициент пропорциональности, Pпр – минимально допустимая мощность сигнала на входе приемника, при которой обеспечивается заданное качество изображения.
Каждый из этих параметров целесообразно увеличивать до определенных пределов. Например, подъем передающих антенн на высоту свыше 200–250 м требует строительства очень сложных, а зачастую и уникальных башен. Самой высокой в СНГ на сегодняшний день является телебашня общесоюзного телецентра в Москве; ее высота 533,3 м. Увеличение Рпд ограничено ростом помех со стороны передатчика другим радиослужбам. В настоящее время в качестве основного значения мощности передатчиков приняты величины пиковой мощности радиосигнала изображения Рпик и средней мощности радиосигнала звукового сопровождения Pcp.з, которые указываются в виде дроби Рпик/ Pcp.з. Обычно в диапазоне MB используют мощности 5/1,5 кВт, а в диапазоне ДМВ – 25/5 кВт. Увеличение мощности в диапазоне ДМВ обусловлено уменьшением действующей высоты приемной антенны. Возрастание коэффициента усиления приемной антенны достигается за счет увеличения числа элементов (вибраторов) антенны и усложнения ее конструкции. Если высота подъема передающей антенны примерно 300 м, средний радиус зоны обслуживания составляет 80–100 км.
При построении передающей ТВ сети в конкретном регионе необходимо определить число ТРП, их мощности, взаимное территориальное расположение, высоты антенных опор (башен или мачт), а также номера ТВ радиоканалов, в полосе частот которых излучает каждый ТРП. При этом требуется обеспечить максимально возможную зону обслуживания при минимальных взаимных помехах. Из рисунка 6.19 видно, что для сплошного покрытия территории с помощью нескольких ТРП, имеющих одинаковый средний радиус зоны обслуживания Rз, расстояния Rп между ТРП нужно выбирать нз условия
Rп ≤ Rз
. При этом образуются области, у которых возможен уверенный прием одновременно от нескольких ТРП (на рисунке 6.19 они заштрихованы). Радикальным средством ослабления взаимных помех для ТВ приемников, расположенных в этих областях, является работа соседних ТРП в разных ТВ радиоканалах. В этом случае используется избирательность приемника по соседним каналам приема (см. рисунок 6.3) Распространяя этот принцип на последующие области и имея в распоряжении ограниченное число возможных радиоканалов Nк, в некоторых пунктах F и Е неизбежно придется ставить ТРП, работающие в том же радиоканале, что и ТРП в пункте А (рисунок 6.19). Конечно, в области, где осуществляется уверенный прием от ТРПА (в зоне А), невозможен уверенный прием от ТРПF и ТРПE, однако сигналы от этих передатчиков могут создать помехи, которые не подавляются ТВ приемником в зоне А.

Рисунок 6.19 – Размещение телевизионных радиопередатчиков
при полном покрытии территории
Если в пунктах А и F в одном радиоканале ведется передача разных по содержанию ТВ программ (это худший случай), то необходимое отношение сигнал/помеха на катоде кинескопа должно быть не менее 55 дБ. Для обеспечения такого отношения, как показывает практика, расстояние между пунктами А и F (А и Е) должно быть не менее 400–500 км в зависимости от особенностей рельефа местности. Общее число передатчиков Nпд, требующееся для обеспечения ТВ вещания на территории площадью S, и число требуемых радиоканалов Nк, которые присваиваются этим ТРП, рассчитываются по следующим формулам (см. рисунок 6.19).

При определенных условиях (например, при размещении ТРП на равнинных местностях) число радиоканалов Nк оказывается больше 12, и в этом случае, кроме диапазона метровых волн, приходится использовать и диапазон ДМВ.
Взаимные помехи между ТРП, работающими в одном радиоканале (в пунктах A, F, E), можно уменьшить примерно на 15 дБ при взаимном смещении несущих частот (СНЧ) на величину fстр/3 (взяв частоты f0, f0 + fстр/3 и fо — fcтp/З). Такой режим называется простым СНЧ, он требует нестабильности несущих частот ТРП не более ±500 Гц. Дополнительно на 15 дБ можно уменьшить взаимные помехи, если несущие частоты ТРП выбрать равными соответственно f0, f0 + 156Fп, f0 — 157Fп, где Fп = 50 Гц. Такой режим называется прецизионным СНЧ, он требует нестабильности несущих частот не более ±2 Гц. Использование СНЧ позволяет уменьшить расстояние между ТРП, работающими в одном ТВ радиоканале, и соответственно требуемое число радиоканалов Nк. Как правило, используется режим простого СНЧ.
Современные ТРП построены на принципе осуществления модуляции на малом уровне мощности в диапазоне промежуточных частот (ПЧ) с последующим преобразованием модулированного сигнала в полосу требуемого радиоканала (рисунок 6.20). Это имеет следующие достоинства: во-первых, вся аппаратура ПЧ, включая модулируемый каскад и устройства формирования АЧХ и предыскажений, является унифицированной и неперестраиваемой, поэтому она может регулироваться в заводских условиях; во-вторых, качественные показатели канала изображения ТРП оказываются более высокими и достигаются проще, чем в ТРП предыдущих поколений. Резервирование маломощных каскадов 1…13, образующих блок возбудителя, осуществляется методом замещения на резервный блок (обведен штрихпунктирной линией) с помощью коммутаторов 14 и 18. Резервирование мощных каскадов ТРП осуществляется с помощью двух постоянно включенных полукомплектов (обведены штрихом), объединяемых с помощью мостовых схем 15, 19, 21. Полный цветовой ТВ сигнал поступает на вход усилителя-корректора 1 осуществляющего коррекцию и предыскажение сигнала (коррекция АЧХ, ХГВЗ и ВПС), и далее на вход амплитудного модулятора 2, на второй вход которого подается напряжение промежуточной частоты изображения fпр.и от синтезатора частоты 8. В блоке 3 с помощью формирующего фильтра передачи, построенного на основе фильтра ПАВ (АЧХ фильтра аналогична характеристике kтпр, приведенной на рисунке 6.3, а), происходит выделение нижней боковой полосы частот модулированного колебания и усиление. Затем этот сигнал поступает на повышающий смеситель частоты 4, на второй вход которого подается напряжение частоты гетеродина frj=fни j+fпр.и где fни j – частота несущей изображения заданного j-ro ТВ радиоканала. Эта частота формируется с помощью синтезатора частоты 9. Разностная частота преобразования fri–fnp.и = fни j на выходе блока 4 выделяется полосовым фильтром и усиливается усилителем 5.
Сигнал ЗС после усилителя 11 поступает на вход синтезатора частоты 10, на выходе которого образуется частотно-модулированный сигнал с девиацией частоты Δfm = 50 кГц и средней частотой fпрз = fпр и – 6,5 МГц. Этот сигнал подается на вход повышающего смесителя частоты 12, на выходе которого после фильтрации и усиления в блоке 13 получаем ЧМ сигнал с несущей частотой fнз. j = fни. j + 6,5 МГц. Сформированные таким образом РСИ и РСЗ усиливаются в выходных каскадах 16 и 20 и складываются в пассивном раз- делительном фильтре 17, затем с помощью мостовой схемы 21 производится сложение с сигналами от второго полукомплекта. Далее сигнал через фидер поступает в передающую антенну 22.
На синтезаторы частоты 8–10 поступает сигнал стабильной частоты fon=5 МГц от опорного кварцевого генератора 6 через разделительные усилители 7.

Рисунок 6.20 – Упрощенная структурная схема телевизионного радиопередатчика
Для многих районов нашей страны характерно, что население концентрируется в сравнительно небольших жилых зонах, между которыми находятся зачастую огромные нежилые пространства. ТВ вещанием целесообразно охватить, очевидно, только жилые зоны. Для этого используют широкую сеть маломощных (не более 100 Вт) телевизионных ретрансляторов (ТР), имеющих радиус зоны обслуживания 3–30 км в зависимости от мощности. Различают три основных типа ТР. Первый тип – ретранслятор-преобразова-тель – принимает сигнал из эфира в одном из радиоканалов от ближайшего мощного ТРП и преобразует этот сигнал без демодуляции в другой радиоканал для передачи. Второй тип – передатчик малой мощности – получает ТВ сигнал и НЧ сигнал звукового сопровождения и формирует радиосигнал изображения и звука в заданном радиоканале для передачи. Третий тип – универсальный ретранслятор – может работать как первый и второй типы ТР.
Ретрансляторы-преобразователи строятся с однократным или двукратным преобразованием частоты. При однократном преобразовании ТР содержит всего один смеситель, на первый вход которого подается усиленный входной радиосигнал, а на второй вход – сигнал гетеродина. На выходе включен усилитель радиосигналов канала передачи. При двукратном преобразовании сначала производится перенос спектра входного радиосигнала в область ПЧ, усиление и обработка сигнала, а затем преобразование этого спектра в область частот заданного ТВ радиоканала.
Маломощные передатчики используются для обслуживания населенных пунктов, расположенных на трассах радиорелейных и кабельных линий связи. На вход передатчика поступает полный цветовой ТВ сигнал, который корректируется по видеочастоте и подается на амплитудный модулятор сигнала промежуточной частоты изображения fnp. и. В тракте ПЧ производится формирование требуемой АЧХ и ХГВЗ. Затем осуществляется преобразование сигнала в область частот одного из радиоканалов I–III ТВ диапазонов и усиление по мощности. Сигнал ЗС подвергается тройному преобразованию: сначала он модулирует по частоте поднесущую 6,5 МГц, затем переносится в спектр ПЧ с помощью частоты fпр.и и, наконец, преобразуется в спектр радиоканала передачи с помощью той же частоты гетеродина, что и сигнал ПЧ изображения. После раздельного усиления по мощности РСИ и РСЗ объединяются в антенной цепи. Выходная мощность РСИ передатчика примерно 100 Вт.
6.5 Особенности линий связи сети распределения телевизионных
программ
Обеспечение телевизионным вещанием больших территорий, с одной стороны, и незначительный радиус действия ТРП и ТР (порядка 60–80 км) – с другой, требуют для передачи телевизионных сигналов организации специальных линий связи – наземных (радиорелейных, кабельных) и космических. Комплексное использование этих дорогостоящих сооружений для передачи разнообразной информации (телефон, телеграф, фототелеграф и т. д.) значительно повышает их технико-экономические показатели и в ряде случаев является определяющим при выборе вида и параметров линии.
Кабельные магистрали. В кабельных магистралях (КМ) используются специальные коаксиальные кабели с улучшенными параметрами по сравнению с обычными. Однако даже в подобных линиях широкополосные телевизионные сигналы испытывают сравнительно большое и, главное, неравномерное затухание (особенно на низких частотах примерно до 500 кГц). Это приводит к значительному снижению уровней сигналов и к искажению их формы. Для уменьшения и коррекции искажений, а также компенсации потерь в КМ приходится сооружать усилительные пункты: через каждые 5–7 км – необслуживаемые, через 100–120 км – обслуживаемые. Помимо этого, область низких частот отводится для передачи сигнала звукового сопровождения, служебных сигналов и другой информации; спектр же полного телевизионного сигнала переносится в сторону более высоких частот (примерно на 0,5–2 МГц) за счет двукратного преобразования частоты. Однократное преобразование частоты здесь использовать нельзя, так как несущая должна, по крайней мере в 2–3 раза превышать верхнюю частоту спектра модулирующего сигнала. Поэтому спектр телевизионного сигнала сначала переносится в область первой несущей частоты, а верхняя боковая полоса частично подавляется. На приемной стороне аналогичными преобразованиями производится обратный перенос спектра. Кабельные магистрали в настоящее время оборудуются системами многоканальной связи К–1920, К–3600 и др. Параметры магистральных каналов изображения кабельных и радиорелейных линий связи регламентированы ГОСТ 19463–74.
Основными недостатками кабельных магистралей являются относительно большая стоимость и накопление искажений телевизионного сигнала на многочисленных промежуточных пунктах.
Радиорелейные линии (РРЛ). Здесь используются цепочки из приемно-передающих устройств двустороннего действия, что обеспечивает передачу частотно-модулированных радиосигналов в диапазонах УВЧ и СВЧ на большие расстояния. Комплексное использование РРЛ по передаче различной информации обеспечивается путем создания нескольких высокочастотных каналов-стволов, а также аппаратурой уплотнения (АУ) и выделения (АВ) сигналов. Эти сигналы могут подаваться потребителям, в частности ТЦ или ТРП, как с оконечных, так и с промежуточных станций.
Устранение взаимных помех между передатчиками промежуточной станции, а также соседних станций достигается обычно за счет использования: а) двух и более несущих частот и их чередования для передачи и приема радиосигналов; б) антенных систем с высокой направленностью, исключающей прием сигналов е противоположной стороны; в) выбора такой трассы линии, чтобы угол между направлением на первую соседнюю станцию и направлением на третью превышал угловую ширину диаграммы направленности рупорно-параболической антенны. Расстояние между соседними станциями зависит от рельефа местности и высоты подъема антенн.
Рассмотрим более подробно построение модуляторов и демодуляторов для передачи ТВ программ по РРЛ (рисунок 6.21). Как правило, совместно с ТВ сигналом предусматривается передача двух сигналов звукового сопровождения (на двух языках) и двух независимых сигналов звукового вещания (3В). Это удобно, поскольку сигналы ЗВ, выделяемые на узловых (УРС) или обслуживающих (ОРС) радиорелейных станциях, подаются затем на передатчики УКВ ЧМ радиостанций, антенны которых крепятся на тех же опорах, что и антенны УРС (ОРС). Уплотнение ТВ сигнала и сигналов ЗС и ЗВ производится по частоте путем модуляции звуковыми сигналами соответствующих поднесущих частот, расположенных вне спектра ТВ сигнала (рисунок 6.21, б). Обычно используются поднесущие частоты 7–8 МГц, модулированные звуковыми сигналами по частоте (ЧМ) с девиацией частоты ±150 кГц. Для автоматического управления и контроля радиорелейной станции в групповой сигнал ТВ канала вводится также пилот-сигнал (ПС) на поднесущей частоте примерно 8,5 МГц. Частотная модуляция поднесущих сигналами ЗС и 3В производится в модуляторах 13 и 14, пилот-сигнал формируется генератором 15 (рисунок 6.21, а). ТВ сигнал в блоке 1 корректируется (для устранения искажений АЧХ и ХГВЗ, вносимых предыдущим участком), усиливается и подвергается предыскажениям. АЧХ предыскажающего устройства kпр(f) (см. рисунок 6.21, в, кривая 1) такова, что НЧ компоненты ТВ сигнала уменьшаются примерно на 14,5 дБ по сравнению с ВЧ компонентами. Предыскажение позволяет отказаться от схем восстановления постоянной составляющей, делает ТВ сигнал практически симметричным относительно оси времени и позволяет подавать его на типовые модуляторы, рассчитанные на групповой многоканальный сигнал телефонии. Кроме чисто эксплуатационных удобств, предыскажение значительно уменьшает переходные помехи из ТВ канала в каналы звукового сопровождения и вещания (примерно на 15–20 дБ), а также из канала яркости в канал цветности. На стороне приема (после демодулятора) предыскажение компенсируется с помощью восстанавливающего корректора, АЧХ которого показана на рис. 6.21, в (кривая 2). В отличие от ряда других случаев использования предыскажений (см. гл. 5) в данном случае предыскажение практически не улучшает защищенность ТВ сигнала от собственных шумов на приеме.
После сумматора 2 групповой сигнал со спектром, показанным на рисунке 6.21, б, усиливается усилителем 3 и поступает на групповой модулятор, осуществляющий частотную модуляцию промежуточной частоты
fпр = 70 (или 140) МГц. В соответствии с нормами девиация частоты ТВ сигналом должна быть не более ± 4 МГц. Для обеспечения высокой линейности модуляционной характеристики ЧМ генератора (ЧМГ) в области 70 ± 4 МГц последний строится по схеме вычитания частот двух ЧМГ 6 и 11, работающих на частотах f01 и f02 в диапазоне 300–400 МГц. Каждый из генераторов модулируется путем изменения емкости варикапов 5, 10. Модулирующий сигнал U(t) через развязывающее устройство 4 подается на варикапы в противофазе, в результате частоты первого и второго генераторов становятся равными: f1(t) = f01 + Δf(t) = f01 + km U(t); f2(t) = f02 - km U(t), где km – постоянный коэффициент. Корректирующие цепи 7 и 12 повышают линейность модуляционных характеристик ЧМГ. На выходе смесителя 8 образуется сигнал промежуточной частоты fпр(t) = f1(t) – f2(t) = (f01 - f02)+ 2km U(t) =70+ +2km U(t), который усиливается усилителем 9.
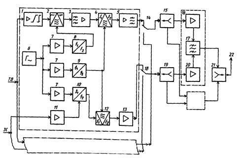
Демодуляция группового сигнала ТВ канала производится по типовой схеме (рисунок 6.22). Она содержит усилитель ПЧ 1 с полосой пропускания 27 МГц (определяемой выражением Δfчм=1,1(2ΔfM+2Fmax), где в данном случае ΔfM=4 МГц, Fmax
8,5 МГц), усилитель-ограничитель 2, групповой частотный детектор ЧД 3, ФНЧ 4, усилитель-корректор ТВ сигнала 5, полосовые разделительные фильтры 6, 7, усилитель-ограничитель 8 и ЧД сигнала ЗС 9. ФНЧ 4 выделяет из группового сигнала полный цветовой ТВ сигнал, который затем корректируется восстанавливающим корректором и после усиления и дополнительной коррекции (с учетом искажений в тракте ПЧ) подается на вход ТРП или ТР. Туда же поступает и сигнал ЗС, который выделяется ПФ 6 из группового сигнала и обычным путем демодулируется с помощью блоков 8, 9. Аналогично осуществляется выделение и сигналов 3В.
При совместной передаче ТВ сигнала и нескольких звуковых сигналов на поднесущих частотах существенно возрастают требования к равномерности АЧХ и линейности ФЧХ (ХГВЗ) в полосе частот пропускания ВЧ тракта. Для коррекции АЧХ и ХГВЗ в тракте УПЧ приема всех типов радиорелейных станций размещают специальный блок коррекции

Рисунок 6.21 – Модулятор группового ТВ сигнала:
а – структурная схема, б – АЧХ предыскажающего и корректирующего устройства, в – спектр группового сигнала

Рисунок 6.22 – Демодулятор группового такта
Космические линии. Спутниковая линия связи (СЛС) представляет собой РРЛ с одной промежуточной станцией, размещенной на искусственном спутнике Земли (ИСЗ). Спутник движется по достаточно высокой орбите, откуда «видна» очень большая территория Земли, поэтому через бортовой ретранслятор ИСЗ могут связываться между собой любые земные станции, находящиеся на этой территории. В то же время на ИСЗ можно использовать антенны с узкой диаграммой направленности, при которой энергия передатчика спутника концентрируется на ограниченной площади. Это позволяет эффективно использовать ИСЗ для обслуживания небольших определенных зон.
При построении СЛС используются основные идеи и принципы, реализуемые в РРЛ: 1) передача ТВ сигнала осуществляется совместно с сигналами ЗС и 3В, которые передаются на поднесущих частотах 7–8 МГц с помощью частотной модуляции; 2) применяется частотная модуляция групповым телевизионным сигналом промежуточной частоты fnp=70 (или 140) МГц, которая затем преобразуется в высокочастотную область спектра; 3) для повышения помехозащищенности на стороне передачи используется предыскажение ТВ сигнала и сигналов ЗС и 3В, на приемной стороне производится их восстановление (коррекция).
Вместе с тем, учитывая очень большие расстояния между земной станцией (СЗ) и ИСЗ, для обеспечения высокого качества принимаемого ТВ и ЗС (3В) сигналов в СЛС принимают следующие меры: 1) значительно увеличивают мощность передатчиков СЗ (до 5 кВт вместо 10–20 Вт в РРЛ); 2) усложняют антенны передающих и приемных СЗ; 3) используют малошумящие усилители (смесители) на входе приемников; 4) повышают эффективность приема с ЧМ за счет увеличения девиации частоты.
Как правило, ретранслятор ИСЗ является многоствольным, т.е., кроме ТВ ствола, содержит ряд стволов для многоканальной дуплексной связи и использует несколько типов антенн: глобальные и избирательные. Избирательные антенны имеют узкую диаграмму направленности и обеспечивают связь с корреспондентами, расположенными в определенной небольшой зоне на Земле. Глобальные антенны «освещают» большую территорию (до одной трети земной поверхности) и обеспечивают связь широкого круга СЗ. Разделение направлений передачи и приема в каждой антенне осуществляется направляющими полосовыми фильтрами (ПФ), а разделение стволов при приеме и объединение стволов при передаче – разделительными ПФ.
В качестве примера укажем некоторые параметры системы спутниковой связи «Орбита» на базе ИСЗ «Молния» (Россия). ИСЗ выводится на высокоэллиптическую орбиту (рисунок 6.23) и за сутки совершает вокруг Земли два оборота, один из которых – над территорией России; время связи составляет 6-10 часов. Для обеспечения круглосуточной связи через равномерные интервалы времени запускают 3-4 таких спутника. На земной станции (СЗ) непрерывная связь поддерживается двумя следящими антеннами: одна осуществляет связь с ближайшим спутником, другая – ожидает появления следующего.
От СЗ к ИСЗ передача идет в диапазоне примерно 6 ГГц, а в обратном направлении (от ИСЗ к СЗ) – 4 ГГц. Мощность передатчика СЗ 5–10 кВт, ИСЗ –40 Вт. Используется ЧМ с девиацией ± 15 МГц, звуковой сигнал передается на поднесущей частоте 7 МГц с девиацией частоты ±150 кГц, девиация несущей сигналом поднесущей – примерно ± 1,5 МГц. На поднесущих частотах 7,5 и 8,2 МГц передаются сигналы 3В и изображений газетных полос (ИГП). В системе предусмотрена возможность временного уплотнения сигналов ЗС и 3В. Два звуконесущих импульса 1 и 2 (рисунок 6.24), модулируемых по длительности звуковыми сигналами, располагаются в интервале гасящего строчного импульса (до синхроимпульса ССИ и после него). Таким способом можно передать, а затем и восстановить без искажений два звуковых сигнала, если их спектр не шире 7,8 кГц. Обычно используются две звуковые программы с полосой 6 кГц. Для передачи звуковой программы с полосой до 10 кГц дискретизация звукового сигнала по времени осуществляется с частотой 2fстp, причем нечетные отсчеты модулируют по длительности звуконесущий импульс 1, а четные – импульс 2.

Рисунок 6.23 – Орбиты искусственных спутников Земли:
а – эллиптическая, б – геостационарная
Для слежения за спутником «Молния» на СЗ «Орбита» используются большие антенны (диаметр параболоида 12 м), установленные на полноповоротном опорном устройстве. Приемный комплекс содержит на входе малошумящий охлажденный параметрический усилитель. В целом станция представляет собой довольно большое и дорогое сооружение. ТВ сигнал и сигналы ЗС и 3В, которые выделяются приемным устройством, построенным по схеме рисунок 6.22, с выхода станции поступают обычно на вход ТРП или мощного ТР.
Строительство приемных СЗ системы «Орбита» в пунктах с населением в несколько тысяч человек и менее экономически неоправданно, поэтому в 1976 г. была разработана специализированная система распределения ТВ программ «Экран». В системе используется ИСЗ «Экран», находящийся на геостационарной орбите (рисунок 6.23, б), зона обслуживания охватывает районы Сибири, Крайнего Севера и частично Дальнего Востока. Земная передающая станция излучает в сторону ИСЗ ЧМ сигнал мощностью 5 кВт на частоте 6,2 ГГц. Этот сигнал принимается приемной антенной ИСЗ, преобразуется в диапазон ДМВ с несущей частотой 714 МГц и, усиленный до 200 Вт, излучается передающей антенной. Ретранслированный спутником сигнал принимается сетью земных приемных установок «Экран» I и II классов.
Параметры системы «Экран» выбраны такими, чтобы обеспечить экономическую эффективность системы, в первую очередь за счет упрощения и удешевления приемных установок, возможности их использования в небольших населенных пунктах. Для этого приняты следующие меры: 1) увеличена излучаемая мощность ИСЗ; 2) выбран диапазон частот приема 0,7 ГГц (ДМВ), в котором нетрудно построить сравнительно простой и недорогой транзисторный приемник, обладающий высокой чувствительностью, к тому же в этом диапазоне эффективны простые многоэлементные антенны типа «волновой канал»; 3) ЗС передается на поднесущей частоте 6,5 МГц с девиацией ±50 кГц, т. е. с теми же параметрами, что и в системе наземного ТВ вещания.

Рисунок 6.24 – Передача сигналов звукового сопровождения в интервалах обратного хода по строке
Приемные установки I класса предназначены для подачи ТВ сигнала с высоким качеством на телецентры, ТРП и мощные ТР. По структурной схеме приемная установка совпадает с трактом приема УРС и ОРС в системе РРЛ (см. рисунок 6.22), в ней также предусмотрена возможность приема программы 3В, передаваемой на поднесущей 7 МГц. В канале вещания используется большая девиация частоты (±150 кГц), управляемое компандирование, частотные предыскажения и т. д.
Лекция "10 Формы политической власти" также может быть Вам полезна.
Приемные установки II класса предназначены для подачи ТВ сигнала на маломощные ТР или в кабельную распределительную сеть. Они состоят из упрощенной антенны и малогабаритного ненастраиваемого приемного устройства, осуществляющего перенос спектра принятого сигнала из диапазона ДМВ в первый или второй канал диапазона MB и преобразование ЧМ в AM (рисунок 6.25). Блоки 1–7 выполняют те же функции и имеют те же

Рисунок 6.25 – Структурная схема приемной установки II класса системы «Экран»
параметры, что и аналогичные блоки в установке I класса (1– входная цепь, 2– малошумящий резонансный УВЧ, 3 – смеситель, 4 – гетеродин, 5 – УПЧ с фазовым корректором в полосе 70±12 МГц, 6— амплитудный ограничитель, 7 – частотный детектор). Далее ТВ сигнал вместе с сигналом ЗС на поднесущей частоте 6,5 МГц проходит через распределительное устройство 8 на входы трех каналов обработки. В первом (амплитудном селекторе 9) производится выделение из ТВ сигнала коротких строб-импульсов строчной частоты. Во втором после восстанавливающего корректора линейных предыскажений 10 и заграждающего фильтра 11 на 6,5 МГц получаем «чистый» сигнал ТВ, который после схемы восстановления постоянной составляющей 12 поступает на амплитудный модулятор 13 и далее на схему сложения 18. Третий канал обработки содержит ПФ 15 на 6,5 МГц для выделения звукового сигнала, смеситель частоты 16 и ПФ 17, выход которого подключен ко второму входу схемы сложения 18. Нормальную работу блоков 13 и 16 обеспечивает генератор 14, частота которого равна несущей частоте изображения I или II каналов ТВ.
Система «Экран», отличаясь простотой и экономичностью, имеет недостаток – ограниченность зоны обслуживания: она не может обслуживать приграничные территории, так как в диапазоне ДМВ могут работать ТВ передатчики соседних государств.
Для расширения зоны обслуживания без опасности создания помех наземным службам разработана система ТВ вещания «Москва». Как и в системе «Орбита», в системе «Москва» используется хорошо освоенный диапазон 6 ГГц в направлении СЗ – ИСЗ и 4 ГГц – от ИСЗ на Землю, но в отличие от «Орбиты» в данной системе используется ИСЗ «Горизонт», расположенный на геостационарной орбите (рисунок 6.23, б). Это позволило резко упростить приемную антенну земной станции (диаметр зеркала 2,5 м, без автоматического сопровождения). Для вещания на определенную зону, в которую входило бы два-три часовых пояса, в системе «Москва» используется специальный ствол на ИСЗ, который имеет повышенную мощность и работает на узконаправленную антенну. С целью подачи ТВ программ на другие зоны (другие часовые пояса) со сдвигом во времени используется несколько ИСЗ. Энергетика линии связи в системе «Москва» позволяет передавать методом ЧМ с девиацией ±13 МГц один ТВ сигнал, сигналы ЗС и 3В на поднесущих частотах 7 и 7,5 МГц с девиацией ±150 кГц и сигнал ИГП на поднесущей 8,2 МГц. Более подробные сведения об особенностях построения аппаратуры радиорелейных и спутниковых систем связи можно найти в специальной литературе.






















