Основные системы цветного телевизионного вещания
5 основные системы цветного телевизионного вещания
5.1 Особенности построения и структурные схемы кодера и декодера системы НТСЦ. Сигнал цветовой синхронизации
Название системы происходит от заглавных букв Национального комитета ТВ систем США (National Television System Committee – NTSC или НТСЦ), который занимался разработкой системы ЦТВ для вещания. Она внедрена в середине 50-х годов, стандартизована в странах Северной и Южной Америки (США, Канада, Мексика и т.д), а также в Японии, Южной Корее, Тайване и др.
В системе НТСЦ сигнал цветности представляет собой напряжение поднесущей частоты, модулированное по амплитуде одновременно двумя цветоразностными сигналами. Для его получения (рисунок 5.1) два сигнала UR-Y и UB-Y ограничиваются по полосе с помощью ФНЧ примерно до 1,5 МГц и поступают на балансные модуляторы (БМ), на которые от кварцевого генератора (G) подается напряжение поднесущей частоты fп: на один БМ (БМB) непосредственно, а на второй (БМR) – со сдвигом по фазе на 90°. Балансные модуляторы работают как перемножители входных сигналов. Сигналы с выходов БМ суммируются в сумматоре С1 и полученный сигнал цветности складывается с сигналом яркости (в сумматоре С2). Частота поднесущей fп выбрана равной нечетно кратной гармонике полустрочной частоты: fп=(2m+1)fстр/2=(m+0,5)fстр. В стандарте США fп≈3,5 МГц (в европейском варианте 4,4 МГц).
![]() |
Рисунок 5.1 – Структурная схема кодирующего устройства систем НТСЦ
На выходах БМ образуются сигналы UБМ.В(t)=U(t)sin ωпt и UБМ.R(t)= =V(t)sin (ωпt+90°)=V(t)cos ωпt, в которых амплитуда поднесущей принята равной 1, а начальная фаза – 0°. Нетрудно убедиться, что сигнал на выходе БАМ содержит две боковых полосы без несущей. Пусть
, тогда
.
Рекомендуемые материалы
Полученные квадратурные (сдвинутые на 90°) составляющие модулированной поднесущей суммируются и образуют сигнал цветности Uсц(t). Этот метод передачи двух информационных сигналов на одной поднесущей частоте получил название квадратурной модуляции.
Выражение для сигнала цветности имеет вид
Uсц (t)= U(t) sin ωпц t + V(t) cos ωп t = A(t) sin(ωпц t + φ(t)), (5.1)
A(t)= (V(t)2 + U(t)2)0,5, φ(t)= arctgV(t)/U(t), (5.2)
где A(t) и φ(t) соответственно амплитуда и фаза сигнала цветности.
Амплитуда A и фаза φ сигнала цветности, определяемые выражениями (5.2), передают информацию соответственно о насыщенности и цветовом тоне.
Поскольку квадратурные составляющие балансно-модулированной поднесущей V(t) cos ωnt и U(t) sin ωпt передаются в общей полосе частот (3 – 6 МГц), разделить их в приемнике можно только на основе фазовой селекции, т. е. путем синхронного детектирования. Синхронный детектор СД выполняется по той же схеме, что и балансный модулятор: по схеме перемножителя. Действительно:
|Uсц(t)cos ωпц t |нч=| U(t) sin ωпц t cos ωпц t + V(t) cos2 ωпц t|нч =
= |
U(t) sin 2ωпц t +
V(t) +
V(t) cos 2ωпц t |нч =
V(t). (5.3)
Аналогично |Uсц(t)sin ωпц t |нч=
U(t).
Можно показать, что если вместо cos ωп t имеем cos (ωп t+Δφ), то соответственно вместо (5.3) имеем
Uсц(t) cos (ωпц t+Δφ) =
V(t) cos Δφ+
U(t) sin Δφ. (5.3,а)
Следовательно, полного разделения сигналов U(t) и V(t) на выходах синхронных детекторов не получится и появятся так называемые перекрестные помехи «цветность-цветность», которые вызовут искажение цвета при воспроизведении.
Для того, чтобы подстраивался местный генератор поднесущей с точностью до фазы с сигналом UСЦ на задних площадках строчных гасящих импульсов в полном сигнале UЦТВ передается сигнал цветовой синхронизации (СЦС) – синхровспышка, который представляет собой 8—10 периодов колебаний поднесущей частоты.
Полный сигнал в системе НТСЦ имеет вид:
Uцтв(t)=UY+Uсц+Uсцс=UY(t)+S(t)sin(ωпц t+ φ(t))+UСЦС(t). (5.4)
В приемнике такой же сигнал образуется на выходе видеодетектора и подается на декодирующее устройство (рисунок 5.2). СЦС выделяется с помощью временного селектора и подается на схему импульсно-фазовой автоподстройки частоты (ФАПЧ), в которой вспышка СЦС сравнивается с частотой и фазой местного генератора поднесущей. Полного совпадения фаз добиться практически невозможно. Установлено, что между фазами поднесущих в сигнале Uсц(t) и местного генератора допустима фазовая ошибка не более 2-3°. Затем сигналы V и U фильтруются с помощью ФНЧ и поступают на входы матрицы М. Третий сигнал U'G-Y образуется в матрице в соответствии с (4.8).



Рисунок 5.2 – Структурная схема декодирующего устройства приемников НТСЦ
(при передаче сигналов V и U) и ПАЛ S (штриховые блоки относятся к ПАЛ S)
Как уже говорилось в параграфе 4.4, разделение Ux и Uсц с помощью ПФ и РФ всегда приводит к перекрестным искажениям типа «яркость-цветность». Учитывая, что спектральные компоненты Ux сосредоточены около гармоник mfстр, а сигнала Uсц – около частот (m+
)fстр, в последующих моделях приемников НТСЦ применили более сложные методы приема.
Рассмотрим метод разделения сигналов яркости и цветности с малыми взаимными (перекрестными) помехами. Так как частотные составляющие этих сигналов перемежаются (за счет выбора поднесущей цветности fп=(m+
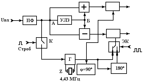
)fстр), разделение теоретически можно произвести с помощью двух гребенчатых фильтров, у которых максимумы и минимумы АЧХ сдвинуты на Fстр/2. Однако с точки зрения практической реализации на LC-элементах этот способ, требующий довольно сложных и громоздких фильтров, нереализуем. Тем не менее, были найдены устройства, частотная характеристика которых эквивалентна АЧХ гребенчатого фильтра (рисунок 5.3).
Для большинства реальных сюжетов сигналы соседних строк очень мало различаются, при этом UC(D)(t)= U A(t)± UB(t).
Если
, то
.
Для компонент сигнала цветности fi=(m+0,5)fстр, тогда 2πfiTстр=2πm+π и UB(t)=–UA(t).
Для компонент сигнала яркости fi=mfстр, тогда 2πfiTстр=2πm и UB(t)=UA(t).
Поскольку UС(t)=UA(t)+UB(t), а UD(t)=UA(t)–UB(t), то получим, что в точке С присутствуют компоненты только сигнала яркости, а в точке D – только сигнала цветности.
. (5.5)
Полученные сигналы ослабляются в 2 раза при дальнейшей обработке или непосредственно в сумматоре и вычитателе. После суммирования UY.ВЧ с НЧ составляющими UY.НЧ образуется сигнал UY в полной полосе частот.
Устройство содержит линию задержки ЛЗ на строку (Δt=Tстр) и схемы сложения (+) и вычитания (–). Характерные точки гребенчатого фильтра (ГФ) обозначены буквами A, B, C, D. Для примера определим коэффициент передачи ГФ от точки А к точке С в комплексной форме (уравнение 5.5,а) и по модулю (уравнение 5.5,б).
(5.5,а)

(5.5,б)
.
![]() | ![]() | ||||||
![]() | |||||||
![]() | |||||||








![]() |
Рисунок 5.3 – а) Структурная схема гребенчатого фильтра для разделения СЯ и СЦ
б) амплитудно-частотные характеристики ПФ и ФНЧ
в) АЧХ гребенчатого фильтра
Система НТСЦ обладает рядом достоинств:
· относительная простота кодирующего и декодирующего устройств;
· высокая помехозащищенность сигналов цветности и цветовой синхронизации;
· возможность микширования полных цветовых ТВ сигналов;
· хорошая совместимость.
Основным ее недостатком является сильная чувствительность к фазовым искажениям, которые приводят к искажению цветового тона.
Фазовые искажения различают:
· настроечные (постоянные);
· динамические (или дифференциальные).
Допускается суммарная фазовая ошибка между фазой сигнала цветности СЦ (φсц) и фазой сигнала фазовой синхронизации – синхровспышки (φсцс) не более ±12º, при этом на отдельные блоки всего тракта системы NTSC приходятся очень малые допускаемые ошибки, составляющие доли и единицы градуса. Их выдержать технически довольно трудно и экономически дорого. Наиболее трудно устранить искажения типа дифференциальной фазы (ДФ) и дифференциального усиления (ДУ). При ДФ имеем зависимость φсц = ψ1(Uy), при ДУ – зависимость амплитуды СЦ от Uy: Aсц = ψ2(Uy). ДУ пропорционально крутизне проходной (динамической) характеристике тракта Uвых=φ(Uвх), а именно величине
. При нелинейной зависимости амплитудной характеристики Uвых = ψ(Uвх) для разных значений Uвх (сигнала яркости Uy) имеем разное значение S и, следовательно, разное усиление для Uсц. Это приводит к искажению цветовой насыщенности (см. (5.1) и (5.3)). Рисунок 5.4 иллюстрирует этот механизм на примере подачи ступенчатого сигнала UY, на который «насажен» сигнал цветности UСЦ. Результирующий сигнал цветного телевидения UЦТВ передается через тракт, у которого возможны три варианта проходной характеристики UВЫХ=φ(UВХ), обозначенной цифрами 1,2 и 3, где 1 – соответствует идеальному тракту.
Дифференциальная фаза (ДФ) вызывает изменения цветового тона, что более заметно. Для уменьшения искажений типа ДФ и ДУ было предложена система PAL.
![]() |
Рисунок 5.4 – Графики, объясняющие искажения типа ДФ и ДУ
5.2 Система PAL. Структурная схема кодера и декодера
Как уже говорилось, в настоящее время существует 3 совместимых системы телевидения: американская NTSC (Национальный комитет телевизионных систем), западногерманская PAL (Phase Alternation Line – строки с переменной фазой) и совместная советско-французская система SECAM (последовательная передача цветов с запоминанием).
Система PAL была разработана и внедрена в начале 60-х годов фирмой «Телефункен» (ФРГ). Система PAL является усовершенствованным вариантом NTSC. Она позволяет существенно уменьшить присущие системе NTSC фазовые искажения. Впоследствии выяснился еще ряд преимуществ этой системы. Рассмотрим эту систему более подробно.
Как и в системе NTSC, в системе PAL применена квадратурная модуляция (цветовой) поднесущей, но в отличие от нее фаза составляющей поднесущей, которая модулируется «красным» цветоразностным сигналом, меняется от строки к строке на 180 градусов. Модуляция осуществляется сигналами U=0,493 UB-Y и V=0,877UR-Y, где UR-Y и UB-Y определены в (4.5), (4.6).
Составляющая поднесущей, которая модулируется «синим» цветоразностным сигналом, имеет постоянную фазу. Частота поднесущей выбрана равной fпц=4,43361815 МГц с учетом минимальной заметности этой поднесущей на окрашенных участках цветного изображения
Гц.
На черно-белых участках изображения помеха от поднесущей отсутствует, так как при этом U=V=0. Модуляция поднесущей осуществляется с помощью балансных модуляторов (рисунок 5.5). Сигналы, получаемые на выходах балансных модуляторов, складываются в суммирующем устройстве, образуя результирующий сигнал цветности Uсц.
![]() |
V=UR-Y
U=UB-Y
ЭК
Рисунок 5.5 – Упрощенная структурная схема кодирующего устройства PAL
,
K=0 или 1. (5.6)
Из рисунка 5.5 видно, что поднесущая, которая подается на модулятор «В-Y», подается с генератора Г непосредственно (фаза 0 градусов), а на модулятор «R-Y» – через электронный коммутатор ЭК, переключаемый сигналом полустрочной частоты fстр/2. Причем в одной строке поднесущая поступает на модулятор через фазовращатель 90 градусов, а в другой – дополнительно через инвертор со сдвигом еще на инвертор 180 градусов.
Для получения из компонент UV cos ωпцt и Uu sin ωпцt цветоразностных сигналов необходимо их продетектировать. Как и в NTSC, применяется синхронное детектирование. Для его работы нужно иметь опорный сигнал, частота и фаза которого равны сигналу подавленной цветовой поднесущей. Сигнал формируется из вспышки, которая выделяется с помощью электронного ключа К из полного цветового ТВ сигнала. Опорный сигнал, подаваемый на синхронный детектор «красного» (СДv), меняет свою фазу на 180° с помощью электронного компаратора ЭК.
Переключение фазы одной из составляющих поднесущей частоты позволяет в приемнике компенсировать искажения СЦ, возникшие по любой причине (например, вследствие ДФ или частичного подавления верхней боковой полосы СЦ). Принцип компенсации фазовых искажений рассмотрим на векторных диаграммах. Пусть, например, передается СЦ, соответствующий пурпурному цветовому тону. Тогда СЦ в n-й строке будет представлен вектором Uсцφ (рисунок 5.6,а), а в (n+1)-й строке – вектором Uсц(-φ) (рисунок 5.6,б). Будем считать, что в тракте возникает медленная фазовая ошибка α, почти не изменяющаяся от строки к строке. При этом амплитудные искажения отсутствуют.
Тогда в n-й строке в приемник поступает сигнал Uсц(φ+α), а в (n+1)-й –
Uсц(-φ+α), так как величина и направление фазовой ошибки не изменились. Эти сигналы сдвинуты по фазе на угол α относительно неискаженных сигналов Uсцφ и Uсц(-φ) (сдвиг в сторону опережения, т.е. против часовой стрелки). В приемнике в (n+1)-й строке фаза поднесущей частоты в канале V восстанавливается, тогда вектор Uсц(-φ+α) приобретает зеркальное отражение относительно оси U , т.е. Uсц(φ-α) (рисунок 5.6,в). На рисунке 5.6,г векторы СЦ двух соседних строк совмещены. Для наглядности на всех векторных диаграммах показано положение вектора Uсцφ при отсутствии фазовых искажений в тракте. Для выделения сигнала V необходимо сигнал Uсц(φ+α) в n-й строке и восстановленный Uсц(φ-α) в (n+1)-й подавать на СД и детектировать по оси V, подавая на него также поднесущую от местного генератора с фазой 90º. Практически (см. рисунок 5.6) в n-й строке так и происходит, а в (n+1)-й детектируется не сигнал Uсц(φ-α), а принимаемый сигнал Uсц(-φ+α), но по оси –V, когда на СД поступает поднесущая частота с фазой 270º=(90º+180º).
Таким образом, если в одних (например, нечетных) строках кадра искажение цветового тона происходит в сторону красного цвета (для рассмотренного примера), то в других (четных) — дополнительного к нему голубого цвета. При небольших фазовых ошибках благодаря интегрирующим свойствам зрения осуществляется пространственное усреднение воспроизводимых цветностей и создается ощущение цвета, не имеющего искажений цветового тона. Уменьшению заметности этих искажений способствует также временное усреднение, так как при нечетном количестве строк в кадре фазовые сдвиги оказываются противоположно направленными и приблизительно равными по абсолютной величине в одних и тех же строках смежных кадров, т. е. если в n-й строке m-гo кадра фазовый сдвиг происходит в сторону увеличения фазы СЦ, то в n-й строке (m + 1) -го кадра — в противоположную сторону.
|
|
|
|
Как показывают эксперименты, при α ≤ 25° качество изображения оцени-
Рисунок 5.6 – Векторные диаграммы сигнала цветности в системе ПАЛ, поясняющие принцип компенсации фазовых искажений
вается как удовлетворительное (с уменьшением α качество улучшается). Однако уже при α > (5 – 10)° появляются мелькания яркости соседних строк, обусловленные тем, что вектор V в соседних строках одного поля имеет различную величину при α ≠ 0 (рисунок 5.7, а, б). Разная яркость строк, особенно сильно проявляющаяся при передаче насыщенных цветов, вызывает чередование светлых и темных строк на цветном изображении.
Приемник, у которого частичная компенсация (или полная при малых α) искажений цветового тона осуществляется визуально, т. е. за счет свойств зрения, обозначается ПАЛS (simple — простой).
Искажения ДФ часто превышают 25°, и на изображении появляется заметное различие цветности соседних строк поля, так как интегрирующего действия глаза уже недостаточно. Поэтому используются более сложные приемники ПАЛD (de Line – с линией задержки), в которых СЦ двух соседних строк усредняются уже не визуально, а путем электронного суммирования (для задержки СЦ предыдущей строки применяется ЛЗ на строку). Именно этот вариант показан на рисунке 5.7.
Рассмотрим упрощенную структурную схему одного из вариантов декодера PAL (рисунок 5.7, а).
Полный цветовой телевизионный сигнал поступает на полосовой фильтр ПФ, настроенный на полосу частот, которую занимает сигнал цветности в спектре видеосигнала. Выделенный полосовым фильтром сигнал цветности поступает на вход ультразвуковой линии задержки УЛЗ, которая задерживает сигнал цветности на время одной строки (64 мкс). Он поступает на электронный ключ К, выделяющий сигнал цветовой синхронизации (вспышку), и на устройство сложения (+) и вычитания (-). В результате сложения прямого сигнала с задержанным подавляются составляющие UV и выделяются удвоенные составляющие Uu с постоянным знаком. При вычитании задержанного сигнала из прямого подавляются составляющие Uu и выделяются удвоенные составляющие UV. Знак UV чередуется от строки к строке. Эти утверждения несложно доказать, анализируя векторную форму прямого (в точке А на рисунке 5.6, а) и задержанного (в точке Б) сигнала цветности (рисунок 5.6, б, в) в соседних строках.


а)
б) UА:
в) UБ:
строки: p p+1 p+2 p+3…
Рисунок 5.7 – Упрощенная структурная схема декодера PAL (а) и векторные диаграммы прямого (б) и задержанного (в) сигналов
На рисунке 5.6, г показана сумма векторов СЦ двух соседних строк – вектор ОА, который имеет тот же фазовый угол, что и исходный вектор Uсцφ=ON (т. е. цветовой тон не искажается), но амплитуда вектора увеличивается. Перед подачей на СД его амплитуда уменьшается в 2 раза и представляется вектором, равным половине диагонали параллелограмма:

так как
.
Отсюда следует, что цветовой тон в приемнике ПАЛD не изменился (поскольку соотношение сигналов V и U не нарушено), но насыщенность изменилась в cos α. раз в результате уменьшения амплитуды СЦ на величину, равную
.
Следовательно, в приемнике ПАЛD искажения цветового тона заменяются менее заметными искажениями насыщенности. Так, если порог заметности по цветовому тону соответствует сдвигу фазы α ≡ 5º, то порог заметности по насыщенности равен примерно 20 %, что соответствует углу α = 37°.
Существуют и другие разновидности приемников (ПАЛN и ПАЛNN), которые ввиду своей сложности применяются в основном на телецентрах.
Дополнительное изменение фазы поднесущей, подаваемой на БМ канала V (см. рисунок 5.5), осуществляется с помощью фазовращателя 0/180°, управляемого симметричными импульсами полустрочной частоты, которые вырабатываются генератором коммутирующих импульсов (ГКИ).
Для подстройки частоты и фазы генератора поднесущей декодирующего устройства в системе ПАЛ, как и в НТСЦ, необходим СЦС. Однако в системе ПАЛ нужно передавать также импульсы для синхронизации ГКИ в приемнике. Эту дополнительную функцию выполняет также СЦС. Но для этого фаза СЦС в отличие от НТСЦ (у которой φсцс = const = 180°) коммутируется от строки к строке на ±45° и составляет 135° (СЦС1 – когда фаза поднесущей в канале V равна 90°) и 225° (СЦС2 – когда фаза поднесущей в канале V равна 270°) (рисунок 5.6,д).
В приемнике (см. рисунок 5.2) на выходе 1 схемы ФАПЧ выделяется среднее значение фазы СЦС (СЦСср – на рис.5.6,д), равное 180°, и по нему подстраивается генератор поднесущей. На выходе 2 схемы ФАПЧ создаются знакопеременные прямоугольные импульсы (ввиду значительно меньшей постоянной времени по этому выходу), которые и управляют работой ГКИ.
Если выбрать частоту поднесущей в соответствии с условием
.
и осуществлять коммутацию ее фазы в канале V, то можно обеспечить еще одно преимущество системы ПАЛ: в спектре полного сигнала имеет место переме-жение спектральных составляющих сигнала яркости, поднесущей, модулированной сигналом U, и поднесущей, модулированной сигналом V. Это позволяет в приемнике разделить квадратурные составляющие СЦ еще до синхронных детекторов (СД). Для этого в схеме (см. рисунок 5.7) Вместо ПФ включается устройство, подобное по схеме гребенчатому фильтру на рисунке 5.3.
Система PAL обладает рядом достоинств:
1. Отсутствует помеха от поднесущей на неокрашенных участках изображения, так как в это время поднесущая не передается (V=U=0).
2. Фазовые искажения не вызывают заметных нарушений цветового тона.
3. Малая чувствительность к «асимметрии» полосы пропускания канала цветности.
4. При разделении сигналов цветности выделяется удвоенная амплитуда составляющих UV и Uu, что повышает отношение сигнал/шум (для варианта ПАЛD примерно в
раз).
5. Уменьшаются «перекрестные» искажения, возникающие между сигналами яркости и цветности (определяется оптимальным выбором частоты поднесущей).
Определенным недостатком системы PALD является понижение цветовой четкости изображения по вертикали из-за усреднения сигнала цветности в двух последующих строках, но это мало сказывается на качестве изображения, во-первых, из-за пониженной цветовой четкости зрения, во-вторых, из-за сниженной горизонтальной цветовой четкости, обусловленной сокращением полосы цветоразностных сигналов.
a. Система SECAM, структурные схемы кодера и декодера
Система SECAM была предложена французским инженером Анри де Франсом в 1958 году, затем велись совместные работы советских и французских инженеров, и 1 октября 1967 года система была одновременно введена в эксплуатацию в СССР и Франции.
Особенности системы SECAM:
1. В этой системе цветоразностные сигналы передаются поочередно через строку: в течение одной строки передается, например, красный, в течение следующей – «синий» цветоразностный сигнал (RBRB) и т. д.
2. Цветоразностные «красный» и «синий» сигналы передаются с помощью двух разных поднесущих частот: fOR = 4,406 МГц и fOB = 4,250 МГц. Эти частоты являются гармониками частоты строк (соответственно в 282 и 272 раза выше частоты строчной развертки), что важно с точки зрения обеспечения стабильности этих частот.
3. Используется не амплитудная балансная модуляция, как в PAL и NTSC, а частотная модуляция поднесущей, что дает преимущества:
· более высокое отношение сигнал/шум на выходе демодулятора при одном и том же отношении сигнал/шум на входе демодулятора;
· использование амплитудного ограничения перед демодулятором позволяет устранить влияние искажения ДУ;
· искажения типа ДФ влияют гораздо слабее, т.к. частотный демодулятор (ЧД) чувствителен только к производной ДФ во времени. Искажения цветоразностного сигнала пропорциональны d(ДФ)/dt; если ДФ=const, то d(ДФ)/dt = 0 и нет искажений цветоразностного сигнала цвета;
· в связи с “треугольным” характером спектра шума на выходе ЧД можно эффективно использовать предыскажения по НЧ и ВЧ, что увеличивает помехозащищенность примерно в 10 раз.
4. хуже обеспечивается совместимость с ЧБТВ, так как:
· при передаче черно-белых сюжетов сигнал цветности Uсц≠ 0, как в PAL и NTSC, и всегда присутствует поднесущая цветности;
· эффект самокомпенсации не возникает, т.к. в одной и той же строке соседних кадров за счет нечетного числа строк в кадре передаются разные поднесущие f0R и f0В.
5. Для повышения совместимости вводится принудительная коммутация фазы поднесущей на 180º через 2 строки на третью (
) и от поля к полю. Фаза каждой поднесущей f0R и f0В коммутируется с частотой коммутации f ком = fстр/4.
6. Для ослабления эффекта частичного ограничения верхней боковой полосы модулированного сигнала цветности стараются работать в среднем с отрицательными значениями девиации частоты СЦ. Учитывают, что в сигнале UR-Y преобладают положительные значения, а в сигнале UB-Y – отрицательные, поэтому перед подачей на частотный модулятор сигнал UR-Y инвертируют.
7. Для синхронизации коммутаторов цветоразностных сигналов на стороне приема в кодере вводят сигнал цветовой синхронизации СЦС. Возможен ряд вариантов СЦС. Один из них будет пояснен далее на рисунке 5.9.
8. Для того, чтобы не было срыва синхронизации по строкам и кадрам, во время обратного хода по строке и полю запрещается передача поднесущей цветности (устройство подавления поднесущей – УПП).
9. Для уменьшения перекрестных помех «яркость-цветность» при выделении СЦ с помощью ПФ (на приемной стороне) предусмотрен (введен) блок ограничения яркостных компонент в полосе СЦ (блок яркость-цветность Я-Ц)
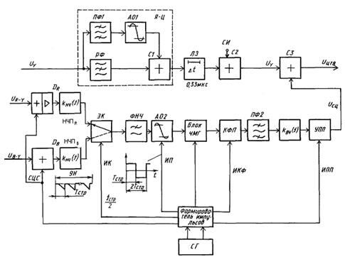
На рисунке 5.8 показана структурная схема кодирующего устройства системы SECAM. Кратко опишем его работу, используя также рисунок 4.4.

Рисунок 5.8 – Структурная схема кодирующего устройства системы SECAM
В кодирующем устройстве можно выделить канал обработки сигнала яркости СЯ и канал формирования сигнала цветности СЦ, которые назовем соответственно каналами яркости и цветности. Сигнал UY с подается на блок коррекции искажений Я – Ц, необходимость в котором объясняется следующим. Как известно, СЦ передается в участке 3 – 6 МГц спектра СЯ. При этом между ВЧ составляющими СЯ и СЦ должно поддерживаться определенное соотношение, иначе при выделении в приемнике сигнала цветности из спектра полного сигнала с помощью полосового фильтра ВЧ составляющие СЯ создадут недопустимый уровень помех для СЦ. Для поддержания указанного соотношения сигнал UY поступает через режекторный фильтр (РФ), ослабляющий частотные составляющие вокруг частоты 4,3 МГц (примерно середина спектра СЦ), на сумматор С1 (см. рисунок 5.8). На второй вход С1 подаются выделенные полосовым фильтром ПФ1 и прошедшие двусторонний амплитудный ограничитель АО1 ВЧ составляющие СЯ. В АО1 ограничиваются составляющие СЯ, превышающие уровень примерно 0,1 В (при размахе СЯ от белого до черного 0,7 В).
Сигнал UR-Y поступает на смеситель и фазоинвертор. Здесь сигнал UR-Y усиливается и преобразуется в сигнал DR = -1,9 ER-Y. Сигнал же UB-Y преобразуется в сигнал DB = 1,5 ЕB-Y. Использование несколько видоизмененных цветоразностных сигналов значительно улучшает совместимость и помехоустойчивость системы. В смесителях в сигналы DR и DB вводят сигналы цветовой синхронизации (сигналы опознавания строк), необходимые для правильной работы электронного коммутатора в телевизоре.
Сигналы цветовой синхронизации, например, представляют собой девять импульсов в форме усеченной трапеции с полярностью, изменяющейся от строки к строке (рисунок 5.9,а). Эти импульсы модулируют по частоте поднесущие цветности fOR и fOB, увеличивая в красных строках или уменьшая в синих строках их частоту (рисунок 5.9,б). Сигналы цветовой синхронизации передаются во время кадрового гасящего импульса КГИ в строках 7-15 и 320-328 (рисунок 5.9,б).
Согласно рекомендации международного консультативного комитета по радио – МККР, покадровая цветовая синхронизация в дальнейшем будет исключена, чтобы освободить место для передачи другой информации, например, сигналов телетекста. В качестве сигналов цветовой синхронизации можно также использовать защитные пакеты (вспышки), передаваемые на задней площадке строчного гасящего импульса (рисунок 5.9, в).
Защитные пакеты имеют частоту поднесущих сигналов цветности fОR и fOB и служат для завершения переходных процессов в канале цветности телевизора до начала активной части строки. Используются защитные пакеты и для формирования в цветоразностных сигналах плоских участков с целью фиксации уровня черного.

Рисунок 5.9 – Сигналы цветовой синхронизации: а – низкочастотные,
б – высокочастотные, в – защитный пакет (вспышка)
Затем сигналы DR и DB проходят фильтры нижних частот – ФНЧ (на рисунке 5.8 они пропущены), в которых спектр этих сигналов ограничивается до 1,5 МГц.
С выхода ФНЧ сигналы поступают на устройство НЧ предыскажений НЧП, где происходит подъем высокочастотных составляющих сигналов DR и DB. Предварительная коррекция этих сигналов производится с целью повышения их помехоустойчивости. Коэффициент передачи НЧП обозначен КНЧ(f) (рисунок 5.8). Сущность предыскажений состоит в подъеме ВЧ составляющих в спектре сигналов DR и DB. В приемнике на выходе частотного детектора устанавливается блок коррекции НЧ предыскажений КНЧ на рисунке 5.11 с коэффициентом передачи К'НЧ(f), обратным КНЧ(f). При этом сигнал приобретает прежнюю форму, а помехи ослабляются блоком коррекции. Принцип предыскажений поясняется на рисунке 5.10, где рисунок 5.10,а,б поясняет эффект НЧ предыскажений, а рисунок 5.10,в,г – ВЧ предыскажений.


, 


, 
Рисунок 5.10 – Пояснения эффекта предыскажений
а) Варианты АЧХ НЧ блоков передачи (3) и приема (2)
б) Структурная схема прохождения сигнала и шума для НЧ части
в) Спектр шумов после амплитудного (АД) и частотного (ЧД) детекторов
г) Варианты АЧХ ВЧ блоков передачи (3) и приема (2)
Предыскаженные сигналы DR и DB с помощью коммутатора ЭК поочередно через строку подаются на ФНЧ, в котором они ограничиваются по полосе с затуханием 3 дБ на частоте 1,3 МГц и не менее 30 дБ на частотах 3 МГц и выше. С выхода ФНЧ сигнал поступает на двусторонний амплитудный ограничитель АО2, уровни ограничения которого меняются от строки к строке с помощью импульсов пьедестала (ИП), а затем – на блок частотно-модулируемого генератора (ЧМГ), на выходе которого образуется СЦ. Одним из условий обеспечения совместимости является изменение фазы поднесущей частоты на 180º через две строки на третью и от поля к полю в коммутаторе фазы поднесущей (КФП). Осуществляется это с помощью импульсов коммутации фазы (ИКФ).
С помощью полосового фильтра ПФ2 сигнал цветности ограничивается по полосе (3 – 6 МГц) и подается на блок предыскажения модулированной поднесущей (ВЧ предыскажение), коэффициент передачи которого КВЧ(f) имеет минимальное значение на частоте f0 = 4,286 Мгц. В приемнике на входе канала цветности устанавливается блок коррекции ВЧ предыскажений с коэффициентом передачи К'ВЧ(f), обратным КВЧ(f). При этом СЦ приобретает исходную форму, а помехи ослабляются. ВЧ предыскажение улучшает также совместимость системы, так как амплитуда СЦ на выходе блока КВЧ(f) зависит от отклонения частоты поднесущей fпц: чем меньше отклонение, тем меньше амплитуда СЦ и, следовательно, лучше совместимость. Поскольку в природе преобладают слабонасыщенные цвета, амплитуда сигналов DR и DB будет меньше максисальной, что ведет к небольшому отклонению частоты fпц при модуляции. Поэтому амплитуда СЦ в среднем мало влияет на черно-белые телевизоры, и толлько при передаче насыщенных цветов совместимость ухудшается (но помехозащищенность СЦ возрастает), так как при этом увеличивается отклонение частоты fпц и, следовательно, амплитуда СЦ.
Чтобы поднесущая не приводила к срыву синхронизации генераторов разверток в приемнике, ее подавляют в УПП, которое препятствует прохождению fп в моменты времени, соответствующие передаче синхроимпульсов в полном сигнале. На этом формирование СЦ заканчивается. После суммирования СЦ с СЯ образуется полный сигнал Uцтв. На рисунке 5.8 формирователи ИК, ИП и другие показаны упрощенно в виде одного блока формирователя импульсов, управляемого импульсами синхрогенератора (СГ).
Сигнал яркости UY с выхода корректора искажений Я – Ц (см. рисунок 5.8) поступает на смеситель С2, где смешивается с синхроимпульсами. Сигнал яркости проходит линию задержки на 0,4 мкс, чтобы компенсировать запаздывание сигналов цветности, а затем в блоке сложения СЗ сигнал яркости смешивается с сигналами цветности, образуя полный цветовой телевизионный сигнал.
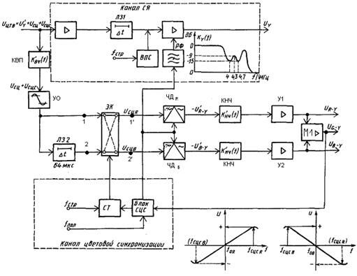
Особенности декодирования сигнала SECAM отражает рисунок 5.11.
В декодирующем устройстве условно можно выделить три части: канал сигнала яркости, собственно канал цветности и канал цветовой синхронизации.
Яркостный канал содержит усилители, линию задержки (ЛЗ1), схему восстановления постоянной составляющей (ВПС) и режекторные фильтры (РФ). АЧХ канала с учетом действия фильтров приведена на рисунке 5.11. Во время приема программ черно-белого ТВ они автоматически отключаются с помощью импульсов, поступающих из канала цветовой синхронизаци (в телевизорах предусматривается также ручной выключатель канала цветности и РФ). Фильтры уменьшают искажения цветность – яркость, но ухудшают четкость изображения. Несколько позже начали подключать фильтры поочередно через строку, так как сигналы Uсц R и Uсц B передаются не одновременно, а последовательно, либо использовать только один фильтр и изменять дискретно его частоту режекции от строки к строке. Время задержки ЛЗ1 в телевизорах новой серии составляет 0,33 мкс.


Рисунок 5.11 – Структурная схема декодирующего устройства системы SECAM
Канал цветности декодера работает следующим образом. Полный цветовой телевизионный сигнал поступает на полосовой фильтр «Клеш» (или корректор высокочастотных предыскажений КВП), настроенный на частоту 4,286 МГц. Фильтр выделяет сигналы цветности из полного цветового ТВ сигнала (ПЦТС) и, кроме того, производит обратную коррекцию высокочастотных предыскажений, вводимых на передатчике для повышения помехоустойчивости системы. После фильтра «Клеш» сигналы цветности поступают на усилитель-ограничитель УО, где они усиливаются и ограничиваются по амплитуде. Затем сигналы цветности поступают одновременно в прямой и задержанный каналы. Прямой канал соединен со входом 1 электронного коммутатора ЭК. В задержанном канале сигналы цветности попадают на ультразвуковую линию задержки ЛЗ2, где задерживаются на длительность одной строки 64 мкс, а затем поступают на вход 2 коммутатора ЭК.
Коммутатор ЭК переключается с помощью симметричного триггера СТ, который вырабатывает прямоугольные импульсы длительностью в одну строку. Триггер запускается специальными стробирующими импульсами, чередующимися с частотой строк fстр.
В течение одной строки ЭК находится в положении, когда соединен вход 1 с выходом 1' и вход 2 с выходом 2', а в течение следующей строки вход 1 соединен с выходом 2' и вход 2 – с выходом 1'. Так как ЛЗ задерживает сигнал цветности на время строки, то на входах электронного коммутатора будут всегда действовать одновременно сигнал цветности «красной» строки и сигнал цветности «синей» строки.
При правильной фазе работы триггера СТ электронный коммутатор будет направлять в канал «красного» сигнал цветности красной строки, а в канал «синего» – сигнал цветности синей строки. Для правильной работы триггера, то есть чтобы сигналы попадали в «свои» каналы, на него подаются импульсы с блока цветовой синхронизации БЦС.
Напомним, что импульсы цветовой синхронизации передаются в течение девяти строк на задней площадке кадрового гасящего импульса. Блок цветовой синхронизации отпирается кадровыми гасящими импульсами КГИ, т. е. во время действия импульсов опознавания. На второй вход БЦС поступают сигналы опознавания из канала «красного» (можно использовать сигналы опознавания из канала «синего»).
При правильной фазе работы триггера на блок цветовой синхронизации будут поступать сигналы опознавания красной строки (частотой 4,67 МГц), на выходе БЦС будут действовать импульсы с полярностью, которая не повлияет на работу триггера. При неправильной фазе работы триггера на БЦС будет поступать сигнал опознавания синей строки (частотой 3,9 МГц). Тогда на выходе БЦС будут действовать импульсы с полярностью, которая изменит фазу работы триггера СТ.
Итак, с выхода электронного коммутатора сигналы цветности поступают на соответствующие частотные детекторы ЧД. Так как на входе частотного детектора «красного» ЧДR действует сигнал, соответствующий модулирующему сигналу UR-Y, а на входе детектора «синего» ЧДB – сигнал, соответствующий UB-Y, то наклоны амплитудных характеристик частотных детекторов должны иметь противоположное значение, для того чтобы на их выходах образовались цветоразностные сигналы одной полярности.
С выхода частотных детекторов цветоразностные сигналы UR-Y и UB-Y поступают на корректоры низкочастотных предыскажений КНЧ, после которых форма цветоразностных сигналов будет соответствовать форме исходных цветоразностных сигналов UR-Y и UB-Y.
После усиления в усилителях У, и У2 цветоразностные сигналы поступают на матрицу М1, где в результате их сложения в определенной пропорции выделяется цветоразностный сигнал UG-Y. В матрицах М2, М3, М4 (на рисунке 5.10 они не показаны) в результате сложения цветоразностных сигналов с яркостным сигналом UY выделяются сигналы основных цветов UR, UG и UB.
С выходов матриц сигналы ER, EG и ЕB поступают на выходные усилители, где усиливаются до уровня, необходимого для модуляции токов лучей кинескопа.
b. Сравнение стандартных систем ЦТВ
Система SECAM, как и другие системы цветного телевидения, имеет свои достоинства и недостатки. Так, например, по сравнению с NTSC фазовые искажения не приводят к искажению цветового тона изображения. Однако в системе SECAM цветовая четкость снижена вдвое, так как сигналы цветности передаются через строку и в телевизионном приемнике недостающий сигнал занимается из предыдущей строки.
Сравнивая между собой все три системы по разрешающей способности, можно отметить, что самую высокую цветовую четкость по вертикали имеет система NTSC, за ней следует система PAL, а система SECAM занимает третье место. По другим показателям указанные системы сравниваются следующим образом:
а) допуск на искажения типа ДУ в NTSC составляет ~ 30-40% а в SECAM ~ 70%;
б) по чувствительности к искажениям типа ДФ допуск для NTSC примерно ±12, а для SECAM – ±45;
Лекция "6 Конъюнктивные нормальные формы" также может быть Вам полезна.
в) по совместимости с ЧБТВ система SECAM хуже, чем PAL и NTSC только при высоком отношении сигнал/помеха;
г) частичное ограничение верхней боковой полосы сигнала цветности меньше заметно в системе PAL, потом SECAM; NTSC самая чувствительная;
д) чувствительность к воздействию флуктуационных помех у трех систем примерно одинаковая;
е) по сложности ТВ приемника PAL и SECAM более сложные, чем NTSC;
ж) системы NTSC и PAL допускают микширование полных сигналов ЦТВ (композитных сигналов); система SECAM допускает микширование только компонентных сигналов (Y, R-Y, B-Y).
В качестве перспективных были разработаны опытные образцы повышенного качества и более высокой четкости, которые строятся на других принципах и не требуют обеспечения совместимости с ЧБТ и, соответственно, не требуют частотного перекрытия спектров UY и Uсц. Система ТВЧ – система высокой четкости (разрешения – TVHD) будет, по-видимому, одностандартной. Системы повышенного качества (например, система D-MAC), являются экспериментальными и не получили развития далее. Цифровые системы телевидения, которые в ближайшем будущем заменят существующие аналоговые системы цветного телевидения, строятся на принципах временного уплотнения сигналов яркости и цветоразностных сигналов, они не требуют совместимости с аналоговыми системами ЧБТ и свободны от указанных выше недостатков аналоговых систем цветного телевидения.
































