Планетарные зубчатые передачи
Планетарные зубчатые передачи
Планетарными зубчатыми передачами называют передачи, имеющие зубчатые колеса с подвижными осями.
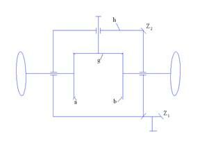
Простая планетарная передача состоит из центральных колес za – с внешними зубьями, zb – с внутренними зубьями, zq – сателлитов с внешними зубьями, которые зацепляются одновременно с za и zb, водила h, на котором расположены оси сателлитов.
Основными звеньями планетарной передачи называют такие, которые нагружены внешним вращающим моментом.
Основные звенья: za, zb и h, т.е. два центральных колеса (2K) и водило h. Сокращенно обозначают 2K – h.
Внешние моменты:
Ta – на ведущем валу, Th – на ведомом (тихоходном) валу, Tb – на колесе zb (на корпусе). Любое основное звено в передаче может быть остановлено.

Если в планетарной передаче подвижны все звенья, т.е. оба колеса и водило, то такую передачу называют дифференциальной. С помощью дифференциального механизма можно суммировать движение двух звеньев на одном звене, или раскладывать движение одного звена на два других.
Суммирование движений za (двигатель Д1) и звена zb (двигатель Д2 через z1/z2) на водиле h. Между Д2 и zb поставлена дополнительная передача z1:z2. Такая схема применяется в системах автоматического управления.
Рекомендуемые материалы
Дифференциал ведущего моста автомобиля – движение от водила h передается одновременно двум зубчатым колесам, на осях которых установлены колеса автомобиля, т.е. вращение водила h раскладывается на два, обратно пропорционально моменту сопротивления, например, при повороте автомобиля одно колесо может вращаться быстрее другого. При одинаковых моментах сопротивления оба колеса вращаются одинаково.
Достоинства:
1. Малые габариты и масса, т.к. мощность передается по нескольким потокам, число которых равно числу сателлитов;
2. Удобство компоновки в машинах благодаря соосности ведущего и ведомого валов;
3. В некоторых схемах возможность получения большого передаточного отношения при малом количестве зубчатых колес и малых габаритах.
Недостатки:
1. Повышенные требования к точности изготовления и монтажа передачи;
2. Большое число подшипников качения;
3. Для нарезания колес с внутренним и зубьями требуется зубодолбежные станки и частая смена инструмента (долбяка), т.к. при переточке долбяк меняет свои параметры.
Передаточное отношение
Обозначается буквой с индексами uahb – нижние индексы – направление передачи движения (от ведущего к ведомому), верхний – звено, относительно которого рассматривается движение (обычно неподвижное).
Рассмотрим дифференциальный механизм, у которого основные звенья имеют положительные скорости wa, wb, wh. Сообщим мысленно механизму скорость -wh. Тогда звенья будут иметь скорости wa -wh ; wb-wh; wh-wh = 0. Водило неподвижно. Такой механизм называют обращенным. Для него передаточное отношение запишется по формуле Виллиса
(1)
где n – частоты вращения звеньев 

(«-» - если в обращенном механизме звенья вращаются в разные стороны, «+» - в одну сторону). (внешнее зацепление – в разные стороны, внутреннее – в одну).
Или через числа зубьев колес
(2)
Если остановлено колесо zb (wb = 0). Из формулы (1)
(3)
Для обращенного механизма с остановленным wb = 0
(4)
Если закреплено za (wa = 0)
(5)

или
(6)
Таким образом, в зависимости от остановленного звена можно получить различные значения передаточных отношений. Это свойство используется в коробках передач.
Частоты вращения основных звеньев определяются из уравнений (4) или (6).
Для определения частоты вращения сателлитов относительно водила, т.е.
, напишем уравнение Виллиса


Схемы планетарных передач
1. Существует много различных типов планетарных передач. Наиболее широко применяют одноступенчатую 2K – h, т.к. имеет высокий КПД и технологичную конструкцию. uahbmax = 9…12. Для получения больших передаточных отношений в силовых приводах применяют последовательно соединенные две или больше передач. Тогда общее передаточное отношение редуктора равно u = u1×u2×…×un.
2.
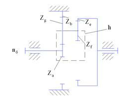
Передача 2K – h с двухвенцовым сателлитом.
Основные звенья a, b, h.

при h=0,95…0,97
По сравнению со схемой (1) имеет более сложную конструкцию водила, т.к. у сателлита два зубчатых колеса zq и zf с большой разницей диаметров.
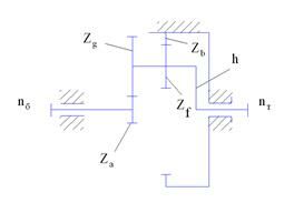
3. Передача с тремя центральными колесами (3K).
Основные звенья za, zb и zf. Водило h служит только для удержания сателлитов.

КПД меньше, чем у многоступенчатой по схеме (1) при одинаковых u = 16…200 (до 1600) при h = 0.9…0.7 (0.4), но зато она имеет меньшее количество зубчатых колес и подшипников сателлитов.
Вращающие моменты на основных звеньях
Для расчета зацепления на прочность, определения сил в зацеплении, расчета подшипников, элементов крепления необходимо знать вращающие моменты на основных звеньях.
Вращающий момент на ведущем звене Ta можно вычислить

При установившемся движении система находится в равновесии. Для нее
Ta + Tb + Th = 0 (1)
Из условия сохранения энергии (или мощностей)
Ta×wa + Tb×wb + Th×wh = 0
при wb = 0
Рис.
Ta×wa + Th×wh = 0 и 
Или с учетом КПД

- знаки моментов используются при определении сил
В уравнение (1) подставим Th
, отсюда

Силы в зацеплении
В передаче с тремя сателлитами момент на колесе za Ta уравновешивается силами в зацеплениях сателлитов

dwa – диаметр начальной окружности колеса za,
Fta1, Fta2, Fta3 – окружные силы в зацеплениях сателлитов. В идеально точной передаче Ft1 = Ft2 = Ft3.
Из-за погрешностей изготовления и деформации узлов в реальной передаче Ft1 ¹ Ft2 ¹ Ft3. Появляется уравновешивающая сила Fоп, вектор которой направлен в сторону мене нагруженных сателлитов.

Рис.
Выравнивание нагрузки между сателлитами можно осуществить, если исключить опоры центрального колеса, т.е. сделать его «плавающим», соединяя его с валом или с корпусом шарнирными (зубчатыми) муфтами. Полному выравниванию препятствуют силы трения и силы инерции.

Рис.
Силы в зацеплении определяются через вращающие моменты на основных звеньях.
окружные силы
nw – число сателлитов; Kw – коэффициент неравномерности нагрузки между потоками; Kw = 1,1…1,2 – при наличии механизма выравнивания; Kw = 1,5…2 – при отсутствии такого механизма.
Радиальные силы (уравновешены).
или 

Особенности расчета планетарных передач
В отличие от обычных зубчатых передач расчет планетарных передач начинают с подбора чисел зубьев. Т.к. колеса взаимосвязаны, то кроме обеспечения требуемого передаточного отношения необходимо удовлетворить следующим условиям сборки: соосности, симметричного расположения сателлитов, соседства. Рассмотрим последовательность подбора чисел зубьев на примере прямозубой передачи без смещения.
Число зубьев za задают из условия неподрезания ножки зуба: za ³ 17.
Число зубьев zb (неподвижного центрального колеса) определяется по заданному uahb (формула 4)
(9)
Число зубьев zg сателлита определяется из условия соосности, в соответствии с которым aw зубчатых пар с внешним и внутренним зацеплением должны быть равны
(10)
где d = m×z – делительный диаметр соответствующего зубчатого колеса.
Т.к. модули одинаковы, то формула (10) принимает вид:
zg = 0,5 × (zb - za)
Полученные числа зубьев za, zg, и zb проверяют по условиям симметричного расположения сателлитов и соседства.
Условие симметричного расположения
Требует, чтобы во всех зацеплениях центральных колес с сателлитами совпадали зубья со впадинами, иначе передачу собрать нельзя. Это условие выполняется при
или
и 
т.е. числа зубьев центральных колес должны быть кратны nw.
Условие соседства
Требует, чтобы сателлиты не задевали друг друга. Для этого необходимо, чтобы суммам радиусов вершин зубьев соседних сателлитов, равная
(dg)a = m×(zg + 2), была меньше расстояния l между их осями, т.е.
(11)
где aw = 0,5×(za + zg) – межосевое расстояние.
Из (11) следует

Расчет на прочность
Проводят для обращенного механизма (при остановленном водиле) по зависимостям для цилиндрических зубчатых передач.
Особенности:
- при определении [s]H и [s]F число циклов za
Nka = 60×nw×(na - nh)×tz
частота вращения берется относительно водила для сателлитов

- частота вращения сателлита относительно водила.
nз = 1, т.к. с колесами za и zb зубья сателлита контактируют разными сторонами.
- при определении [s]Fg вводят коэффициент YA, учитывающий двухстороннее приложение нагрузки (симметричный цикл нагружения).
YA = 0,65 – для улучшенных сталей
YA = 0,75 – закалка ТВЧ
YA = 0,9 - азотированные стали
Межосевое расстояние

u = zg/za – для внешнего зацепления.
u = zb/zg – для внутреннего зацепления.

Обратите внимание на лекцию "44 Биогеохимические циклы".
Окружная скорость определяется в относительном движении
или 
Вращающий момент T2 = Tg = Ta×u×Kw/nw –“ag”
T2 = Tb = Ta×(zb/za)×(Kw/nw) – для зацепления “bg”
Модуль зацепления m = 2×aw/(zg+za) округляют по ГОСТу, уточняют




















