Направляющие устройства конвейеров
ЛЕКЦИЯ 6. Направляющие устройства конвейеров
План лекции
6.1. Звездочки и блоки.
6.2. Барабаны.
Направляющие устройства конвейеров служат для направления движения тягового органа конвейера. К ним относятся:
– звездочки;
– блоки;
Рекомендуемые материалы
– барабаны.
6.1. Звездочки и блоки
Для сварных некалиброванных цепей блоки могут быть с гладким ободом без бортов и с бортами. Такие блоки используются для фрикционного привода и поворотных устройств. Диаметр таких блоков
, профиль обода показан на рис. 6.1.
Для легких и средних режимов работы блоки изготавливают из чугуна марки СЧ15; СЧ18; для тяжелого – из стали 25Л.
Профиль зуба блока-звездочки для калиброванной круглозвенной цепи показан на рис. 6.2. Звездочка имеет зубья и плоские ячейки для размещения горизонтальных звеньев цепи. Плоские основания ячеек исключают возможность изгиба звеньев при огибании блока-звездочки и уменьшают его диаметр. Для приводных звездочек обычно принимают количество ячеек (зубьев) z = 16…24. Диаметр делительной окружности, мм,
,
где t – шаг цепи, мм.

Рис. 6.2. Блок-звездочка: φ – половина
углового шага зубьев, град
Для пластинчатых втулочных, роликовых и катковых цепей профиль зуба звездочки строится по ГОСТ 592–81 (рис. 6.3).
Диаметр делительной окружности звездочки, мм
,
где t, мм.
Профиль зуба звездочек для двухшарнирной цепи строят по тому же способу, что и для катковых цепей (зубья захватывают цепь за катки). Звездочка для двухшарнирной цепи состоит из двух параллельных дисков с зубьями; зубья одного диска захватывают правые, зубья другого – левые катки цепи (рис. 6.4, а). Просвет между дисками необходим для размещения горизонтальных катков цепи.
Для разборной цепи профиль зуба звездочки строят по ГОСТ 593–75 (рис. 6.4, б).

Рис. 6.3. Звездочка для пластинчатой цепи

Рис. 6.4. Звездочки: а – для двухшарнирной цепи; б – для разборной цепи
Приводные звездочки конвейеров отливают из стали 35Л или изготовляют в виде зубчатого венца из листовой стали 40 или 50. Зубья звездочек фрезеруют и подвергают поверхностной закалке токами высокой частоты до твердости HRC 50…54. Для круглозвенных цепей фрезерование рабочих поверхностей и зубьев представляет весьма трудоемкую операцию, поэтому ее стараются заменить горячей штамповкой, составляя звездочку из двух или четырех частей. Для круглозвенных цепей применяют также вставные (сменные) фрезерованные стальные зубья, закрепленные на ободе звездочки.
6.2. Барабаны
В ленточных конвейерах различают приводные, ведущие ленту; концевые, часто выполняющие роль натяжных барабанов; оборотные, у которых угол обхвата лентой обычно 90°; и отклоняющие (устанавливаемые в местах перегиба и служащие для изменения направления движения ленты, а также используемые для поджима нижней ветви ленты к верхней) барабаны. Приводные барабаны могут иметь небольшую стрелу выпуклости (1,5…3,0 мм) для центрирования ленты на барабане. Общий вид барабанов представлен на рис. 6.5.
Приводные барабаны выполняют с выносными опорами и сферическими самоустанавливающимися подшипниками.
Барабаны изготовляют сварными из листовой стали и, реже, литыми из чугуна. Поверхность барабана может быть футерована резиной, что способствует повышению коэффициента трения между лентой и барабаном.
Для резинотканевых лент диаметр приводных барабанов, мм, определяют по формуле

где
– число прокладок в ленте;
– коэффициент, зависящий от прочности
тканевых прокладок, Н/мм:
= 125, 140, 160, 180, 190, 200 соответственно для
= 50, 100, 150, 200, 300, 400 Н/мм;
– коэффициент назначения барабана, для приводных барабанов
= 1, для концевых и натяжных
= 0,8, для отклоняющих по трассе конвейера
= 0,4...0,6.
Полученный диаметр барабана округляется до ближайшего размера из нормального ряда 160, 200, 250, 315, 400, 500, 630, 800, 1000, 1250 мм.
Принятый диаметр приводного барабана проверяется по среднему давлению ленты на барабан, Па, по условию

[
],
где
– тяговое усилие на приводном барабане, Н;
и
– усилия в набегающей и сбегающей ветвях ленты соответственно, Н;
– угол обхвата барабана лентой, град;
– ширина ленты, м;
– диаметр барабана, м; [
] = 20 000...30 000 Па – допускаемое среднее давление ленты на барабан. При невыполнении проверки по среднему давлению принимается барабан ближайшего большего диаметра из нормального ряда.

Рис. 6.5. Барабаны: а – приводной; б – натяжной и отклоняющий
на вращающейся оси; в – то же на неподвижной оси
Длина барабанов принимается: для лент В < 800 мм
мм; для лент В > 800 мм
мм.
Расчетный крутящий момент на валу приводного барабана, Н×м, по которому в дальнейшем выбирается редуктор,
где
1,1…1,2 – коэффициент запаса.
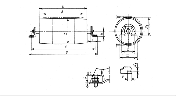
Основные параметры приводных барабанов ленточных конвейеров приведены на рис. 6.6 и в табл. 6.1, концевых, оборотных и отклоняющих барабанов – на рис. 6.7 и в табл. 6.2.
![]() |
Рис. 6.6. Параметры и размеры приводных барабанов
Таблица 6.1
Параметры приводных барабанов
| Ширина ленты, мм | Размеры, мм | Под-шип- ник | Масса враща- ющихся час-тей, кг | ||||||||||||||
| D | L | L1 | L2 | L3 | H | H1 | b | b1 | b2 | b3 | b4 | dб | l1 | l | |||
| 400 | 250 | 500 | 730 | 917 | 500 | 120 | 60 | 60 | 45 | – | 225 | 170 | 16 | 68 | 67 | 1308 | 38 |
| 400 | 400 | 500 | 730 | 990 | 457 | 195 | 100 | 85 | 64 | – | 350 | 270 | 24 | 108 | 84 | 1612 | 82 |
| 500 | 400 | 600 | 850 | 1110 | 617 | 195 | 100 | 85 | 64 | – | 350 | 270 | 24 | 108 | 84 | 1612 | 95 |
| 500 | 500 | 600 | 850 | 1140 | 647 | 185 | 100 | 85 | 64 | – | 350 | 270 | 24 | 138 | 84 | 3516 | 150 |
| 650 | 400 | 750 | 1000 | 1260 | 692 | 195 | 100 | 85 | 74 | – | 350 | 270 | 24 | 108 | 77 | 1612 | 109 |
| 650 | 500 | 750 | 1000 | 1290 | 722 | 195 | 100 | 85 | 74 | – | 350 | 270 | 24 | 108 | 74 | 1612 | 176 |
| 650 | 630 | 750 | 1000 | 1290 | 722 | 195 | 100 | 85 | 74 | – | 350 | 270 | 24 | 138 | 74 | 3516 | 192 |
| 650 | 670 | 750 | 1000 | 1290 | 722 | 195 | 100 | 85 | 74 | – | 350 | 270 | 24 | 138 | 84 | 3516 | 200 |
| 800 | 400 | 950 | 1260 | 1520 | 828 | 195 | 100 | 85 | 64 | – | 350 | 270 | 24 | 84 | 100 | 1612 | 130 |
| 800 | 500 | 950 | 1260 | 1520 | 828 | 195 | 100 | 85 | 64 | – | 350 | 270 | 24 | 84 | 130 | 3516 | 214 |
| 800 | 630 | 950 | 1300 | 1678 | 940 | 240 | 120 | 140 | 83 | 70 | 420 | 340 | 20 | 176 | 114 | 3520 | 360 |
| 800 | 800 | 950 | 1300 | 1678 | 940 | 240 | 120 | 140 | 83 | 70 | 420 | 340 | 20 | 176 | 114 | 3520 | 445 |
| 1000 | 500 | 1150 | 1500 | 1790 | 972 | 195 | 100 | 85 | 64 | – | 350 | 270 | 24 | 138 | 84 | 3516 | 249 |
| 1000 | 630 | 1150 | 1500 | 1878 | 1040 | 240 | 120 | 140 | 83 | 70 | 420 | 340 | 20 | 176 | 114 | 3520 | 390 |
| 1000 | 800 | 1150 | 1500 | 1878 | 1040 | 240 | 120 | 140 | 83 | 70 | 420 | 340 | 20 | 176 | 114 | 3520 | 575 |
| 1000 | 1000 | 1150 | 1500 | 1938 | 1090 | 280 | 140 | 160 | 90 | 80 | 480 | 390 | 24 | 216 | 124 | 3524 | 745 |
Примечание. dб – диаметр болта крепления барабана.
![]() |
Рис. 6.7. Параметры концевых, оборотных и отклоняющих барабанов
Таблица 6.2
Параметры концевых, оборотных и отклоняющих барабанов
| Ширина ленты, мм | Размеры, мм | Подшип- ник | Масса враща- ющихся частей, кг | ||||||||||||
| D | L | А | С | Н | Н2 | n | m | T | S | d1 | V | dб | |||
| Барабаны концевые | |||||||||||||||
| 500 | 400 | 600 | 800 | 870 | 90 | 290 | 250 | 320 | 70 | 10 | 28 | 34 | 24 | 1612 | 68 |
| 650 | 400 | 750 | 970 | 1040 | 90 | 290 | 250 | 320 | 70 | 10 | 28 | 34 | 24 | 1612 | 78 |
| 650 | 500 | 750 | 970 | 1040 | 90 | 340 | 250 | 320 | 70 | 10 | 28 | 34 | 24 | 3516 | 112 |
| Барабаны оборотные | |||||||||||||||
| 400 | 250 | 500 | 680 | 730 | 65 | 190 | 160 | 210 | 60 | 8 | 19 | 24 | 16 | 1310 | 30 |
| 500 | 250 | 600 | 800 | 850 | 65 | 190 | 160 | 210 | 60 | 8 | 19 | 24 | 16 | 1308 | 37 |
| 500 | 320 | 600 | 800 | 850 | 65 | 225 | 160 | 210 | 60 | 8 | 19 | 24 | 16 | 1310 | 48 |
| 650 | 250 | 750 | 970 | 1020 | 65 | 190 | 160 | 210 | 65 | 6 | 19 | 24 | 16 | 208 | 40 |
| 650 | 320 | 750 | 970 | 1020 | 65 | 220 | 160 | 210 | 60 | 6 | 19 | 24 | 16 | 310 | 65 |
| 650 | 400 | 750 | 970 | 1040 | 90 | 290 | 250 | 320 | 70 | 10 | 28 | 34 | 24 | 1612 | 78 |
| Барабаны отклоняющие | |||||||||||||||
| 400 | 250 | 500 | 680 | 730 | 65 | 190 | 160 | 210 | 60 | 8 | 19 | 24 | 16 | 1306 | 30 |
| 500 | 250 | 600 | 800 | 850 | 65 | 190 | 160 | 210 | 60 | 8 | 19 | 24 | 16 | 1308 | 37 |
| 500 | 250 | 600 | 800 | 850 | 65 | 190 | 160 | 210 | 60 | 8 | 19 | 24 | 16 | 1308 | 37 |
| 650 | 250 | 750 | 970 | 1020 | 60 | 190 | 160 | 210 | 60 | 8 | 19 | 24 | 16 | 1308 | 40 |
| 650 | 250 | 750 | 970 | 1020 | 60 | 190 | 160 | 210 | 60 | 8 | 19 | 24 | 16 | 1308 | 40 |
| 650 | 320 | 750 | 970 | 1020 | 60 | 220 | 160 | 210 | 60 | 8 | 19 | 24 | 16 | 1310 | 58 |
Примечание. dб – диаметр болта крепления барабана.
Однобарабанный привод небольшой мощности может выполняться с встроенными внутрь барабана электродвигателем и редуктором
(рис. 6.8).

Рис. 6.8. Мотор-барабан: 1 – барабан; 2 – редуктор;
3 – электродвигатель; 4 – токоподвод
Такие мотор-барабаны особенно необходимы для привода передвижных и переносных конвейеров, а также для различных строительных, путевых и погрузочно-разгрузочных машин, в состав которых входят конвейеры; они компактны и имеют малую массу и небольшие габаритные размеры.
Лекция "32 Умозаключение как форма мышления" также может быть Вам полезна.
КОНТРОЛЬНЫЕ ВОПРОСЫ И ЗАДАНИЯ
1. Назовите, что может являться направляющими устройствами конвейеров.
2. Назовите, какие устройства служат для направления движения тяговых цепей. Каковы их основные конструктивные особенности?
3. Назовите, какие устройства служат для направления движения лент. Каковы их основные конструктивные особенности?
4. Как производится определение диаметров звездочек?
5. Как производится определение диаметров барабанов?
























