Кинематика зубчатых механизмов
2. Кинематика зубчатых механизмов
Зубчатые механизмы служат для преобразования вращательного движения с одновременным преобразованием сил.
2.1. Понятие о передаточном отношении
Основной характеристикой преобразования вращательного движения зубчатых механизмов является передаточное отношение – отношение угловой скорости или частоты вращения ведущего звена механизма к угловой скорости или частоте вращения ведомого звена.
Передаточное отношение обозначается латинской буквой «
» с индексами. Индексы указывают на то, от какого колеса (1-й индекс) к какому (2-й индекс) вычисляется передаточное отношение. Например,
12 обозначает передаточное отношение от первого колеса ко второму. Согласно определению
или
, так как
.
Поскольку
21=
2/
1, то
12·
21=1, и
21=1/
12.
Если в механизме передаточное отношение больше единицы, то угловая скорость ведущего колеса больше, чем ведомого, и такой механизм называется редуктором. В противном случае механизм называется мультипликатором. Редукторы в машиностроении применяются в большинстве случаев из-за необходимости уменьшения скоростей движения исполнительных органов машин и увеличения на них усилий. Мультипликаторы применяются реже и не являются силовыми устройствами.
Рекомендуемые материалы
При совпадении направлений вращения ведущего и ведомого колёс передаточное отношение имеет положительный знак, т. е.
, если направления вращений не совпадают, то
. Заметим, что знак имеет смысл при параллельных осях колёс.
2.2. Передаточное отношение простой зубчатой передачи
Простая зубчатая передача – трехзвенный зубчатый механизм, состоящий из двух зубчатых колес и стойки. В зубчатых колесах существуют окружности, которые при передаче движения перекатываются друг по другу без скольжения. Эти окружности называются центроидными, т. к. каждая из них является геометрическим местом центров мгновенного относительного вращения другой окружности. На рис. 2.1 показана такая передача. В ней колесо 1 вращается вокруг центра O1, а колесо 2 – вокруг центра O2. Их центроидные окружности касаются друг друга в точке A. Направления вращения колёс указаны стрелками. В точке A окружные скорости колёс одинаковы и определяются произведением угловых скоростей колёс на радиусы центроидных окружностей
1 и
2, т. е. соответственно VA1=
1·
1 и VA2=
2·
2. А так как эти скорости равны, то имеет место равенство:
,
из которого следует, что передаточное отношение может быть выражено через отношение радиусов центроидных окружностей, то есть
.
Знаки «+» и «–» перед отношением радиусов появились в связи с тем, что в отличие от угловых скоростей радиусы не могут быть отрицательными, и знак «–» относится к данной схеме, а знак «+» имел бы место при внутреннем зацеплении колёс.
Если центроидными окружностями являются делительные окружности, то их радиусы можно выразить следующим образом. Длины центроидных окружностей S1 первого колеса и S2 второго колеса определяются выражениями соответственно:
S1 = 2·π·
1 = p·
1 и S2 =2·π·
2 = p·
2,
где p – шаг колёс по делительной окружности, т. е. расстояние между одноимёнными точками двух соседних зубьев,
1 и
2 – числа зубьев данных колёс, (то же, что число шагов).
Решим эти выражения относительно радиусов
1 и
2:
1 = p·z1/(2·π),
2 = p·z2/(2·π).
Отношение шага по делительной окружности к числу π называется модулем зубчатого колеса, который обозначается латинской буквой m. Модуль, как и шаг, является единым для колёс, находящихся в зацеплении. Он измеряется в миллиметрах, и через него выражаются все размеры зубьев (величины модулей определяются стандартом). Подставив теперь вместо радиусов в ранее записанном выражении передаточного отношения их найденные выше значения, после сокращения на 2 и на m, получим окончательно
.
То есть, передаточное отношение простой зубчатой передачи может быть выражено как обратное отношение чисел зубьев колёс. Это правило справедливо при всех способах расположения осей колёс в пространстве.
2.3. Кинематика зубчатых механизмов с неподвижными осями колес
Передаточное отношение сложного зубчатого механизма равно произведению передаточных отношений простых зубчатых передач, составляющих сложный механизм. Доказательство этого положения понятно из следующих выкладок:
1n =
1/
n =
1/
2 ·
2/
3·
3/
4 ···
n-1/
n.
Так как каждый из множителей правой части представляет собой передаточное отношение отдельных последовательно расположенных ступеней простых передач, то можно записать
1n =
12·
23·
34···
n-1,n,
что и требовалось доказать.
Механизм с рядовым соединением колес
В этом механизме все колеса вращаются в одной плоскости, и каждое промежуточное колесо образует зацепление с двумя соседними (рис. 2.2).
На схеме механизма цифрами обозначены номера колёс, а неподвижные оси затушёваны.
Согласно доказанному выше положению общее передаточное отношение данного механизма определяется равенством:
14 =
12 ·
23·
34.
Записав передаточные отношения отдельных ступеней
12 = –
2/
1,
23 = –
3/
2 и
34 = –
4/
3
и подставив их в правую часть полученного ранее произведения, имеем
14 = (–
2/
1)·(–
3/
2)·(–
4/
3),
что после выполнения необходимых действий приводит к следующему результату
14 = –
4/
1.
Этот результат показывает, что в механизмах такого типа передаточное отношение зависит только от чисел зубьев ведущего и ведомого колёс. Промежуточные колёса, числа зубьев которых не влияют на передаточное отношение, называются паразитными. Они позволяют только передать движение на небольшое расстояние и изменить его знак. Для общего случая механизма с произвольным числом колёс при вычислении передаточного отношения можно руководствоваться следующим выражением
,
где k – число внешних зацеплений, т. к. только они влияют на знак результата.
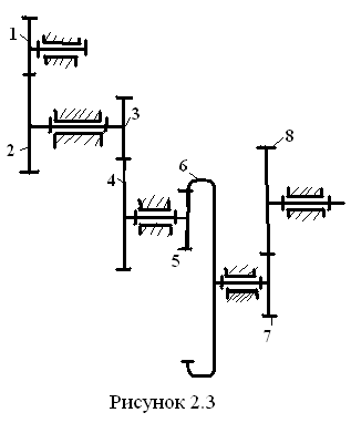
Механизм со ступенчатым соединением колёс
В этом механизме колеса вращаются в параллельных плоскостях, и каждое промежуточное колесо вступает в зацепление с одним соседним колесом. На каждом промежуточном валу имеется по два колеса. На рисунке 2.3 показана схема
механизма, в котором на промежуточных валах вращаются колёса 2 и 3, 4 и 5, 6 и 7, на ведущем валу находится одно колесо 1, а на ведомом – также одно колесо 8. Найдём передаточное отношение от первого колеса к восьмому
18. Для этого сначала запишем
18 =
12 ·
34 ·
56 ·
78.
Так как
12 = –
2/
1,
34 = –
4/
3,
56 =
6/
5 и
78 = –
8/
7, то, подставив в произведение передаточных отношений эти дроби, получим окончательно
.
Никаких сокращений здесь нет кроме возможных общих множителей после подстановки чисел зубьев. Общий знак минус появился из-за того, что в механизме нечётное число пар внешнего зацепления (три пары). По сравнению с предыдущей схемой здесь можно получить практически любое передаточное отношение. Для общего случая механизма запишем формулу передаточного отношения в следующем виде
,
где k – число пар колёс внешнего зацепления, а символы в числителе означают произведение чисел зубьев ведомых колёс каждой пары, в знаменателе – произведение чисел зубьев ведущих колёс каждой пары.
Такие механизмы более выгодны с точки зрения преобразования движения, чем механизмы с рядовым соединением колес, т.к. они позволяют получить любое передаточное отношение.
2.4. Кинематика механизмов планетарного типа
В отличие от рассмотренных схем существуют механизмы, у которых оси отдельных колес подвижны. Такие механизмы относятся к механизмам планетарного типа или эпициклическим. Эти механизмы по передаточному отношению выгодно отличаются от предыдущих, т. к. они могут обеспечить большое передаточное отношение при малом количестве колес (до 10 тысяч и более при четырех колесах).
Типовая схема эпициклического механизма
На рис. 2.4 представлена одна из простейших типовых схем. Она включает центральное колесо 1 с внешними зубьями, называемое также солнечным колесом, центральное колесо 3 с внутренними зубьями и колесо 2, называемое сателлитом.
Сателлит получил своё название из-за двух вращательных движений, в которых он участвует: вращения вокруг собственной оси и вращения вокруг общей оси механизма. Такую возможность ему предоставляет звено H стержневого типа, называемое водилом.
Если оба центральные колеса вращаются, то механизм имеет W = 2 и называется дифференциальным.
Если одно из центральных колёс заторможено, то W = 1, и механизм называется планетарным. Наиболее часто встречающиеся схемы механизмов планетарного типа в блочном представлении изображены на рисунке 2.5.

Схема А соответствует обыкновенному планетарному механизму, имеющему одно ведущее звено и одно ведомое при любом числе эпициклических ступеней. На схеме Б показана блок-схема дифференциального механизма с двумя ведущими и одним ведомым звеньями. На схеме В представлен так называемый механизм с замкнутым контуром, который составлен из одной или нескольких эпициклических ступеней, представляющих дифференциальную часть, и дополнительной кинематической цепи, соединяющей выходной вал механизма с одним из его входных валов. В результате такой связи в механизме остаётся одно ведущее и одно ведомое звенья.
Аналитический расчет кинематики
Для аналитического решения задач кинематики, при котором в дифференциальном механизме по заданным угловым скоростям ведущих звеньев определяется угловая скорость ведомого звена, а в планетарном механизме определяется передаточное отношение от ведущего звена к ведомому, применяют метод обращения движения. Он заключается в том, что всему механизму вместе со стойкой сообщается движение с угловой скоростью, равной и противоположно направленной угловой скорости водила. Тогда при сохранении характера относительного движения звеньев водило останавливается, а все звенья получают угловые скорости, уменьшенные на угловую скорость водила. Механизм в таком случае превращается в условный механизм с неподвижными осями колес. Это позволяет составить следующую таблицу скоростей:
| № звена | Угловые скорости звеньев в реальном механизме | Угловые скорости звеньев в механизме с условно неподвижным водилом |
| 1 2 3 H |
|
|
Записываем передаточное отношение от первого центрального колеса к третьему
13(H) при условно неподвижном водиле. Для схемы, представленной на рисунке 2.4, запишем
13(H) =
1(H)⁄
3(H), или после подстановки соответствующих разностей из таблицы получаем
. (а)
Из трех величин левой части две должны быть заданы, третья определяется решением данного уравнения.
В планетарном механизме, как сказано выше, одно из центральных колес неподвижно. Если принять колесо 3 с внутренними зубьями за неподвижное, т.е. принять
3 = 0, то уравнение (а) запишется в виде
13(H) = (
1 ⁄
H)/–
H . Разделив почленно числитель на знаменатель и заменив отношения угловых скоростей обозначениями передаточных отношений, получим окончательно:
, (б)
т. е. передаточное отношение в планетарном механизме от любого центрального колеса к водилу равно единице минус передаточное отношение от этого центрального колеса к другому центральному колесу в механизме с условно неподвижным водилом.
З а м е ч а н и е . При решении задачи кинематики одноступенчатого планетарного механизма (схема А по рис. 2.5) и одноступенчатого дифференциального механизма (схема Б по рис. 2.5) составляется и решается одно уравнение типа (б) или типа (а) соответственно. Если решается задача кинематики дифференциального механизма с замкнутым контуром (схема В по рис. 2.5), то необходимо составить два уравнения, одно из которых относится к дифференциальной ступени, другое – к замыкающей кинематической цепи, и решать эти уравнения как систему двух уравнений с двумя неизвестными.
Графический расчет кинематики
Методика графического расчёта основана на том, что окружные скорости центроидных окружностей колес одинаковы, а в точке касания этих окружностей их направления совпадают. Зубчатые колёса, показанные на рисунке 2.6, вращаются навстречу друг другу так, что в точке А касания их центроидных окружностей окружные скорости совпадающих точек А1 и А2 также совпадают. Имея в виду, что скорость точки, совершающей вращательное движение вокруг неподвижной точки, линейно зависит от её расстояния от последней, то есть
V =
· r ,
заключаем, что концы векторов скоростей точек, лежащих на прямой О1О2, принадлежащих колесу 1, лежат на одной прямой, называемой линией распределения скоростей этого колеса. То же самое имеет место и с точками колеса 2, лежащими на линии центров колёс.
Проведём горизонтальную прямую ниже изображения колёс и на некотором расстоянии от этой прямой возьмём произвольную точку P. Из неё проведём прямые параллельно линиям распределения скоростей до пересечения с горизонталью в точках 1 и 2. Запишем цепочку равенств, имея в виду предыдущие рассуждения и подобие треугольников на картине зацепления и на нижнем построении:
12 =
.
Учитывая начало этого равенства и его конец, можно сделать вывод, что отрезки, полученные на горизонтали, в некотором масштабе изображают угловые скорости колёс. Для определения масштаба угловых скоростей необходимо угловую скорость
1 (если, конечно, она задана) поделить на отрезок
, измеренный в миллиметрах. Угловая скорость
2 определится умножением этого масштаба на отрезок
, взятый также в миллиметрах. На основе изложенной методики можно достаточно просто решить задачу кинематики любого зубчатого механизма. Если требуется определить передаточное отношение механизма, то достаточно взять отношение отрезков, выражающих соответствующие угловые скорости.
З а м е ч а н и е . В дифференциальных механизмах с замкнутым контуром (схема В рис. 2.5), как правило, ведущим звеном является центральное колесо дифференциальной ступени, и построение картины линейных скоростей от этого колеса невозможно. Для решения задачи необходимо выбрать в качестве ведущего любое другое звено и задаться произвольно его окружной скоростью. После этого задача решается без затруднений.
Вопросы для самопроверки
1. Для чего применяются зубчатые механизмы?
2. Что такое передаточное отношение?
3. Какие зубчатые механизмы называют редукторами, мультипликаторами?
4. Как можно выразить передаточное отношение в паре зубчатых колёс?
5. Изобразите схему рядового, ступенчатого соединений зубчатых колёс.
5. Какая связь между передаточным отношением сложного зубчатого механизма и передаточными отношениями отдельных его ступеней?
6. Как определяется передаточное отношение в механизмах с рядовым и ступенчатым соединениями колёс?
7. Какие зубчатые механизмы являются механизмами планетарного типа (эпициклическими)?
Лекция "13 - Бактериологический состав и радиоактивность" также может быть Вам полезна.
8. В чём состоит основное достоинство механизмов планетарного типа?
9. Назовите элементы типовой схемы механизма планетарного типа.
10. Для чего и как применяется метод обращения движения?
11. Каковы особенности аналитического расчета механизмов планетарного типа различных схем?
12. На чём основан графический метод исследования кинематики зубчатых механизмов?
13. Какова особенность графического расчёта кинематики дифференциального механизма с замкнутым контуром?






















