Дешифраторы
2.3. Дешифраторы
Обратное преобразование двоичного кода в код «1 из N» выполняют преобразователи кода, называемые дешифраторами. Если на входы дешифратора подается двоичный код, то на одном из выходов дешифратора вырабатывается сигнал 1, а на остальных выходах сохраняются сигналы 0. В общем случае дешифратор с п входами имеет 2n выходов, так как n-разрядный код входного слова может принимать 2n различных значений и каждому из этих значений соответствует сигнал 1 на одном из выходов дешифратора.
На выходах дешифратора с номерами 0, 1, 2, ..., 2n-1 вырабатываются значения булевых функций соответственно:

Дешифраторы устанавливаются в схемах ЭВМ и других цифровых устройств на выходах регистров или счетчиков и служат для преобразования кода слова, находящегося в регистре (в счетчике), в управляющий сигнал на одном из выходов дешифратора, например, для
управления входами газоразрядного индикатора или элементами выборки символов печатающего устройства.
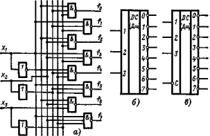
На рис. 3-25, а показан способ построения дешифратора на примере схемы дешифратора для трехразрядного входного слова. Схема представляет собой набор из восьми трехвходовых элементов И, на входы которых поданы все возможные комбинации прямых и инверсных значений разрядов слова.

Рис. 3-25. Дешифратор с инверсными выходами.
а — функциональная схема; б — условное обозначение дешифратора; в —• условное обозначение дешифратора со входом синхронизации.
Рекомендуемые материалы
Если каждый элемент имеет вход для сигнала синхронизации, то такая схема называется дешифратором со входом синхронизации (рис. 3-25, в). Такого вида схемы выпускаются в составе комплексов интегральных логических элементов.
Вам также может быть полезна лекция "23. Почвенный покров лесостепей Западной Сибири.".
Наращивание размерности
Рассмотренные выше схемы дешифраторов относятся к типу линейных и для них характерно одноступенчатое дешифрирование входных n-разрядных кодов с помощью n-входовых логических элементов. Однако с ростом разрядности входного кода количество входов логических элементов и их количество быстро нарастает. Поэтому линейная структура обычно используется для построения дешифраторов с n < 4. При большей разрядности входного кода дешифраторы выполняются по многоступенчатой схеме. При этом, как правило, используются дешифраторы с инверсными выходами и инверсными входами синхронизации. Каскадное включение таких схем позволяет легко наращивать число дешифрируемых переменных. Принцип построения схем нетрудно понять, обратившись к рис. 3-26. Здесь показан дешифратор на четыре входа с инверсными выходами, построенный из интегральных элементов, реализующих схемы двухвходовых дешифраторов.
|
|
Рис. 3-26. Каскадный дешифратор
Для получения нужных 16 выходов составляется столбец из четырех дешифраторов второго яруса. Дешифратор первого яруса принимает два старших разряда входного кода Х1 и Х2. Возбужденный единичный выход этого дешифратора отпирает один из дешифраторов столбца по его входу разрешения. Выбранный дешифратор столбца расшифровывает 2 младших разряда входного слова.
Каждому входному слову соответствует возбуждение только одного выхода. Например, при дешифрации слова X1X2X3X4 = 11012 = 1310 на входе дешифратора первого яруса имеется код 11, возбуждающий его выход номер три, что разрешает работу 4-го сверху дешифратора второго яруса. На его входе действует код 01, поэтому единица появится на его первом выходе, т. е. на 12-м выходе схемы в целом, что и требуется.
Общее разрешение или запрещение работы схемы осуществляется по входу С дешифратора первого яруса.






















