Пиковый детектор
Пиковый детектор.

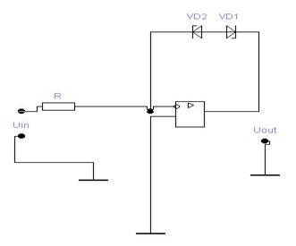
Пиковый детектор используется тогда, когда нужно определить максимальное значение входного напряжения.
Простейший ПД:
- нечувствительность к напряжениям Uвх < 0.6В;
- при больших Uвх возникает температурная погрешность;
- Rвх = f(Uвх); Rвх → 0 при Uвх → max;
- ОУ имеет конечную скорость нарастания Uвых;
- медленный разряд С из-за наличия в токе смещения ОУ;
Лекция "Восприятие в зависимости от частоты" также может быть Вам полезна.
- скорость разряда ограничена выходным током ОУ.
Uвх > Uпик
DA1 переходит в режим насыщения.
DA2 поддерживает Uа = Uс и таким образом устраняется влияние тока утечки диода VD1 (он протекает через R1).
DA1 большую часть времени находится в режиме отрицательного насыщения.
Uвх > Uпик => DA1 выходит из режима насыщения. Время выхода DA1 из насыщения может быть значительным. Это и является недостатком схемы.






















