Цифровые устройства
Цифровые устройства
Алгебра логики (алгебра Буля)
Цифровые устройства построены на принципе многократного повторения относительно простых базовых схем. Связи между этими схемами строятся на основе чисто формальных методов. Инструментом такого построения служит булева алгебра (алгебра логики).
Логическая переменная Х (или набор переменных – Х1,Х2,….Хn) так же как и функции этой переменной – У, то есть У=f(Х1,Х2,….Хn), принимают только два возможных значения:
- значение логического нуля (низкий уровень (отсутствие) сигнала);
- значение логической единицы (высокий уровень сигнала).
Таким образом алгебра логики изучает связь между переменными, принимающими только значения "1" и "0".
Основные понятия алгебры логики
Закон исключенного третьего
Если х ≠ 1, то х = 0, если х ≠ 0, то х = 1.
Существуют три основные операции между логическими переменными:
1) Конъюнкция (операция "и", логическое умножение). Конъюнкция нескольких переменных равна 1 лишь тогда, когда все переменные равны 1. Конъюнкция обозначается в виде произведения у = х1·х2, или у = х1х2, или у = х1Λх2. Обозначение элемента в схеме приведено на рис. 40.
Рекомендуемые материалы

Рис. 40. Конъюнктор
Таблица соответствия для конъюнкции
| х1 | х2 | у=х1·х2 |
| 0 | 0 | 0 |
| 0 | 1 | 0 |
| 1 | 0 | 0 |
| 1 | 1 | 1 |
Таблица 2 Конъюнкция
2) Дизъюнкция (операция "или", логическое сложение). Дизъюнкция нескольких переменных равна 1, если хотя бы одна из переменных равна 1. Дизъюнкция обозначается в виде суммы: у = х1+х2, или у = х1Vх2. Обозначение элемента в схеме приведено на рис.42.

Рис.42. Дизъюнктор
Таблица соответствия для дизъюнкции
| х1 | х2 | у=х1+х2 |
| 0 | 0 | 0 |
| 0 | 1 | 1 |
| 1 | 0 | 1 |
| 1 | 1 | 1 |
Таблица 3 Дизъюнкция
3) Инверсия (операция "не", логическое отрицание). Обозначение элемента в схеме приведено на рис 43.

Рис.43
Таблица соответствия для инверсии
| х | у= |
| 0 | 1 |
| 1 | 0 |
Возможны комбинированные операции. Примеры элементов, выполняющих такие действия приведены на рис.44.

Рис. 44 Комбинированные логические элементы
Система обозначения интегральных схем
В технической документации применяют графическое и буквенное обозначение ИС.

Обозначение ИС на электрических принципиальных схемах
Буквенные обозначения на электрических принципиальных схемах: DD — цифровая ИС; DA — аналоговая ИС.
Функции элемента указываются символами, например:
1 — функция “ИЛИ”; & — функция “И”;
Т — триггер; >
— операционный усилитель;
Х:Y — делитель; >104 — усилитель с коэффициентом усиления 10000;
A/# — аналогово-цифровой преобразователь (АЦП).
Базовые логические элементы
Базовыми называют логические элементы, выполняющие основные логические функции. Из них собирают устройства, выполняющие сколь угодно сложные логические функции.
Существует множество базовых логических элементов. Рассмотрим важнейшие из них.
1. Резисторно-транзисторный ЛЭ (РТЛ).
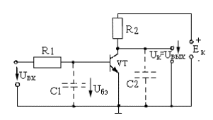
Простейшим элементом, выполняющим функцию отрицания НЕ, является транзисторный ключ.

Рис. 45. Транзисторный ключ
Транзисторы в интегральных схемах обычно изображают без окружности (для экономии места).
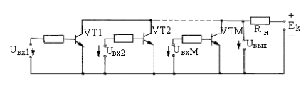
Более сложная операция ИЛИ-НЕ реализует цепь из М транзисторных ключей, работающих на общую нагрузку

Рис. 43. Совокупность ключей с общей нагрузкой
Если все транзисторы закрыты, то Uвых = U1вых >> Ек. Чтобы получить Uвых = U0вых > 0 необходимо открыть хотя бы один транзистор, т.е. Uвх = U1вх (до насыщения!).
Недостаток РТЛ - диссипативные резисторы занимают много места на подложке и снижают степень интеграции ИС. Применяются редко.
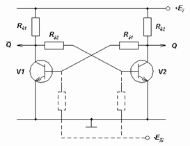
Симметричный триггер на транзисторах
Состоит из двух транзисторных ключей, охваченных перекрестной положительной обратной связью (ОС).
Триггер имеет два устойчивых состояния, в каждом из которых один из транзисторов открыт и насыщен, а второй - закрыт. На выходе (коллекторе) закрытого транзистора будем иметь входной уровень напряжения, соответствующий логической единице, а на коллекторе открытого транзистора, будем иметь нулевой уровень, соответствующий логическому нулю. Транзисторы всегда находятся в противоположном состоянии за счет действия положительной обратной связи. При этом закрытый транзистор, своим высоким уровнем напряжения на коллекторе, поддерживает второй транзистор в открытом состоянии.

Рис. 45. Симметричный триггер на транзисторах.
Так допустим, если транзистор V2 закрыт, то:
, а
(
).
Высокое напряжение с коллектора второго транзистора, через сопротивление
, перекрестной положительной ОС, будет действовать на базу первого транзистора и открывать его.
(
; s - степень насыщения). Т.о. закрытое состояние второго транзистора обеспечивает открытое состояние первого транзистора. Следовательно,
,
.
Напряжение
, близкое к нулю, через сопротивление
будет приложено к базе второго транзистора. Если транзисторы кремниевые, то нулевого напряжения на базе достаточно для закрывания второго транзистора. Т.е. открытое состояние первого транзистора поддерживает закрытое состояние второго. Транзисторы поддерживают друг- друга в своих противоположных состояниях.
Такое состояние триггера является устойчивым. Второе устойчивое состояние когда V2 открыт, а V1 закрыт.
триггер симметричный, т.е. параметры левого и правого плеча одинаковы.
Параметры схемы триггера должны быть рассчитаны так, чтобы в каждом из этих состояний обеспечивалось гарантированное открытие одного из транзисторов, необходимая степень его насыщения и гарантированное закрывание второго транзистора.
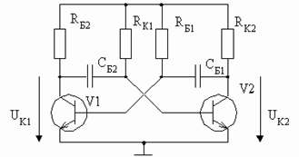
Мультивибраторы на транзисторах
Мультивибратор на транзисторах состоит из двух транзисторных ключей, охваченных перекрестной ОС, но через мультивибратор имеет два временно устойчивых /квазиустойчивых/ состояния. В первом: V1 открыт и насыщен, а V2 закрыт и в режиме отсечки. Во втором: V2 открыт и насыщен, а V1 закрыт и в режиме отсечки. Переход мультивибратора из одного состояния в другое происходит через определенное время, определяемое процессами перезарядки базовых емкостей. Открытое и насыщенное состояние одного из транзисторов обеспечивается подключением базы к +ЕП через RБ1 и RБ2.

Рис. 45. Мультивибратор на транзисторах
Операционные усилители
Ещё посмотрите лекцию "5 Анализ потоков энергии" по этой теме.
Термин "операционный усилитель" (ОУ) впервые использован в вычислительной технике, где он отождествляется с понятием "решающий усилитель". С этими терминами неизменно связывались математические операции: суммирования, дифференцирования, интегрирования, которые усилитель мог выполнять за счет введения отрицательной обратной связи (ООС) определенного вида. В настоящее время смысл этого термина существенно расширился и несколько изменился. Под операционным усилителем принято понимать универсальный электронный усилитель, который может выполнять самые различные функции и позволяет без нарушения его работоспособности вводить ОС различного типа.

Рис. 46.
Обозначение ОУ в виде треугольника, вершина которого показывает направление передачи сигнала. В технической документации ОУ обозначают прямоугольником, у которого инвертирующий вход обозначают кружком (рис. 46)
По принципу действия ОУ сходен с обычным усилителем. Как и обычный усилитель, он предназначен для усиления напряжения или мощности входного сигнала.
Свойства и параметры обычного усилителя полностью определены его схемой, а свойства и параметры ОУ определяются преимущественно параметрами цепи ОС. ОУ выполняют по схеме усилителей постоянного тока с непосредственной связью между отдельными каскадами с дифференциальным входом и биполярным по отношению к амплитуде усиливаемого сигнала выходом. Это обеспечивает нулевые потенциалы на входе и выходе. ОУ характеризуется большим коэффициентом усиления, высоким входным и низким выходным сопротивлениями.






















