Защита электрических сетей и электроустановок от атмосферных перенапряжений
Лекция №16.
Защита электрических сетей и электроустановок от атмосферных перенапряжений.
Атмосферное перенапряжение – одна из основных причин повреждений и аварийных отключений в электроустановках (линии электропередач, ОРУ, ЗРУ, взрыво и огнеопасные помещения электростанций, ТЭЦ и т. д.) в грозовые периоды года.
Перенапряжения, возникающие в элементах электроустановок в результате прямого удара молнии при набегании волновых перенапряжений, не только приводят к повреждениям оборудования и перерывам электроснабжения, но и представляют значительную опасность для людей и животных, особенно в электроустановках НН. Поэтому правильность выбора защитных устройств от атмосферных перенапряжений – весьма важная задача, от решения которой в значительной степени зависит целостность оборудования, надежность электроснабжения потребителей и безопасность людей и животных.
Выбранный вариант грозозащиты должен быть наиболее совершенным как в техническом (эффективность действия), так и в экономическом отношении.
Для защиты от прямых ударов молнии служат тросовые и стержневые молниеотводы:
- тросовые молниеотводы – применяются для защиты протяженных объектов (линии электропередачи и подходы к подстанциям и электростанциям и т. п.);
- стержневые молниеотводы – применяют для защиты сосредоточенных объектов (СОРУ станций и подстанций, отдельные сооружения и т. п.).
Рекомендуемые материалы
Определения устройств защиты от перенапряжений.
1. молниеотводом называется устройство, защищающее сооружение от прямых ударов молнии;
2. зона защиты молниеотводов – пространство, защищенное молниеотводом от прямых ударов молнии;
3. угол защиты молниеотвода - угол между вертикальной линией, проходящей через вершину молниеотвода, и линией, соединяющей вершину молниеотвода с рассматриваемой наивысшей точкой защищаемого оборудования;
4. заземлитель (заземляющий электрод) – металлический проводник, находящийся в непосредственном соприкосновении с почвой и создающий электрическое соединение с землей;
5. заземлителяющий проводник (спуск) – металлический проводник или группа проводников, соединяющих заземляемые части электрической установки с заземлителем;
6. разрядник – аппарат защиты изоляции от перенапряжения, позволяющий осуществить разряд опасной волны перенапряжения на землю с последующим немедленным восстановлением нормальной изоляции сети по отношению к земле (дугогасительное устройство):
а) вентильный разрядник (РВ) – состоит из искровых промежутков и переменного, зависимого от «У», сопротивления;
б) трубчатый разрядник (РТ) – состоит из соединенных последовательно внешнего, открытого искрового промежутка и внутреннего, расположенного внутри трубки из материала, генерирующего газы под воздействием силовой дуги.
7. защитным промежутком называется воздушный промежуток, позволяющий осуществить разряд опасной для защищающей изоляции волны перенапряжений, но не имеющей специального дугогасительного устройства.
Защита от атмосферных перенапряжений линий электропередачи.
Защита ВЛ «У» 110кВ и > на металлических и железобетонных опорах должна осуществляться подвеской тросов по всей длине ВЛ.
В целях улучшения контакта в месте закрепления трос должен шунтироваться на опорах.
В районах с числом грозовых часов до 20 в году допускается сооружение ВЛ «У» 110кВ и > на металлических и железобетонных опорах с тросами только на подходах к РУ станций и подстанций.
ВЛ «У» 35 кВ на металлических и железобетонных опорах, как правило, не защищаются тросами по всей длине, однако опоры этих линий должны быть заземлены.
ВЛ «У» (35 – 110)кВ на деревянных опорах, как правило, не защищаются тросами, за исключением подходов к РУ станций и подстанций. Отдельные места с ослабленной изоляцией (металлические и железобетонные опоры) должны защищаться трубчатыми разрядниками. Тросы на деревянных опорах «П» и «АП» - образного типа должны быть электрически соединены между собой перемычками; спуски от перемычек должны быть осуществлены по каждой стойке опоры.
ВЛ «У» (6 – 10)кВ не требуют специальной защиты, за исключением подходов к РУ станций и подстанций.
Внешний вид собранного разрядника показан на рисунке 394. этот разрядник предназначен для установки в сетях, работающих как с заземленной, так и с незаземленной нейтралью, напряжением 220 – 380 – 500В. Разрядник используется для работы в закрытых и открытых установках, заземляющие спуски разрядников присоединяют к контуру рабочего заземления низкого напряжения.

Рис. 394. внешний вид низковольтного вилитового разрядника.
Защита воздушных линий.
В соответствии с «Правилами устройства электротехнических установок» на линиях 6 – 35кВ при наличии деревянных опор и деревянных траверз специальных мер противогрозовой защиты не требуется. Расстояние по дереву между изоляторами должно быть не менее 1 м для линий 6 – 10кВ и 1,5 м для линий 20 кВ; для линий 35 кВ это расстояние должно быть увеличено до 3 м.
При соблюдении указанных расстояний по дереву, как показывает опыт, междуфазное короткое замыкание между линейными проводами, возникающее при грозовом перекрытии, не приводит к образованию и поддерживанию дуги рабочего тока; дуга грозового перекрытия мгновенно гасится, и на линии восстанавливается нормальное напряжение без перерыва питания потребителей. Дерево может быть использовано в качестве изоляции также и для грозозащиты линий, осуществленных по системе «два провода – земля».
Эффективное средство защиты воздушных линий 6 – 10 кВ от грозовых перенапряжений – применение одного из проводов линии в качестве защитного провода. Фазный провод располагают над другими, и он создает защитную зону от прямого поражения молнией. Этот верхний провод, помимо своего прямого назначения, является также и защитным тросом, а его штырь надежно заземляется. На рисунке 395 дана схема расположения проводов, из которых верхний – защитный. Если применяются подвесные изоляторы, верхний провод рекомендуется монтировать на штыревых изоляторах.

Рис. 395. схема расположения проводов на опоре с защитным верхним проводником.
В том месте, где заземляющий спуск пересекает деревянную траверзу, следует этот спуск отгибать от столба, чем избегается ослабление изоляции нижних проводов по отношению к земле.
К недостаткам этого способа грозозощиты относятся необходимость в повышенных опорах, позволяющих поместить на вершине один провод с соблюдением необходимого угла защиты, и повышенный расход металла на устройство заземлений крюков защитного провода.
Эффективным мероприятием по грозозащите сельских линий является внедрение автоматизированного повторного включения (АПВ).
При перекрытии изоляции, вследствие атмосферных перенапряжений возникает дуга, которая создает режим одно или двухполюсного замыкания и тем самым воздействуют на отключение линии. Специальное приспособление, действующее от пружины или груза (АПВГ), через промежуток времени около 0,5 секунд снова включает линию. За это время искровой промежуток полностью дейонизируется, прочность изоляции восстанавливается, а кратковременный перерыв приходит почти незаметно для потребителей. Значительный эффект может дать также широкое внедрение высоковольтных предохранителей многократного действия.
Наименьшие расстояния между проводом и тросом в пролете:
ТАБЛИЦА 3-44
| Длина пролета, м | 150 | 200 | 300 | 400 | 500 |
| Расстояние между проводом и тросом в середине пролета, м | 3,2 | 4 | 5,5 | 7 | 8,5 |
При пролетах > 500 м допустимое расстояние между проводом и тросом определяется выражением:
(3-43)
где Imax – максимальный ток молнии, кА.
Формула (3-43) применима для пролетов с длиной меньшей семикратного значения Imax.
Imax – (2,5 – 230) кА (зарегистрированная величина);
Для защиты внешних проводов от прямых ударов молнии рекомендуется величину защищающих углов между тросами и проводами принимать равной α=(20 – 30)˚.
Угол 20˚ принимается в тех случаях, когда его осуществление не требует значительных затрат.
Специальные высокие опоры, устанавливаемые на переходах через реки, ущелья и т.п. должны иметь уровень грозозоупорности не менее соответствующего уровня нормальных опор той же линии.
Требуемый уровень грозоупорности в этих случаях достигается понижением сопротивления заземления с одновременным увеличением числа элементов в гирлянде.
Вместо увеличения изоляции или снижения сопротивления заземлителей на специальных опорах могут устанавливаться трубчатые разрядники.
Защита пересечений линий между собой.
Пересечения должны выполняться таким образом, чтобы по изоляции они не являлись слабым местом по сравнению с остальной частью линии.
Рекомендуется выбирать место пересечения возможно ближе к опоре верхней из пересекающихся, что обычно позволяет обеспечить требуемые по условиям грозозащиты расстояния между пересекающимися проводами в месте пересечения.
Защита пресечений ВЛ «У» 110 кВ между собой и с линиями низшего «У» должна выполняться из расчета прямого удара молнии в пролет пересечения.
Расстояние между проводом верхней ВЛ и проводом или тросом нижней линии должно быть достаточным для предотвращения разряда в пролете пересечения, исходя из следующих величин токов молний:
- 230 кА – для пересечения линий 300 кВ и > с линиями низшего «У»;
- 200 кА – для пересечения линий (154 – 220) кВ с линиями низшего «У»;
- 125 кА – для пересечения линий 110 кВ между собой и линиями низшего «У».
Защита пересечений ВЛ «У» 35 кВ и < выполняется, исходя из расчета прямого удара молнии в линию вблизи пролета пересечения.
Для обеспечения требуемого защитного уровня должны применяться следующие мероприятия:
а) металлические опоры, ограничивающие пролет пересечения, независимо от наличия троса должны иметь заземлители;
б) на деревянных опорах 110 кВ без троса устанавливаются трубчатые разрядники;
в) при пересечении между собой линий 35 кВ и ниже на деревянных опорах также устанавливаются трубчатые разрядники.
На «П»-образных опорах 35 кВ защитные промежутки выполняются в виде заземлительных спусков, проложенных по стойкам опоры до уровня траверсы. На одностоечных опорах 10 кВ и ниже, а также на линиях связи защитные промежутки выполняются в виде заземлительного спуска от бандажа, расположенного на 0,75 м ниже уровня проводов.
Если расстояние от места пересечения до ближайшей опоры не превышает 40 м, устройство специальных заземлителей и установка разрядников или защитных промежутков на другой опоре этой линии не требуется.
Применение мер грозозащиты не требуется при расстояниях между проводами пересекающихся линий не менее:
- для ВЛ (6 – 10) кВ между собой и с линиями связи – 4 м;
- для ВЛ 35 кВ между собой и для ВЛ (35 – 110) кВ с линиями (6 – 10) кВ и линиями связи – 5 м;
- для ВЛ (6 – 10) кВ и линий связи с линиями (154 – 220) кВ – 6 м.
Защита подходов к подстанциям и к РУ с вращающимися машинками.
Защита подходов ВЛ к подстанциям.
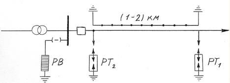
Все подходы ВЛ (35 – 110) кВ к РУ должны быть защищены от прямых ударов молнии на протяжении (1 – 2) км путем подвески тросовых молниеотводов. Исключение представляют подстанции «У» 35 кВ с трансформаторами 635 кВА и < , для которых защита тросовыми молниеотводами не требуется.
Защитные тросы на подходах ВЛ к РУ 110 кВ должны присоединяться к порталам подстанции или РУ.
При «У» 35 кВ присоединение защитных тросов к порталам допускается, если сопротивление заземлительного устройства подстанции не превышает 1 ОМ. В противном случае защитный трос должен присоединяться к первой опоре от подстанции. При этом первый пролет подхода от подстанции или РУ должен быть заземлен стержневыми молниеотводами.
На подходах ВЛ 35 кВ на деревянных опорах в начале тросового участка (со стороны линии) должен быть установлен комплект трубчатых разрядников (РТ1). Заземляющие спуски должны прокладываться по всем стойкам опоры.

Схема защиты подхода к подстанции ВЛ (35 – 110) кВ при деревянных опорах.
На портале или линейных вводах в закрытые подстанции и РУ должен быть установлен второй комплект трубчатых разрядников (РТ2), заземление которого должно присоединяться к заземлительному устройству подстанции. При затруднениях в заземлении разрядников на порталах допускается их установка на ближней к подстанции или РУ опоре.

На подходах ВЛ (35 – 110) кВ на металлических и железобетонных опорах должны быть установлены разрядники РТ2, установка разрядников РТ2 не требуется.
Защита подходов ВЛ (6 – 10) кВ к РУ станций и подстанций осуществляется по схеме, представленной ниже:

Рис. 3-38. схема защиты подходов ВЛ 6 – 10 кВ к распределительным устройствам 6 – 10 кВ.
При отсутствии трубчатых разрядников с требуемыми параметрами вместо разрядников РТ1 и РТ2 в рассмотренных выше схемах допускается установка защитных промежутков.
Защита проходов ВЛ (6 – 10) кВ к РУ с вращающимися машинками мощностью (1000 – 15000) кВт.
Воздушные подходы.
Длина защитного подхода l и сопротивление заземления РТ1 R3 определяются выражениями:
l/R3≥200 для ВЛ 6 кВ;
l/R3≥150 для ВЛ 10 кВ.
На подходах ВЛ к РУ допускается установка комплекта трубчатых разрядников РТ2. В этом случае R3 определяется как сопротивление параллельно соединенных заземлителей обоих разрядников (РТ1 и РТ2). Для защиты линейного разъединителя или выключателя устанавливается трубчатый разрядник РТ3.

Рис. 3-39. схема защиты подходов ВЛ 6 – 10 кВ к РУ с вращающимися машинами – воздушный вариант.
Подход через кабельную вставку.
Соединительный провод подвешивается на опорах ВЛ на расстоянии 2 м от нижнего провода. Соединительный провод марки «ПС» или «СТ» S=(35 – 70) мм2.

Рис. 3-40. схема защиты подходов ВЛ 6 – 10 кВ к РУ с вращающимися машинами – через кабельную вставку.
Трубчатые разрядники.
Трубчатые разрядники выполняются двух видов: фибробакелитовые серии РТФ на «У» 6 – 10 – 35 – 110 кВ и винипластовые серии РТВ на «У» 6 – 10 – 35 кВ.
Разрядники серии РТФ и РТВ применяются для защиты линейной изоляции от повреждений при грозовых перенапряжениях. Разрядник вписывается между линейным проводом и заземлителем; от линейного провода он обязательно отделяется внешним искровым промежутком для предохранения органической изоляции разрядника от повреждений токами утечки.
Наименьшие размеры внешних искровых промежутков трубчатых разрядников:
| Номинальное «У» ВЛ, кВ | 6 | 10 | 35 | 110 |
| Величина внешнего искорового промежутка, мм | 10 | 15 | 100 | 450 |
При выборе типа трубчатого разрядника верхний предел сопровождающего тока, отключаемого разрядником, должен быть не < максимального действительного значения тока К.З. в данной точке сети (с учетом апериодической составляющей), а нижний предел не > минимального возможного в данной точке сети значения токе К.З. (без учета апериодической составляющей).
При выборе разрядника по отключаемым токам значение максимального тока К.З. определяется для наиболее неблагоприятной возможной схемы работы сети. Если расчет представляет затруднения, можно принять эту величину равной действующему значению симметричной составляющей (за первый полупериод), умноженному на 1,5 для точек сети, близких к генераторным станциям, и на 1,3 – для точек сети, удаленных от станции.
Расположение трубчатых разрядников должно исключать возможность междуфазных замыканий или замыканий на землю в зоне, ионизированной газами, вырывающимися из выхлопных отверстий разрядников при их работе.
Расчетные зоны выхлопа ионизированных газов при работе трубчатых разрядников зависит от типа и «У» сети.
Вентильные разрядники.
Наиболее совершенное средство защиты оборудования и машины от перенапряжений – вентильные разрядники. Главнейшими элементами вентильного разрядника являются рабочее сопротивление и искровой промежуток. Защитное действие разрядников основано на свойствах вилитовых дисков, вольтамперная характеристика которых нелинейна, а сопротивление резко снижается с повышением приложенного к дискам «У». При появлении опасного для изоляции электроустановки перенапряжения искровой промежуток пробивается, и вилитовые диски оказываются включенными между сетью и заземлением.
Последующий за пробоем искрового промежутка импульсом перенапряжения рабочий сопровождающий ток промышленной частоты прерывается искровым промежутком при первом прохождении тока через нулевое значение. Величина сопровождающего тока ограничивается вилитовыми дисками, сопротивление которых резко увеличивается после пробоя искрового промежутка из-за того, что текущий через разрядник ток вызывает падение «У» в волновых сопротивлениях проводов электросети и в сопротивлении канала молнии.
Для облегчения процесса гашения «сопровождающего» тока искровой промежуток разрядника набирается из последовательно соединенных единичных искровых промежутков. Чтобы участие единичных искровых промежутков в процессе пробоя и гашения «сопровождающего» тока было равномерным, применяется емкостная (естественная) или омическая (принудительная) шунтировка искровых промежутков вентильных разрядников.
При выборе разрядников необходимо сопоставлять вольтскеундные и вольтамперные характеристики их с характеристикой защищаемой изоляции. Максимальное рабочее «У» защищаемой установки ни в коем случае не должно превышать значений наибольших допустимых «У»-ий на разрядниках. Вентильные разрядники, изготавливаемые заводами электропромышленности, пригодны к установке как в закрытых помещениях, так и на открытом воздухе.
Для защиты от атмосферных воздействий вилитовые диски и искровые промежутки заключаются в герметически закрытый фарфоровый кожух.
Вентильные разрядники по своему назначению можно разбить на три основные группы: станционные, подстанционные и разрядники для защиты вращающихся машин.
- разрядники вентильные стационарные (РВС) на номинальные «У» до 20 кВ включительно состоят из одного элемента, а на «У» 35 кВ и выше комплектуются из двух и более стандартных элементов.
Каждый элемент разрядников типа РВС состоит из вилитовых дисков и искровых промежутков, шунтированных нелинейными сопротивлениями.
- разрядники подстанционные РВП по сравнению с разрядниками типа РВС являются облегченными аппаратами и не имеют шунтирующих сопротивлений. Распределение «У» по единичным промежуткам управляется собственными емкостями промежутков. Разрядники РВП крепятся к опорам при помощи хомутов или же подвешиваются к проводам линии (подстанции).
Изготавливаются на «У» (3, 6 и 10) кВ.
Бесплатная лекция: "116 Принцип универсального эволюционизма в науке" также доступна.
- разрядники вентильные для защиты вращающихся машин типа РВВМ рассчитаны на «У» (3, 6 и 10) кВ. в отличие от других типов вентильных разрядников, разрядники типа РВВМ, предназначенные для защиты главным образом станционных генераторов, работающих на воздушные линии, имеют пониженные импульсные и остающиеся «У»-ия.
Снижение коэффициента импульса достигается введением в схему разрядников сосредоточенных емкостных конденсаторов, шунтирующих часть искровых промежутков и вилитовых дисков. Разрядники типа РВВМ по своему внешнему оформлению подобны разрядникам РВС, однако из-за наличия конденсаторов они имеют повышенные размеры по высоте разрядника.
Для защиты от атмосферных перенапряжений низковольтных генераторов, электродвигателей и аппаратуры сетей низкого «У»-ия (ВЭИ) разработан специальный вентильный разрядник низкого «У».
Разрядник состоит из одного искрового промежутка и одного вилитового диска. В качестве искрового промежутка использован одиночный искровой промежуток обычного типа размером (13,5 х 65) мм. Электроды – латунные, между электродами имеется миканитная шайба. Диск рабочего вилитового сопротивления размером (10 х 75) мм изготавливают из вилита.
Искровой промежуток и вилитовый диск закреплены в герметически закрытый чехол из пластмассы. Чехол состоит из корпуса и крышки, свинчиваемый между собой. Выводные электроды впрессованы в пластмассу. Герметичность, необходимая для сохранения постоянства свойств искрового промежутка и вилитового диска, достигается с помощью двойного уплотнения: резиновой прокладки и слоя специального компаунда. Разрядник снабжен хомутом для бокового крепления, и его можно подвешивать к проводу линии за верхний зажим.
Разрядник предназначен для установки в сетях, работающих как с заземленной, так и с незаземленной нейтралью «У» (220 – 380 – 500) В. Разрядник используется для работы в закрытых и открытых установках. Заземлительные спуски разрядников присоединяют к контуру рабочего заземления низкого напряжения.





















