Измерительные трансформаторы тока
Лекция 2: «Измерительные трансформаторы тока».
![]() |
Трансформатор тока предназначен для уменьшения первичного тока до значений, наиболее удобных для измерительных приборов и реле, а также для отделения цепей измерения и релейной защиты от первичных цепей высокого напряжения.
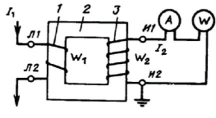
Схема включения трансформатора тока.
1. Первичная обмотка.
2. Магнитопровод.
3. Вторичная обмотка.
Трансформатор тока имеет замкнутый магнитопровод и две обмотки - первичную и вторичную. Первичная обмотка включается последовательно в цепь измеряемого тока I1, ко вторичной обмотке присоединяются измерительные приборы, обтекаемые током I2. Трансформаторы тока выпускаются в однофазном исполнении и характеризуются номинальным коэффициентом трансформации: KT =I1НОМ / I2НОМ » W2 / W1, где W2 ,W1 – число витков вторичной и первичной обмоток.
![]() |
Значения номинального вторичного тока приняты равными 5 и 1 [А]. Коэффициент трансформации ТТ не является строго постоянной величиной и может отличаться от номинального значения вследствие погрешности, обусловленной наличием тока намагничивания. Токовая погрешность определяется по формуле:
Погрешность ТТ зависит от его конструктивных особенностей: сечения магнитопровода, магнитной проницаемости материала магнитопровода, средней длины магнитного пути, значения I1 × W1. В зависимости от предъявляемых требований выпускаются ТТ с классами точности 0.2, 0.5, 1, 3, 10. Указанные цифры представляют собой токовую погрешность в процентах. Кроме токовой погрешности ТТ характеризуется угловой погрешностью, которая представляет из себя угол сдвига между вектором первичного тока и сдвинутым на 180° приведённым вторичным током. В зависимости от класса точности угловая погрешность лежит в пределах от 10 до 80 минут. Для класса точности 3 и 10 угловая погрешность не нормируется. Погрешность ТТ зависит от вторичной нагрузки (сопротивление приборов, проводов, контактов) и от кратности первичного тока по отношению к номинальному. Увеличение нагрузки и кратности тока приводит к увеличению погрешности. Трансформаторы тока класса 0.2 применяются для присоединения точных лабораторных приборов, класса 0.5 – для присоединения счётчиков денежного расчёта, класс 1 – для всех измерительных приборов, класс 3 и 10 – для релейной защиты.
Рекомендуемые материалы
Кроме рассмотренных классов выпускаются также ТТ со вторичными обмотками типов Д(для дифференциальной защиты), З(для земляной защиты), Р(для прочих релейных защит).
Токовые цепи измерительных приборов и реле имеют малое сопротивление, поэтому ТТ нормально работает в режиме, близком к режиму КЗ.
Как во всяком короткозамкнутом трансформаторе намагничивающий ток очень мал и можно считать, что первичные ампер-витки уравновешиваются вторичными ампер-витками. В действительности AW1 – AW2 = AW0.
Чем больше AW0 тем больше угловая погрешность, поэтому для магнитопроводов используют электротехническую сталь высших марок с целью уменьшения намагничивающего тока. I0 = Iакт.нам +Iреак.нам.
Iакт.нам – обуславливается активными потерями на гистерезис (перемагничивание) и вихревые токи в магнитопроводе.
Iреак.нам – создаёт магнитный поток Ф1, который индуктирует во вторичной обмотке ТТ ЭДС Е2.
Для уменьшения Iакт.нам магнитопровод набирают из шихтованной стали, для уменьшения Iреак.нам применяют различные сплавы электротехнической стали.
Как было отмечено выше, ТТ работает в режиме КЗ, поэтому разрыв вторичной цепи приводит к резкому перегреву сердечника ТТ и к наведению больших по величине ЭДС во вторичной обмотке, опасной для обслуживающего персонала. При разрыве вторичной цепи суммарный магнитный поток носит трапециидальный характер. Это приводит к изменению суммарного магнитного потока в магнитопроводе ТТ от +Фмакс до –Фмакс за очень короткий промежуток времени, что и приводит к появлению опасных по величине ЭДС во вторичной цепи.
При замене прибора в цепи ТТ или настройки релейной защиты вторичную цепь ТТ закорачивают накоротко специальной накладкой.
Конструкции трансформаторов тока.
74 Мясо птицы - лекция, которая пользуется популярностью у тех, кто читал эту лекцию.
Трансформаторы тока для внутренней установки до35 кВ имеют литую эпоксидную изоляцию. По типу первичной обмотки различают катушечные (на напряжение до 3кВ), одновитковые и многовитковые.
Для внутренней установки выпускают следующие типы ТТ: ТКЛ, ТПЛУ, ТПОЛ, ТПОЛМ, ТШЛП, ТПЛ, ТШ.
Здесь Т- трансформатор тока, К – катушечный (или для КРУ), Л – литая изоляция, П – проходной, О – одновитковый (или опорный ТОЛ), Ш – шинный, М – модернизированный (или маслонаполненный), Ф – с фарфоровой изоляцией, В – встроенный ( ТВЛМ, ТВГ ), или втулочный, или с воздушной изоляцией (ТШВ), У – U-образная первичная обмотка, или усиленный, или умеренный климат, Б – бес корпуса, З – с обмоткой звеньевого типа, Р – с рымовидными обмотками, Г – генераторный, С – специальный, ХЛ – холодный климат, Т – тропический климат.
При токах, меньших 600А, применяются много витковые ТТ типа ТПЛ. В комплектных распределительных устройствах КРУ применяются опорно-проходные ТТ типа ТЛМ-10, ТПЛК-10. На большие номинальные первичные токи применяются ТТ, у которых роль первичной обмотки выполняет шина, проходящая внутри трансформатора.
Для наружной установки выпускаются трансформаторы тока опорного типа в фарфоровом корпусе с бумажно-масляной изоляцией ТФЗМ. В полом фарфоровом изоляторе, заполненным маслом, расположены обмотки и магнитопровод ТТ. конструктивно первичная и вторичная обмотки напоминают два звена цепи (буква З в типе ТТ). первичная обмотка состоит из двух секций, которые могут быть соединены последовательно или параллельно, что приводит к изменению КТ в отношении 1:2. На фарфоровой покрышке установлен металлический маслорасширитель, воспринимающий изменения уровня масла. ТТ типа ТФЗМ имеют один магнитопровод с обмоткой класса 0.5 и два, три магнитопровода с обмотками класса Р.
Встроенные ТТ применяются в установках 35кВ и выше. В вводы высокого напряжения масляных баковых выключателей и силовых трансформаторов встраиваются магнитопроводы со вторичными обмотками типа ТВ и ТВТ.























