Общие принципы построения радиорелейных линий
1 общие принципы построения радиорелейных линий
1.1 ПРИНЦИПЫ РАДИОРЕЛЕЙНОЙ СВЯЗИ
Используемые на РРЛ и ТРЛ диапазоны радиочастот обладают рядом достоинств. В каждом из этих широкополосных диапазонов можно передавать много широкополосных сигналов. В этих диапазонах антенны с большими коэффициентами усиления имеют сравнительно небольшие размеры. Применение таких антенн позволяет получить устойчивую связь при малой мощности передатчика. Спектр внешних помех атмосферного и промышленного происхождения лежит в более низкочастотной области, чем УВЧ. Поэтому в диапазонах УВЧ и более высокочастотных таких помех практически нет. Наибольшее распространение на магистральных РРЛ нашли аналоговые радиорелейные станции (АРРС), работающие в сантиметровом диапазоне волн.
Радиорелейную линию связи строят в виде цепочки приемопередающих РРС. На РРЛ устанавливают передатчики мощностью 0,1...10 Вт, приемники с коэффициентом шума около 10 дБ, антенны с коэффициентом усиления около 40 дБ (площадь раскрыва около 10 м2). На такой РРЛ между антеннами соседних РРС должна быть прямая видимость. Для этого антенны устанавливают на опорах, чаще всего на высоте 40...100 м. Расстояние между соседними РРС магистральных РРЛ обычно около 50 км.
На ТРЛ среднее расстояние между соседними станциями около 250 км. На ТРЛ применяют передатчики мощностью 1...10 кВт, приемники с малошумящими усилителями (МШУ), имеющими эффективную шумовую температуру 150... 200 К, антенны с коэффициентом усиления около 40 дБ.
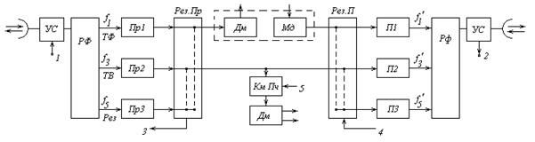
Типы станций. Основные типы РРС: оконечная (ОРС), узловая (УРС) и промежуточная (ПРС). На ОРС и УРС устанавливают радиопередатчики и радиоприемники (рис. 1.1). В составе радиопередатчика — модулятор Мд и передатчик СВЧ сигнала П, в составе радиоприемника — приемник СВЧ сигналов Пр и демодулятор Дм. В передатчике СВЧ модулированный сигнал промежуточной частоты (ПЧ) преобразуется в сигнал СВЧ либо УВЧ диапазона, в приемнике СВЧ происходит обратное преобразование принятого СВЧ сигнала в сигнал ПЧ. Приемник СВЧ и передатчик, СВЧ вместе образуют приемопередатчик СВЧ, устанавливаемый на ПРС.

Рисунок 1.1 – Структурная схема РРЛ
Рекомендуемые материалы
На ОРС, располагаемых на концах РРЛ, происходит ввод и выделение передаваемых сигналов, например МТС.
На ПРС происходит ретрансляция радиосигнала: прием, усиление, сдвиг по частоте и передача в направлении следующей РРС. При передаче радиосигналов вещательного телевидения по РРЛ на каждой ПРС предусмотрена возможность выделения телевизионной программы. Станция, на которой такая возможность реализована, называется ПРС с выделением телевидения (ПРСВ).
На УРС имеет место ретрансляция радиосигнала и разветвление РРЛ. От УРС часто берут начало новые РРЛ или кабельные линии связи. На УРС всегда происходит выделение из многоканального телефонного сообщения (МТС) части телефонных (ТФ) сигналов и ввод новых, поэтому там всегда устанавливают модуляторы и демодуляторы. Конструктивно их часто объединяют в устройстве, получившем название модем. Рекомендуемое для нашей страны среднее расстояние между соседними УРС составляет 250 км. На УРС, как правило, имеет место разветвление радиосигналов вещательного телевидения, так называемый транзит по ПЧ. Поскольку модемы вносят шумы, то исключение их из схемы позволяет улучшить отношение сигнал-шум в канале на конце РРЛ. На крупных УРС, где сходятся несколько РРЛ, устанавливают специальные коммутаторы по ПЧ сигналов вещательного телевидения, позволяющие оперативно выбирать ту или иную программу. Модуляторы устанавливают лишь на тех УРС, где необходимо ввести новую ТВ программу. Рекомендуемое расстояние между такими УРС в нашей стране — 2500 км.
Радиорелейный пролет и радиорелейный участок. Часть радиорелейной линии связи между соседними РРС, включающую аппаратуру и среду распространения радиосигнала, называют радиорелейным пролетом. Часть радиорелейной линии связи, ограниченную двумя близлежащими радиорелейными станциями, которые являются оконечными или узловыми, называют радиорелейным участком.
Сдвиг по частоте. Разность уровней сигналов на выходе и входе приемопередатчика ПРС превышает 100 дБ. Чтобы предотвратить самовозбуждение этого устройства, радиосигналы одного направления связи на ПРС (УРС) принимают и передают на разных частотах f1 и f2. Частотным сдвигом называют величину fсдв = |fа —f1|. Обычно на магистральных РРЛ fсдв=266 МГц.
Особенности обслуживания. На РРЛ обслуживающий персонал постоянно присутствует только на ОРС и УРС. Для контроля за состоянием аппаратуры на ПРС и управления ею используют систему телеобслуживания (ТО), при организации которой всю РРЛ разбивают на эксплуатационные участки, содержащие до 10 РРС. В середине такого участка находится УРС, с которой управляют работой ПРС участка, расположенных по обе стороны от УРС. Оконечные РРС обслуживают близлежащие ПРС. Для повышения надежности и устойчивости работы аппаратуру РРЛ резервируют. Распространены два способа автоматического резервирования: постанционное и поучастковое. При постанционном резервировании в случае неисправности рабочего комплекта аппаратуры на данной станции происходит автоматическая замена его на резервный, работающий на тех же частотах.
При поучастковом резервировании на каждой станции устанавливают рабочие и резервные комплекты приемопередатчиков СВЧ, причем рабочие частоты этих комплектов не совпадают. При повреждении аппаратуры на любой ПРС происходит автоматическое переключение модемов на концах радиорелейного участка, после чего передача сигналов на всем участке происходит с помощью резервных СВЧ приемопередатчиков. На РРС с поучастковым резервированием на концах участка устанавливают аппаратуру резервирования, с помощью которой контролируют состояние аппаратуры ВЧ стволов и переключают модемы. Команду переключения с конца участка к началу передают по каналам служебной связи. Каналы служебной связи предназначены также для передачи сигналов ТО и переговоров обслуживающего персонала.
1.2 МНОГОСТВОЛЬНЫЕ РАДИОРЕЛЕЙНЫЕ ЛИНИИ
Стволы РРЛ. На всех станциях одной РРЛ, как правило, устанавливают однотипные приемники и передатчики СВЧ. В большинстве радиорелейных систем Пр и П на ПРС соединяют по ПЧ. Цепочка таких передатчиков и приемников СВЧ на радиорелейном участке образует высокочастотный (ВЧ) ствол. Этот ствол является универсальным, так как по нему можно организовать передачу различных сообщений. Для чего на ОРС и УРС к ВЧ стволу подключают Мд и Дм и соответствующие оконечные устройства. Последние входят в состав модема. Если по ВЧ стволу передают МТС методом аналоговой модуляции, то такой ствол называют телефонным (ТФ). Кроме него методом аналоговой ЧМ организуют телевизионные (ТВ) стволы, по которым передают ТВ программы. Цифровой (ЦФ) ствол организуют, подавая на модулятор РРС цифровой сигнал.
Сигнал, подаваемый на модулятор, называют групповым сигналом ствола, а спектр его — линейным спектром, В аналого-цифровых (АЦФ) стволах ГС составляют из МТС и цифрового сигнала.
Структурная схема трехствольной РРЛ. Для повышения пропускной способности на РРЛ, как правило, организуют одновременную работу нескольких ВЧ стволов на различных частотах на общие антенно-фидерный тракт (АФТ) и антенну. Такую РРЛ называют многоствольной. Она имеет более высокую экономическую эффективность, чем одноствольная, поскольку стоимость антенны, антенных опор, а также общих для всех стволов — технического здания и системы электропитания, значительно выше, чем стоимость аппаратуры ВЧ ствола.
Для подключения нескольких приемопередатчиков к одной антенне (рисунок. 1.2) служат устройства совмещения (УС) и разделительные фильтры (РФ). Устройства совмещения нужны для разделения волн приема и передачи. В качестве УС используют поляризационные селекторы или ферритовые циркуляторы. Разделительные фильтры приема (РФ1) служат для разделения сигналов различных стволов на приеме на частотах f1, f3, f5. Разделительные фильтры передачи (РФ2) служат для объединения на передаче сигналов на частотах f1', f3', f5'.

Рисунок 1.2 – Структурная схема УРС трёхствольной РРЛ с поучастковым резервированием
На рисунке 1.2 показаны ТФ и ТВ стволы, а также резервный — Рез. Аппаратура резервирования установлена на концах радиорелейного участка: приемном — Рез. пр и передающем — Рез. П. В точку 3 может поступать сигнал об аварии, который должен быть передан к началу участка на предыдущую УРС, аналогичный сигнал от последующей УРС поступает в т. 4. В ТВ стволе организован транзит по ПЧ. Выбор ответвляемой программы осуществляют с помощью коммутатора по ПЧ—Км ПЧ, к которому также подводят (в т. 5) сигнал ТВ ствола обратного направления.
Пропускная способность ствола. В современных магистральных РРЛ с ЧМ для ВЧ ствола выделена полоса частот 28 МГц. Следовательно, ЧМ сигналы, передаваемые по стволу, должны иметь спектр не шире 28 МГц.
Напомним, что ширина спектра ЧМ сигнала
(1.1)
где
—максимальная девиация частоты,
FB — верхняя модулирующая частота.
Поскольку на РРЛ девиация частоты задана, то и величина FB, а следовательно, и пропускная способность ствола ограничены. Ориентировочно 
1.3 ПЛАНЫ РАСПРЕДЕЛЕНИЯ ЧАСТОТ
Для работы РРЛ выделены полосы частот шириной 400 МГц в диапазоне 2 ГГц (1,7...2,1 ГГц), 500 МГц в диапазонах 4 (3,4... 3,9), 6 (5,67 ...6,17) и 8 (7,9... 8,4) ГГц и шириной 1 ГГц в диапазонах 11 и 13 ГГц и более высокочастотных. Эти полосы распределяют между ВЧ стволами радиорелейной системы по определенному плану, называемому планом распределения частот. Планы частот составляют так, чтобы обеспечить минимальные взаимные помехи между стволами, работающими на общую антенну. В полосе 400 МГц может быть организовано 6, в полосе 500 МГц — 8 и в полосе 1 ГГц—12 дуплексных ВЧ стволов.
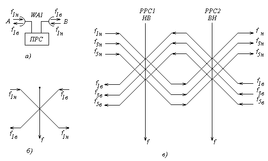
В плане частот (рисунок 1.3) обычно указывают среднюю частоту f0.


Рисунок 1.3 Распределение частот приёма и передачи на ПРС при двухчастотной системе (а) и положение этих частот на плане для одного ствола (б), в трёхствольной РРЛ на соседних РРС (в)
Частоты приема стволов располагают в одной половине выделенной полосы, а частоты передачи — в другой. При таком делении получают достаточно большую частоту сдвига, чем обеспечивают достаточную развязку между сигналами приема и передачи, поскольку РФ приема (или РФ передачи) будут работать только в половине всей полосы частот системы. При этом можно использовать общую антенну для приема и передачи сигналов. В случае необходимости получают дополнительную развязку между волнами приема и передачи в одной антенне за счет применения разной поляризации. На РРЛ используют волны с линейной поляризацией: вертикальной или горизонтальной. Применяют два варианта распределения поляризаций. В первом варианте на каждой ПРС и УРС происходит изменение поляризации так, что принимают и передают волны разной поляризации. Во втором варианте в направлении «туда» используют одну поляризацию волн, а в направлении «обратно»— другую.

Рисунок 1.4 Распределение частот приёма и передачи на ПРС при четырёхчастотной системе (а) и положение этих частот на плане для одного ствола (б), в двухствольной РРЛ на соседних РРС (в)
Станцию, на которой частоты приема расположены в нижней (Н) части выделенной полосы, а частоты передачи в верхней (В)—обозначают индексом «НВ». На следующей станции частота приема окажется выше частоты передачи и такую станцию обозначают индексом «ВН».
Воображение, его виды, функции и связь с другими психическими процессами - лекция, которая пользуется популярностью у тех, кто читал эту лекцию.
Для обратного направления связи данного ствола можно взять или ту же пару частот, что и для прямого, или другую. Соответственно говорят, что план частот позволяет организовать работу по двухчастотной (рисунок 1.3) или четырехчастотной (рисунок 1.4) системам. На этих рисунках через f1н, f1в,…f5н, f5в обозначены средние частоты стволов. Индексы частот соответствуют обозначениям стволов на рисунке 1.2. При двухчастотной системе на ПРС и УPC для приема с противоположных направлений обязательно должна быть взята одинаковая частота. Антенна WA1 (рисунок 1.3,а) будет принимать радиоволны на частоте f1н с двух направлений: главного А и обратного В. Радиоволна, приходящая с направления В, создает помеху. Степень ослабления этой помехи антенной зависит от защитных свойств антенны. Если антенна ослабляет волну обратного направления не менее, чем на 65 дБ по сравнению с волной, приходящей с главного направления, то такую антенну можно использовать при двухчастотной системе. Двухчастотная система имеет то преимущество, что позволяет в выделенной полосе частот организовать в 2 раза больше ВЧ стволов, чем четырехчастотная, однако она требует более дорогих антенн.
На магистральных РРЛ, как правило, применяют двухчастотные системы. В плане частот не предусмотрены защитные частотные интервалы между соседними стволами приема (передачи). Поэтому сигналы соседних стволов трудно разделить с помощью РФ. Чтобы избежать взаимных помех между соседними стволами, на одну антенну работают либо четные, либо нечетные стволы. В плане частот указывают минимальный частотный разнос между стволами приема и передачи, подключенными к одной антенне. Как правило, четные стволы используются на магистральных РРЛ, а нечетные — на ответвлениях от них. В таком случае частоты приема и передачи между стволами магистральной РРЛ распределяют согласно рис. 1.3,в, а между стволами зоновой РРЛ при четырехчастотной системе — согласно рисунку 1.4,в. На практике план частот, реализованный на РРЛ на основе двухчастотной (четырехчастотной) системы, называют двухчастотным (четырехчастотным) планом.
На РРЛ имеет место повторение частот передачи через пролет. При этом, для того, чтобы снизить взаимные помехи между РРС, работающими на одинаковых частотах, станции располагают зигзагообразно относительно направления между оконечными пунктами (рисунок 1.5).

Рисунок 1.5 – К пояснению зигзагообразного построения трассы
При нормальных условиях распространения сигнал от РРС1 на расстоянии в 150 км сильно ослаблен и практически не может быть принят на РРС4. Однако в отдельных случаях возникают благоприятные условия для eго распространения. В целях надежного ослабления такой помехи используют направленные свойства антенн. На трассе между направлением максимального излучения передающей антенны РРС1, т. е. направлением на РРС2, и направлением на РРС4 (направление АС на рисунке 1.5) предусматривают защитный угол изгиба трассы a1 в несколько градусов, так чтобы в направлении АС коэффициент усиления передающей антенны на РРС1 был достаточно мал.





















