Счетчики
5. Счетчики.
5.1 Основные параметры и классификация счетчиков.
Счетчиком называют устройство, которое производит подсчет поступающих на его вход импульсов.
Основным параметром счетчика является модуль счета М, который характеризует максимальное число импульсов, после прихода которого, счетчик устанавливается в исходное положение.
Основным динамическим параметром, определяющим быстродействие счетчика, является время установления выходного кода tk , характеризующее временный интервал между моментом подачи входного сигнала и моментом установления нового кода на выходе.
По значению модуля счетчики делятся на:
Двоичные, модуль счета которых равен целой степени числа 2 (М=2n)
Двоично-кодированные, в которых модуль счета может принимать любое, не равное целой степени числа 2, значение
По направлению счета делятся на:
Рекомендуемые материалы
Суммирующие, выполняющие микрооперацию инкремента над хранящимся кодовым словом;
Вычитающие, выполняющие микрооперацию декремента над хранящимся кодовым словом;
Реверсивные, выполняющие в зависимости от значения управляющего сигнала над хранящимся кодовым словом либо микрооперацию декремента или инкремента.
По способу организации межразрядных связей счетчика делятся на:
Счетчики с последовательным переносом, в котором переключение триггеров разрядных схем осуществляется последовательно один за другим;
Счетчики с параллельным переносом, в котором переключение всех триггеров разрядных схем осуществляется одновременно по сигналу синхронизации;
Счетчики с комбинированным последовательно-параллельным переносом, при котором используется различные комбинации способов переноса.
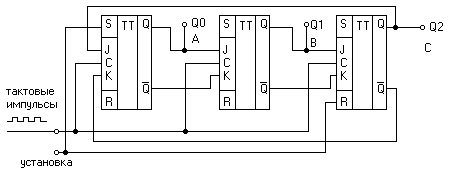
5.2 Суммирующий счетчик по модулю 16.

Рис.5.1

20
21
22
23
Рис. 5.2 Рис. 5.3
| Десятичный счет | Двоичный счет | |||
| А | В | С | D | |
| 0 | 0 | 0 | 0 | 0 |
| 1 | 1 | 0 | 0 | 0 |
| 2 | 0 | 1 | 0 | 0 |
| 3 | 1 | 1 | 0 | 0 |
| 4 | 0 | 0 | 1 | 0 |
| 5 | 1 | 0 | 1 | 0 |
| 6 | 0 | 1 | 1 | 0 |
| 7 | 1 | 1 | 1 | 0 |
| 8 | 0 | 0 | 0 | 1 |
| 9 | 1 | 0 | 0 | 1 |
| 10 | 0 | 1 | 0 | 1 |
| 11 | 1 | 1 | 0 | 1 |
| 12 | 0 | 0 | 1 | 1 |
| 13 | 1 | 0 | 1 | 1 |
| 14 | 0 | 1 | 1 | 1 |
| 15 | 1 | 1 | 1 | 1 |
| 16 | 0 | 0 | 0 | 0 |
5.3 Суммирующий счетчик по модулю 10

Рис. 5.4

| Десятичный счет | Двоичный счет | |||
| А | В | С | D | |
| 0 | 0 | 0 | 0 | 0 |
| 1 | 1 | 0 | 0 | 0 |
| 2 | 0 | 1 | 0 | 0 |
| 3 | 1 | 1 | 0 | 0 |
| 4 | 0 | 0 | 1 | 0 |
| 5 | 1 | 0 | 1 | 0 |
| 6 | 0 | 1 | 1 | 0 |
| 7 | 1 | 1 | 1 | 0 |
| 8 | 0 | 0 | 0 | 1 |
| 9 | 1 | 0 | 0 | 1 |
| 10 | 0 | 0 | 0 | 0 |
| 11 | 1 | 0 | 0 | 0 |

Рис. 5.5
5.4 Вычитающий счетчик по модулю 8

Рис. 5.6
| Номер тактового импульса | Двоичная счетная последовательность | Десятичные числа | ||
| C | B | A | ||
| 0 | 1 | 1 | 1 | 7 |
| 1 | 1 | 1 | 0 | 6 |
| 2 | 1 | 0 | 1 | 5 |
| 3 | 1 | 0 | 0 | 4 |
| 4 | 0 | 1 | 1 | 3 |
| 5 | 0 | 1 | 0 | 2 |
| 6 | 0 | 0 | 1 | 1 |
| 7 | 0 | 0 | 0 | 0 |
| 8 | 1 | 1 | 1 | 7 |
| 9 | 1 | 1 | 0 | 6 |
предустановка
Рис. 5.7
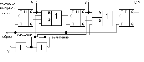
5.5 Реверсивный счетчик

Рис. 5.8
| Номер тактового импульса на входе | Двоичный код на выходе | Десятичные числа | ||
| A | B | C | ||
| 1 | 1 | 0 | 0 | 1 |
| 2 | 0 | 1 | 0 | 2 |
| 3 | 1 | 1 | 0 | 3 |
| 4 | 0 | 0 | 1 | 4 |
| 5 | 1 | 1 | 0 | 3 |
| 6 | 0 | 1 | 0 | 2 |
| 7 | 1 | 0 | 0 | 1 |
| 8 | 0 | 0 | 0 | 0 |

сложение
вычитание
Рис. 5.9
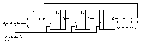
5.6 Кольцевой счетчик

Рис. 5.10
| Номер тактового импульса на входе | Двоичный код на выходе | ||
| A | B | C | |
| 0 | 1 | 0 | 0 |
| 1 | 0 | 1 | 0 |
| 2 | 0 | 1 | 0 |
| 3 | 0 | 0 | 1 |
| 4 | 0 | 0 | 1 |
| 5 | 0 | 0 | 0 |

Рис.5.11
5.7 Домашнеее задание по последовательностным устройствам.







DD1-К155ЛИ1
DD2- K155TB15
DD3-К155ЛП5
2. Спроектировать последовательностное устройство – счётчик с произвольным порядком счёта на D-триггерах.
Десятичные коды последовательности выходных сигналов Q равны: 1, 3, 2, 6, 7, 5, 4, 0.
Характерестическое уравнение D-триггера:


Выход счётчика Рис.5.14
Таблица переходов D-триггера.
(при Сt=1, Qt=0, Qt+1=Dt)
|
Dt | Qt Qt+1 | |||
|
0 | 0 0 | |||
|
1 | 0 1 | |||
|
0 | 1 0 | |||
|
1 | 1 1 |
Таблица состояний.
| Номер имп. | С | Q1 | Q2 | Q3 | Десятичный код | |||
|
1 | 1 | 0 | 0 | 1 | ||||
|
| 1 | 1 | 0 | 3 | ||||
|
| 0 | 1 | 0 | 2 | ||||
|
| 0 | 1 | 1 | 6 | ||||
|
| 1 | 1 | 1 | 7 | ||||
|
| 1 | 0 | 1 | 5 | ||||
|
| 0 | 0 | 1 | 4 | ||||
|
| 0 | 0 | 0 | 0 |
Таблица переходов и управляющих сигналов триггера.
| Номер импульса | 1 | 2 | 3 | Десятичный код Q3t,Q2t,Q1t | ||||||
| Q3t | Q2t | Q1t | Q3t+1 | Q2t+1 | Q1t+1 | D3t | D2t | D1t | ||
| 1 | 0 | 0 | 1 | 0 | 1 | 1 | 1 | |||
| 2 | 0 | 1 | 1 | 0 0 | 0 1 | 1 1 | 0 | 1 | 0 | 3 |
| 3 | 0 | 1 | 0 | 0 0 | 1 1 | 1 0 | 1 | 1 | 0 | 2 |
| 4 | 1 | 1 | 0 | 0 1 | 1 1 | 0 0 | 1 | 1 | 1 | 6 |
| 5 | 1 | 1 | 1 | 1 1 | 1 1 | 0 1 | 1 | 0 | 1 | 7 |
| 6 | 1 | 0 | 1 | 1 1 | 1 0 | 1 1 | 1 | 0 | 0 | 5 |
| 7 | 1 | 0 | 0 | 1 1 | 0 0 | 1 0 | 0 | 0 | 0 | 4 |
| 8 | 0 | 0 | 0 | 1 0 | 0 0 | 0 0 | 0 | 0 | 1 | 0 |



| 1 |
|
| |||||
| 1 | 1 | 1 | 1 | ||||
| 1 | 1 | 1 | |||||
| 1 | 1 | 1 | 1 |

Минимизированные уравнения счётчика.


Принципиальная электрическая схема счётчика. Рис. 5.15

Рис. 5.16

5.8Семинар №4. Проектирование последовательностных устройств.
Тема: Проектирование последовательностных устройств.
Большинство последовательностных устройств: счётчики с естественным порядком счёта, регистры хранения и сдвига являются стандартными устройствами и выпускаются промышленностью в виде ИС средней степени интеграции. Однако, в практике построения автоматов управления технологическими процессами встречается необходимость выполнить счётчик с произвольным порядком счёта. Такой счётчик должен отвечать потребностям выдачи последовательности сигналов включения и отключения отдельных органов автомата. Проектирование такого счётчика является темой данного семинара.
Существуют различные способы схемотехнического проектирования таких счётчиков, которые реализуются как на ЭВМ, так и при ручном проектировании. Широко применяется табличный способ проектирования, при котором совместное решение уравнений счётчика и применяемых для его построения триггеров осуществляется на уровне табличного представления.
Задача 4.1
Выполнить построение электрической принципиальной схемы счётчика с произвольным порядком счёта рис.5.17. Для построения использовать JK-триггеры. Счётчик должен обеспечить последовательность выходных сигналов Q3, Q2 Q1: 000, 001,
0011, 010, 11 0, 111.

К решению задачи.
1. Построить таблицы последовательности вывыходных сигналов и решение задачи выбора необходимого количества триггеров.
| Исх. состояние | 1 | 2 | 3 | 4 | 5 | 6 | 7 | |
| Q1 | 0 | 1 | 1 | 0 | 0 | 1 | 1 | 0 |
| Q2 | 0 | 0 | 1 | 1 | 1 | 1 | 0 | 0 |
| Q3 | 0 | 0 | 0 | 0 | 1 | 1 | 1 | 1 |
Таблица является упорядоченной записью последовательности сигналов.
Заданная последовательность является восемью неповторяющихся 3-х разрядных двоичных чисел. Такая последовательность может быть реализована счётчиком, имеющим восемь устойчивых состояний.
При h=2 – количество применяемых –счётчик будет иметь 2h=4 состояний это недостаточно.
При h=3 –счётчик будет иметь 2h=8 состояний, что достаточно. Будем проектировать счётчик на 3-х JK-триггерах, а их выходные сигналы будут выходными сигналами счётчика.
2. построение таблицы переходов счётчика Qt Qt+1. Аргументами в таблице являются значения исходных сигналов Q3t, Q2t,
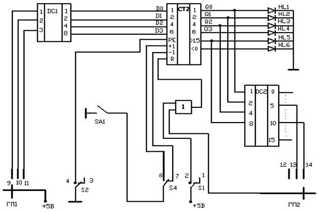
5.9 Лабораторная работа “Исследование двоичного реверсивного счетчика”
Авторы: Буянкин В.М.,Васюков С.А., Шамгулов Р.О.
ЗАДАНИЕ И ПОРЯДОК ВЫПОЛНЕНИЯ РАБОТЫ.
Ознакомьтесь с лабораторной установкой ЛОЭ-2 и схемой исследуемого счётчика. Определите функциональнок назначение ключей и галетных переключателей, управляющих подачей выходных сигналов счётчика. Выясните, какие из них подают сигналы высокого, а какие-низкого уровня. Получив разрешение преподавателя, начните выполнять работу.
Рис 5.18
А. Исследование счётчика в режиме записи информации.
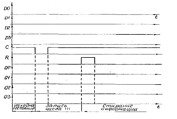
1. Исходное состояние: ключ S1 в положении 1 (на входе сброса R-низкий логический уровень R=0), ключ S2- в положении 3 (на инверсном входе РЕ - высокий логический уровень. РЕ=1 - запись не разрешена). Положение S4 и ГП2 - произвольное, ГЛ1 находится в положении II. Подготовьте временные диаграммы в соответствии с рис.5.19

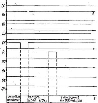
рис.5.19
Включите питание стенда. На входах D3 – D0 установлен сигнал 11012 (1310), на выходах Q3 - Q0- исходное содержание счетчика 00002 .
2. Подачей сигнала записи РE= 0 (ключ S2 кратковременно переведите из положения 3 в положение 4) осуществите запись информации. На временной диаграмме отобразите изменение выходных разрядов Q3 - Q0 . Отметьте, по какому фронту: от I к 0 или от 0 к I сигнала РЕ происходит занесение информации в счетчик.
3 Сотрите информацию с выхода счетчика (ключ S1 кратковременно переведите в положение 2). Отобразите изменение выходных разрядов Q3 -Q0 на временной диаграмме, обращая внимание на то, по какому фронту сигнала R происходит стирание информации.
Б. Исследование счетчика без обратной связи в режиме суммирования и вычитания.
I. Исходное положение переключателей: ГП1 - II, ГП2 - 12, S1 –1 , S2 - 3, S4-8. Подготовьте временную диаграмму (рис.5.20). Очистите содержимое счетчика (кратковременно переведите ключ S1 в положение 2). При выполнении действий, описанных в пунктах задания ниже, отобразите на диаграмме изменение на каждом этапе состояния выходных разрядов Q3 – Q0 и сигналов переноса >15 и < 0.

рис.5.20
2. Запишите число 11012(1310), переведя ключ S2 кратковременно в положение 4.
3. Осуществите прямой счёт пяти импульсов последовательным нажатием кнопки SA1. Определите, в какой момент перехода сигнала на входе (+1): от 0 к 1 или от 1 к 0 происходит изменение содержания счётчика как по сигналам Q, так и по выходу переноса >15.
4. Переведите ключ S4 в положение7 и осуществите обратный счёт пяти импульсов по входу (-1). Сделайте выводы (как в п.3) относительно выходов Q и переноса <0.
В.ИССЛЕДОВАНИЕ СЧЁТЧИКА ПРИ НАЛИЧИИ ОБРАТНОЙ СВЯЗИ.
1. Для проведения опыта переключателем ГП2 введите обратную связь, обнуляющую содержимое счётчика при наличии на его выходе сигнала 01012(510) (переключатель ГП2 в положение 13). Подайте на входы счётчика число 00112(310), переведя ГП1 в положение 9. Выполните последовательно действия, описанные в разделе Б: сброс счётчика, запись числа 310, прямой счёт пяти импульсов, обратный счёт пяти импульсов. Результаты исследований отобразите на временных диаграммах, аналогичных рис.8.
2. Введите обратную связь по сигналу 10102(1010) (переключатель ГП2-в положение 14). Подайте на входы D3-D0 сигнал 01012(510) (переключатель ГП1 в положении 10). Выполните сброс, запись 510, прямой и обратный счёт пяти импульсов, отобразив изменение информации на соответствующих временных диаграммах.
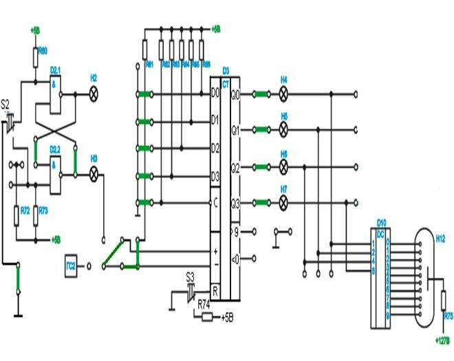
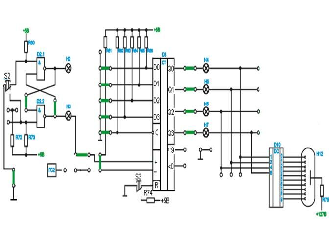
ОПИСАНИЕ ЛАБОРАТОРНОЙ УСТАНОВКИ 2
Цель работы: Изучить принцип работы, назначение выводов и функциональные возможности десятичного счетчика типа К155ИЕ6 и дешифратора К155ИД1 рис.5.21

Рис.5.21. Лабораторный стенд.
Подготовка к работе.
1. Изучить принцип работы, назначение выводов и функциональные возможности счетчика типа К155ИЕ6 и дешифратора
К155ИД1.
2. Изобразить временные диаграммы, поясняющие работу
счетчика в режиме суммирования и вычитания.
3. Составить таблицу состояний для дешифратора К155ИД1 (зависимость выходного кода от кода на входе).
4. Нарисовать исследуемые схемы.
5. Ознакомиться с порядком сборки и исследования схемы
на стенде.
![]() |
Рис.5.22. Дешифратор К155ИД1
Задание 1. Исследование работы счетчика в режиме стирания.
1.1. Собрать на лабораторном стенде схему изображенную на рис.5.24. (Перемычку объединяющую вход С и общий провод не устанавливать.) Включить питание стенда и зафиксировать состояние выходных сигналов Q0....,Q1.... , Q2.... , Q3..... .на рис. 6
1.2. Очистить счетчик, нажав на кнопку S3. Зафиксировать состояние выходных сигналов Q0.... , Q1.... , Q2.... , Q3.... .
1.3. Выключить питание стенда и вновь включить. Повторить п.п. 1.1 и 1.2.
Задание 2. Исследование работы счетчика в режиме параллельной записи информации.
2.1. Установить на входах счетчика D0-D3 двоичный код десятичного числа, заданного преподавателем ( ………..). Для подачи на вход счетчика уровня логической «1» убирается перемычка, соединяющая соответствующий вход D0-D3 с общим проводом (Рис.1.).
2.2. Произведите запись информации кратковременно соединив перемычкой вход С и общий провод. На временной диаграмме отобразите изменения выходных сигналов Q0-Q3. Отметьте, по какому фронту : от 1 к 0 или от 0 к 1 сигнала С происходит занесение информации в счетчик.
2.3. Сотрите информацию с выхода счетчика (кратковременным нажатием на ключ S3). Отобразите изменение выходных разрядов Q3 -Q0 на временной диаграмме, обращая внимание на то, по какому фронту сигнала R происходит стирание информации.

Рис. 5.23. Временная диаграмма

Рис.5.24. Схема счетчика для записи информации
Задание 3. Исследование работы счетчика в режиме суммирования и вычитания.
3.1. Собрать схему, изображенную на рис.5.25, (Перемычки, соединяющие входы D0,D1,D2 и C не устанавливать.).
3.2 . Запишите в счетчик число 01112 (710) используя режим параллельной записи информации, и осуществите прямой счет (суммирование) пяти импульсов последовательным нажатием кнопки S2. Отобразите на временной диаграмме (рис.5.23) изменения состояния выходных сигналов Q0 – Q3 и сигнала
переноса >9 на каждом этапе счета.
3.3. В режиме вычитания при помощи перемычки вход (-) счетчика соединить с выходом микросхемы D2-2 , а вход (+) соединить с резистором R81. Не изменяя состояния счетчика, осуществите обратный счет (вычитание) пяти импульсов последовательным нажатием кнопки S2. Отобразите на временной диаграмме изменения выходных сигналов Q0-Q3 и сигнала <0 на каждом этапе счета.
3.4. Результаты опытов п.п.3.2 и3.3 занести в таблицу 1. Сделайте выводы относительно длительности сигналов переноса >9 и <0.

Рис. 5.25. Схема счетчика для суммирования и вычитания
.

Рис.5.26. Осциллограмма работы счетчика
.

Задание 4. Изучить работу дешифратора.
4.1. Заполнить таблицу 2 истинности семисегментного дешифратора, осуществляя прямой счет с нулевого состояния счетчика. Входной код фиксируем по индикаторам Н4-Н7, выходной определяем по индикатору Н12. Светящиеся сегменты соответствуют единичному уровню выходного кода.
4.2. Записать логическое уравнение для одного сегмента, заданного преподавателем. Минимизировать уравнение по карте Карно, разработать логическую схему
в базисе «И-НЕ».
Таблица 2

Логическое уравнение для одного сегмента дешифратора
Минимизация по карте Карно.
Логическая схема в базисе «И-НЕ»
СОДЕРЖАНИЕ ОТЧЕТА.
Отчёт должен начинаться с указания названия работы. Затем следует написать фамилию и инициалы исполнителя, номер группы и дату выполнения работы.
Лекция "Возникновение психологии как науки " также может быть Вам полезна.
В отчёте должна быть представлена схема исследуемого блока. Дальнейшие записи, таблицы и графические построения определяются выполнением соответствующих пунктов задания. Записи по каждому разделу (А-В) необходимо начинать с его наименования.
Отчёт необходимо выполнять аккуратно, графические построения делать с использованием чертёжных инструментов.
.
5.10 Счётчики ТТЛ 
.
5.11 Счётчики КМОП 





2






















