Дисс
?шёё.
???? яЁхфэрчэрўхэ фы юяЁхфхыхэш яєЄхтющ ёъюЁюёЄш ш єуыр ёэюёр ?? юЄэюёшЄхы№эю чхьэющ яютхЁїэюёЄш.
???? юЄэюёшЄё ъ ртЄюэюьэ?ь сюЁЄют?ь єёЄЁющёЄтрь, ЁрсюЄр??шь яю ёшуэрырь юЄЁрц?ээ?ї юЄ чхьыш. ? юёэютє яЁшэЎшяр фхщёЄтш ???? чрыюцхэ яЁшэЎшя ?юяыхЁр, чръы?ўр??шщё т Єюь, ўЄю ё фтшцє?хуюё ?? яЁюшёїюфшЄ юсыєўхэшх чхьэющ яютхЁїэюёЄш, Єю юЄЁрц?ээ?щ ёшуэры сєфхЄ юЄышўрЄ№ё юЄ шчыєўрхьюую яю ўрёЄюЄх. ?чьхЁхээр эр ?? фюяыхЁютёър ўрёЄюЄр яючтюы хЄ юяЁхфхышЄ№ яєЄхтющ єуюы ш єуюы ёэюёр, фы ¤Єюую ?? ёшуэры яхЁхфрЄўшър шчыєўрхЄё ўхЁхч ?хыхтє? рэЄхээє. ?ютЁхьхээ?х ???? шёяюы№чє?Є 3шыш 4 ыєўр.а






аааааааааааааааааааааааааааааааааааааааааа
аааааааа ааа ааааааэряЁртыхэшх яЁюфюы№эющ юёшаааааааааааааааааааааааааааааааааааааааааааааааааааааааааааааааааааааааааааааааааааааааааааааааааааааааааааааааааааааааааааааааааааааа

аааааааааааааааааааааааааааааааааааааааааааааааааааааааааааааааааааааааааааааааааа ааааааааааааааааааааааааааааааааааааааааааааааааааааааааааааааааааааааааааааааааааааа
аааааааааааааааааааааааааааааааааааааааааааааааааааааааааааааааааааааааааааааааааааааааааааааааааааа α
аааааааааааааааааааааааааааааааааааааааааааааааааааааааааааааааааа ааааааааааааааааааааааааааааааааааааааааааааааааааааа W
3аааааааааааааааааааааааааааааааааааааааааааааааааааааааааааааааааааааааааааааааааааааааааааааааааааааааааааааааааааааааааа
Рекомендуемые материалы
1аааааааа
аааааааааааааааааааааааааааа 2
?с?ўэю ыєўш 1,2,3 Ёрёяюыюцхэ? ёшььхЄЁшўэю юЄэюёшЄхы№эю яЁюфюы№эющ юёш ??. ? ърцфюь ыєўх юёє?хёЄты хЄё юфэютЁхьхээюх шчыєўхэшх ш яЁш?ь юЄЁрц?ээ?ї ёшуэрыют.
?ы ¤Єюую яхЁхфрЄўшъ ш яЁш?ьэшъ ё яюью?№? ??? яхЁхъы?ўрЄхыхщ яююўхЁ?фэю яюфъы?ўр?Є ъ ърцфюьє шч тїюфют рэЄхээ?. ?ы юяЁхфхыхэш яєЄхтющ ёъюЁюёЄш ш єуыр ёэюёр ёЁртэштр?Єё фюяыхЁютёъшх ўрёЄюЄ? яю ЄЁ?ь ыєўрь. ?єЄхтр ёъюЁюёЄ№ яюыєўрхЄё яю єёЁхфэхээюьє чэрўхэш? фюяыхЁютёъшї ўрёЄюЄ яю фтєь рэЄхээрь.
????-3?
?ты хЄё ўхЄ?Ё?їыєўхтющ фюяыхЁютёъющ ёшёЄхьющ.
????-0,13
?ты хЄё ЄЁ?їыєўхтющ фюяыхЁютёъющ ёшёЄхьющ.
?ютЁхьхээ?х ???? шчьхЁ ?Є яєЄхтє? ёъюЁюёЄ№ ?? т яЁхфхырї 150-1300 ъь/ў. ?шрярчюэ єуыют ёэюёр +1-30˚. ?рсюўшщ фшрярчюэ т?ёюЄ юЄ 15ь фю 15Є?ё. ь.
?рёЄюЄр шчыєўхэш 880 ??Ў.
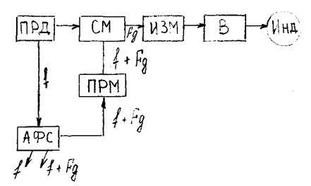
?ЄЁєъЄєЁэр ёїхьр ????

?хЁхфрЄўшъ ухэхЁшЁєхЄ ??? ъюыхсрэш , ъюЄюЁ?х ўхЁхч ??? шчыєўр?Єё т эряЁртыхэшш чхьэющ яютхЁїэюёЄш, юфэютЁхьхээю ёшуэры юЄ ??? яюёЄєярхЄ эр ??. ?ЄЁрц?ээ?щ ёшуэры яЁшэшьрхЄё ???, яюёЄєярхЄ эр яЁш?ьэ?х ш фрыхх эр ??. ? ?? т?фхы хЄё ЁрчэюёЄ№ ўрёЄюЄ ьхцфє шчыєўрхь?ь ш яЁшэшьрхь?ь ёшуэрыюь. ?Єр ЁрчэюёЄ№ ўрёЄюЄ ш хёЄ№ фюяыхЁютёъшщ ёфтшу ўрёЄюЄ?. ?рыхх ¤Єр ўрёЄюЄр яюёЄєярхЄ эр шчьхЁшЄхы№ ўрёЄюЄ?. ?чьхЁшЄхы№ фюяыхЁютёъющ ўрёЄюЄ? юяЁхфхы хЄ єуюы ёэюёр ш яєЄхтє? ёъюЁюёЄ№. ?сЁрсюЄър шф?Є яю юяЁхфхы?ээ?ь рыуюЁшЄьрь. ?юяыхЁютёъшх шчьхЁшЄхыш ты ?Єё фрЄўшъюь фы ёшёЄхь ??? ш эртшурЎшюээ?ї т?ўшёышЄхы№э?ї ёшёЄхь.
Вам также может быть полезна лекция "9 Параллельное соединение элементов".
?р ёрьюы?Єх ?є-154? єёЄрэютыхэ ????-3?, ъюЄюЁ?щ т?фр?Є ярЁрьхЄЁ? т ???-?3, єърчрЄхы№ ёъюЁюёЄш ????-? ш ???-1.
????-3? єёЄрэютыхэ:
? ??ёюъюўрёЄюЄэ?щ єчхы ёюёЄюшЄ шч рэЄхээ?, яхЁхфрЄўшър ш яЁш?ьэшър. ? эшцэхщ ўрёЄш Ї?чхы цр ьхцфє °я. ?3-5;
? ?ыхъЄЁюээ?щ сыюъ ёюёЄюшЄ шч ўрёЄюЄюьхЁр, ёшэїЁюэшчрЄюЁр, ухэхЁрЄюЁр ъюэЄЁюы ш ёїхьр тъы?ўхэш Ёхцшьр ярь Є№.
? ?ыюъ т?ўшёыхэшщ ш сыюъ яшЄрэш єёЄрэютыхэ? т 1-юь Єхїэшўхёъюь юЄёхъх ёяЁртющ ёЄюЁюэ? эр ёЁхфэхщ яюыъх ¤ЄрцхЁъш юсюЁєфютрэш ьхцфє °ярэуюєЄрьш 6-8.
? ??, єёЄрэютыхэ эр тхЁїэхь ¤ыхъЄЁшўхёъюь ?шЄъх ърсшэ? ¤ъшярцр ьхцфє °ярэуюєЄрьш 6-7.





















