Параллельные АЦП
Параллельные АЦП
![]() |
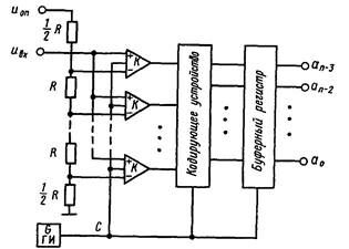
Простейшая схема трехразрядного параллельного АЦП дана на рис.8. Преобразователи этого типа осуществляют одновременное квантование сигнала с помощью набора компараторов, включенных параллельно источнику входного сигнала. Пороговые уровни компараторов устанавливаются с помощью резистивного делителя, подключенного к источнику опорного напряжения uОП, в соответствии с используемой шкалой квантования. Число уровней квантования, а соответственно, и число компараторов для n-разрядного АЦП равно 2n—1.
Рис. 8. Схема трехразрядного параллельного АЦП
При подаче на такой набор компараторов сигнала uBX на их выходах имеет место квантованный сигнал, представленный в унитарном коде. Так, например (см. рис.8), если входное напряжение не выходит за пределы диапазона от 2, 5Du до 3,5Du (Du — шаг квантования), то компараторы с первого по третий устанавливаются в состояние 1, а компараторы с четвертого по седьмой — в состояние 0. Для преобразования унитарного кода в двоичный используется соответствующее кодирующее устройство. Состояния данного кодирующего устройства (для трехразрядного АЦП) показаны в табл. 3.2.
| Входное напряжение | Состояние компараторов
| Выходной двоичный код | ||||||||
| u*ВХ | Рекомендуемые материалы-82% Лабораторная работа №2 - РК6. Разработать программу перекодировки текстовых файлов из кодового набора КОИ-8 в кодовый набор ср1251 -82% Вариант 25 - ЛР №6 - Динамические структуры данных. Списки -82% Разработать программу перекодировки текстовых строк стандартного ввода из кодового набора КОИ-8 в кодовый набор ср1251 -82% Разработать программу перекодировки данных текстовых файлов из кодового набора КОИ-8 в кодовый набор cp1251 ЛР №2 Вариант 18 - перекодирование cp1251->koi8 Вариант 25 - Отчёт по практике К7 | К6 | К5 | К4 | К3 | К2 | К1 | а2 | а1 | а0 |
| 0 | 0 | 0 | 0 | 0 | 0 | 0 | 0 | 0 | 0 | 0 |
| 1 | 0 | 0 | 0 | 0 | 0 | 0 | 1 | 0 | 0 | 1 |
| 2 | 0 | 0 | 0 | 0 | 0 | 1 | 1 | 0 | 1 | 0 |
| 3 | 0 | 0 | 0 | 0 | 1 | 1 | 1 | 0 | 1 | 1 |
| 4 | 0 | 0 | 0 | 1 | 1 | 1 | 1 | 1 | 0 | 0 |
| 5 | 0 | 0 | 1 | 1 | 1 | 1 | 1 | 1 | 0 | 1 |
| 6 | 0 | 1 | 1 | 1 | 1 | 1 | 1 | 1 | 1 | 0 |
| 7 | 1 | 1 | 1 | 1 | 0 | 1 | 1 | 1 | 1 | 1 |
Таблица 3.2.
* Входное напряжение uВХ дано в условных единицах.
![]() |
Основным вопросом, возникающим при проектировании параллельных АЦП, является выбор компараторов и кодирующего устройства, от которых зависят точность, быстродействие, а также надежность работы преобразователя. В схеме рис.8 при преобразовании изменяющихся во времени входных сигналов могут возникать критические состязания, приводящие к сбоям в работе АЦП. Для борьбы с критическими состязаниями используются различные способы противогоночного кодирования и стробирования (тактирования). Схема параллельного АЦП с использованием стробируемых компараторов с памятью представлена на рис.9.
Рис.9. Схема параллельного АЦП с использованием стробируемых компараторов с памятью.
В схеме на рис.9 выборка входного аналогового сигнала происходит после появления фронта стробирующего импульса С. Кодирование происходит с момента поступления на управляющий вход кодирующего устройства среза стробирующего импульса. Результат записывается в выходной буферный регистр с появлением фронта следующего стробирующего импульса. В данной схеме компараторы работают в режиме слежения и запоминания, т. е. кроме функций сравнения они выполняют функции устройств выборки и хранения. Таким образом, процесс квантования совмещается с процессом дискретизации, а для запоминания выборочных значений uВХ(t) используются цифровые устройства. Такие УВХ, в отличие от аналоговых, называют цифровыми.
Параллельные АЦП обладают самым высоким быстродействием среди других типов АЦП, определяемым быстродействием компараторов и задержками в кодирующем устройстве. Недостатком их является необходимость в большом количестве компараторов. Так, для восьмиразрядного АЦП требуется 255 компараторов. Это затрудняет реализацию многоразрядных (свыше 6—8) АЦП в интегральном исполнении. Кроме того, точность преобразования ограничивается точностью и стабильностью компараторов и резистивного делителя. На основе этого способа строят наиболее быстродействующие АЦП со временем преобразования в пределах десятков и даже единиц наносекунд, но ограниченной разрядности (не более шести разрядов).
На основе данного метода преобразования серийно выпускаются БИС шестиразрядного АЦП К1107ПВ1 с временем преобразования не более 100 не.
Последовательно-параллельные АЦП
Последовательно-параллельные АЦП (рис.10) позволяют в значительной мере уменьшить аппаратурные затраты параллельных преобразователей и увеличить быстродействие последовательных. В схеме рис.10 для реализации шестиразрядного АЦП рассматриваемого типа используются два трехразрядных параллельных АЦП.

Рис.10. Схема последовательно-параллельного АЦП.
Первый из них вырабатывает три старших разряда выходного кода. Эти же три разряда, представляющие собой грубо квантованное значение uBX, поступают на вход трехразрядного ЦАП. Разность сигнала uBX и выходного сигнала ЦАП поступает на вход АЦП2, вырабатывающего три младших разряда выходного кода.
При разработке последовательно-параллельных АЦП кроме задач, возникающих при проектировании любого типа АЦП, возникают задачи выбора структуры и согласования шкал отдельных ступеней АЦП
Кроме рассмотренного многоступенчатого последовательно-параллельного АЦП применяются многотактные последовательно-параллельные АЦП, в которых один и тот же параллельный АЦП работает последовательно несколько раз с соответствующим управлением пороговыми напряжениями uОП, приложенными к резистивному делителю параллельного АЦП. Это позволяет снизить аппаратурные затраты, однако при прочих равных условиях преобразователи такого типа оказываются в несколько раз более медленными по сравнению с рассмотренными многоступенчатыми.
АНАЛИЗ И СИНТЕЗ ЛОГИЧЕСКИХ СХЕМ
Потенциальные и импульсные сигналы
Сигнал называется потенциальным, если интервал времени Тi между соседними изменениями сигнала значительно больше времени реакции схемы Тр, в которой он используется, т.е. сигнал x(t) (рис.1) потенциальный, если min{T1, T2, T3,...} >> Тр. Сигнал называется импульсным, если длительность его активного уровня того же порядка, что и время реакции схемы (схема должна отреагировать на воздействие импульсного сигнала, а он должен закончиться сразу же после окончания в схеме переходного процесса).
При аналитическом описании схем, на которые воздействуют импульсные сигналы, используется понятие абстрактного импульсного сигнала, длительность которого бесконечно мала. Реальные импульсные сигналы всегда имеют конечную длительность, которая определяется временем реакции схемы. В зависимости от быстродействия ЛЭ, из которых построена схема, время реакции может изменяться в широких пределах.

Рис.1.
Понятие абстрактного импульсного сигнала позволяет абстрагироваться от физических параметров конкретных схем. Импульсные сигналы порождаются изменениями потенциальных сигналов с 1 на 0 и (или) с 0 на 1.
![]() |
На рис. 2, а показана схема генератора импульсного сигнала dx, а на рис. 2,б— временные диаграммы, поясняющие ее работу (для простоты положили, что ЛЭ безынерционны). Инверсный импульсный сигнал dx может быть получен с помощью ЛЭ НЕ. Генераторы импульсных сигналов называются разностными элементами.
![]() |
Рис. 2.
На рис. 2,в представлена схема удвоения частоты, а на рис. 2,г — временные диаграммы, поясняющие ее работу. Вместо асинхронных потенциальных элементов задержки на время Dt можно использовать некоторое число последовательно включенных ЛЭ, обеспечивающих заданную задержку.
Синтез асинхронных потенциальных автоматов
Основная модель цифровых автоматов
Цифровые автоматы (последовательностные схемы) по способу воздействия на них входных информационных сигналов подразделяются на три основных класса: асинхронные потенциальные автоматы, синхронные автоматы и асинхронные импульсные автоматы. Каждый из классов автоматов можно разделить на несколько типов по другим признакам.
На асинхронный потенциальный автомат воздействия производят непосредственно его входные информационные сигналы до тех пор, пока сохраняется их активный уровень.
В синхронном автомате используется единый для всего автомата тактовый сигнал, который осуществляет на него импульсное воздействие в соответствии с уровнями входных информационных сигналов, т. е. в синхронном автомате последние только управляют воздействиями, а момент времени воздействия полностью определяется тактовым сигналом. Далее информационные сигналы будут называться просто входными сигналами автомата.
Асинхронный импульсный автомат отличается от потенциального тем, что входные потенциальные сигналы производят на него импульсные воздействия в момент их изменения. Такие воздействия в синхронных автоматах производит только один сигнал — тактовый, а в асинхронных импульсных автоматах любой из входных сигналов может управлять воздействиями и производить их.
Так как воздействия активных уровней входных сигналов на асинхронный потенциальный автомат происходят непрерывно, то при их синтезе необходим учет переходных процессов, вызываемых этими воздействиями. В синхронных же автоматах изменения входных сигналов не могут вызвать переходного процесса без участия тактового сигнала, который задает моменты времени, в которые автомат воспринимает значения входных сигналов. Тактовый сигнал поступает на синхронный автомат от внешнего генератора, не синхронизированного с его входными сигналами. Поэтому в момент воздействия на автомат тактового сигнала входные сигналы не должны изменяться. При выполнении этого требования переходные процессы в синхронных автоматах можно не рассматривать, обеспечив выбором соответствующей частоты тактового сигнала окончание переходного процесса к следующему моменту его воздействия. Таким образом, в синхронных автоматах вместо непрерывного времени вводится в рассмотрение дискретное время, задаваемое генератором тактового сигнала.
Для проектирования цифровых автоматов используются не только ЛЭ, но и элементы памяти (ЭП), в качестве которых чаще всего используются триггеры. Элементы памяти и триггеры являются элементарными автоматами, поэтому они, как и цифровые автоматы, делятся на те же три класса. Классы автоматов различаются только типом используемых в них ЭП: с потенциальным воздействием входных сигналов, импульсным воздействием только одного тактового сигнала или с импульсным воздействием нескольких входных сигналов (может быть и одного).
Наиболее фундаментальной и сложной является теория асинхронных потенциальных автоматов, и только ее методами можно синтезировать триггеры с импульсным восприятием изменений входных потенциальных сигналов, например тактового. Такие триггеры необходимы для структурного синтеза автоматов, принадлежащих к другим классам. Основные понятия теории автоматов являются общими для всех классов автоматов, различия же появляются в основном на этапе их структурного синтеза из-за особенностей законов функционирования используемых триггеров.
В отличие от КС значения выходных сигналов автомата в данный момент времени зависят не только от значений входных сигналов в этот же момент времени, но и от предыдущих их значений. Из этого следует, что цифровые автоматы реализуют функциональную связь уже не между отдельными значениями входных и выходных сигналов, а между их последовательностями. Таким образом, в отличие от КС работу автоматов следует рассматривать во времени. Чтобы значения выходных сигналов зависели от предыдущих значений входных сигналов, автомат должен обладать памятью, в которой сохраняется информация о предыдущих входных воздействиях. Эта информация используется в автомате в виде совокупности сигналов, вырабатываемых памятью и называемых внутренними сигналами.
![]() |
На рис. 3 показана основная модель асинхронного потенциального автомата, которая состоит из КС и элементов задержки D входных сигналов Q+r на время Dt, включенных в обратных связях КС.
Рис. 3.
Элементы задержки производят запоминание внутренних сигналов КС Dr = Q+r (r= 1, 2,..., m) на время Dt , т.е. они являются элементами памяти. Сигналы Dr=Dr(t) являются входными информационными сигналами ЭП. Эти сигналы появляются на входах КС (выходах ЭП) через время Dt и могут вызвать изменение ее выходных сигналов. Понятно, что если сигнал Qr= Qr (t), то сигнал Q+r= Qr (t+Dt).
В общем случае автомат содержит m ЭП Qm,…, Qr, …, Q1 и имеет n физических входов, на которые подаются сигналы xn,..., xp,..., x1, и k физических выходов, с которых снимаются сигналы zk,..., zq,..., z1. При фиксированных значениях внутренних сигналов Qr автомат ведет себя подобно некоторой КС, т. е. реализует однозначное соответствие между значениями входных и выходных сигналов. Однако при изменении входных сигналов его реакция может выразиться в изменении внутренних сигналов. Если затем подать прежние значения входных сигналов, то соответствие между значениями входных и выходных сигналов может оказаться совсем другим.
На основании основной модели автомата его внутренние Q+r и выходные zq сигналы можно задать некоторыми системами переключательных функций:

где 
Система функций Пr называется функцией переходов автомата, а система функций Вq – функцией выходов. Эти системы функций можно представить в векторной форме:
S+=П(v,s),
W=B(v,s),
где

Различают автоматы Мура и автоматы Мили. Автоматы Мили описываются функциями переходов и выходов, представленных выше и его выходы зависят не только от состояния, но и от входного сигнала.
Автоматы Мура описываются следующими функциями переходов и выходов:
S+=П(v,s),
W=B(s).
В таких автоматах каждое новое состояние обусловлено предшествующим состоянием и входным сигналом, а выходы в каждый момент времени однозначно определяются только состоянием автомата.
Введем основные определения.
Состоянием входа автомата называется n-мерный вектор
, где xp=0 или 1 — значение p-ого входного сигнала автомата. Всего может быть 2n различных состояний входа, т. е. множество VA возможных состояний входа состоит из 2n элементов:

Внутренним состоянием автомата называется m-мерный вектор
, где Qr= 0 или 1 — значение выходного сигнала r-ого ЭП. Всего может быть 2m различных внутренних состояний, т.е. множество SA возможных внутренних состояний состоит из 2m элементов:

В дальнейшем внутреннее состояние sj часто будем называть просто состоянием автомата, а состояние s0 – начальным (или исходным) состоянием автомата, в котором он находится до начала работы.
Состоянием выхода автомата называется k-мерный вектор
, где zk = 0 или 1 — значение k-ого выходного сигнала автомата. Всего может быть 2k различных состояний выхода, т.е. множество WA возможных состояний выхода состоит из 2k элементов:

Так как множества VA, SA и WA конечны, то цифровые автоматы называют также конечными автоматами. В конкретных автоматах множества VA, SA и WA могут использоваться не полностью. Так, если есть какие-либо ограничения на значения входных сигналов, то некоторые состояния входа будут запрещенными (не могут появиться при работе автомата). Таким образом, в конкретных автоматах могут использоваться подмножества 
Для формального задания автомата необходимо задать множества V, S и W и функций переходов П и выходов B, определенные на этих множествах:
A={V, S, W, П, B}.
Каждая пара (vi, sj) называется полным состоянием автомата, а совокупность всех возможных пар (vi, sj) представляет собой множество, определяемое декартовым произведением Р = V ´ S.
Автоматы могут быть полностью определенными и недоопределенными. Полностью определенными, или полными, называются такие автоматы, для которых функции переходов и выходов определены на всем множестве Р, т.е. значения функций переходов и выходов заданы на всех парах (vi, sj) Î Р. Если же функции переходов и выходов или функция выходов определены только на подмножестве P1 Ì Р, т.е. значения этих функций заданы не на всех парах (vi, sj), то автомат называется недоопределенным, или неполным.
В основной модели автомата (см. рис. 3) используются асинхронные потенциальные элементы задержки (ЭП типа D). Точные значения величин задержек Dt в принципе неизвестны, так как они могут со временем изменяться под воздействием многих факторов. Поэтому даже при одновременном изменении входных сигналов нескольких элементов задержки их выходные сигналы могут изменяться неодновременно, причем порядок изменения выходных сигналов может быть самым различным.
Элемент памяти Qr находится в устойчивом состоянии, если выполняется соотношение Q+r=Dr = Qr, т.е., если значение выходного сигнала ЭП совпадает со значением его входного сигнала. Если же Q+r=Dr ¹ Qr, то ЭП находится в неустойчивом состоянии, так как значение его выходного сигнала должно в этом случае измениться через время, не большее чем Dt.
Автомат находится в устойчивом состоянии, если Q+r = Qr для всех г = 1,2,...,m, т. е., если все ЭП находятся в устойчивом состоянии. В векторной форме условие устойчивости состояния автомата можно записать так:
s+=s.
Автомат находится в неустойчивом состоянии, если хотя бы один ЭП находится в неустойчивом состоянии, т. е., если
s+¹s.
Если при изменении состояния входа автомат в зависимости от некоторых условий может перейти в любое из двух или большего числа устойчивых состояний, то в автомате имеют место состязания устойчивых состояний. Состязания устойчивых состояний недопустимы, так как нарушается детерминированность переходов.
Описание автоматов таблицами и графами
Основной задачей автомата является реализация соответствия между входными и выходными последовательностями. Множество допустимых входных последовательностей может быть очень велико, поэтому не представляется возможным составить таблицу соответствия между всеми входными и выходными последовательностями. В инженерной практике законы функционирования автоматов формулируются сначала словесно или задаются с помощью временных диаграмм. Однако эти описания поведения автоматов не являются математически строгими, поэтому необходим переход к таким способам задания автоматов, которые позволили бы установить строгое соответствие между множествами входных и выходных последовательностей. Одним из способов задания автоматов, удобным для их синтеза, являются таблицы переходов и выходов.
Таблицы переходов и выходов
Таблица переходов автомата (табл.1) состоит из строк, число которых равно числу допустимых состояний входа автомата (£2n, где n — число входных сигналов автомата), и столбцов, число которых равно числу внутренних состояний автомата (£2m, где m — число ЭП). Поэтому каждая клетка таблицы переходов, расположенная в строке vi и столбце sj, соответствует паре (vi, sj). В клетках таблицы переходов указываются значения новых состояний s+s, в которые будет переходить автомат. Если некоторые переходы не заданы (в недоопределенном автомате), то в соответствующих клетках ставятся прочерки.
В таблице выходов подобным образом задается состояние выхода ws для каждой пары (vi, sj). На пересечении соответствующих строки и столбца получаем выходной вектор автомата (см. табл. 2). Эта таблица также может быть не полностью определенной.
Иногда обе таблицы совмещают, тогда в каждой клетке записана пара состояний (s+s, ws) и таблица называется таблицей переходов-выходов(см.табл.3).
У автомата Мура таблица выходов 2 вырождается в одну строку, которую можно дописать к первой строке таблицы переходов. Получим отмеченную таблицу переходов, которая полностью характеризует автомат Мура (табл. 4).
| vi | sj | ||
| s0 | s1 | s2 | |
| v0 | s0 | - | s2 |
| v1 | s1 | s2 | s1 |
| v2 | - | s1 | s0 |
Таблица 1. Таблица 2. Таблица 3. Таблица 4.
| vi | sj | ||
| s0 | s1 | s2 | |
| v0 | w1 | - | w0 |
| v1 | w2 | w0 | w2 |
| v2 | - | w1 | w1 |
| Vi | sj | ||
| s0 | s1 | s2 | |
| v0 | s0,w1 | - | s2,w0 |
| v1 | s1,w2 | s2,w0 | s1,w2 |
| v2 | - | s1,w1 | s0,w1 |
| Vi | zl | ||
| w0 | w1 | w2 | |
| sj | |||
| s0 | s1 | s2 | |
| v0 | s0 | - | s2 |
| v1 | s1 | s2 | s1 |
| v2 | - | s1 | s0 |
Лекция "6.1 Факторы, влияющие на развитие" также может быть Вам полезна.
Графы переходов
Удобным средством задания автомата из-за его наглядности является граф переходов, который всегда имеет однозначное соответствие с таблицей переходов (граф переходов может быть построен по таблице переходов и наоборот). На рис.4, а показан граф переходов автомата Мили, соответствующий табл.3. Граф переходов состоит из узлов (кружков), обозначающих внутренние состояния автомата sj, и ветвей (направленных линий), указывающих переходы между внутренними состояниями. Ветви, выходящие из какого-либо узла и входящие в этот же узел, называются петлями. Ветви обозначаются состоянием входа vi, вызывающим соответствующий переход между внутренними состояниями, и состоянием выхода wl.
![]() |
![]() |
а) б)
Рис.5.
Графы автоматов Мили (рис.5, а) и Мура (рис.5, б) соответствуют таблицам переходов-выходов табл.3,4.






























