Расчет параметрических стабилизаторов
Любые упражнения по изучению электротехники необходимо начинать с проработки лекционного материала и соответствующего раздела в учебнике. Следует также выучить правила составления уравнений и свойств соединений элементов схем.
СЕМИНАР 12
Расчет параметрических стабилизаторов
Задача 1
Нарисовать характеристику стабилитрона с параметрами:
Uст = 12 В, Iст min = 3 мА, Rдиф = 25 Ом, Iст mах = 50 мА.
Решение:
∆Iст = Iст mах - Iст min = 50 – 3 = 47 мА
Рекомендуемые материалы
∆ Uст = ∆Iст ·Rдиф = 0,047·25 = 1,175 В
Uст min = Uст - ∆ Uст/2 = 11,42 В
Uст mах = Uст + ∆ Uст/2 = 12,59 В
Строим ВАХ стабилитрона рис. 1.

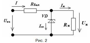
Задача 2
Для схемы на рис. 2, стабилитрон имеет параметры:
Uст = 20 В, Iст min = 1 мА, Rдиф = 40 Ом, Iст mах = 71 мА.
Определить ток I в цепи графическим способом, если Iн =20 мА.

Решение:
I = Iст + Iн
∆Iст = Iст mах - Iст min = 71 - 1 = 70 мА
∆ Uст = ∆Iст ·Rдиф = 0,07·40 = 2,8 В
Uст min = Uст - ∆Uст/2 = 18,6 В
Uст mах = Uст + ∆Uст/2 = 21,4 В
Строим ВАХ стабилитрона, ВАХ резистора. Суммируем ВАХ-ки. Графически определяем ток неразветвленного участка цепи рис 3.

I = 55 мА
Задача 3
Чему равно относительное изменение напряжение на выходе параметрического стабилизатора, если ток стабилитрона изменился на 2 мА, Uст = 8 В, Rдиф = 16 Ом?
Решение:

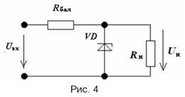
Задача 4
Для стабилизации напряжения в нагрузке Rн = 2 кОм используется параметрический стабилизатор напряжения рис. 4. Стабилитрон имеет параметры: Iстmin = 1 мА, Iстmax = 23 мА, Rдиф = 30 Ом; номинальное напряжение на выходе равно 11 В, входное напряжение 22 В.
Определить Кст и Rбал.

Решение:


Задача 5
Определить напряжение на входе стабилизатора рис. 5. Параметры стабилитрона:
Uст = 12 В, Iст min = 5 мА, Iст mах = 35 мА, Rдиф = 20 Ом, Rбал = 800 Ом, Rн = ∞.

Решение: ток через стабилитрон

Так как стабилитрон и балластное сопротивление включены в цепь последовательно, то
I = Iст mах = 20 мА
По второму закону Кирхгофа: 
Задача 6
Определить U2 в стабилизаторе напряжения рис. 6, если U1 = 16 В, R1 = 300 Ом, R2 = 1,2 кОм, Uст min = 12 В, Rст = 15 Ом.
Указание: решить задачу аналитическим методом, используя схему замещения стабилитрона (источник эдс Е = Uст, включенный последовательно с резистором Rст).

"Ремонт газопроводов при порыве техникой" - тут тоже много полезного для Вас.
Решение: начертим схему замещения стабилизатора рис 7.

Используем метод двух узлов:
;
U2 = 12,2 В





















